Steuerung für Lüfter und Licht Im Unterforum Grundlagen - Beschreibung: Grundlagen und Fragen für Einsteiger in der Elektronik
Autor |
Steuerung für Lüfter und Licht Suche nach: lüfter (6954) |
|
|
|
|
BID = 952811
BooWseR Neu hier

Beiträge: 20
|
|
Moin Leute,
Google führte mich in dieses Forum und vielleicht könnt ihr mir helfen.
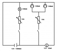
Ich möchte bei mir einen LED Strip montieren und wollte an das NT gleich noch die 2 Lüfter hängen, welche meine Endstufen belüften. Beides soll für sich regelbar sein und zudem fand ich auf Amazon noch ein günstiges Einbau-Thermometer, welches gleich mal die Überwachung übernehmen soll.
Zu den Daten:
Das Netzteil, welches zum Strip geliefert wird liefert 1000mA bei 12V DC.
Der Strip selbst ist bei 50cm mit 200mA angegeben (Werde aber vermutlich nur um die 30 cm nutzen.
Die Lüfter sind schon uralt, ich meine aber der Verbrauch beläuft sich auf 200mA. Es handelt sich hier um handelsübliche 120mm PC-Lüfter mit LEDs.
Das Thermometer soll einen Verbrauch von 18mA haben. (Wobei mir das nach sehr wenig klingt, die LCD anzeige muss ja auch dargestellt werden...)
Bei den beiden Potentiometern, welche bis 10kOhm gehen, war eine Verlustleistung von einem Watt angegeben, was nach meiner Rechnung ~84mA bei 12V entsprechen sollte.
Unterm Strich sollte sich somit ein Verbrauch von 786mA ergeben, wenn ich mir keinen Groben Schnitzer erlaubt habe.
Ich hab den Schaltplan angehängt, hoffe das klappt so.
Ich hoffe, ihr könnt mir da etwas weiterhelfen, eventuelle Fehler aufzeigen, oder das Ganze so unterstreichen.
Mit besten Grüßen,
BooWseR
|
|
BID = 952831
Otiffany Urgestein
     
Beiträge: 13779 Wohnort: 37081 Göttingen
|
|
Kennst Du das ohmsche Gesetz?
Wenn man Widerstände mit einem Verbraucher in Reihe schaltet, dann reduziert man den Strom!Ich bin mir nicht sicher, ob Du zur Regelung einfach Potis verwenden kannst. Das ist abhängig vom Aufbau der Verbraucher. Es gibt Lüfter, die schon eine Elektronik beinhalten und diese Elektronik steuert den Lüfter. LEDs lassen sich nicht einfach über Potis steuern; da benutzt man PWM Modulation.
Gruß
Peter |
|
BID = 952873
BooWseR Neu hier

Beiträge: 20
|
Ja, das Ohmsche Gesetzt hatte ich mal gehabt. Das letzte woran ich mich jedoch aus meiner Elektrotechnik erinnere sind so praxisnahe Geschichten wie Feldstärken in Kondensatoren berechnen.
PWM gibt es auch für Lüfter, aber es gibt auch eben welche ohne PWM und Lüftersteuerungen setzen sowas nicht voraus, also muss es auch ohne PWM gehen, zumindest beim Lüfter.
Bist du sicher, dass ich beim LED-Strip nicht einfach die Spannung reduzieren kann? Ich wollte neulich Leitungen durchmessen und da mein Multimeter nicht zur Hand war nahm ich bedarfsmäßig halt eine 4,5V Batterie + ein Stück von meinem LED Strip. Das leuchtete zwar auch, wenn auch etwas schwächer, halt genau das, was ich mir wünsche.
Wenn ich in den Tiefen meines Wissens rumkrame, dann meine ich auch, dass das Ohmsche Gesetz besagt, dass bei parallel geschalteten Widerständen an jedem die gleiche Spannung anliegt, darum habe ich auch alle Widerstände und Verbraucher parallel geschaltet. In Reihe sind lediglich die Potis, womit ich ja eben die Spannung reduzieren möchte um Lüfter langsamer, bzw. das Licht dimmen zu können.
[ Diese Nachricht wurde geändert von: BooWseR am 6 Feb 2015 21:25 ]
|
BID = 952876
der mit den kurzen Armen Urgestein
     
Beiträge: 17437
|
Probiers aus und Staune wenn die Potis Qualmen oder sich gar nichts tut.
_________________
Tippfehler sind vom Umtausch ausgeschlossen.
Arbeiten an Verteilern gehören in fachkundige Hände!
Sei Dir immer bewusst, dass von Deiner Arbeit das Leben und die Gesundheit anderer abhängen!
|
BID = 952883
BooWseR Neu hier

Beiträge: 20
|
Deswegen bin ich ja hier, um in Erfahrung zu bringen ob mein Vorhaben durchsetzbar ist.
Ich nehme jetzt mal Produkte als Beispiel um das etwas zu konkretisieren.
Diese LEDs hatte ich ins Auge gefasst. > http://www.led1.de/shop/solarox-fin......html
Unten in der Beschreibung steht: "Der Strip ist mittels LED-Dimmer auch dimmbar. Passende Dimmer finden Sie hier." - Klicke ich auf "hier" bekomme ich eine Auswahl an Dimmern, meist digitaler Natur, jedoch auch ein 10kOhm Potentiometer. Für mich als Kunden klingt das nun so, dass dieses Potentiometer für den Einsatz geeignet ist, richtig?
Als Lüfter nehme ich jetzt diese hier als Beispiel > http://www.amazon.de/ARCTIC-F12-120.....TVFTE
Es gibt diesen Lüfter auch als PWM Modell, jedoch nehme ich es jetzt mal ohne. Der Verbrauch ist bei 12V und 0.24A angegeben, Start-Up Voltage ist 2.7V.
Schalte ich jetzt einen Widerstand vor diesen Lüfter und drossel die Spannung auf bspw. 5V, warum sollte er dann nicht gedrosselt laufen?
Und warum sollten die Pottis qualmen? Diese sind für 230V geeignet, da kann ich sie mit 12V doch durchaus nutzen, oder nicht?
|
BID = 952893
Otiffany Urgestein
     
Beiträge: 13779 Wohnort: 37081 Göttingen
|
Offenbar kannst Du doch nichts mit dem ohmschen Gesetz anfangen! Den Potis ist die Spannung ziemlich egal, der Strom hingegen absolut nicht!
Gruß
Peter
|
BID = 952898
123abc Schreibmaschine
    
Beiträge: 2209 Wohnort: Hamburg
|
Es kommt natürlich auf die Potis an.
Versuche es daher nicht mit den normalen Potis sondern mit Drahtpotis
|
BID = 952904
Otiffany Urgestein
     
Beiträge: 13779 Wohnort: 37081 Göttingen
|
|
BID = 952915
BooWseR Neu hier

Beiträge: 20
|
Jetzt komme ich mir endgültig dämlich vor...
Mal ganz auf Anfang.
So ein Drehpotentiometer ist ja eine Art Spannungsteiler, richtig? Das heißt I = U / Rges. Dreh ich das Potentiometer voll auf, so habe ich 12/10000Ohm = 0.0012A, richtig?
Im Umkehrschluss würde ich dann ja sagen, wenn das Potentiometer ganz nach unten gedreht ist hab ich annähernd die Stromstärke, die vom Netzteil ausgeht.
Nur irgendwo scheint hier ja ein Denkfehler zu sein, oder?
70 Für ein Potentiometer finde ich etwas übertrieben, da könnte ich mir auch eine Lüftersteuerung für 15 Euro ohne PWM holen und damit steuern. Da dort auch die Lüfter reguliert werden können, so muss es doch auch ohne so teure Bauteile gehen, oder?!
Helft mir
|
BID = 952916
der mit den kurzen Armen Urgestein
     
Beiträge: 17437
|
Zitat :
BooWseR hat am 7 Feb 2015 01:18 geschrieben :
|
warum sollte er dann nicht gedrosselt laufen?
Und warum sollten die Pottis qualmen? Diese sind für 230V geeignet, da kann ich sie mit 12V doch durchaus nutzen, oder nicht?
|
so mal URI angewendet R = 1000 V:A I=0,2A U=R*I >>>> 1000V:A*0,2A= 200V die über dem Poti abfallen würden! Daraus folgt Dein 1k Poti würde mit 200V*0,2A = 40Watt belastet werden.
So rechnen wir mal mit Deinen 12V und 0,2A über das Poti sollen 7V abfallen bei einem Strom von 0,2A >>>> R=U:I 7V: 0,2A = 35 Ohm! und 7V*0,2A= 1,4W Merkst du was?
Die Dimmer benutzen das Potentiometer zur Einstellung der Puls weiten modulation. Die Leds werden dabei sehr schnell ein und ausgeschaltet über den Dimmer. Das Auge integriert die Ein und Pausenzeit so das es für dich aussieht als würden die Led dunkler oder heller. Tatsächlich leuchten sie aber immer mit voller Helligkeit, nur eben sehr kurz oder dauernd.
http://www.led1.de/shop/solarox-mini-led-dimmer.html?type=N der reicht für Deine LED dicke zu !
_________________
Tippfehler sind vom Umtausch ausgeschlossen.
Arbeiten an Verteilern gehören in fachkundige Hände!
Sei Dir immer bewusst, dass von Deiner Arbeit das Leben und die Gesundheit anderer abhängen!
[ Diese Nachricht wurde geändert von: der mit den kurzen Armen am 7 Feb 2015 12:59 ]
|
BID = 952922
BooWseR Neu hier

Beiträge: 20
|
PWM hatte ich neulich erst angewandt um ein Lauflicht zu schalten, ebenfalls mit LEDs. Es sind hier echt die Grundlagen, die mir das Genick brechen
Ok, da ich im Grunde eh kaum mehr Ahnung von der Materie hab, nehme ich jetzt mal eine fertige Steuerung als Beispiel:
Hier ist eine x-beliebige Lüftersteuerung: http://www.amazon.de/Mystore365-Vie.....JFRFS
Hier wird ohne PWM gedrosselt, von 5V-11.5V. Und von meinem Striprest weiß ich, dass er auch mit einer 4.5V Batterie leuchtet (Wobei ich nicht weiß wie gut das für die LEDs ist, eventuell könnte ich hier gleich einen Strip mit integriertem Dimmer nehmen).
Ist das Problem, dass der Widerstand des Potentiometers mit 10kOhm zu groß gewählt ist? Wenn ich zum Betrieb mindestens 5V brauche und 0.1A, dann benötige ich einen Widerstand von U/I = 5V/0.1A = 50 Ohm?! Achso, deswegen die Empfehlung von dem 22Ohm Widerstand... Und die Preise explodieren ja bei unter 100 Ohm... Ich glaube, so langsam erkenne ich das Problem
Aber wie schaffen sie es Potentiometer mit einem so feinen Widerstand so kostengünstig im Gerät zu verbauen? Oder funktionieren alle Lüftersteuerungen mit PWM?
|
BID = 952924
der mit den kurzen Armen Urgestein
     
Beiträge: 17437
|
Das denkst auch nur Du  Das die ohne PWM arbeiten.
Die Beschreibungen zu den Produkten sind einfach nur zum kotzen und für Dummis gemacht.
_________________
Tippfehler sind vom Umtausch ausgeschlossen.
Arbeiten an Verteilern gehören in fachkundige Hände!
Sei Dir immer bewusst, dass von Deiner Arbeit das Leben und die Gesundheit anderer abhängen!
|
BID = 952925
BooWseR Neu hier

Beiträge: 20
|
Zumindest wir das Produkt häufig zusammen gekauft mit Lüftern, die ohne PWM sind, zumindest gibt es das Modell auch für einen Euro mehr mit PWM. Ich weiß nicht in wie weit es für den Lüfter entscheidend ist, denn theoretisch kann ich ja alles über kurze Impulse langsamer oder für das menschliche Auge dunkler machen.
Aber ich glaube ich trenne mich mal von dem elektrischen Widerstand und fasse PWM ins Auge. Angenommen diese Steuerung arbeitet mit PWM (Leider hab ich nicht das Equipment das zu testen, außer ich schlepp das Teil mit in die Hochschule), dann könnte ich doch theoretisch einfach das verbauen und sowohl die Lüfter, als auch die LEDs dranhängen, richtig?
|
BID = 952927
der mit den kurzen Armen Urgestein
     
Beiträge: 17437
|
Diese PWM-Steuerungen sind dank IC billiger als jedes Drahtpotentiometer es sein könnte. Die Verlustleistung ist auch geringer, denn da wird keine Leistung unsinniger weise verheizt.
Schau dir mal so ein PWM-Signal mit dem Oszi an, und messe mal parallel dazu die Spannung mit einem Multimeter!
_________________
Tippfehler sind vom Umtausch ausgeschlossen.
Arbeiten an Verteilern gehören in fachkundige Hände!
Sei Dir immer bewusst, dass von Deiner Arbeit das Leben und die Gesundheit anderer abhängen!
|
BID = 952929
BooWseR Neu hier

Beiträge: 20
|
Leider habe ich gerade kein Oszi zur Hand, aber ich meine, dass ich das neulich im Rahmen einer Aufgabe machen musste. Da es aber einige Monate her hab ich leider vergessen, was genau der Sinn der Aufgabe war.
Ich habe mir gerade das größere LCD Modul angeschaut der Steuerung, wo explizit PWM aufgeführt ist, daher liegt es nahe, dass auch der kleine Bruder mit eben diesem Signal arbeitet. Wie du schon sagtest, die Beschreibungen sind Grütze, erkennen lässt sich da kaum etwas.
Aber wenn wir mal von der Theorie ausgehen, sollte es doch möglich sein, einen LED-Strip anstelle eines Lüfters zu montieren und diese über das Poti zu regeln?  Wäre zumindest eine kompakte Idee, wobei ein Thermometer noch immer extra müsste, da mir die Steuerungen mit Anzeige eindeutig zu überladen sind.
|
|
Zum Ersatzteileshop
Bezeichnungen von Produkten, Abbildungen und Logos , die in diesem Forum oder im Shop verwendet werden, sind Eigentum des entsprechenden Herstellers oder Besitzers. Diese dienen lediglich zur Identifikation!
Impressum
Datenschutz
Copyright © Baldur Brock Fernsehtechnik und Versand Ersatzteile in Heilbronn Deutschland
gerechnet auf die letzten 30 Tage haben wir 13 Beiträge im Durchschnitt pro Tag heute wurden bisher 2 Beiträge verfasst © x sparkkelsputz Besucher : 185863482 Heute : 5032 Gestern : 26182 Online : 349 19.10.2025 4:59 21 Besucher in den letzten 60 Sekunden alle 2.86 Sekunden ein neuer Besucher ---- logout ----viewtopic ---- logout ----
|
xcvb
ycvb
In 58 Sekunden wird ein Backup gestartet. Bitte beenden Sie alle Eingaben. Das Forum wird dann für 10 Minuten abgeschaltet ! |
|