| Autor |
Schaltung mit OP Suche nach: schaltung (31745) |
|
|
|
|
BID = 401271
mschmitt1984 Gerade angekommen
Beiträge: 7 Wohnort: Westhofen
|
|
Hallo,
ich hatte heute den ersten Teil der Praktischen Prüfung zum Informationselektroniker.
wir hab eine Nf-Verstärker mit einem OP LM358 aufgebaut.
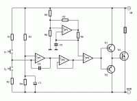
Ich hätte dazu folgende Fragen: Für was ist der 10nF-Kondensator parallel zum Rückkopplungswiderstand gut und was ist die Aufgabe des 1µF Elko am negierten Eingang?
haben die was mit den Grenzfrequenzen zu tun? Die Schaltung verhält sich wie ein Bandpass.
[ Diese Nachricht wurde geändert von: mschmitt1984 am 23 Jan 2007 21:17 ] |
|
BID = 401317
perl Ehrenmitglied
       
Beiträge: 11110,1 Wohnort: Rheinbach
|
|
Zitat :
| | Die Schaltung verhält sich wie ein Bandpass. | Eigentlich nicht, denn die Schaltung enthält ein bis zwei Fehler.
Mal sehn ob du ihn findest.
_________________
Haftungsausschluß:
Bei obigem Beitrag handelt es sich um meine private Meinung.
Rechtsansprüche dürfen aus deren Anwendung nicht abgeleitet werden.
Besonders VDE0100; VDE0550/0551; VDE0700; VDE0711; VDE0860 beachten !
[ Diese Nachricht wurde geändert von: perl am 23 Jan 2007 23:10 ] |
|
BID = 401357
mschmitt1984 Gerade angekommen
Beiträge: 7 Wohnort: Westhofen
|
Lötpunkt am R3 vergessen
Mit der Polung vom C3 bin ich mir auch nicht ganz so sicher, war aber im Original-Schaltbild genau so eingezeichnet.
|
BID = 401363
Ltof Inventar
     
Beiträge: 9386 Wohnort: Hommingberg
|
Ich finde diese Schaltung ziemlich sinnlos. Ist die aus der Erinnerung oder in der Prüfungshektik abgemalt?
_________________
„Schreibe nichts der Böswilligkeit zu, was durch Dummheit hinreichend erklärbar ist.“
(Hanlon’s Razor)
|
BID = 401373
mschmitt1984 Gerade angekommen
Beiträge: 7 Wohnort: Westhofen
|
ist von den Prüfungsunterlagen abgemalt worden.
Aber für was sind jetzt die Kondensatoren gut?
|
BID = 401377
Ltof Inventar
     
Beiträge: 9386 Wohnort: Hommingberg
|
Zitat :
mschmitt1984 hat am 24 Jan 2007 10:40 geschrieben :
|
ist von den Prüfungsunterlagen abgemalt worden.
|
Und offenbar falsch abgemalt.
Wie soll man den Sinn einzelner Bauteile erklären, wenn die ganze Schaltung keinen Sinn ergibt?
_________________
„Schreibe nichts der Böswilligkeit zu, was durch Dummheit hinreichend erklärbar ist.“
(Hanlon’s Razor)
|
BID = 401420
perl Ehrenmitglied
       
Beiträge: 11110,1 Wohnort: Rheinbach
|
Zitat :
| Lötpunkt am R3 vergessen
Mit der Polung vom C3 bin ich mir auch nicht ganz so sicher, |
Ja, aber das Wichtigste: Das linke Ende von C1||R4 gehört an den invertierenden Eingang des Opamps ! Dann erst macht die Schaltung Sinn.
Comprende ?
_________________
Haftungsausschluß:
Bei obigem Beitrag handelt es sich um meine private Meinung.
Rechtsansprüche dürfen aus deren Anwendung nicht abgeleitet werden.
Besonders VDE0100; VDE0550/0551; VDE0700; VDE0711; VDE0860 beachten !
|
BID = 401451
second Stammposter
   
Beiträge: 477 Wohnort: 15
|
komisch,
nur das diese schaltung eine art mitkopplung hat,welche sich bestimmt nice hoch schaukelt.
c1 und r4 sollten aber eher zur gegenkopplung verwendet werden.
was doch etwas stört ist, das die nen spannungsteiler auf den eingang legen.... hallo.... das ist ein op!
bei dieser bauform braucht man keine vorspann-spannung.
bin ich ja mal gespannt, was ich bauen darf, habe am 31.1. praktische prüfung, VDE0702 kommt bei uns definitiv, löten bestimmt auch.
mfg. second
|
BID = 401452
second Stammposter
   
Beiträge: 477 Wohnort: 15
|
achja,
das ding hat funktioniert?
|
BID = 401458
perl Ehrenmitglied
       
Beiträge: 11110,1 Wohnort: Rheinbach
|
Zitat :
second hat am 24 Jan 2007 16:40 geschrieben :
|
....
was doch etwas stört ist, das die nen spannungsteiler auf den eingang legen.... hallo.... das ist ein op!
bei dieser bauform braucht man keine vorspann-spannung.
...
|
@second:
Derartige Kommentare sind nicht förderlich.
Andere fragen wenigstens, wenn sie etwas nicht verstanden haben. Du aber tust so, als wenn du etwas wüsstest.
_________________
Haftungsausschluß:
Bei obigem Beitrag handelt es sich um meine private Meinung.
Rechtsansprüche dürfen aus deren Anwendung nicht abgeleitet werden.
Besonders VDE0100; VDE0550/0551; VDE0700; VDE0711; VDE0860 beachten !
|
BID = 401496
mschmitt1984 Gerade angekommen
Beiträge: 7 Wohnort: Westhofen
|
Zitat :
perl hat am 24 Jan 2007 14:07 geschrieben :
|
Zitat :
| Lötpunkt am R3 vergessen
Mit der Polung vom C3 bin ich mir auch nicht ganz so sicher, | Ja, aber das Wichtigste: Das linke Ende von C1||R4 gehört an den invertierenden Eingang des Opamps ! Dann erst macht die Schaltung Sinn.
Comprende ?
|
ja, stimmt. Sorry hab ich ne Linie falsch abgemalt.
Die Sache hat sich mittlerweile auch erledigt. Hatte heute mein Fachgespräch über die Schaltung. Lief eigentlich ganz gut.
|
BID = 401578
second Stammposter
   
Beiträge: 477 Wohnort: 15
|
@perl
die frage war ernst.
weil op´s eine sache für sich sind.
hatte mir vor ein paar wochen auch eine verstärkerschaltung gebastelt, für ein tachspulenmicrofon, nur meine schaltung sah doch etwas anders aus.
klang es etwa so, alsob ich mich lustig mache?
was mag wohl passieren, wenn ich den ausgang auf den positiven eingang lege?
das verstärkte signal wir wiederum verstärt usw... .
oder sehe ich da was falsch?
|
BID = 401685
second Stammposter
   
Beiträge: 477 Wohnort: 15
|
habe mir mal ein paar schaltungen angesehen, weil durch sowas kann man ja nur lernen ^^
wenn es sich hierbei um ein aktives filterglied handelt?
dann könnte sich ja die frage wegen dem rückkoppel-C in kombination mit dem R4 wirklich nur um eine bestimmte frequenz-frequenzbereich handeln, gewollte abschwächung und verstärkung.
kann ja dann doch wohl ein bandpass sein.
gibt es zu der praktischen durchführung ein paar messergebnisse? "graphisch"
|
BID = 401755
Cepuk Gerade angekommen
Beiträge: 2 Wohnort: Amberg
|
Hallo Elektonik-Freunde..
kennt jemand von euch diese Schaltung ???
ich will mir die Steuerung für die Heizgriffe bauen. Hab die Schaltung gefunden aber da stehen keine Werte von Bauteilen drauf
Vielen Dank für eure Hilfe
MfG Daniel
|
BID = 402019
Dombrowski Stammposter
   
Beiträge: 450
|
Moin.
Direkt kennen nicht. Aber man kann sich ja trotzdem was zusammen reimen. Heizgriffe? Sagt mir nichts. Deshalb als Schalttransistor erstmal den BUZ21 als Vorschlag. OP2 ist eigentlich nicht notwendig.
D.
|