Monostabile Kippstufe für 12V Im Unterforum Grundlagen - Beschreibung: Grundlagen und Fragen für Einsteiger in der Elektronik
| Autor |
Monostabile Kippstufe für 12V Suche nach: kippstufe (280) |
|
|
|
|
BID = 165018
Trossi Gerade angekommen
Falsches Format *.gif oder *.jpg verwenden!
Beiträge: 11
|
|
Hallo zusammen!
Erst einmal zu meiner Person (wens interessiert ) bin neu hier, 19 Jahre alt, Azubi bei der Stadt Bochum und ein ziemlich verkappter bastler
So, mein eigentliches Problem, ich suche eine Monostabile Kippstufe mit der Anschlussspannung 12-13,8V (jaja fürs auto)
Sie sollte einstellbar sein, so dass sie nachdem sie gekippt ist nach im Beriech um 15sec wieder in die ruhephase zurückkehrt.
Habe schon Eure suche genutzt und auch im Netz nichts gefunden, Ich hoffe Ihr könnt mir helfen,
MfG
Trossi |
|
BID = 165028
Otiffany Urgestein
     
Beiträge: 13782 Wohnort: 37081 Göttingen
|
|
Hi,
schau mal unter NE555
Gruß
Peter |
|
BID = 165029
Trossi Gerade angekommen
Falsches Format *.gif oder *.jpg verwenden!
Beiträge: 11
|
|
BID = 165260
Otiffany Urgestein
     
Beiträge: 13782 Wohnort: 37081 Göttingen
|
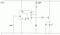
Hi,
anbei eine Entsprechende Schaltung.
Wenn Du für das Poti 100K und für den Kondensator 1ßßuF einsetzt, kommst Du auf die gewünschtee Zeiteinstellung.
Gruß
Peter
|
|
Zum Ersatzteileshop
Bezeichnungen von Produkten, Abbildungen und Logos , die in diesem Forum oder im Shop verwendet werden, sind Eigentum des entsprechenden Herstellers oder Besitzers. Diese dienen lediglich zur Identifikation!
Impressum
Datenschutz
Copyright © Baldur Brock Fernsehtechnik und Versand Ersatzteile in Heilbronn Deutschland
gerechnet auf die letzten 30 Tage haben wir 12 Beiträge im Durchschnitt pro Tag heute wurden bisher 5 Beiträge verfasst © x sparkkelsputz Besucher : 189609720 Heute : 15085 Gestern : 42036 Online : 129 25.2.2026 21:07 4 Besucher in den letzten 60 Sekunden alle 15.00 Sekunden ein neuer Besucher ---- logout ----viewtopic ---- logout ----
|
xcvb
ycvb
0.342046022415
|