| Autor |
|
|
|
BID = 989243
sim85 Gerade angekommen
Beiträge: 11 Wohnort: Fürth
|
|
Hi liebe elektro Freaks
Eigentlich hab ich ja selber mal Elektroniker gelernt und die Basics sollten vorhanden sein, aber ich hab da mal a Problem
Keine Angst - geht nicht um KFZ
Folgendes Vorhaben.
Ich möchte aus der Ferne etwas einschalten - und das mittels Handy.
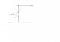
Ein einfaches Handy habe ich schon organisiert und als "Signalabgriff" den Lautsprecher des Handys gewählt, welcher zwischen 0,5 und 3 V AC rausgibt, wenn man anruft (je nach Lautstärkeeinstellung). Der Schaltplan hängt mit an.
Es soll also wenn ich das Handy anrufe der Lautsprecher "losgehen", welcher ein AC Signal abgibt. Dieses wird mittels Gleichrichter erst mal etwas "beruhigt".
Da ich ein Relais damit schalten will, reichen 1-2 V DC nicht aus. Also steuere ich wie im Plan zu sehen ist einen Standard Transistor an.
Der soll durchschalten und die über die Collector - Emitter Strecke die 12 Volt auf das Relais am Emitter geben.
Der 25 k Ohm Widerstand ist etwas groß gewählt - in der Hoffnung, dass die zum Einsatz kommenden 12 Volt möglichst maximal hier anliegen und das Relais K1 mit 11-12 Volt versorgen.
Das Relais sollte dann durchschalten und in meinem Fall einen Computer einschalten. (Ich weiss - es gibt VPN Tunnel Geschichten zum Wake over Internet, aber das ist alles schwierig und war mir dann zu doof. Deshalb die Handy Lösung.)
Problem ist, es klappt nicht wie gewünscht.
Der Gleichrichter nimmt scheinbar schon zu viel Spannung weg.
Jemand ne Idee wie ich das lösen könnte? Von mir aus auch Operationsverstärker oder so
Grüße,
Sim
|
|
BID = 989245
BlackLight Inventar
      Beiträge: 5467
|
|
Hab das auch mal gemacht, dabei den Vibrationsmotor ausgebaut und an dessen Stelle einen Optokoppler angeschlossen. Da lag kein Audiosingnal sondern DC an. |
|
BID = 989251
Otiffany Urgestein
     
Beiträge: 13792 Wohnort: 37081 Göttingen
|
Variante 1 ist völliger Quatsch! Variante 2 kannst Du auch vergessen1
Versuch mal das:
Gruß
Peter
|
BID = 989258
sim85 Gerade angekommen
Beiträge: 11 Wohnort: Fürth
|
Vielen Dank für eure Vorschläge / Ideen.
Die Schaltung von Otiffany werd ich zuhause mal realisieren und dann sag ich wies ausging
|
BID = 989311
Otiffany Urgestein
     
Beiträge: 13792 Wohnort: 37081 Göttingen
|
Die Diode am Eingang sollte (wenn möglich) eine Germanium- oder Schottky Diode sein.
Gruß
Peter
|
BID = 989315
Otiffany Urgestein
     
Beiträge: 13792 Wohnort: 37081 Göttingen
|
Doppelpost gelöscht!
Gruß
Peter
[ Diese Nachricht wurde geändert von: Otiffany am 2 Mai 2016 22:50 ]
|
BID = 989316
der mit den kurzen Armen Urgestein
     
Beiträge: 17437
|
Alternativ kannst du auch mittels Fotodiode und Schmitt Trigger das Aufleuchten des Displays bei einem Anruf auswerten. Oder schlicht und einfach einen NF Verstärker zwischen schalten. Wozu haben wohl die meisten Handys einen Anschluss für ein Headset? Dann ist der NF Pegel auch hoch genug für eine SI -Diode.
_________________
Tippfehler sind vom Umtausch ausgeschlossen.
Arbeiten an Verteilern gehören in fachkundige Hände!
Sei Dir immer bewusst, dass von Deiner Arbeit das Leben und die Gesundheit anderer abhängen!
|
BID = 989317
sim85 Gerade angekommen
Beiträge: 11 Wohnort: Fürth
|
Danke noch mal Ottifany.
Es klappt mittlerweile und ich hab auch gleich ein kleines Video gemacht.
Ich habe jetzt in beiden Dioden Fällen ne klassische 1N4001 genommen - andere Dioden hatte ich nicht da, abgesehen von einigen Z-Dioden.
Was nicht geklappt hat, war der Kondensator. 4,7µF reicht nicht aus - da bleibt das Relais zu.
4700 µF war so viel, dass er während das angerufene Handy klingelt anzieht und gar nicht mehr los lässt.
Habe dann noch einen "22/40" ausprobiert - ich glaub das sind 22 µF / 40 Volt.
Damit zieht das Relais 1-2 Sekunden an und lässt dann wieder etwas klappernd los.
Da könnte man jetzt noch das Optimum rausfinden, oder die Schaltung sogar "sperren" lassen, nachdem es 1x gezogen hat, damit der PC nicht wieder ausgeschaltet wird oder das klappernde Signal missversteht.
Aber es geht und dafür vielen Dank
Video: https://youtu.be/hjN2ZM3E3Ok
[ Diese Nachricht wurde geändert von: sim85 am 2 Mai 2016 22:57 ]
[ Diese Nachricht wurde geändert von: sim85 am 2 Mai 2016 23:14 ]
|
BID = 989319
der mit den kurzen Armen Urgestein
     
Beiträge: 17437
|
Schalt mal einen Elko in Reihe zum Relais Kollektor >>> Elko - >>> Elko+ >>> Relais und zwischen Kollektor und Emitter einen 100k R . Der Elko soll dafür sorgen, das er sich über den Transistor entlädt und damit das Relais nur Kurz anzieht. Nach dem der Transistor sperrt kann sich der Elko über die 100K wieder aufladen ohne das das Relais anzieht!
_________________
Tippfehler sind vom Umtausch ausgeschlossen.
Arbeiten an Verteilern gehören in fachkundige Hände!
Sei Dir immer bewusst, dass von Deiner Arbeit das Leben und die Gesundheit anderer abhängen!
|
BID = 989321
Kleinspannung Urgestein
     
Beiträge: 13393 Wohnort: Tal der Ahnungslosen
|
Zitat :
sim85 hat am 2 Mai 2016 22:53 geschrieben :
|
- ich glaub das sind 22 µF / 40 Volt.
|
Sehr gut,Note 1,setzen.
Ich hab mir mal vor vielen Monden was ähnliches gebaut,um meine Standheizung per Anruf einzuschalten.
Genau auf die Art mit nem alten Handy.
Ich hab mir allerdings eine andere Eigenschaft der Dinger zu Nutze gemacht:
Die machen ja "Licht" im Display an wenn einer "anruft".
Also hab ich da mittels einer "Adapterplatte" einen Fotowiderstand Lichtdicht aufs Display gepflastert.
Und das "Signal" ist dann relativ leicht in das zu verwandeln was man wollte
_________________
Manche Männer bemühen sich lebenslang, das Wesen einer Frau zu verstehen. Andere befassen sich mit weniger schwierigen Dingen z.B. der Relativitätstheorie.
(Albert Einstein)
|
BID = 989322
sim85 Gerade angekommen
Beiträge: 11 Wohnort: Fürth
|
Danke noch mal an alle die was zum Besten gegeben haben
Habe das Video noch 2x überarbeitet und jetzt sollte der Link aktuell sein und passen.
@der mit den kurzen Armen: Ich verstehs grad nicht so ganz. Ich glaub ich bräuchte das vor Augen um es realisieren zu können.
Wäre eine gute Idee.
@Kleinspannung: Das Problem mit der Display Beleuchtung ist, dass das Display auch leuchten kann, wenn z.B. der Akku vollständig geladen ist oder z.B. nach einem Stromausfall der Strom wieder da ist und das Handy wieder geladen wird.
Denn das Handy bleibt ja dauerhaft am Ladegerät, da ich unter Umständen auch mal 2 Wochen nicht daheim bin und es dann leer wäre.
Dann geht der PC auf einmal an, weil irgend ein ungeplantes Happening war und der PC läuft einfach vor sich hin  Die Überlegung hatte ich auch mit dem Licht.
|
BID = 989341
der mit den kurzen Armen Urgestein
     
Beiträge: 17437
|
So ist es besser. Ich hatte da einen kleinen Denkfehler bei der Anordnung des Widerlings.
noch ein kleiner Tipp besorge dir einen Klingelton der möglichst nur aus einer Tonfrequenz mit ca 400 -1000 Hz besteht. So stellst du über die Diode und den Elko an der Basis einen eher konstanten Strom zur Verfügung.
Evl kannst du auch mal darüber nachdenken für T1 einen OPV als NF-Verstärker zu verwenden. Der hat wesentlich mehr Verstärkung bei geringerem Eingangsspannungspegel. Die Gleichrichtung und Glättung erfolgt dann nach dem OPV.
_________________
Tippfehler sind vom Umtausch ausgeschlossen.
Arbeiten an Verteilern gehören in fachkundige Hände!
Sei Dir immer bewusst, dass von Deiner Arbeit das Leben und die Gesundheit anderer abhängen!
|
BID = 989349
Otiffany Urgestein
     
Beiträge: 13792 Wohnort: 37081 Göttingen
|
Ein Darlington-Transistor wäre auch schon eine Verbesserung.
Gruß
Peter
|
BID = 989378
der mit den kurzen Armen Urgestein
     
Beiträge: 17437
|
Der hat aber den Nachteil, das du 2 * die Basis- Emitterspannung überwinden musst und das sind ca 1,4 V. Deshalb ist es besser erst das NF-Signal zu Verstärken und dann Gleichrichten. Der Aufwand hält sich in Grenzen bei Verwendung eines 2 fach OPV. Erster verstärkt die NF und richtet die gleich, der zweite arbeitet als Komparator und steuert das Relais an.
Edit: und wenn du als Klingelton den Kamerton a nimmst (440 Hz) hast du auch ein relativ stabiles NF-signal.
_________________
Tippfehler sind vom Umtausch ausgeschlossen.
Arbeiten an Verteilern gehören in fachkundige Hände!
Sei Dir immer bewusst, dass von Deiner Arbeit das Leben und die Gesundheit anderer abhängen!
[ Diese Nachricht wurde geändert von: der mit den kurzen Armen am 3 Mai 2016 19:15 ]
|
BID = 989380
Maou-Sama Schriftsteller
    
Beiträge: 787
|
Zitat :
| | Der Aufwand hält sich in Grenzen bei Verwendung eines 2 fach OPV. |
Darf ich mal eine Spannungsverdopplerschaltung basiend auf den Ideen von Monsieur Paul Ulrich Villard oder Herrn Heinrich Greinacher in die Runde werfen? Ich mein ja nur von wegen Bauteilaufwand und so...
Aber ihr macht das schon... Mit Atomwaffen auf Fruchtfliegen schießen hat ja auch was für sich.
|