| Autor |
Was für ein Bauteil ist das? Suche nach: bauteil (10061) |
|
|
|
|
BID = 58968
BlauBaer Gerade angekommen
Beiträge: 8
|
|
hallo,
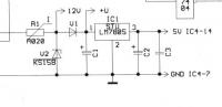
ich habe da eine schaltung gefunden die ich gerne nachbaun würde, doch leider weiss ich nicht was hierbei für ein bauteil verwendet wurde.
die diode V1, C1, C2 und C3 sind mir klar, sind für eine stabilisierte 5V spannung am ausgang des LM7805.
aber was ist R1 für ein widerstand (bauteil)?? und was hat damit im zusammenhang die Z-Diode V2 zu tun? und was ist das für eine bezeichnung an R1 (R020) und an V2 (KS158), also welche werte habe die bauteile??
danke für eure hilfe.
gruss |
|
BID = 58981
Meister Joda Stammposter
   
Beiträge: 336 Wohnort: Hannover
|
|
Hi,
Könnte es vielleicht sein, dass der Widerstand einen Wert von 0,2Ohm bzw kOhm hat???
MfG, Meister Joda |
|
BID = 58982
BlauBaer Gerade angekommen
Beiträge: 8
|
ich denke mal nicht das das ein normaler wiederstand ist. zum einen frage ich mich was das "I" da zu suchen hat und zum anderen denke ich mal gehört der irgendwie zu der Z-Diode, bei der ich mit der bezeichnung leider auch nix anfangen kann.
gruss
|
BID = 58983
Meister Joda Stammposter
   
Beiträge: 336 Wohnort: Hannover
|
Hi, ich bins nochmal,
Beim suchen mit google komm ich immer auf ne seite mit nem Ring aus England
Aber ich denke mal, dass es eine Leistungs Z-Diode ist die 12 Volt produziert.
Braue aber zur genauen Besimmung die Eingangsspannung und müsste wissen, wofür das sein soll!!!
MfG, Meister Joda 
|
BID = 58985
BlauBaer Gerade angekommen
Beiträge: 8
|
hallo,
hier mal ein wenig mehr von der schaltung...also die eingänge...
ist mal wieder ne schaltung für ein auto  an klemme 30 liegen batteriespannung an...also so 14,4 volt sind möglich. kann das sein das der wiederstand einfach so eingeregelt wird damit man 12v abgreifen kann?? aber die eingangsspannung kann ziehmlich schwanken, ja nachdem wie gut halt noch die batterie des auto´s ist. und die z-diode sagt mir immernoch nix.
gruss
|
BID = 58987
Meister Joda Stammposter
   
Beiträge: 336 Wohnort: Hannover
|
Hi,
Ich hab mir schon sowas gedacht.
Ich denk mal, das die Z-Diode die Autobatterie "glätten" soll.
Was willst du den über die Z-Diode wissen???
Außerdem hab ich ja garnicht das Poti mit einbezogen!
Dieses ist wahrscheinlich da, um die Schaltung an die Batterie anzupassen!?
MfG, Meister Joda
PS: Wie hoch ist denn die Ausgangsbelastung???
|
BID = 58990
BlauBaer Gerade angekommen
Beiträge: 8
|
hallo,
naja...was für eine Z-diode soll ich nehmen, gibt ja nicht nur eine  das würde mir schon reichen.
du denkst also das ist ein einstellbares poti für "I" mit dem widerstand R?? weil zwei bauteile sind das ganz bestimmt nicht. (denke ich mal)
habe sowas eben nicht bei conrad oder bei reichelt finden können. und einen normalen widerstand einbaun, das ist mir zu heiss. vorallem hängt doch der widerstand auch von der Z-diode ab...zumindest habe ich sowas mal gelesen.
am ausgang hängt ein 7404, 3 LED´s, ein 74257 und ein MAX 232.
gruss
|
BID = 58992
Meister Joda Stammposter
   
Beiträge: 336 Wohnort: Hannover
|
Aha,
hast du auch eine Angabe für den Strom (wieviel)?
"du denkst also das ist ein einstellbares poti für "I" mit dem widerstand R?? weil zwei bauteile sind das ganz bestimmt nicht. (denke ich mal)"
Denk ich auch
"habe sowas eben nicht bei conrad oder bei reichelt finden können."
Ich eben auch nicht, keine Ahnung, was das für eine Bezeichnung sein soll. (wo hast du dieses Blatt den her?
Hast du ein Labornetzteil zum ausprobieren???
Ich denke mal, das eine normale Z-Diode nicht ganz reichen wird. Aber wie war das: Probieren geht über Studieren!!!
MfG, Meister Joda 
|
BID = 58993
BlauBaer Gerade angekommen
Beiträge: 8
|
hab dir eine mail geschickt mit dem ganzen schaltplan...dachte damit kannst du vielelicht mehr anfangen.
wieviel strom, hmm...gute frage, weiss ich auch nicht....müsste ich mal in die datenblätter schaun wieviel die ziehn.
habe kein labornetzteil, so gut ist meine heimwerkerlötundbastelabteilung nun doch nicht ausgestattet :)
"normale" Z-diode? gibts auch unnormale? *smile* nein im ernst....was soll es denn da noch gebe`? das schaltzeichen ist ja eindeutig eine Z-diode.
gruss
|
BID = 58994
Meister Joda Stammposter
   
Beiträge: 336 Wohnort: Hannover
|
Hallo,
"( "normale" Z-diode? gibts auch unnormale? *smile* nein im ernst....was soll es denn da noch gebe`? das schaltzeichen ist ja eindeutig eine Z-diode. )"
Eben, eben, ...
Muss jetzt leider schluss machen, werde mir die mail aber noch ansehn.
Denn: Schule geht vor!!!!
Gruß, Meister Joda 
|
BID = 58995
BlauBaer Gerade angekommen
Beiträge: 8
|
alles kalr...ich danke dir erstmal, ein wenig hast du mir ja schon geholfen....glätten der batteriespannung oder des stroms...das ist schonmal ein ansatz.
gruss 
|
BID = 58998
tixiv Schreibmaschine
    
Beiträge: 1492 Wohnort: Gelsenkirchen
|
Also dieser Widerstand, der fast wie ein Poti aussieht ist ein PTC. Das heisst mit steigender Temperatur nimmt der Widerstandswert zu. Der erfüllt zusammen mit dieser Zenerdiode einen Schutz vor Überspannung und Spannungsspitzen aus dem Bordnetz. Die Zenerdiode wird auch eher eine Supressordiode sein, ist aber von der Funktion einer Zenerdiode sehr ähnlich. Wird wohl eine Spannung von 15,8V oder so haben.
|
BID = 58999
perl Ehrenmitglied
       
Beiträge: 11110,1 Wohnort: Rheinbach
|
Außerdem hatten wir so ein Interface für den BMW-Diagnosestecker vor kurzem schon einmal besprochen.
Benutz einfach mal die Suchfunktion.
_________________
Haftungsausschluß:
Bei obigem Beitrag handelt es sich um meine private Meinung.
Rechtsansprüche dürfen aus deren Anwendung nicht abgeleitet werden.
Besonders VDE0100; VDE0550/0551; VDE0700; VDE0711; VDE0860 beachten !
|