| Autor |
Unerklärliche Schaltung ? Suche nach: schaltung (31735) |
|
|
|
|
BID = 959040
Poedderz Gerade angekommen
Beiträge: 3 Wohnort: Haßloch
|
|
Hallo,
ich habe folgendes Problem. Ich bin gerade in einem Vorpraktikum für meine Ausbildung als E-Aut und unser Lehrer hat uns gestern eine in meinen Augen extreme Aufgabe gegeben die nicht mal mein Meister lösen konnte. Mal schauen ob ich hier jemand finde der dieser Aufgabe gewachsen ist.
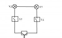
Es geht um 2 Glühlampen und 2 Schalter die in Reihe geschaltet sind.
Nun ist aber das Problem er hat von jedem Bauteil zum Anderen immer nur 1 Einzelander verlegt und kann mit jedem Schalter die gegenüberligende Lampe Schalten.
Desweiteren gab er uns noch den Tipp dass in den Schaltern oder den Lampen insgesammt 4 Teile aus dem Baummarkt verbaut seien, die 10cent oder weniger kosten.
Habe versucht es einmal Bildlich mit Paint dazustellen, ich entschuldige mich jetzt schonmal für diese Greultat.
Mit freundlichen Grüßen
Marvin
|
|
BID = 959042
der mit den kurzen Armen Urgestein
     
Beiträge: 17437
|
|
Eine leichte Aufgabe Wenn du Halbwellenbetrieb wählst, Deine Versorgungsspannung also eine Wechselspannung ist. Die 4 Bauteile sind einfache Dioden.
Den Rest knobelst du selber aus. Wäre ja sonst zu einfach.
_________________
Tippfehler sind vom Umtausch ausgeschlossen.
Arbeiten an Verteilern gehören in fachkundige Hände!
Sei Dir immer bewusst, dass von Deiner Arbeit das Leben und die Gesundheit anderer abhängen!
[ Diese Nachricht wurde geändert von: der mit den kurzen Armen am 16 Apr 2015 11:39 ] |
|
BID = 959044
rasender roland Schreibmaschine
    
Beiträge: 1790 Wohnort: Liessow b SN
|
Auf die Lösung bin ich auch gespannt.
Wenn es so wie gefordert funktionieren soll komme ich
aber auf 6 Dioden.
_________________
mfg
Rasender Roland
|
BID = 959045
Trumbaschl Inventar
     
Beiträge: 7632 Wohnort: Wien
|
Zitat :
der mit den kurzen Armen hat am 16 Apr 2015 11:37 geschrieben :
|
Eine leichte Aufgabe Wenn du Halbwellenbetrieb wählst, Deine Versorgungsspannung also eine Wechselspannung ist. Die 4 Bauteile sind einfache Dioden.
Den Rest knobelst du selber aus. Wäre ja sonst zu einfach.
|
Den Baumarkt(!) der Dioden verkauft zeigst du mir aber!
_________________
"Und dann kommen's zu ana Tür da steht oben "Eintritt verboten!" und da miaßn's eine!"
|
BID = 959048
der mit den kurzen Armen Urgestein
     
Beiträge: 17437
|
Gut da hat sich der Ausbilder etwas falsch ausgedrückt. Er hätte wohl eher Elektronikladen sagen sollen.
_________________
Tippfehler sind vom Umtausch ausgeschlossen.
Arbeiten an Verteilern gehören in fachkundige Hände!
Sei Dir immer bewusst, dass von Deiner Arbeit das Leben und die Gesundheit anderer abhängen!
|
BID = 959050
der mit den kurzen Armen Urgestein
     
Beiträge: 17437
|
Roland überlege noch mal, es geht auch mit nur 4 Dioden an jedem Element nur eine!
_________________
Tippfehler sind vom Umtausch ausgeschlossen.
Arbeiten an Verteilern gehören in fachkundige Hände!
Sei Dir immer bewusst, dass von Deiner Arbeit das Leben und die Gesundheit anderer abhängen!
|
BID = 959066
rasender roland Schreibmaschine
    
Beiträge: 1790 Wohnort: Liessow b SN
|
Was machst Du wenn Du mit S1 die gegenüberliegende L2
einschalten willst und S2 offen ist ?
Daher warte ich ja auf die Lösung.
Bisher komme ich nicht mit weniger wie 6 Dioden aus.
_________________
mfg
Rasender Roland
|
BID = 959067
der mit den kurzen Armen Urgestein
     
Beiträge: 17437
|
Ich sende dir die Lösung mal als PM , wir wollen doch dem TE nicht das Denken abnehmen
_________________
Tippfehler sind vom Umtausch ausgeschlossen.
Arbeiten an Verteilern gehören in fachkundige Hände!
Sei Dir immer bewusst, dass von Deiner Arbeit das Leben und die Gesundheit anderer abhängen!
|
BID = 959074
Poedderz Gerade angekommen
Beiträge: 3 Wohnort: Haßloch
|
Ich bin halt leider nur Praktikant und hatte bis vor 3 Monaten noch nie etwas mit Elektronik zu tun
Grübel jetzt schon Stunden wie es funktionieren soll aber ich komme einfach nicht unter 6 Speerdioden
|
BID = 959075
rasender roland Schreibmaschine
    
Beiträge: 1790 Wohnort: Liessow b SN
|
Zitat :
|
Bisher komme ich nicht mit weniger wie 6 Dioden aus.
|
Vergesst bitte ganz schnell den Quatsch.
Vier reichen.
[ Diese Nachricht wurde geändert von: rasender roland am 16 Apr 2015 15:21 ]
|
BID = 959077
Poedderz Gerade angekommen
Beiträge: 3 Wohnort: Haßloch
|
Und wie ?
|
BID = 959078
Surfer Inventar
     
Beiträge: 3085
|
11Uhr03 bis 15Uhr25 sind aber schon mächtig viele Stunden
Präsentier doch mal deinen Lösungsvorschlag mit 6 Dioden , vielleicht hilft man dir ann weiter . Ansonsten wirst du vielleicht ewig warten .
Surf
[ Diese Nachricht wurde geändert von: Surfer am 16 Apr 2015 15:38 ]
|
BID = 959079
Maik87 Schriftsteller
    
Beiträge: 861 Wohnort: Wesel / Niederrhein
|
Wie kommt ihr alle auf 6?
Selbst ich benötige nur 4
|
BID = 959086
Otiffany Urgestein
     
Beiträge: 13779 Wohnort: 37081 Göttingen
|
Bei mir funktioniert es auch mit vier Dioden!
Gruß
Peter
|
BID = 959097
der mit den kurzen Armen Urgestein
     
Beiträge: 17437
|
Die Halbe Lösung liefere ich Dir . Die Funktion der gesamten Schaltung beschreibst du Bitte, nur so können wir überprüfen ob du verstanden hast, was du gezeichnet hast, oder ob du nur geraten hast.
Die Älteren werden diese Lösung zum Beispiel in einer etwas anderen Form als Ersatz für Neuman 2 X Klingeln kennen.
(2adrige Klingelleitung, 2 Klingeltaster und 2 Klingeln und es klingelt nur die Klingel die zu dem Taster gehört. )
_________________
Tippfehler sind vom Umtausch ausgeschlossen.
Arbeiten an Verteilern gehören in fachkundige Hände!
Sei Dir immer bewusst, dass von Deiner Arbeit das Leben und die Gesundheit anderer abhängen!
|