Touch-Lampe

Im Unterforum Alle anderen elektronischen Probleme - Beschreibung: Was sonst nirgendwo hinpasst

Elektronik Forum Nicht eingeloggt       Einloggen       Registrieren




[Registrieren]      --     [FAQ]      --     [ Einen Link auf Ihrer Homepage zum Forum]      --     [ Themen kostenlos per RSS in ihre Homepage einbauen]      --     [Einloggen]

Suchen


Serverzeit: 19 12 2025  19:16:31      TV   VCR Aufnahme   TFT   CRT-Monitor   Netzteile   LED-FAQ   Oszilloskop-Schirmbilder            


Elektronik- und Elektroforum Forum Index   >>   Alle anderen elektronischen Probleme        Alle anderen elektronischen Probleme : Was sonst nirgendwo hinpasst


Autor
Touch-Lampe
Suche nach: lampe (10774)

    







BID = 133321

HeikoP

Gerade angekommen


Beiträge: 3
 

  


Hi.
Ich hab bei mir im Zimmer ne uralte (70-er Jahre) Nachttischlampe stehen. Das Gehäuse ist aus Metall und die Lampe wird durch berühren des Gehäuses ein-und ausgeschaltet. Wenn man die Lampe öffnet, sieht man in einem kleinen Kasten ein paar Widerstände, Kondensatoren und ein paar IC`s. Hat jemand vielleicht ne Ahnung, wie genau diese Lampen funktionieren. Hab mal versucht, ein Kabel an der Lampe zu befestigen, und in 3 Meter Entfernung am anderen Ende des Bettes die lampe durch Berührung des Drahtes zu betätigen, was nicht funktioniert hat. Bei kürzeren Kabellängen funktioniert das allerdings. Hab schon vieles getestet von wegen statischer Aufladung...
bin aber immer noch nicht schlauer...

Gruss
Heiko

BID = 133326

Her Masters Voice

Inventar


Avatar auf
fremdem Server !
Hochladen oder
per Mail an Admin

Beiträge: 5312
Wohnort: irgendwo südlich von Berlin

 

  

Moin Moin.

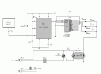
Meinste sowas:

BID = 133327

Her Masters Voice

Inventar


Avatar auf
fremdem Server !
Hochladen oder
per Mail an Admin

Beiträge: 5312
Wohnort: irgendwo südlich von Berlin

Moin Moin.

Meinste sowas:



BID = 133693

sam2

Urgestein



Beiträge: 35321
Wohnort: Franken (bairisch besetzte Zone)

Das geht entweder kapazitiv oder mittels ohmscher Ableitung eines Steuerstroms.


Zurück zur Seite 0 im Unterforum          Vorheriges Thema Nächstes Thema 


Zum Ersatzteileshop


Bezeichnungen von Produkten, Abbildungen und Logos , die in diesem Forum oder im Shop verwendet werden, sind Eigentum des entsprechenden Herstellers oder Besitzers. Diese dienen lediglich zur Identifikation!
Impressum       Datenschutz       Copyright © Baldur Brock Fernsehtechnik und Versand Ersatzteile in Heilbronn Deutschland       

gerechnet auf die letzten 30 Tage haben wir 18 Beiträge im Durchschnitt pro Tag       heute wurden bisher 12 Beiträge verfasst
© x sparkkelsputz        Besucher : 187827138   Heute : 12320    Gestern : 19310    Online : 242        19.12.2025    19:16
20 Besucher in den letzten 60 Sekunden        alle 3.00 Sekunden ein neuer Besucher ---- logout ----viewtopic ---- logout ----
xcvb ycvb
0.0201010704041