Stromzufuhr mit Fotowiderstand und Transistor sperren Im Unterforum Alle anderen elektronischen Probleme - Beschreibung: Was sonst nirgendwo hinpasst
| Autor |
Stromzufuhr mit Fotowiderstand und Transistor sperren Suche nach: transistor (12335) |
|
|
|
|
BID = 536381
triti Stammposter
    Beiträge: 220 Wohnort: Austria
|
|
Hi,
ich komme mit etwas gar nicht klar. Nämlich:
Ich lade 2 in Serie geschaltene NiCd-Akkus mit einer Solarzelle 3.3V/140mA, gibt mit Rückstromdiode ca. 2,7V. Bis daher funktionierts auch.
Wenn es dunkel wird, soll der Strom aus den Akkus eine Schaltung versorgen (Sperrwandler mit 6-9 LEDs für Beleuchtung).
Wie macht man es, dass man einfach in die Plus-Leitung (ca. 2.0-2.4V/1A max.)von den Akkus zur Schaltung einen Transistor gibt und den mit einem Fotowiderstand so verbindet, dass der sperrt, wenn Sonne da ist und bei Dunkelheit leitet?
Ist sicher ganz einfach - wenn man es weiss, aber ich komme nicht drauf. Hat vielleicht jemand ein Bild für sowas auf Lager?
Oder eine Erklärung, die sogar mein totes Hirn zum Leben erweckt?
lg
Triti
|
|
BID = 536382
perl Ehrenmitglied
       
Beiträge: 11110,1 Wohnort: Rheinbach
|
|
Wozu brauchst du einen Fotowiderrstand ?
Du hast doch die EMK der Solrazelle und/oder den Spannungabfall an der Rückstromdiode.
Da fällt dir doch sicher etwas ein ?
_________________
Haftungsausschluß:
Bei obigem Beitrag handelt es sich um meine private Meinung.
Rechtsansprüche dürfen aus deren Anwendung nicht abgeleitet werden.
Besonders VDE0100; VDE0550/0551; VDE0700; VDE0711; VDE0860 beachten ! |
|
BID = 536396
berufsbastler Schriftsteller
    
Beiträge: 615
|
Auch wenn perl das "selbstden´ken" vorantreiben möchte, man kann ja mit dem Solarstrom zusätzlich noch einen Transistor ansteuern der dann den Sperrwandler deaktiviert. Wie es genau gehen kann kann ich nicht sagen, da ich ja nicht weiß wie der Wandler aufgebaut ist.
|
BID = 536397
triti Stammposter
    Beiträge: 220 Wohnort: Austria
|
Hi perl,
ja, mir fällt ein, dass ich die Diode gegen eine Schottky-Diode tauschen soll, wenn ich wieder welche habe, damit das ganze besser lädt.
Gehört hab ich mal, dass man den Spannungsabfall an einer Diode auch zum Transistorschalten benützen kann, aber noch nicht rausgefunden, wie.
Aber reicht das wirklich aus, damit der Transistor voll durchschaltet?
Und der Abfall ist ja nicht mehr da, wenn das Modul im Finstern keinen Strom/Spannung mehr liefert??
lg
Triti
|
BID = 536761
kurtzschluss Gesprächig
  
Beiträge: 146 Wohnort: 33184
|
Hallo,
Kannst Du denn nicht den/die "Reststrom/ -spannung" der Solarzelle nutzen?
Also ist es "Hell" lädt der Akku, ist es "Dunkel" leuchten die LED´n
und wenn es nur "Dämmert" wird mit dem erzeugten Strom eine Schaltung gespeist welche verhindert das der Akku die LED´n "beliefert".
Das spart Dir Strom und die LED´n leuchten länger.
Hoffe Du verstehst was ich meine
|
BID = 536834
triti Stammposter
    Beiträge: 220 Wohnort: Austria
|
Hallo!
>> Kannst Du denn nicht den/die "Reststrom/ -spannung" der Solarzelle >> nutzen?
Nein, weil ich darüber nichts weiss. Höre ich zum ersten Mal.
>> Also ist es "Hell" lädt der Akku, ist es "Dunkel" leuchten die LED´n
>> und wenn es nur "Dämmert" wird mit dem erzeugten Strom eine Schaltung
>> gespeist welche verhindert das der Akku die LED´n "beliefert".
Ja, genau sowas soll es sein.
Mir fällt da nur ein, einen NE7555 (geht angeblich auch bei 2V) mit einem Fotowiderstand verzieren (Schmitt-Trigger), damit der bei einer gewissen Dunkelschwelle erst den Wandler einschaltet.
Aber der NE wird wieder verzweifeln, weil sich die Akkus über den Sperrwandler ja über nacht ganz entladen.
Am einfachsten wäre es theoretisch mit einem selbstsperrenden Mosfet, also wenn am Gate Spannung ist, schliesst der. Die Spannung könnte man direkt vom Modul nehmen, solang Sonne ist. Aber der Mosfet braucht ja mehr Spannung als die 3V,damit er tut,.... geht also nicht.
Grübel...
lg
Triti
|
BID = 536839
perl Ehrenmitglied
       
Beiträge: 11110,1 Wohnort: Rheinbach
|
Zitat :
| | Aber der Mosfet braucht ja mehr Spannung als die 3V,damit er tut,.... geht also nicht. |
Geht nicht, gibts nicht.
Erstens gibts MOSFETs, die mit viel weniger angesteuert werden können und zweitens nimmt man dann eben die, an der Solarzelle nicht mehr am Akku aber wohl noch vorhandene Spannung.
_________________
Haftungsausschluß:
Bei obigem Beitrag handelt es sich um meine private Meinung.
Rechtsansprüche dürfen aus deren Anwendung nicht abgeleitet werden.
Besonders VDE0100; VDE0550/0551; VDE0700; VDE0711; VDE0860 beachten !
|
BID = 536842
kurtzschluss Gesprächig
  
Beiträge: 146 Wohnort: 33184
|
Zitat :
triti hat am 24 Jul 2008 20:53 geschrieben :
|
Hallo!
>> Kannst Du denn nicht den/die "Reststrom/ -spannung" der Solarzelle >> nutzen?
Nein, weil ich darüber nichts weiss. Höre ich zum ersten Mal.
|
GRMPF, hab mich wohl falsch ausgedrückt.
Du bekommst ja bei voller Sonneneinstrahlung mehr Spannung aus dem Solarmodul als bei Dämmerung. Und Du brauchst ja auch eine höhere Spannung zum laden der Akkus als 2,4V, da die Ladespannung ja höher als die Akkuspannung sein muß, richtig?
Also kannst Du doch die Spannung bis 2,4V nutzen um Deine Schaltung zu Betreiben. Sinkt die Spannung des Solarmoduls z.B. unter0,7V weil es Dunkel wird, geht Deine Schaltung aus und die LED´n leuchten.
|
BID = 536871
triti Stammposter
    Beiträge: 220 Wohnort: Austria
|
@perl
>> Geht nicht, gibts nicht.
Eben. Drum such ich ja eine Lösung.
>>Erstens gibts MOSFETs, die mit viel weniger angesteuert werden können
Ah, ich dachte das geht erst ab 5V. Und wie findet man die, wenn man nicht die Datenblätter von allen 10000 verschiedenen Mosfets durchschaut?
>>und zweitens nimmt man dann eben die, an der Solarzelle nicht mehr am
>> Akku aber wohl noch vorhandene Spannung.
Dann sperrt der Mosfet doch dauernd?
@kurtzschluss
Hmm, irgendwie steh ich voll auf der Seife.
>> GRMPF, hab mich wohl falsch ausgedrückt.
Muss nicht sein, ich kapiers halt nicht.
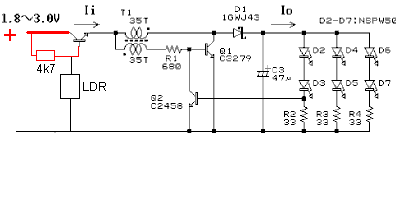
Also wenn die Sonne aufgeht, werden die Akkus geladen. Der Strom davon geht aber glaub ich zuerst komplett in die leeren Akkus. Wäre egal, weil die Unterbrecherschaltung mit einem NE7555 und dem Fotowiderstand den Verbindungstransistor sperrt. Irgendwann kriegt der NE genug Saft, arbeitet. Am Abend schaltet er die LEDs ein. Gut.
Die Leistung in den Akkus wird aber relativ schnell unter 2V sinken (deshalb ja der Sperrwandler), dann kann der NE wieder nicht arbeiten und sperrt.
Und ausserdem ist das umständlich. Das muss doch einfacher gehen.
Ich lade ein Bild hoch:
So hätte ich mir das vorgestellt. Mosfet sperrt, solang Spannung zwischen Modul und Diode da ist.
Werde morgen bei Conrad wegen dem Mosfet anrufen.
lg
Triti
|
BID = 536875
perl Ehrenmitglied
       
Beiträge: 11110,1 Wohnort: Rheinbach
|
Zitat :
| | Also wenn die Sonne aufgeht, werden die Akkus geladen. Der Strom davon geht aber glaub ich zuerst komplett in die leeren Akkus. |
Das soll ja doch auch wohl so sein. Selbstverständlich wird man die LEDs abschalten, sobald die Solarzelle wieder Strom liefert.
Zitat :
| | Wäre egal, weil die Unterbrecherschaltung mit einem NE7555 |
Was hast du nur immerzu mit 555&Co. ? Gibts in deiner Bastelkiste keine anderen Chips ?
Zitat :
| | Die Leistung in den Akkus wird aber relativ schnell unter 2V sinken |
Nein.
Die Entladespannung liegt ziemlich konstant bei 1,2V/Zelle.
Wenn die Spannung unter 1V/Zelle liegt, kommt sowieso nichts mehr und dann ist es egal ob der Wandler noch funktioniert.
Zitat :
| | Das muss doch einfacher gehen |
Sagen wir mal: So wird es jedenfalls nicht gehen.
Berufsbastler hatte dich schon vor einiger Zeit nach dem Aufbau des Wandlers gefragt. Da du nicht darauf eingegangen bist, muss ich (und vermutlich auch andere) davon ausgehen, dass du die Antworten nicht sorgfältig liest.
Unter diesen Umständen wird sich wohl niemand die Mühe machen einen fertig ausgearbeitetn Schaltungsvorschlag zu posten.
_________________
Haftungsausschluß:
Bei obigem Beitrag handelt es sich um meine private Meinung.
Rechtsansprüche dürfen aus deren Anwendung nicht abgeleitet werden.
Besonders VDE0100; VDE0550/0551; VDE0700; VDE0711; VDE0860 beachten !
|
BID = 536930
triti Stammposter
    Beiträge: 220 Wohnort: Austria
|
Hi,
>>...dass du die Antworten nicht sorgfältig liest.
Natürlich lese ich die Antworten sorgfältig. Er hat nur gesagt, dass er nicht weiss, wie der Wandler aufgebaut ist. Kein Befehl den Schaltplan raufzuladen - hiermit gemacht.
Aber es geht ja nicht darum, direkt etwas im Wandler zu ändern, sondern listig die Plusleitung zu unterbrechen, weil man das dann auch für andere Schaltungen benützen kann und nicht nur für diese eine.
Ich hab im Plan links noch einen Transistor reingezeichnet, wo die Basis mit einem Fotowiderstand wenn es hell ist, auf Masse gezogen wird, damit der Transistor sperrt. Vielleicht gehts so, wenn die 4k7 reichen.
>> ...555&Co.? Gibts in deiner Bastelkiste keine anderen Chips ?
Schon, reichlich sogar, aber ich dachte die brauchen alle mindestens 5V, damit sie richtig = stabil laufen und nicht irgendwie herumschalten.
lg
Triti
|
BID = 536997
Ltof Inventar
     
Beiträge: 9386 Wohnort: Hommingberg
|
Zitat :
triti hat am 25 Jul 2008 13:14 geschrieben :
|
...sondern listig die Plusleitung zu unterbrechen...
|
Wieso nicht die Minusleitung? Dann funktioniert das auch mit dem N-Kanal-MOSFET. Dein Ansatz ist fast richtig. Unfug ist nur, den Spannungsabfall der Diode zum Schalten nehmen zu wollen. Richtig ist, die Differenz der nicht beleuchteten Solarzelle zur Akkuspannung zum Schalten zu nehmen.
Der 555 hat hier keine sinnige Anwendung. Der wird zwar gerne für jeden Sch... genommen, aber was soll der hier machen?
_________________
„Schreibe nichts der Böswilligkeit zu, was durch Dummheit hinreichend erklärbar ist.“
(Hanlon’s Razor)
|
BID = 537054
triti Stammposter
    Beiträge: 220 Wohnort: Austria
|
Hi Ltof!
Danke für Deine Antwort.
>> Wieso nicht die Minusleitung?
Weil hier ein Schafskopf sitzt. Muss natürlich auch gehen.
>> Der 555 hat hier keine sinnige Anwendung.
Na ja, in der Verzweiflung versucht man alles....
>> Richtig ist, die Differenz der nicht beleuchteten Solarzelle zur Akkuspannung zum Schalten zu nehmen.
Hmm, ich muss also einen normalen N-Kanal-MOSFET (z.B. IRF630) dazu bringen, dass er sperrt, wenn das Modul Sonne hat. Dazu muss ich einen Transistor irgendwie zwischen die Plusleitung und das Gate des Mosfet geben, der nur
dann durchschaltet - also Plus aufs Gate gibt, wenn das Modul keinen Strom mehr liefert. Hmmmm.... Umleiten vielleicht?
Ich glaub, so könnte es gehen --> Bild:
Wenn Sonne, dann schaltet der Transistor durch und klaut dem Mosfet die Gatespannung, schaltet auf Minus durch. Macht nichts, weil wenig Strom wegen dicken Widerstand.
Wie Du sicher weisst: Die Widerstandswerte sind natürlich wilde Vermutungen.
lg
Triti
|
BID = 537064
perl Ehrenmitglied
       
Beiträge: 11110,1 Wohnort: Rheinbach
|
Erinnere dich an das was Ltof hinsichtlich der Diode geschrieben hat und an deine eigenen Worte:
Zitat :
| | Das muss doch einfacher gehen. |
Im Übrigen ist der IRF630 eine denkbar schlechte Wahl.
Such dir einen Transistor, der nur für 25V spezifiziert, dafür aber mit Logikpegeln ansteuerbar ist.
Auch Bipolartransistoren sind nicht so schlecht, denn auch daran muss der Spannungabfall nicht grösser als 0,2..0,3V sein.
Vernünftigerweise greift man aber lediglich in die Wandlerschaltung ein und verhindert das Anschwingen solange der Akku geladen wird.
_________________
Haftungsausschluß:
Bei obigem Beitrag handelt es sich um meine private Meinung.
Rechtsansprüche dürfen aus deren Anwendung nicht abgeleitet werden.
Besonders VDE0100; VDE0550/0551; VDE0700; VDE0711; VDE0860 beachten !
|
BID = 538825
triti Stammposter
    Beiträge: 220 Wohnort: Austria
|
Hi,
>> Das muss doch einfacher gehen.
Tuts auch. Endlich. Mit einem einsamen PNP-Transistor, Basis vor der Diode, Kollektor dahinter.
lg
Triti
|
|
Zum Ersatzteileshop
Bezeichnungen von Produkten, Abbildungen und Logos , die in diesem Forum oder im Shop verwendet werden, sind Eigentum des entsprechenden Herstellers oder Besitzers. Diese dienen lediglich zur Identifikation!
Impressum
Datenschutz
Copyright © Baldur Brock Fernsehtechnik und Versand Ersatzteile in Heilbronn Deutschland
gerechnet auf die letzten 30 Tage haben wir 18 Beiträge im Durchschnitt pro Tag heute wurden bisher 6 Beiträge verfasst © x sparkkelsputz Besucher : 187844996 Heute : 14410 Gestern : 15830 Online : 274 20.12.2025 16:43 12 Besucher in den letzten 60 Sekunden alle 5.00 Sekunden ein neuer Besucher ---- logout ----viewtopic ---- logout ----
|
xcvb
ycvb
0.0470221042633
|