| Autor |
|
|
|
BID = 521547
khatarnak Gerade angekommen
Beiträge: 4 Wohnort: München
|
|
Hallo
Ich habe einen Sensor, der ein analoges Signal liefert. Der Sensor wird über ein Netzteil mit 5V Versorgungsspannung versorgt. Das Ausgangssignal liegt im Bereich +-5V. Es wird über ein geschirmtes Kabel (Schirm liegt auf Masse der Versorgungsspannung) zu einer Interfacekarte in meinen Rechner geführt (DAQ). Auf meinem Signal habe ich nun eine starke Störung bei 50Hz und ich weiß nicht wie ich mir diese einfange. Da mir jede Menge Erfahrung fehlt hoffe ich mit ein bisschen Hilfe hier der Ursache auf die Schliche zu kommen. Danke schon mal für Ideen! |
|
BID = 521551
perl Ehrenmitglied
       
Beiträge: 11110,1 Wohnort: Rheinbach
|
|
Vielleicht soll der geheimnisvolle Sensor ja die 50Hz aufschnappen ?
Ohne Details werden wir nicht weiterkommen. |
|
BID = 521552
khatarnak Gerade angekommen
Beiträge: 4 Wohnort: München
|
Der verwendete Sensor ist ein Drehratensensor. Der soll eine Spannung proportional zur Corioliskraft die an seinem Resonator bei Drehungen entsteht liefern.
Welche Details brauchst Du denn? Ich bin wie gesagt etwas hilflos weil erstmalig wirklich mit dem Aufbau von solchen Schaltungen konfrontiert, ich hoffe man hat Nachsicht
|
BID = 521554
hajos118 Schreibmaschine
    
Beiträge: 2453 Wohnort: Untermaiselstein
|
Schirmung nur einseitig auflegen! Am besten an der Messkarte...
_________________
Interpunktion und Orthographie dieses Beitrags sind frei erfunden.
Eine Übereinstimmung mit aktuellen oder ehemaligen Regeln wäre rein zufällig und ist nicht beabsichtigt.
Wer einen Fehler findet, darf ihn behalten!
|
BID = 521556
perl Ehrenmitglied
       
Beiträge: 11110,1 Wohnort: Rheinbach
|
Zitat :
| | Welche Details brauchst Du denn? |
Mindestens einen Verkabelungsplan einschliesslich des 230V Anschlusses von Netzteil und Computer.
Liefert das Netzteil eine brummfreie Spannung ?
Was passiert, wenn du es durch eine Batterie ersetzt ?
Wie ist das Signal an der ADC-Karte aufgelegt und ist diese richtig konfiguriert ?
_________________
Haftungsausschluß:
Bei obigem Beitrag handelt es sich um meine private Meinung.
Rechtsansprüche dürfen aus deren Anwendung nicht abgeleitet werden.
Besonders VDE0100; VDE0550/0551; VDE0700; VDE0711; VDE0860 beachten !
[ Diese Nachricht wurde geändert von: perl am 14 Mai 2008 14:14 ]
|
BID = 521558
khatarnak Gerade angekommen
Beiträge: 4 Wohnort: München
|
Zitat :
hajos118 hat am 14 Mai 2008 14:10 geschrieben :
|
Schirmung nur einseitig auflegen! Am besten an der Messkarte...
|
Schirmung ist einseitig aufgelegt, allerdings auf Seite des Netzteils.
Zitat :
perl hat am 14 Mai 2008 14:11 geschrieben :
|
Mindestens einen Verkabelungsplan einschliesslich des 230V Anschlusses von Netzteil und Computer.
Liefernt das Netzteil eine brummfreie Spannung ?
Was passiert, wenn du es durch eine Batterie ersetzt ?
Wie ist das Signal an der ADC-Karte aufgelegt und ist diese richtig konfiguriert ? |
Wie überprüfe ich ob das Netzteil eine brummfreie Spannung liefert? Den Test mit der Batterie werde ich nachholen wenn nötig, habe leider keine zur Verfügung zur zeit.
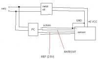
Das Signal, welches aus einem integrierenden Operationsverstärker kommt (eine Signalleitung, eine Leitung Referenz-Spannung 2.5V) wird in zwei zueinander gehörige Eingänge (analog input channels) der DAQ-Karte gesteckt. Diese ist soweit ich das überblicke richtig konfiguriert. Allerdings bleiben z.B. am Anschlußport die Anschlüsse analog GND und digital GND frei, die Bedeutung ist für mich eher unklar (ich habe ja ein differentielles Signal).
kleine skizze habe ich angehängt
[ Diese Nachricht wurde geändert von: khatarnak am 14 Mai 2008 14:32 ]
|
BID = 521577
khatarnak Gerade angekommen
Beiträge: 4 Wohnort: München
|
Mittlerweile hatte ich die Möglichkeit ein anderes Netzteil anzuschließen. Mit diesem ist von den Störungen keine Spur mehr. Mir ist noch nicht ganz klar, worin der Unterschied zwischen beiden Netzteilen liegt, und was "brummfrei" genau ausmacht. Falls jemand noch die Muße hat einen Satz dazu zu schreiben wäre es nicht vergebens, ansonsten danke für die Aufmerksamkeit!
|
BID = 521581
Kleinspannung Urgestein
     
Beiträge: 13390 Wohnort: Tal der Ahnungslosen
|
Zitat :
khatarnak hat am 14 Mai 2008 16:19 geschrieben :
|
und was "brummfrei" genau ausmacht.
|
Wie du siehst,eine ganze Menge
Häng doch mal Spaßeshalber an den Ausgang des Netzteils noch einen etwas dickeren Elko (2000µ oder so) und noch einen 100nF Kerko parallel dazu dran...
_________________
Manche Männer bemühen sich lebenslang, das Wesen einer Frau zu verstehen. Andere befassen sich mit weniger schwierigen Dingen z.B. der Relativitätstheorie.
(Albert Einstein)
|
BID = 522421
Lötfix Schreibmaschine
    
Beiträge: 2328 Wohnort: Wien
|
Hallo!
Netzteil-GND mit PC-GND bzw. Analog-GND verbinden!
Vermutlich liegt die der Netzgerät-GND auf halber Neztspannung (kapazitiv) falls keine Verbindung PE-GND im Netzgerät vorhanden ist.
Dadurch gibt es einen Offset bei den Eingängen, der vermutlich außerhalb des zulässigen Bereichs liegt.
mfg lötfix
_________________
Haftungsausschluß:
Bei obigem Beitrag handelt es sich um meine private Meinung. Rechtsansprüche dürfen daraus nicht abgeleitet werden. Sicherheitsvorschriften beachten!
[ Diese Nachricht wurde geändert von: Lötfix am 18 Mai 2008 20:00 ]
|