| Autor |
Relais flakert - warum?? Suche nach: relais (22570) |
|
|
|
|
BID = 159045
uxb Gelegenheitsposter
  Beiträge: 79
|
|
hallo zusammen
ich habe eine lichtschranke zusammengebaut, die natürlich ein relais steuert. ohne unterbrechung zieht das relais und be einer unterbrechung des infrarot strahls fällt das relais ab. soweit sogut. ohne belastung des relais funktioniert alles wunderbar. sobald ich aber mit dem relais ein paar andere relais steuere, fangen das relais der lichtschranke und die anderen relais an zu "flakern"(zieht, zieht nicht, zieht, zieht nicht...) und nach ca. 1-5 sekunden bleibt es angezogen.
ich kann mir einfach nicht vorstellen, was das problem sein könnte. gibt es einen unterschied, wenn eine last gesteuert wird oder nicht?? sollte doch nicht sein, oder?
das relais bekommt ca. 6-7 volt von der lichtschranke, die anderen relais werden mit 4.5 volt gesteuert.
wenn das relais der lichtschranke nicht zieht, zieht das relais 1 an, wenn das relais der lichtschranke zieht, fällt relais 1 ab und relais 2 zieht an.
ich hoffe ihr versteht mein problem und ich hoffe ihr habt eine lösung, denn ich bin am verzweifeln...
gruss uxb
_________________
|
|
BID = 159047
Ltof Inventar
     
Beiträge: 9386 Wohnort: Hommingberg
|
|
Vermutlich bricht durch die Einschaltströme der Lasten die Versorgungsspannung zusammen, so dass die Lichtschranke das Spinnen anfängt.
Gruß,
Ltof
_________________
„Schreibe nichts der Böswilligkeit zu, was durch Dummheit hinreichend erklärbar ist.“
(Hanlon’s Razor) |
|
BID = 159048
123abc Schreibmaschine
    
Beiträge: 2212 Wohnort: Hamburg
|
Nimm für die nachgeschalteten Relaice mal eine separate Spannungsversorgung.
123abc
|
BID = 159052
uxb Gelegenheitsposter
  Beiträge: 79
|
hallo zusammen,
danke für eure antworten
alse wegen der versorgungsspannung: ich habe zwei verschiedene stromquellen.
lichtschranke ca. 14 volt, rel 1+2 ca. 4.5 volt
_________________
|
BID = 159060
Her Masters Voice Inventar
     
Avatar auf fremdem Server ! Hochladen oder per Mail an Admin
Beiträge: 5312 Wohnort: irgendwo südlich von Berlin
|
Das sind bestimmt garkeine Relais sondern verwunschene Klapperstörche. Vielleicht solltest du die Dinger mal küssen....
Auf jeden Fall solltest du mal überlegen welche Informationen zum Problem dir zur Verfügung stehen und Welche uns und mal intensiv über die Diskrepanz nachsinnen.
_________________
Tschüüüüüüüs
Her Masters Voice
aka
Frank
***********************************
Der optimale Arbeitspunkt stellt sich bei minimaler Rauchentwicklung ein...
***********************************
|
BID = 159061
Otiffany Urgestein
     
Beiträge: 13779 Wohnort: 37081 Göttingen
|
Hi,
poste doch mal Deine Schaltung. Es könnte sein, daß durch HF-Einstreuung (Funken am Relais) die Elektronik spinnt.
Gruß
Peter
|
BID = 159073
uxb Gelegenheitsposter
  Beiträge: 79
|
hallo
ich werde mal den schaltplan posten, aber erst nach dem mittag
guten appetit zusammen
_________________
|
BID = 159331
Der lustige Kernspalt Gesprächig
   Beiträge: 125
|
Ich hoffe mal inständig Du hast dem Relais eine Freilaufdiode spendiert. Wenn nicht
_________________
Murphy's Law :
Was macht ein Oszillator : gar nichts
Was macht ein Verstärker : Schwingen
|
BID = 159398
uxb Gelegenheitsposter
  Beiträge: 79
|
hallo,
also wo müsste ich denn die freilaufdiode einbauen?
bei allen relais oder nur bei denen von der lichtschranke, oder wo? kann ich eine ganz normale, aus einem gerät ausgelötete diode nehmen?( ich habe viele schwarze mit einem weissen strich, aber auch ein paar orange mit weissem strich)
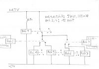
ich habe mal einen schaltplan gezeichnet, da sind die relais angeschrieben, dann kannst du mir einfach schreiben bei welchen relais. nicht erschrecken, wenn plötzlich zwei lichtschranken eingezeichnet sind, ich hab vorher halt nur von einer geschrieben.
und noch eine frage wegen der stromversorgung. genügen hier 4.5 volt von einer taschenlampenbatterie? mindestens ein relais ist immer an, und höchstens 2 wenn ich das richtig sehe. aber wenn nur eines an ist, dann ist das das relais 1, und das ist höchstens 2 sekunden an. wieviel strom soll ich anschliessen? zur verfügung stehen:
4.5 volt taschenlampenbatterie,
9 volt blockbatterie,
ca. 14 volt von travo
im anhang der schaltplan
_________________
[ Diese Nachricht wurde geändert von: uxb am 6 Feb 2005 11:28 ]
|
BID = 159421
ronki1 Schriftsteller
    
Beiträge: 689 Wohnort: Halle / Saale
|
Hallo uxb,
warum sooooviele Relais?
Es gibt doch auch Relais mit mehrfach Kontakten!
Erklär uns doch bitte mal, was Du mit den Lichtschranken machen willst?
MfG,
ronki1
|
BID = 159425
uxb Gelegenheitsposter
  Beiträge: 79
|
hallo ronki1
ich habe einen töggelikasten(in deutschlant sagt man, glaube ich, "kicker" oder fussballkasten oder so etwas, bin halt schweizer, da sagen wir "töggelichaschte"  ).
und jetzt möchte ich eine digitale toranzeige machen, mit lichtschranke und taschenrechner. die mehrfachkontakte benütze ich schon für den taschenrechner, um die tasten anzusteuern.
bringt mir bitte keine andere vorschläge, wie ich das ohne taschenrechner machen soll, den habe ich nämlich schon eingebaut!
ich will einfach wissen, wo ich diese freilaufdioden einbauen muss
[ Diese Nachricht wurde geändert von: uxb am 6 Feb 2005 12:57 ]
|
BID = 159463
Her Masters Voice Inventar
     
Avatar auf fremdem Server ! Hochladen oder per Mail an Admin
Beiträge: 5312 Wohnort: irgendwo südlich von Berlin
|
Aus dem Schaltplan geht nicht hervor wie die Stromversorgung aussieht und was nun eigentlich mit den Lichtschranken ist.
_________________
Tschüüüüüüüs
Her Masters Voice
aka
Frank
***********************************
Der optimale Arbeitspunkt stellt sich bei minimaler Rauchentwicklung ein...
***********************************
|
BID = 159467
uxb Gelegenheitsposter
  Beiträge: 79
|
ich habe ja geschrieben dass ich eine 4.5 volt taschenlampenbatterie verwende!
Zitat :
| | ...und was nun eigentlich mit den Lichtschranken ist |
was soll mit denen sein??
_________________
|
BID = 159492
Hackes Gesprächig
  
Beiträge: 117 Wohnort: Rommerskirchen
|
Hallo uxb,
iss ja ne coole Idee mit Deinem Kicker und dem Taschenrechner  .
Also Freilaufdioden gehören prinzipiell an JEDES Relais. Anschaltung ist Dir klar?
Kathode der Diode (da wo der weiße Strich ist) an den "pluspol" des Relais und die Anode an den "minuspol" des Relais. Also direkt antiparallel zur Relaisspule. Deine schwarzen Dioden klingen schon nicht schlecht. Man sollte z.B eine 1N4007 Diode nehmen. Die sind auch zufällig schwarz, aber sollte auch auf den Dioden draufstehen! Welche DU hast, keine Ahnung!
Das Verhalten Deiner Schaltung ist schon seltsam. Ich tendiere auch zu den Meinungen von Otiffany und Itof. Die Induktionsspannungen der Relais könnten schon die Elektronik zum Spinnen bringen
Noch ne Frage: Ist die Versorgungsspannung der Elektronik vernünftig? Geglättet, gesiebt, stabilisiert....
Was mir auch auffällt:
Dein Lichtschrankenrelais hat eine Spulenspannung von 12V, bekommt von der Elektronik nur 6-7V! Das ist gerade mal 50%! Ist das so richtig (Fehler in der Elektronik?)?! Also ich könnte mir gut vorstellen, daß das Relais zwar "KLACK" macht, aber die Kontakte nicht WIRKLICH SICHER geschaltet haben. Deine anderen Relais ziehen dann an, fallen ab, ziehen an... das mag ohne Dioden gut Störungen produzieren!
Deine anderen Relais haben Nennspannungen von 5V. Du benuzt aber 4.5V. Also ähnliches Problem. Klar ziehen die bei 4.5V noch sicher an, aber die Batterie hat ja nur NAGELNEU 4,5V Spannung. Wenn die dann nach den ganzen Versuchen leerer wird. entsteht wohl das geliche Problem...
Also das ist meine Theorie. Jetzt könnt Ihr die ja mal alle zerpflücken
Gruß, Hackes
|
BID = 159506
Her Masters Voice Inventar
     
Avatar auf fremdem Server ! Hochladen oder per Mail an Admin
Beiträge: 5312 Wohnort: irgendwo südlich von Berlin
|
Bau einfach ne richtige Spannungsversorgung und dann klappt das auch. Relais und kleine Batterien sind Sachen die nicht so recht zusammenpassen. Selbst wenn es mal kurzzeitig funktioniert ist die Funktion stark vom Zustand der Batterie abhängig und somit nicht grad zuverlässig.
_________________
Tschüüüüüüüs
Her Masters Voice
aka
Frank
***********************************
Der optimale Arbeitspunkt stellt sich bei minimaler Rauchentwicklung ein...
***********************************
|