| Autor |
Rausch"generator" für 5V Betriebsspannung==> möglich? Suche nach: generator (3204) |
|
|
|
|
BID = 432731
faustian.spirit Schreibmaschine
    
Beiträge: 1388 Wohnort: Dortmund
|
|
Mal ne Frage an die Physiker: warum wird das 1/f Rauschen bei Gleichspannung nicht unendlich groß? |
|
BID = 432788
Steppenwolf Schreibmaschine
    
Beiträge: 1757 Wohnort: Zürich, Schweiz
|
|
Hmhm.. hab jetzt die 33nF durch ein paar Elko-Werte ersetzt. Das grösste war 22müF, das kleinste 4.7müF.
Ergebnis: jetzt schwingts Man krieg eine Art Rechteck-Sinus Mischmasch am Ausgang des zweiten OPV. Mit der Verstärkung bin ich auch drastisch runter gegangen, hat nix gebracht..
Wieso schwingt das überhaupt? Hab ja nix kapazitives o.Ä. in der Rückkopplung... Würde ein 22müF Kerko das gleiche Verhalten erzeugen?
_________________
Meine Projekte:
http://mauerer.m.googlepages.com |
|
BID = 432861
Steppenwolf Schreibmaschine
    
Beiträge: 1757 Wohnort: Zürich, Schweiz
|
Doppelt gemoppelt
[ Diese Nachricht wurde geändert von: Steppenwolf am 28 Mai 2007 15:49 ]
|
BID = 432862
Steppenwolf Schreibmaschine
    
Beiträge: 1757 Wohnort: Zürich, Schweiz
|
Sodele, es wird immer besser. Hab jetzt die 4.7müF Elkos drin, etwas an den Widerständen rumgefummelt und jetzt passts einigermassen. Im Anhang die Wahrscheinlichkeitsverteilung. n war diesmal 10000.
Eine gerade Linie bei y=39 wär mir lieber..
_________________
Meine Projekte:
http://mauerer.m.googlepages.com
[ Diese Nachricht wurde geändert von: Steppenwolf am 28 Mai 2007 15:48 ]
|
BID = 432879
Steppenwolf Schreibmaschine
    
Beiträge: 1757 Wohnort: Zürich, Schweiz
|
So, das Ganze nochmals mit n=120000
Ergebnis: Die Sache rasselt in die untere Begrenzung (Häufung der untersten ADC-Werte). Fazit: Das Ganze noch etwas heben.
Aber ansonsten... Was lässt sich daraus schliessen, dass die Werte so ungleichmässig verteilt sind?. Hats da noch eine Störgrösse überlagert?
Edit: hab mal was rumgerechnet:
Der Erwartungswert ist etwa 470.5 bei der Messreihe im Anhang.
Davon wird durchschnittlich und absolut um 24.3 Treffer pro ADC-Wert abgewichen... easy schlecht  Das sind ganze 5.2%
Muss zuerst mal den Offset etwas hochnehmen, damit dieser starke linke Ausschlag weg kommt, dann nochmals messen.
==> könnte der AVR-ADC (5V Referenz) einen Einfluss auf die Messwerte haben, oder liegt diese hohe Abweichung am Generator selbst oder ist das normal?
Herzlichen Gruss
Mario
_________________
Meine Projekte:
http://mauerer.m.googlepages.com
[ Diese Nachricht wurde geändert von: Steppenwolf am 28 Mai 2007 17:22 ]
[ Diese Nachricht wurde geändert von: Steppenwolf am 28 Mai 2007 17:23 ]
|
BID = 432951
Steppenwolf Schreibmaschine
    
Beiträge: 1757 Wohnort: Zürich, Schweiz
|
Sodele, hab den Bereich noch angepasst.
Zusätzlich rechne ich jetzt alle ADC-Werte mit Modulo 64.
So kann ich den Bereich etwas "zusammenstauchen". Jetzt bin ich auf 3.5% Abweichung vom perfekten Zufall. (n=100`000)
Kann man solche Modulo-Rechnungen auch mit ein bisschen Hühnerfutter hardwareseitig (aber analog... )erledigen? Oder muss das ein Algorithmus machen?
Herzlichen Gruss
Mario
_________________
Meine Projekte:
http://mauerer.m.googlepages.com
[ Diese Nachricht wurde geändert von: Steppenwolf am 28 Mai 2007 21:17 ]
|
BID = 433031
Dombrowski Stammposter
   
Beiträge: 450
|
Moin.
Für mein Gefühl sieht die Häufigkeitsverteilung schon recht ordentlich aus. Wenn die positiven und negativen Zacken bei jedem Versuchsdurchgang an anderer Stelle liegen und vor allem, wenn die vertikale Spannweite bei großem n immer kleiner wird, ist das doch nur gut. Lass es doch mal so weit laufen, dass jeder Einzelwert 1000..10000 Mal dran kommen kann. n >= 2560000. [EDIT:] Oder dauert das bis Weihnachten?
Andererseits... um die Qualität des Generators zu beurteilen, müsstest du eigentlich auch die Folgehäufigkeiten auswerten. Also: 122 muss auf 73 genauso häufig folgen wie 24 auf 149 - und die 65000 anderen Varianten ebenso. Eigentlich.
- Mal noch mal das Schaltbild der Analogelektrik auf, so wie du es schließlich benutzt.
- Wo liegt die Abtastrate vom ADC?
- Hat der ADC eine Sample&Hold-Stufe?
D.
[ Diese Nachricht wurde geändert von: Dombrowski am 29 Mai 2007 8:12 ]
|
BID = 433069
Steppenwolf Schreibmaschine
    
Beiträge: 1757 Wohnort: Zürich, Schweiz
|
Okey, ich teste das heute nochmals mit grösserem n und ohne Modulo.
Als ADC wurde derjenige vom Atmega8 verwendet. Der Mega läuft mit 6 MHz. Er macht Messreihen mit n=20000, schickt dann die Resultate per UART ans Terminal, wo ich die Daten ins Excel schicke und dort zusammenzähle.
Daten zum ADC:
Referenz: 5V
Sample&Hold: ja
65 - 260 μs Conversion Time
Up to 15 kSPS at Maximum Resolution
Über die sample rate hab ich im DB grad nichts gefunden...
Schaltplan dann heute Nachmittag.
Herzlichen Gruss und Danke
Mario
_________________
Meine Projekte:
http://mauerer.m.googlepages.com
|
BID = 433086
Steppenwolf Schreibmaschine
    
Beiträge: 1757 Wohnort: Zürich, Schweiz
|
So, hier mal weitere Daten.
Der ADC sampelt mit 77kHz.
Hab nun nochmals ne Reihe gemacht. n beträgt diesmal 350`000.
Ist im Anhang 1 zu sehen. Gans so perfekt scheints noch nicht zu sein, das ist ein bisschen krumm...
(da ganz rechts hat Excel abgeschnitten..)
Der Erwartungswert beträgt 1372.5
Durchschnittlich weiche ich davon um 65.2 ab. Das sind 4.75%
In der Realität, bei einem absolut echten Zufallsgenerator dürften doch solche Abweichungen gar nicht vorkommen, vor allem nicht bei so hohen n... Mein Taschenrechner kann die Wahrscheinlichkeit für solche Abweichungen dafür gar nicht mehr genau ausrechnen, ist einfach 0..
(habs einfach mal binomialverteilt angenommen, Trefferwkt. = 1/255, n=350000. Das Ganze dann von 1372 bis 1440 kumuliert. (kann man das so machen?  ))
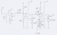
Im zweiten Anhang die momentane Beschaltung.
Zum Abgleich hats da rechts noch nen Trimmer drin.
Das Ganze steht lose auf dem Steckbrett.
_________________
Meine Projekte:
http://mauerer.m.googlepages.com
[ Diese Nachricht wurde geändert von: Steppenwolf am 29 Mai 2007 13:30 ]
[ Diese Nachricht wurde geändert von: Steppenwolf am 29 Mai 2007 13:33 ]
|
BID = 433123
Steppenwolf Schreibmaschine
    
Beiträge: 1757 Wohnort: Zürich, Schweiz
|
So, hab den AVR nochmals krampfen lassen. n=500`000.
Erwartungswert: 1960.78
Durchschnittliche Abweichung: 88.1 ==> 4.5%.
Im Anhang das Bild.
Es sieht dem obigen sehr ähnlich. Das schaut aus wie ne geschwungene Kurve... Wie kommt sowas zustande?
Herzlichen Gruss
Mario
_________________
Meine Projekte:
http://mauerer.m.googlepages.com
|
BID = 433262
Dombrowski Stammposter
   
Beiträge: 450
|
Moin.
Erklären kann ich es nicht. Was hat sich seit der vorletzten Kurve, die noch keinen Hänger hatte, entscheidend geändert?
Falls die Abtastfrequenz nahe bei oder über der oberen Grenzfrequenz des Rauschens liegt, können sich ja aufeinander folgende Abtastwerte nur schwach ändern. Als echter Zufallszahlengenerator wäre das nicht zu gebrauchen. Allerdings lässt sich hier eine explizite obere Grenzfrequenz kaum direkt aus der Schaltung ablesen. Du kannst ja mal neugierdehalber versuchen, die Abtastfrequenz auf 1 kHz oder so zu legen, auch wenn der ganze Durchgang dann ewig dauert.
Bei der geplanten Endanwendung - zu unbestimmten Zeitpunkten Proben entnehmen, während der Generator weiter durchläuft - kommt die Sache mit den Folgehäufigkeiten nicht so zum Tragen. Sie ist von Bedeutung bei PRNGs, die auf einer rekursiven Formel beruhen, wie bei diversen random() Funktionen in Programmiersprachen. Dort gehen ja zwischendrin keine Zahlenwerte verloren - egal, ob die nächste Zufallszahl eine Mikrosekunde oder eine Stunde nach der vorigen abgerufen wird.
D.
|
BID = 433321
perl Ehrenmitglied
       
Beiträge: 11110,1 Wohnort: Rheinbach
|
Zitat :
| | . Das schaut aus wie ne geschwungene Kurve... Wie kommt sowas zustande? |
Möglicherweise sind das Nichtlinearitäten (Übernahmeverzerrungen )des letzten Opamps.
Die Stufenverstärkung ist ja immer noch recht hoch und bei hohen Frequenzen wirkt die Gegenkopplung nicht mehr linearisierend, weil die Leerlaufverstärkung dafür nicht mehr ausreicht.
Möglicherweise bringt es Abhilfe mehr Verstärkerstufen mit geringerer Verstärkung laufen zu lassen, aber das ist nicht sicher, weil diese intern kompensierten Verstärker i.d.R. auch nur sehr mäßige Spannungsanstiegsgeschwindigkeiten (siehe auch Grossignal-Bandbreite) haben.
Ein schneller OpAmp, notfalls mit externer Frequenzkompensation dürfte die bessere Lösung sein.
_________________
Haftungsausschluß:
Bei obigem Beitrag handelt es sich um meine private Meinung.
Rechtsansprüche dürfen aus deren Anwendung nicht abgeleitet werden.
Besonders VDE0100; VDE0550/0551; VDE0700; VDE0711; VDE0860 beachten !
|
BID = 433351
Steppenwolf Schreibmaschine
    
Beiträge: 1757 Wohnort: Zürich, Schweiz
|
Hm, ok. Dann werde ich mal folgendes probieren:
- kann man beim ADC des AVR die Abtastfrequenz ändern?
- Schnelleren OPV nehmen (mehr V/Mikrosekunde), aber mal zweistufig lassen.
Herzlichen Gruss und Danke
Mario
_________________
Meine Projekte:
http://mauerer.m.googlepages.com
|
BID = 433443
Steppenwolf Schreibmaschine
    
Beiträge: 1757 Wohnort: Zürich, Schweiz
|
Edit:
könnte dieser OPV hier passen?
LMH6644
http://www.ortodoxism.ro/datasheets.....4.pdf
Er ist schneller, läuft mit einfachen 5V und hat Rail-to-Rail Ausgänge...
Ist leider auch etwas teurer und nur S0-14, drum frag ich zuerst schnell..
_________________
Meine Projekte:
http://mauerer.m.googlepages.com
[ Diese Nachricht wurde geändert von: Steppenwolf am 30 Mai 2007 20:59 ]
[ Diese Nachricht wurde geändert von: Steppenwolf am 30 Mai 2007 21:00 ]
|
BID = 433465
perl Ehrenmitglied
       
Beiträge: 11110,1 Wohnort: Rheinbach
|
Dieser Opamp ist schon etwas extrem und er lässt sich gewiss nicht auf Steckbrett oder Lochrasterplatine betreiben. Da wird er nur schwingen.
Entweder brauchst du dafür eine ordentliche Platine, wie sie im Datenblatt beschrieben ist, oder du montierst den Chip als Dead Bug mit SMD-Bauteilen. Das ist aber etwas frickelig.
_________________
Haftungsausschluß:
Bei obigem Beitrag handelt es sich um meine private Meinung.
Rechtsansprüche dürfen aus deren Anwendung nicht abgeleitet werden.
Besonders VDE0100; VDE0550/0551; VDE0700; VDE0711; VDE0860 beachten !
|