OPV: Subtrahierschaltung Im Unterforum Alle anderen elektronischen Probleme - Beschreibung: Was sonst nirgendwo hinpasst
| Autor |
OPV: Subtrahierschaltung Suche nach: opv (1519) |
|
|
|
|
BID = 63563
Kai_Sch Neu hier

Beiträge: 36
|
|
Hallo,
ich bin am verzweifeln was eine subtrahierschaltung angeht.
ich habe eine variable spannung von 1000-2000mV und will von dieser halt 1000mV abziehen.
ich habe auch schon diverse anleitungen gelesen, aber es geht einfach nicht bei mir.
ich weiß,daß der opv (lm324) geht,da er mir einen impedanzwandler macht - betreibe ihn nämlich mit 5V und Masse.
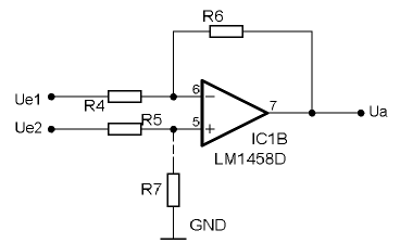
normal ist es so, daß an -E die subtrahiergröße kommt(in meinen Fall die 1000mV) und an +E die variable spannung.
dann wird -E über einen widerstand auf Ausgang geführt
halt so wie in der skizze.
nun müssen ja nur noch die widerstände bestimmt werden. in einer abhandlung habe ich gelesen (und auch in einer bsp-schaltung gesehen) daß alle 4 Widerstände gleich groß sein können
nu hab ich die formel Ua = (Ue2 - Ue1) x (R6 / R4)
und wenn Ua=1000 ist dann ist Ue2 2000 und Ue1=1000, und die widerstände?mathematisch gesehen kann ja da jede zahl eingesetzt werden, hauptsache sie sind beide gleich groß.
aber vom löten weiß ich,daß es nicht egal ist, welche gemeinsame größe alle 4 haben, da kommt bei Ua immer ein unterschiedlicher wert raus
wie kann ich also die Widerstände anpassen, so daß ich die gewünschte subtrahierschaltung bekomme?
würde mich sehr freuen, wenn mir da einer helfen könnte
Besten Dank |
|
BID = 63585
perl Ehrenmitglied
       
Beiträge: 11110,1 Wohnort: Rheinbach
|
|
Zitat :
| | aber vom löten weiß ich,daß es nicht egal ist, welche gemeinsame größe alle 4 haben, da kommt bei Ua immer ein unterschiedlicher wert raus |
Wenn du genug Versorgungsspannung hast, gibt es dafür verschiedene Möglichkeiten:
1) Die Eingangsspannungen sind lastabhängig. Dann müßtest du, damit die Formel stimmt, R4 und R5 um den Innenwiderstand der jeweiligen Spannungsquelle verkleinern.
2) Deine Widerstände sind nicht wirklich gleich. Nachmessen !
3) Die Widerstände sind zu klein und der OpAmp wird überlastet. Werte zwischen 10k..100kOhm dürften meist ok sein.
4) Die Schaltung schwingt. Außer mit einem Oszilloskop kannst du das z.B. testen, indem du nachschaust ob sich die Ausgangsspannung ändert, wenn du die Pins des OpA mit einer Meßspitze berührst.
_________________
Haftungsausschluß:
Bei obigem Beitrag handelt es sich um meine private Meinung.
Rechtsansprüche dürfen aus deren Anwendung nicht abgeleitet werden.
Besonders VDE0100; VDE0550/0551; VDE0700; VDE0711; VDE0860 beachten ! |
|
BID = 63809
Kai_Sch Neu hier

Beiträge: 36
|
also ich habe beide spannungen per impedanzwandler abgekoppelt,somit sollte eigentlich keine lastveränderung reinpfuschen, oder?
die widerstände sind gleich, da sie vom gleichen gurt kommen und auch das gleiche am multimeter anzeigen
um möglichem schwingen vorzubeugen, wo sollte ein kondensatur ran? 100n dürften doch reichen, oder?
|
BID = 63856
perl Ehrenmitglied
       
Beiträge: 11110,1 Wohnort: Rheinbach
|
Zitat :
| | um möglichem schwingen vorzubeugen, wo sollte ein kondensatur ran? 100n dürften doch reichen, oder? |
2x 100nF sollten reichen und gehören mit kurzen Anschlüssen von den Versorgungspins an Masse.
Ein Verstärker kann auch durch kapazitive Last ins Schwingen geraten und viele sind bei Verstärkung 1 nicht stabil. Ob letzeres für deinen zutrifft, weiß ich momentan nicht.
_________________
Haftungsausschluß:
Bei obigem Beitrag handelt es sich um meine private Meinung.
Rechtsansprüche dürfen aus deren Anwendung nicht abgeleitet werden.
Besonders VDE0100; VDE0550/0551; VDE0700; VDE0711; VDE0860 beachten !
|
|
Zum Ersatzteileshop
Bezeichnungen von Produkten, Abbildungen und Logos , die in diesem Forum oder im Shop verwendet werden, sind Eigentum des entsprechenden Herstellers oder Besitzers. Diese dienen lediglich zur Identifikation!
Impressum
Datenschutz
Copyright © Baldur Brock Fernsehtechnik und Versand Ersatzteile in Heilbronn Deutschland
gerechnet auf die letzten 30 Tage haben wir 17 Beiträge im Durchschnitt pro Tag heute wurden bisher 12 Beiträge verfasst © x sparkkelsputz Besucher : 187979583 Heute : 9898 Gestern : 28182 Online : 320 27.12.2025 21:55 7 Besucher in den letzten 60 Sekunden alle 8.57 Sekunden ein neuer Besucher ---- logout ----viewtopic ---- logout ----
|
xcvb
ycvb
0.0227701663971
|