Einschaltverzögerung

Im Unterforum Alle anderen elektronischen Probleme - Beschreibung: Was sonst nirgendwo hinpasst

Elektronik Forum Nicht eingeloggt       Einloggen       Registrieren




[Registrieren]      --     [FAQ]      --     [ Einen Link auf Ihrer Homepage zum Forum]      --     [ Themen kostenlos per RSS in ihre Homepage einbauen]      --     [Einloggen]

Suchen


Serverzeit: 01 10 2025  10:05:19      TV   VCR Aufnahme   TFT   CRT-Monitor   Netzteile   LED-FAQ   Oszilloskop-Schirmbilder            


Elektronik- und Elektroforum Forum Index   >>   Alle anderen elektronischen Probleme        Alle anderen elektronischen Probleme : Was sonst nirgendwo hinpasst


Autor
Einschaltverzögerung
Suche nach: einschaltverzögerung (320)

    







BID = 559129

premo

Gerade angekommen


Beiträge: 10
 

  


hallo

suche im internet vergeblich ein schaltplan für eine einschaltverzögerung.
diese schaltung sollte wenn 12 volt anliegt, ein relais nach einer einstellbaren zeit z.b. 30 sec. eine tasterfunktion ausüben. wäre für einen tip sehr dankbar.

mfg premo

BID = 559134

Kleinspannung

Urgestein



Beiträge: 13372
Wohnort: Tal der Ahnungslosen

 

  

In welches Fahrzeug soll das Ganze denn dann rein?
Außerdem hast du wohl nicht wirklich gesucht...

_________________
Manche Männer bemühen sich lebenslang, das Wesen einer Frau zu verstehen. Andere befassen sich mit weniger schwierigen Dingen z.B. der Relativitätstheorie.
(Albert Einstein)

BID = 559138

premo

Gerade angekommen


Beiträge: 10

hallo kleinspannung

bin eigentlich laie habe aber schon einige schaltungen angefertigt.
die schaltung brauche ich, um ein nas gehäuse mit festplatte zu starten, wenn der router angeschaltet wird. jetzt muss ich das nas gehäuse mit den angebrachten tastschalter jedesmal von hand starten.
die einschaltverzögerung brauche ich dafür, das erst der router startet
und dann erst das nas gehäuse über die tastfunktion des relais.

in der schaltung muss glaube ich 2x ne555 ein monoflop mit triggerung ?

gruss premo

BID = 559154

Lötfix

Schreibmaschine



Beiträge: 2328
Wohnort: Wien

Hallo!

Das sind eigentlich 2 Funktionen wenn ich das richtig sehe.
1. Verzögerung
2. Impuls


Code :


___----------------- Versorgung

________--__________ Ausgang

oder doch nur so:
___----------------- Versorgung

___--_______________ Ausgang



sollte beides mit NE555 machbar sein.

mfg lötfix



_________________
Haftungsausschluß:
Bei obigem Beitrag handelt es sich um meine private Meinung. Rechtsansprüche dürfen daraus nicht abgeleitet werden. Sicherheitsvorschriften beachten!

[ Diese Nachricht wurde geändert von: Lötfix am 26 Okt 2008 16:45 ]

BID = 559155

perl

Ehrenmitglied



Beiträge: 11110,1
Wohnort: Rheinbach


Zitat :
n der schaltung muss glaube ich 2x ne555 ein monoflop mit triggerung ?
Kann sein, aber vielleicht reicht auch eines.
Ein Monoflop mit dem 555 startet bei Anlegen der Betriebsspannung im "1"-Zustand und schaltet dann nach Ablauf der Verzögerungszeit ab.

_________________
Haftungsausschluß:



Bei obigem Beitrag handelt es sich um meine private Meinung.



Rechtsansprüche dürfen aus deren Anwendung nicht abgeleitet werden.



Besonders VDE0100; VDE0550/0551; VDE0700; VDE0711; VDE0860 beachten !

BID = 559156

Bartholomew

Inventar



Beiträge: 4676


Zitat :
in der schaltung muss glaube ich 2x ne555 ein monoflop mit triggerung ?

Wäre eine Möglichkeit. Kannst aber auch anstatt zweier 555 auch einen 556 nehmen

Viel Spaß beim Basteln.


Gruß, Bartho

BID = 559157

Lötfix

Schreibmaschine



Beiträge: 2328
Wohnort: Wien

Wenn man beim Monoflop mit Triggerung an den Trigger ein RC-Glied schaltet, hat man dadurch die Anfangsverzögerung.

mfg lötfix

_________________
Haftungsausschluß:
Bei obigem Beitrag handelt es sich um meine private Meinung. Rechtsansprüche dürfen daraus nicht abgeleitet werden. Sicherheitsvorschriften beachten!

BID = 559159

premo

Gerade angekommen


Beiträge: 10

danke für eure meinungen.
wichtig ist, das erst der router hochfährt und dann nach ca. 30 sec das nas gehäuse über die tastfuntion gestartet wird.

BID = 559161

Lötfix

Schreibmaschine



Beiträge: 2328
Wohnort: Wien

Warum ist die Reihenfolge so wichtig - DHCP ?

_________________
Haftungsausschluß:
Bei obigem Beitrag handelt es sich um meine private Meinung. Rechtsansprüche dürfen daraus nicht abgeleitet werden. Sicherheitsvorschriften beachten!

BID = 559165

Lötfix

Schreibmaschine



Beiträge: 2328
Wohnort: Wien




_________________
Haftungsausschluß:
Bei obigem Beitrag handelt es sich um meine private Meinung. Rechtsansprüche dürfen daraus nicht abgeleitet werden. Sicherheitsvorschriften beachten!

BID = 559166

premo

Gerade angekommen


Beiträge: 10

reihenfolge ist wichtig, damit der router das nas erkennt.

BID = 559168

Lötfix

Schreibmaschine



Beiträge: 2328
Wohnort: Wien


Offtopic :
Hatte mal ähnliches Problem mit ADSL-Modem und Router, mußte Router verzögern.



_________________
Haftungsausschluß:
Bei obigem Beitrag handelt es sich um meine private Meinung. Rechtsansprüche dürfen daraus nicht abgeleitet werden. Sicherheitsvorschriften beachten!

BID = 559170

premo

Gerade angekommen


Beiträge: 10

wichtig an der ganzen sache ist, das nas gerät soll nicht von hand sonder mit der schaltung gestartet werden.
mein pc steht im nebengebäude und der router mit nas im wohnhaus.

BID = 559175

Lötfix

Schreibmaschine



Beiträge: 2328
Wohnort: Wien

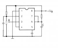
Das macht die Schaltung ja:
nach dem Anlegen der Versorgung vergeht eine Zeit (R+C links) und dann wird am Ausgang ein Impuls (Länge über R+C rechts) ausgegeben.

_________________
Haftungsausschluß:
Bei obigem Beitrag handelt es sich um meine private Meinung. Rechtsansprüche dürfen daraus nicht abgeleitet werden. Sicherheitsvorschriften beachten!

BID = 559774

premo

Gerade angekommen


Beiträge: 10

danke für eure hilfe.

gruss premo

[ Diese Nachricht wurde geändert von: premo am 29 Okt 2008 10:58 ]


Zurück zur Seite 0 im Unterforum          Vorheriges Thema Nächstes Thema 


Zum Ersatzteileshop


Bezeichnungen von Produkten, Abbildungen und Logos , die in diesem Forum oder im Shop verwendet werden, sind Eigentum des entsprechenden Herstellers oder Besitzers. Diese dienen lediglich zur Identifikation!
Impressum       Datenschutz       Copyright © Baldur Brock Fernsehtechnik und Versand Ersatzteile in Heilbronn Deutschland       

gerechnet auf die letzten 30 Tage haben wir 12 Beiträge im Durchschnitt pro Tag       heute wurden bisher 1 Beiträge verfasst
© x sparkkelsputz        Besucher : 185623290   Heute : 2841    Gestern : 10050    Online : 316        1.10.2025    10:05
4 Besucher in den letzten 60 Sekunden        alle 15.00 Sekunden ein neuer Besucher ---- logout ----viewtopic ---- logout ----
xcvb ycvb
0.0349888801575