| Autor |
Beleuchtung über Relais steuern mittels Dauersignal an/aus Suche nach: beleuchtung (4124) relais (22568) |
|
|
|
|
BID = 1011038
frankie303 Gerade angekommen
Beiträge: 19 Wohnort: Winnenden
|
|
Hallo liebe potentiellen Helfenden,
ich möchte die Beleuchtung in meiner Garage verbessern.
Die in den Torantrieben eingebauten Leuchten sind mir zu wenig "erhellend".
Das Schaltsignal der Antriebe möchte ich aber gerne verwenden.
Ich habe bis jetzt einen Eltako ES12Z-200-UC angeschlossen, denn mit diesem kann ich das Licht über zusätzliche Taster steuern, und mittels Einstellung festlegen, dass die Befehle der Torantriebe (A1, "örtliches Tasten") bei "Zentralsteuerung ein" wirkungslos sind.
Denkbar wäre auch, dass ich noch einen zweiten Stromstossschalter setze, um die beiden Hälften der Garage getrennt zu beleuchten.
Nun bekomme ich von den beiden Torantrieben jeweils bei Betätigung ein Dauersignal (24V), den ich aber in zwei Impulse umwandeln müsste; einen bei Start des Dauersignals und einen beim Abfallen.
Diese müssen dann ja am Eltako am A1 ankommen.
Ich hätte jetzt an ein Wechsler-Relais gedacht, aber dann habe ich noch immer ein Dauersignal.
Wie gehe ich da am besten vor?
Schön wäre, wenn ich alles mit 230V-Komponenten realisieren könnte.
Gruss Frankie
|
|
BID = 1011200
frankie303 Gerade angekommen
Beiträge: 19 Wohnort: Winnenden
|
|
Hallo,
jetzt habe ich mittels google ein wenig geforscht.
Ich benötige ein Wischer-Relais, das Einschalt- und Ausschalt-Signale liefert.
Sieht das noch jemand so?
Gibt es noch irgendetwas, das ich hierbei beachten sollte?
Habe ich einen Denkfehler?
Für Tipps bin ich dankbar.
Gruss Frankie |
|
BID = 1011201
Mr.Ed Moderator
      
Beiträge: 36326 Wohnort: Recklinghausen
|
Vielleicht solltest du deine etwas wirre beschreibung etwas entwirren.
Momentan leuchtet mir z.B. nicht ein, warum du so viele Relais verwenden willst, wenn doch ein offenbar passendes Signal vorhanden ist.
_________________
-=MR.ED=-
Anfragen bitte ins Forum, nicht per PM, Mail ICQ o.ä. So haben alle was davon und alle können helfen. Entsprechende Anfragen werden ignoriert.
Für Schäden und Folgeschäden an Geräten und/oder Personen übernehme ich keine Haftung.
Die Sicherheits- sowie die VDE Vorschriften sind zu beachten, im Zweifelsfalle grundsätzlich einen Fachmann fragen bzw. die Arbeiten von einer Fachfirma ausführen lassen.
|
BID = 1011205
Offroad GTI Urgestein
     
Beiträge: 12836 Wohnort: Cottbus
|
Zitat :
| | von den beiden Torantrieben jeweils bei Betätigung ein Dauersignal (24V) |
Zitat :
| | Schön wäre, wenn ich alles mit 230V-Komponenten realisieren könnte. |
Wenn die Torantriebe 24V liefern, kannst du dort doch einfach ein 24V Schütz (Schaltvermögen muss größer/gleich dem Nennstrom der vorgeschalteten Sicherung sein) anschließen, und dieses die Beleuchtung schalten lassen (parallel zu den normalen Lichtschaltern).
Ein Stromstoßrelais zu verwenden, welches mit dem Dauersignal erst mal nichts anfangen kann und noch entsprechende Ein- und Ausschaltwischer benötigt, wäre ja mit Flak auf Spatzen geschossen
_________________
Theoretisch gibt es zwischen Theorie und Praxis keinen Unterschied. Praktisch gibt es ihn aber.
[ Diese Nachricht wurde geändert von: Offroad GTI am 17 Jan 2017 18:30 ]
|
BID = 1011223
frankie303 Gerade angekommen
Beiträge: 19 Wohnort: Winnenden
|
Hallo,
vielleicht habe ich mich nicht ganz klar ausgedrückt:
Der ES12Z soll zum einen über die Funktion "örtlich ein/aus" das Signal der vorhandenen Antriebsbeleuchtung zur Steuerung der neu installierten Leuchten verarbeiten.
Mittels der Funktion "Zentral ein" möchte ich darüber hinaus die Beleuchtung einschalten können, ohne dass mir dann eine Betätigung des Tores anhand des daraus resultierenden Ein-/Aus-Signals die Beleuchtung wieder ausschaltet.
(wenn ich dann einstelle, dass "Zentral ein" das Signal "örtlich ein/aus" unterdrückt.)
Gruss Frankie
|
BID = 1011226
der mit den kurzen Armen Urgestein
     
Beiträge: 17437
|
Das brauchst du nicht, den der Zentralbefehl überschreibt immer die Örtlichen Befehle
Nebenbei wenn ich Örtlich schalten will dann nutze ich einen Wechselschalter (Automatik oder eben Hand ein) und für die Automatikfunktion vom Tor ein Relais. Und unbestätigten Gerüchten nach soll es auch Stromstoßschalter mit Wechsler geben, ja sogar mit 2 Wechslern damit zb Über die Glimmlampe eines Kontrolltasters ZB Jung 534 U signalisiert wird ob Automatik oder Hand gewählt ist!
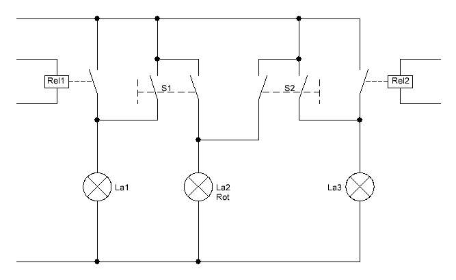
Edit und hier mal das Ganze mit Schaltplan Das Relais ist ein 24 V Relais das 10 A 230V mindesten schalten können soll. Der Stromstoßschalter benötigt 2 Wechsler und auch die gibt es ! Die Taster von Jung dazu habe ich auch genannt
_________________
Tippfehler sind vom Umtausch ausgeschlossen.
Arbeiten an Verteilern gehören in fachkundige Hände!
Sei Dir immer bewusst, dass von Deiner Arbeit das Leben und die Gesundheit anderer abhängen!
[ Diese Nachricht wurde geändert von: der mit den kurzen Armen am 17 Jan 2017 21:06 ]
|
BID = 1011257
frankie303 Gerade angekommen
Beiträge: 19 Wohnort: Winnenden
|
Danke, kurzarmiger,
du bist ja ein Fuchs!
Bis auf den Umstand, dass es sich um dieselben Leuchten handelt, die geschaltet werden sollen, ist dies genau das, was ich gesucht habe!
(Und das lässt sich ja anpassen.)
Edith sagt mir gerade, La1 wäre die Rückmeldeglimmlampe.
Hat die recht?
Aber dennoch ein kleiner Anhang aus dem Datenblatt des ES12Z:
(zur Zentralsteuerung)
Gruss Frankie
[ Diese Nachricht wurde geändert von: frankie303 am 18 Jan 2017 5:52 ]
|
BID = 1011258
frankie303 Gerade angekommen
Beiträge: 19 Wohnort: Winnenden
|
Hallo kurzarmiger,
ich hatte da was falsch verstanden.
La1 stellt die Leuchten dar und LaS1-3 die Glimmlampen in den Tastern, richtig?
Gruss Frankie
|
BID = 1011260
der mit den kurzen Armen Urgestein
     
Beiträge: 17437
|
Richtig die La1 ist die Garagenbeleuchtung Das Relais und der Stromstoßschalter schalten diese. Die Lampen an den Schaltern sind die Kontrollleuchten darin. Sie dienen der Rückmeldung ob das Licht per Taster eingeschaltet wurde. Und wenn das Licht vom Tor aus mit 230V versorgt wird kommt da eben ein 230V Relais anstelle der Lampe dran. Ich habe Hier nur eben ein 24V Relais als Schaltrelais eingezeichnet. Deiner Torsteuerung ist es völlig egal ob sie eine Lampe oder ein Relais treibt. Ja das Relais könnte sogar parallel zur Torlampe geschaltet werden.
_________________
Tippfehler sind vom Umtausch ausgeschlossen.
Arbeiten an Verteilern gehören in fachkundige Hände!
Sei Dir immer bewusst, dass von Deiner Arbeit das Leben und die Gesundheit anderer abhängen!
|
BID = 1011292
frankie303 Gerade angekommen
Beiträge: 19 Wohnort: Winnenden
|
Hallo,
ich bin beim Zusammenstellen des benötigten Materials.
Habe aber an dem Plan noch etwas geändert.
Wenn ich jetzt auf die Kontroll-Glimmlampen (LaS1-3) verzichte und stattdessen mit dem zweiten Wechsler den Stromkreis für das zweite Tor von Automatik auf Hand umschalte, und dazu noch zwei Schalter einfüge (S4 und S5), mit denen ich den Hand-Ein-Stromkreis von jeweils einer Garagenhälfte unterbrechen kann (hoffentlich versteht mich noch jemand), dann sieht die Bedienung folgendermassen aus:
Stromstossschalter K1 in "Automatik-Stellung: La1 wird von Torantrieb 1 über Relais 1 gesteuert. La2 genauso von Torantrieb 2 und Relais 2.
Stromstossschalter K1 in "Hand"-Stellung: die Garagenbeleuchtung auf der jeweils über S4 bzw S5 nicht abgewählten Seite leuchtet.
In diesem Zustand würde dann zwar die Automatik auf der abgewählten Seite auch nicht funktionieren, aber damit könnte ich leben.
Oder gibt´s da auch noch einen Trick?
Material bräuchte ich dann also (beispielhaft):
x Taster Jung 534
1 Serienschalter Jung 505
2 Stromstossschalter Eltako S81-002-230V
1 Schaltrelais Eltako R12-100-24V
Liege ich so etwa richtig?
Tipps werden weiterhin dankend angenommen.
Gruss Frankie
|
BID = 1011297
frankie303 Gerade angekommen
Beiträge: 19 Wohnort: Winnenden
|
Hallo,
oder, wenn ich mich auf jeweils eine (oder maximal zwei, bei einer Wechselschaltung pro Schaltkreis) Stelle für die manuelle Betätigung beschränke, kann ich den Stromstossschalter auch noch weglassen.
Das hätte sogar noch den Vorteil gegenüber der letzten Variante, dass die Automatik beim anderen Tor weiterhin funktionieren würde.
(Ich lese gerade, dass Offroad GTI das so schon geschrieben hatte.)
Liege ich da richtig, oder übersehe ich etwas?
Kann ich das so machen?
Gruss Frankie
|
BID = 1011325
der mit den kurzen Armen Urgestein
     
Beiträge: 17437
|
Klar doch kannst du zu dem Relaiskontakt auch einen normalen Schalter parallelschalten. Nur was passiert wenn du das Tor öffnest und vergessen hast, das du vorher nicht ausgeschaltet hast, dann brennt das Licht ewig deshalb ja in dem Tastern auch die Kontrolllampe, damit du mit einem Blick siehst halt das Teil steht noch auf Hand ein! Nebenbei lässt sich eine Handsignalisierung auch mit einem 2 poligem Schalter realisieren! Dazu muss nur über den 2 ten Schaltkontakt eine gut sichtbare Signalleuchte montiert werden. So zB S1 und S2 sind normale Serienschalter aber mit einer gemeinsamen Wippe und nicht mit geteilten Wippen oder eben 2 Polige Schalter wie zB für Heizungsnotschalter oder eben 2polige Kontrollausschalter! Letzterer hätte den Vorteil das sich durch Umstecken der Glimmlampe der Schalter im Auszustand mit leuchtender Glimmlampe meldet! Die La2 ist eine gut sichtbare Signalleuchte. Wenn diese dann leuchtet steht einer der beiden Schalter auf Hand!
_________________
Tippfehler sind vom Umtausch ausgeschlossen.
Arbeiten an Verteilern gehören in fachkundige Hände!
Sei Dir immer bewusst, dass von Deiner Arbeit das Leben und die Gesundheit anderer abhängen!
[ Diese Nachricht wurde geändert von: der mit den kurzen Armen am 18 Jan 2017 21:16 ]
|
BID = 1011654
frankie303 Gerade angekommen
Beiträge: 19 Wohnort: Winnenden
|
Hallo, jetzt habe ich noch eine Frage:
Für die Leitung, mit der ich die 24V vom Torantrieb mit dem Schaltrelais verbinde, benötige ich zwei Adern.
Da würde ich jetzt ein NYM-J 3x1,5 verwenden, und davon nur die schwarze und die blaue Ader anklemmen.
Oder wie würdet ihr das lösen?
Oder kann ich nur die 24V-plus-Leitung verwenden und dann auf den Null-Leiter führen?
Gruss Frankie
|
BID = 1011659
der mit den kurzen Armen Urgestein
     
Beiträge: 17437
|
Zitat :
| | Oder kann ich nur die 24V-plus-Leitung verwenden und dann auf den Null-Leiter führen? |
Wehe du verbindest die 24 V mit dem 230V Kreis. Gegen die Verwendung von NYM-J 3*1,5 mit Schwarz (neu Braun) und blau für 24 V spricht nichts dagegen. Der Schaltkontakt des Relais ist für 230V ausgelegt aber nicht die Spule!
_________________
Tippfehler sind vom Umtausch ausgeschlossen.
Arbeiten an Verteilern gehören in fachkundige Hände!
Sei Dir immer bewusst, dass von Deiner Arbeit das Leben und die Gesundheit anderer abhängen!
|
BID = 1013009
frankie303 Gerade angekommen
Beiträge: 19 Wohnort: Winnenden
|
Vielen Dank für die Hilfe.
Meine Garagenbeleuchtung macht jetzt das, was ich von ihr will.
Einzig die Glimmlampen in den Jung 806KOW glimmen nicht.
Was muss ich da tun?
Gruss Frankie
|