555 Timer-schaltung

Im Unterforum Alle anderen elektronischen Probleme - Beschreibung: Was sonst nirgendwo hinpasst

Elektronik Forum Nicht eingeloggt       Einloggen       Registrieren




[Registrieren]      --     [FAQ]      --     [ Einen Link auf Ihrer Homepage zum Forum]      --     [ Themen kostenlos per RSS in ihre Homepage einbauen]      --     [Einloggen]

Suchen


Serverzeit: 25 12 2025  08:19:02      TV   VCR Aufnahme   TFT   CRT-Monitor   Netzteile   LED-FAQ   Oszilloskop-Schirmbilder            


Elektronik- und Elektroforum Forum Index   >>   Alle anderen elektronischen Probleme        Alle anderen elektronischen Probleme : Was sonst nirgendwo hinpasst

Gehe zu Seite ( Vorherige Seite 1 | 2 )      


Autor
555 Timer-schaltung
Suche nach: timer (2137) schaltung (31744)

    







BID = 958626

elko64

Schriftsteller



Beiträge: 627
 

  



Zitat :
elko64 hat am  7 Apr 2015 14:54 geschrieben :

hallo zusammen

ich hab mir eiene (monostabile) Timer-Schaltung mit dem NE555 aufgebaut mit einem Ausgangssignal von etwa 3 Sekunden. Das funktioniert alles prima
Nun ist mein problem, dass mein Tiggersignal aber etwa 20 sekunden lang anhält. Die Schaltung geht für meinen zweck aber natürlich nur wenn das Triggersignal kürzer als 3 Sekunden dauert.
Hat jemand eine Idee wie ich das Signal (ca 4 Volt) "kürzen" könnte?

wäre sehr um Hilfe dankbar, das übersteigt meine elektronik vorstellung ;)





und jetzt brauch ich das ganze noch mit einem positiven triggersignal: ich experimentier mal etwas und meld mich dann wieder.



BID = 958628

Otiffany

Urgestein



Beiträge: 13779
Wohnort: 37081 Göttingen

 

  

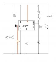
Ne555 mit positivem Triggersignal:

Gruß
Peter



BID = 958629

elko64

Schriftsteller



Beiträge: 627


Zitat :
Otiffany hat am 10 Apr 2015 12:04 geschrieben :

Ne555 mit positivem Triggersignal:

Gruß
Peter





du bist ja wirklich ein blitz!!! bau ich heute abend nach. vielen dank!

BID = 958638

der mit den kurzen Armen

Urgestein



Beiträge: 17437

Du musst nicht immer den Beitrag als Ganzes Zitieren. Es reicht auf Antworten zu klicken.
Nebenbei der PIN 4 gehört immer auf + US, es sei den er wird für seinen Zweck das Rücksetzen des 555 genutzt!

_________________
Tippfehler sind vom Umtausch ausgeschlossen.
Arbeiten an Verteilern gehören in fachkundige Hände!
Sei Dir immer bewusst, dass von Deiner Arbeit das Leben und die Gesundheit anderer abhängen!

BID = 958654

elko64

Schriftsteller



Beiträge: 627

Ah ok, Danke. hab die Antworten Funktion immer oben beim post gesucht. jetzt hab ich sie gefunde


BID = 958658

elko64

Schriftsteller



Beiträge: 627

Schaltung funktioniert so tadellos. jedoch auch nur mit 1k ohm zwischen Pin 2 und + und natürlich Pin 4 an +.




BID = 958682

der mit den kurzen Armen

Urgestein



Beiträge: 17437

in Deiner Schaltung hast du aber den R von Pin2 nach GND (Minus) eingezeichnet.

_________________
Tippfehler sind vom Umtausch ausgeschlossen.
Arbeiten an Verteilern gehören in fachkundige Hände!
Sei Dir immer bewusst, dass von Deiner Arbeit das Leben und die Gesundheit anderer abhängen!

BID = 958700

elko64

Schriftsteller



Beiträge: 627

Ja genau und das ist natürlich falsch
Müsste natürlich nach + gehen.

BID = 958865

Otiffany

Urgestein



Beiträge: 13779
Wohnort: 37081 Göttingen

Was Du gemacht hast ist völlig richtig!
Den Widerstand hatte ich vergessen; der sorgt nämlich dafür, daß der Kondensator schneller entladen wird, sonst muß man zu lange warten, bis er sich selbst entladen hat. Ich nehme für diesen Kondensator einen Wert von einigen pF. dann kann der Widerstand entfallen. Es hängt ein bischen davon ab, in welchen Zeitabständen der Triggerimpuls kommt.
Der Triggereingang sieht dann so aus wie in folgender Schaltung:

Gruß
Peter



BID = 958905

der mit den kurzen Armen

Urgestein



Beiträge: 17437


Zitat :
Otiffany hat am 13 Apr 2015 19:37 geschrieben :


Den Widerstand hatte ich vergessen; der sorgt nämlich dafür, daß der Kondensator schneller entladen wird, sonst muß man zu lange warten, bis er sich selbst entladen hat.


Da der Kondensator am Pin 2 beidseitig über die beiden R mit +US verbunden ist liegt am Pin 2 eine Spannung von > 2/3 Ub an, der Kondensator ist entladen.
Wird nun die linke Seite dieses Kondensators mit GND (über den Transistor oder einen Schalter ) verbunden lädt sich der Kondensator auf und dadurch sinkt wegen dem Ladestrom die Spannung am Pin 2. Ist der Kondensator geladen, steigt die Spannung am Pin2 wieder auf >2/3 Ub. Öffnet nun der Transistor oder Schalter kann sich der Kondensator am Pin 2 über den Linken R wieder entladen ohne das die Spannung am Pin 2 sinkt. Am Pin 2 liegt eine fallende Flanke an, unabhängig davon wie Lange der Schalter nach GND geschlossen ist. Der 555 wird dadurch nur noch über Pin 6 gesteuert. Würdest du den Kondensator am Pin 2 weglassen startet der Zyklus erst wenn der Schalter nach GND öffnet!
Edit: Hier ist die Funktion des 555 sehr gut beschrieben
Und Hier mal die Innenschaltung des 555 http://de.wikipedia.org/wiki/NE555#.....t.svg
Da sieht man deutlich das sich hinter den Eingängen (Pin2 und Pin 6 ) normale Basisanschlüsse befinden.

_________________
Tippfehler sind vom Umtausch ausgeschlossen.
Arbeiten an Verteilern gehören in fachkundige Hände!
Sei Dir immer bewusst, dass von Deiner Arbeit das Leben und die Gesundheit anderer abhängen!

[ Diese Nachricht wurde geändert von: der mit den kurzen Armen am 14 Apr 2015 11:26 ]

[ Diese Nachricht wurde geändert von: der mit den kurzen Armen am 14 Apr 2015 11:37 ]

BID = 958953

elko64

Schriftsteller



Beiträge: 627

Danke euch beiden.
Den Wikipedia Eintrag kannte ich bereits, aber die andere Seite ist mir neu.
"Der mit den kurzen Armen" du hast das die Funktion sehr gut beschrieben. Komme dem 555 nun langsam auf die Spur.

!ch werde sicher bald mit neuem Thema/ Frage hier auftauchen. Das ganze wird eben durch einen PIR- Bewegungsmelder gesteuert. aber im Moment bin ich soweit im Bild, dass ich weiter arbeiten kann

[ Diese Nachricht wurde geändert von: elko64 am 14 Apr 2015 22:04 ]


Vorherige Seite      
Gehe zu Seite ( Vorherige Seite 1 | 2 )
Zurück zur Seite 0 im Unterforum          Vorheriges Thema Nächstes Thema 


Zum Ersatzteileshop


Bezeichnungen von Produkten, Abbildungen und Logos , die in diesem Forum oder im Shop verwendet werden, sind Eigentum des entsprechenden Herstellers oder Besitzers. Diese dienen lediglich zur Identifikation!
Impressum       Datenschutz       Copyright © Baldur Brock Fernsehtechnik und Versand Ersatzteile in Heilbronn Deutschland       

gerechnet auf die letzten 30 Tage haben wir 18 Beiträge im Durchschnitt pro Tag       heute wurden bisher 3 Beiträge verfasst
© x sparkkelsputz        Besucher : 187928128   Heute : 5224    Gestern : 17227    Online : 265        25.12.2025    8:19
18 Besucher in den letzten 60 Sekunden        alle 3.33 Sekunden ein neuer Besucher ---- logout ----viewtopic ---- logout ----
xcvb ycvb
0.0427329540253