| Autor |
12V-Relais an 230V - funktioniert das so? Suche nach: relais (22565) |
Problem gelöst
|
|
|
|
BID = 355732
Enrico Gesprächig
   Beiträge: 188 Wohnort: Erzgebirge
|
|
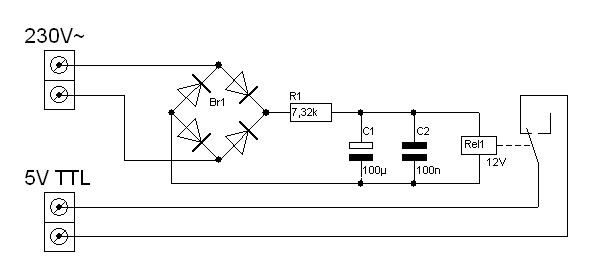
Hallo,
würde der angehängte Schaltplan so problemlos funktionieren?
Vielen Dank.
Grüße
|
|
BID = 355734
hajos118 Schreibmaschine
    
Beiträge: 2453 Wohnort: Untermaiselstein
|
|
Bein entsprechend gewählten Bauteilen, ja!
Beachte: Spannungsfestigkeit der Kondensatoren und Spulenwiderstand des Relais sowie Lastfestigkeit des Widerstandes.
[ Diese Nachricht wurde geändert von: hajos118 am 2 Aug 2006 12:50 ] |
|
BID = 355735
Woscit Stammposter
   
Beiträge: 223
|
Achte desweiteren auf die sichere Trennung im Relais, d. h. wähle eines, das zwischen der Spule und dem Ausgang die notwendige Isolation besitzt (VDE-Zeichen).
Die wesentlich elegantere Lösung wäre die Verwendung eines direkt geeigneten Relais. Warum willst Du das unbedingt so machen?
|
BID = 355744
Ltof Inventar
     
Beiträge: 9386 Wohnort: Hommingberg
|
Zitat :
Enrico hat am 2 Aug 2006 12:42 geschrieben :
|
würde der angehängte Schaltplan so problemlos funktionieren?
|
Rechne bitte mal aus, wie belastbar Dein Vorwiderstand sein muss!
Was für ein Relais willst Du verwenden? Genaue Daten, Typenbezeichnung?
Wozu ist der 100nF?
Was für Dioden verwendest Du?
Gruß,
Ltof
_________________
„Schreibe nichts der Böswilligkeit zu, was durch Dummheit hinreichend erklärbar ist.“
(Hanlon’s Razor)
|
BID = 355747
perl Ehrenmitglied
       
Beiträge: 11110,1 Wohnort: Rheinbach
|
Irgendwie erinnert mich die Schaltung an die Relais von Kontaktthermometern. Das Thermometer darf da mit nicht mehr als 30mA belastet werden. Aber mit weniger.
Die Kondensatoren kannst du wahrscheinlich weglassen.
_________________
Haftungsausschluß:
Bei obigem Beitrag handelt es sich um meine private Meinung.
Rechtsansprüche dürfen aus deren Anwendung nicht abgeleitet werden.
Besonders VDE0100; VDE0550/0551; VDE0700; VDE0711; VDE0860 beachten !
|
BID = 355774
HansG Schreibmaschine
    
Beiträge: 1848 Wohnort: Dresden
|
Zitat :
perl hat am 2 Aug 2006 13:30 geschrieben :
|
Die Kondensatoren kannst du wahrscheinlich weglassen.
|
Ein normales 12V-Relais flattert bei 100Hz
|
BID = 355869
Peda Schriftsteller
    
Beiträge: 891
|
Zitat :
|
Ein normales 12V-Relais flattert bei 100Hz |
So ???
Und wieso gibts 230V Relais direkt für Netzspannung bzw. wo verstecken die ihren Kondensator ??
_________________
Do you have Math Problems ?? Then call 0049-0800 sin(lg((10^45*tan(56))/(f(0)'->(45x^3/3x^2*3x^7)))
[ Diese Nachricht wurde geändert von: Peda am 2 Aug 2006 19:19 ]
|
BID = 355873
123abc Schreibmaschine
    
Beiträge: 2210 Wohnort: Hamburg
|
|
BID = 355933
Lötfix Schreibmaschine
    
Beiträge: 2328 Wohnort: Wien
|
Hallo!
Würde da nicht vielleicht ein Optokoppler ausreichen? Kommt drauf an, ob die 5V nur auf einen Eingang gehen oder mehr damit versorgt werden soll.
mfg lötfix
_________________
Haftungsausschluß:
Bei obigem Beitrag handelt es sich um meine private Meinung. Rechtsansprüche dürfen daraus nicht abgeleitet werden. Sicherheitsvorschriften beachten!
|
BID = 355967
Otiffany Urgestein
     
Beiträge: 13779 Wohnort: 37081 Göttingen
|
Frage an Peda:
Warum haben Schütze einen Kurzschlußring im Kern und einen Luftspalt; und warum fangen Schütze an zu brummen, wenn die Kerne soweit abgenutzt sind, daß der Luftspalt nicht mehr vorhanden ist????
Gruß
Peter
|
BID = 356032
Ltof Inventar
     
Beiträge: 9386 Wohnort: Hommingberg
|
Enrico hat eine Frage gestellt. Diese lässt sich anhand der dürftigen Angaben im Schaltplan nicht beantworten. Es ist auch noch nicht klar, ob Enrico weiß was er tut, bzw. vor hat. Sein Vorhaben birgt Risiken.
Der philosophische Diskurs über Relais dürfte für Enrico wenig hilfreich sein.
Gruß,
Ltof
_________________
„Schreibe nichts der Böswilligkeit zu, was durch Dummheit hinreichend erklärbar ist.“
(Hanlon’s Razor)
|
BID = 356064
Otiffany Urgestein
     
Beiträge: 13779 Wohnort: 37081 Göttingen
|
Nun, ich denke, daß das sehr wohl zum Thema gehört.
Und daß ander etwas lernen können und sich mit den Unterschieden beschäftigen.
Gruß
Peter
|
BID = 356076
Peda Schriftsteller
    
Beiträge: 891
|
Vielleicht weil die Spulen dann in die Sättigung gelangen ???
Lass mich raten, sie werden dann auch viel wärmer ?
_________________
Do you have Math Problems ?? Then call 0049-0800 sin(lg((10^45*tan(56))/(f(0)'->(45x^3/3x^2*3x^7)))
|
BID = 356083
perl Ehrenmitglied
       
Beiträge: 11110,1 Wohnort: Rheinbach
|
Eine Menge besserwisserischer und rechthaberischer Beiträge.
Aber keinem der Schlaumeier fällt auf, daß es besser ist den Widerstand vor den Gleichrichter zu legen.
_________________
Haftungsausschluß:
Bei obigem Beitrag handelt es sich um meine private Meinung.
Rechtsansprüche dürfen aus deren Anwendung nicht abgeleitet werden.
Besonders VDE0100; VDE0550/0551; VDE0700; VDE0711; VDE0860 beachten !
|
BID = 356119
Peda Schriftsteller
    
Beiträge: 891
|
Mir fällt es nicht auf, weil ich nicht weiß was es verbessern soll ??
Gruss Peter
_________________
Do you have Math Problems ?? Then call 0049-0800 sin(lg((10^45*tan(56))/(f(0)'->(45x^3/3x^2*3x^7)))
|