| Autor |
|
Positinserkennung (Problem Dauersignal in Impuls umwandeln) |
|
|
|
|
BID = 650782
FHChristian Gerade angekommen
Beiträge: 3 Wohnort: Rüsselsheim
|
|
Hallo liebes Elektronikfourm,
mein Komilitone und ich konzipieren aktuell für eine Lehrveranstaltung eine Projektionsapparatur und stehen vor einem Problem.
Auf einer motorisierten Scheibe sind Stifte montiert, die beim Anfahren einer Position einen Schalter/Taster betätigen. Diesr Schalter soll eine Treppenhausschaltung auslösen, die den Motor sttoppt und nach einer definierten Zeit wieder einschaltet.
Das Problem ist, das der Schalter/Taster beim anfahren gedrückt bleibt, aber die Treppenhausschaltung nur mit kurzen Impulsen funktioniert.
Gibt es eine Möglichkeit das Dauersignal des Schalters/Tasters in einen kurzen Impuls umzuwandeln?
Ich hatte zunächst an einen Schmitt Trigger gedacht, aber die sind ja auch nur für Impulse gedacht.
Kann man einen Stossstromrelais umgekehrt nutzen?
Vielen Dank im vorraus für eure Hilfe.
Beste Grüße,
Christian und Tobias die Physikstudenten ^^ |
|
BID = 650785
perl Ehrenmitglied
       
Beiträge: 11110,1 Wohnort: Rheinbach
|
|
Zitat :
| | hatte zunächst an einen Schmitt Trigger gedacht, aber die sind ja auch nur für Impulse gedacht. | Nein, ein ST verwandelt ein sich allmählich änderndes analoges Signal in ein sauber definiertes Digitalsignal und hat auch etwas Hysterese.
Du aber hast ja schon ein digitales Signal vom Schalter.
Eine Frage ist, ob du wirklich mit Netzspannung und Treppenlichtautomaten arbeiten musst, oder nicht besser z.B. 12V Gleichspannung verwendest, was ungefährlich und letztendlich wahrscheinlich auch billiger ist.
Dafür gibt dann nämlich für ein paar Cent monostabile Multivibratoren, aka Monoflops, die nur auf die steuernde Flanke reagieren und denen es egal ist, ob danach das Signal wieder auf 0 geht oder nicht.
|
|
BID = 650806
Bartholomew Inventar
     
Beiträge: 4676
|
Willkommen im Forum
Zitat :
| | Treppenhausschaltung |
Bitte genauer definieren.
Soll das eine simple Fortschalteautomatik werden? Warum macht ihr das mechanisch (Motor)?
Was ist der genaue Sinn/Zweck des Aufbaus? Das geht vermutlich alles viel einfacher.
Es sei denn, ihr wollt mit mechanischen Bauteilen die Z1 nachbauen oder so...
Zitat :
| | Kann man einen Stossstromrelais umgekehrt nutzen? |
In den Dingern ist oftmals eine Mechanik wie im Kugelschreiber drin.
Die kann man genauso wenig "umgekehrt" benutzen wie normale Relais.
Zitat :
| | Gibt es eine Möglichkeit das Dauersignal des Schalters/Tasters in einen kurzen Impuls umzuwandeln? |
Im einfachsten Fall nimmt man einen Kondensator und zwei Widerstände.
Also, her mit den Infos.
Gruß, Bartho
|
BID = 650807
123abc Schreibmaschine
    
Beiträge: 2213 Wohnort: Hamburg
|
Such doch einfach mal bei Eltako nach Einschaltwischer.
123abc
|
BID = 651003
FHChristian Gerade angekommen
Beiträge: 3 Wohnort: Rüsselsheim
|
Hi,
vielen Dank schomal für die Antworten.
Habe leider vergessen zu erwähnen, das wir bereit mits 12V Gleichspannung arbeiten. Sorry, war gestern zuviel im Kopf los *g*
Ich hab mal die Schaltung wie wir sie bisher gestaltet haben gezeichnet.
Keine Links zu Werbeschleudern - Um die Grafik passend zu verkleinern > paint verwenden! - abload
Wie beschrieben ist unser Problem das S1 bis zum Auslösen des Motors geschaltet bleibt.
Zum Hintergrund, wir bauen eine Projektionsapparatur für die Projektion von Digitalen Hologrammen, die ähnlich wie Dias auf einem Kreis durchgwechselt werden.
Bisher habe ich keine Multistabilen Monoflops gefunden die unser Problem am Schalter S1 lösen.
|
BID = 651007
Ltof Inventar
     
Beiträge: 9386 Wohnort: Hommingberg
|
Könnt ihr eine zweite Ebene Stifte einsetzen, die einen weiteren Taster für den Treppenlicht-Schalter betätigen? Leicht versetzt zu dem Motor-Schalter.
edit:
Man braucht eigentlich nur einen zweiten Taster, der kurz vor dem Motortaster von den Stiften betätigt wird. Ist der Motor gestoppt, wurde der zusätzliche Taster schon wieder losgelassen.
_________________
„Schreibe nichts der Böswilligkeit zu, was durch Dummheit hinreichend erklärbar ist.“
(Hanlon’s Razor)
[ Diese Nachricht wurde geändert von: Ltof am 27 Nov 2009 15:04 ]
|
BID = 651031
Bartholomew Inventar
     
Beiträge: 4676
|
Tada.
Seit wann sind Hologramme eigentlich digital?
Gruß, Bartho
|
BID = 651041
FHChristian Gerade angekommen
Beiträge: 3 Wohnort: Rüsselsheim
|
Danke lTof,
hab gerade mit dem Gedanken des 2ten Schalters rumgespielt.
Keine Links zu Werbeschleudern - Um die Grafik passend zu verkleinern > paint verwenden! - abload
In Ruhe ist Schalter 1 geöffnet und Schalter 2 geschlossen.
Zunächst wird Schalter 1 angefahren und geschlossen, das Relais öffnet sich. Motor läuft aber weiter weil S2 geschlossen ist.
Dann wird Schalter 2 betätigt und öffnet sich, der Motor kommt zum stehen.
Nach einer definierten Zeit schließt sich das Relais wieder und Motor läuft wieder an.
Klappt das so?
Und danke Bartholomew für die Antwort.
Hier ein Wiki Link wie die digitalen Hologramme funktionieren.
Praktisch wird eine geätze Glasplatte mit Laserlicht bestrahlt und hintendran wird auf eine Projektionsfläche ein Beugungsbild projeziert.
Digitale Holographie
Ich kann die Ergänzung in deiner Schaltung gerade nicht nachvollziehen, wärst du bitte so nett  mir das in Worten zu erklären?
Ich glaub mein Kopp is durch zuviel Kaffee ausgelaugt *g*
Wie immer danke für die Hilfe.
|
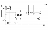
BID = 651081
Bartholomew Inventar
     
Beiträge: 4676
|
Danke für den Link.
Erklärbärmodus an:
Wenn der Schalter offen ist, wird der neue Kondensator (ich nenne ihn mal C0, so 10nF) über den neuen Widerstand (R0, so 10-100kΩ wie R1) entladen.
Wird der Schalter S1 geschlossen, lädt sich C0 über R1 auf +12V auf. Am Anfang des Ladevorganges liegt das Potential an Pin2 des 555 kurz auf GND, der leere Kondensator wirkt fast wie ein Kurzschluss. Wenn C0 aufgeladen und der Schalter weiterhin geschlossen ist, lässt er trotzdem keinen Gleichstrom mehr durch. Das Potential an Pin2 liegt dann wieder auf +12V.
Wird S1 geöffnet, entlädt sich C0 über R0 und R1, ohne dass Pin2 erneut auf GND gezogen wird.
Gruß, Bartho
|