FET verkehrt herum betreiben

Im Unterforum Grundlagen - Beschreibung: Grundlagen und Fragen für Einsteiger in der Elektronik

Elektronik Forum Nicht eingeloggt       Einloggen       Registrieren




[Registrieren]      --     [FAQ]      --     [ Einen Link auf Ihrer Homepage zum Forum]      --     [ Themen kostenlos per RSS in ihre Homepage einbauen]      --     [Einloggen]

Suchen


Serverzeit: 25 12 2025  09:41:46      TV   VCR Aufnahme   TFT   CRT-Monitor   Netzteile   LED-FAQ   Oszilloskop-Schirmbilder            


Elektronik- und Elektroforum Forum Index   >>   Grundlagen        Grundlagen : Grundlagen und Fragen für Einsteiger in der Elektronik


Autor
FET verkehrt herum betreiben

    







BID = 632426

Beckenrandschwimmer

Schreibmaschine



Beiträge: 1923
Wohnort: Altrip
 

  


Hallo,

ich bin gerade etwas am Stutzen. Kann man FET's verkehrt herum betreiben? (Strommäßig)
Zum konkreten Problem:
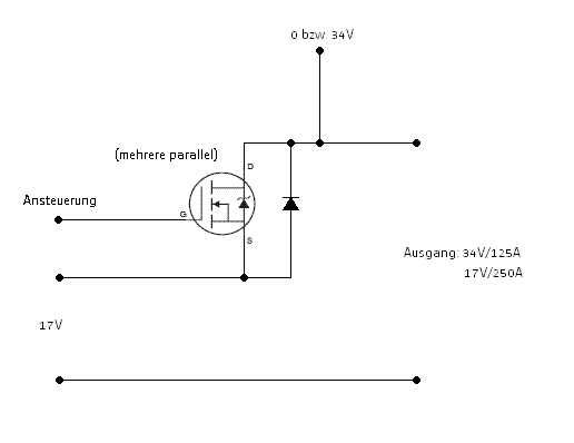
In der angehängten Schaltung (vereinfacht) habe ich das Problem einmal verdeutlicht.




Ich habe 1x17V mit ca. 250A und 1x 34V mit ca. 125A zur Verfügung.
Jetzt möchte ich, wenn die 34V nicht verfügbar sind, die 17V am Ausgang haben.
Da der Spannungsabfall jedoch zu hoch ist (0,5V @250A --> 125 Watt) wollte ich FET's parallel zur Diode schalten. Jedoch geht das nur, wenn ich den FET falsch herum einbaue. (da ansonsten die Body-Diode die 34V in die 17V speißt)
Relais fallen aus, da ich ein Relai bräuchte, dass 125A schafft und über 2 Umschalter verfügt( in der originalen Schaltung werden die 34V aus Reihenschaltung und die 250A aus der Parallelschaltung der zwei 17V Spannungen gewonnen).
Kann man den FET Strommäßig "falsch herum" betreiben?
Wenn ja, gilt der angegebene Rdson für beide Stromrichtungen? FET: IRL1404/3,5m Ohm

Viele Grüße

Becky

[ Diese Nachricht wurde geändert von: Beckenrandschwimmer am  7 Sep 2009 10:53 ]

BID = 632430

perl

Ehrenmitglied



Beiträge: 11110,1
Wohnort: Rheinbach

 

  


Zitat :
Kann man den FET Strommäßig "falsch herum" betreiben?
...Wenn ja, gilt der angegebene Rdson für beide Stromrichtungen?
Ja und ja.
Auf die externe Diode kannst du verzichten, denn deren Funktion übernimmt ja schon die Substratdiode des FET, und während der meisten Zeit sperrt sie entweder (34V) oder sie ist durch den FET kurzgeschlossen (17V).

BID = 632435

Beckenrandschwimmer

Schreibmaschine



Beiträge: 1923
Wohnort: Altrip

Super, vielen Dank
Die Diode parallel zum FET hatte ich auch nur zur Verdeutlichung meiner Herangehensweise eingezeichnet.

BID = 632447

perl

Ehrenmitglied



Beiträge: 11110,1
Wohnort: Rheinbach

Wenn der MOSFET leiten soll, musst du ihn aber stets mit positiver Gatepannung ansteuern, egal wie herum der Strom fliesst. Ich hoffe, dass das klar ist.
Du wirst bei 17V Betrieb also einen Spannungswandler, Ladungspumpe o.ä. benötigen um das Gate mit 22V oder mehr ansteuern zu können.

BID = 632476

Beckenrandschwimmer

Schreibmaschine



Beiträge: 1923
Wohnort: Altrip

Das ist mir bekannt. Das ganze soll ja ein ähnliches Netzteil werden, wie das schon zu 100% funktionierende 16V/60A Labor-Netzteil. Schon in diesem habe ich etliche kleine Hilfsspannungen benötigt. (Schaltplan unter "Projekte im Selbstbau") Ich hatte vor einiger Zeit einmal ca. 20 Stück 2,5VA 2x14V Netzteile für 1€ geschossen. Diese sind dafür ideal!
Um den min. Rdson zu bekommen, werde ich 15V G-S Spannung zu Verfügung stellen.
Trotzdem danke für den Tipp.

BID = 634151

cvdiwt15f

gesperrt
ICQ Status  


Offtopic :
um FETT umgedreht zu betreiben muss man die Pfanne/Fritteuse umdrehen

BID = 634175

Mr.Ed

Moderator



Beiträge: 36326
Wohnort: Recklinghausen


Offtopic :
...und wenn man keine Ahnung hat muß man nicht überall seinen Senf dazugeben!


_________________
-=MR.ED=-

Anfragen bitte ins Forum, nicht per PM, Mail ICQ o.ä. So haben alle was davon und alle können helfen. Entsprechende Anfragen werden ignoriert.
Für Schäden und Folgeschäden an Geräten und/oder Personen übernehme ich keine Haftung.
Die Sicherheits- sowie die VDE Vorschriften sind zu beachten, im Zweifelsfalle grundsätzlich einen Fachmann fragen bzw. die Arbeiten von einer Fachfirma ausführen lassen.

BID = 634178

DonComi

Inventar



Beiträge: 8604
Wohnort: Amerika


Offtopic :
womit wir einen zweiten Enicki hätten... Wobei, hätte sich jemand verschrieben (FETT anstatt FET) wäre der Beitrag lustig.


_________________

BID = 639909

cvdiwt15f

gesperrt
ICQ Status  


Offtopic :
ich hatte FETT gelesen .. *ZU OPTIKER GEH*


Zurück zur Seite 1 im Unterforum          Vorheriges Thema Nächstes Thema 


Zum Ersatzteileshop


Bezeichnungen von Produkten, Abbildungen und Logos , die in diesem Forum oder im Shop verwendet werden, sind Eigentum des entsprechenden Herstellers oder Besitzers. Diese dienen lediglich zur Identifikation!
Impressum       Datenschutz       Copyright © Baldur Brock Fernsehtechnik und Versand Ersatzteile in Heilbronn Deutschland       

gerechnet auf die letzten 30 Tage haben wir 18 Beiträge im Durchschnitt pro Tag       heute wurden bisher 4 Beiträge verfasst
© x sparkkelsputz        Besucher : 187929691   Heute : 6788    Gestern : 17227    Online : 533        25.12.2025    9:41
11 Besucher in den letzten 60 Sekunden        alle 5.45 Sekunden ein neuer Besucher ---- logout ----viewtopic ---- logout ----
xcvb ycvb
0.0853400230408