Ist das in Ordnung?

Im Unterforum Elektroinstallation - Beschreibung: Alles über Installation
Achtung immer VDE beachten !!

Elektronik Forum Nicht eingeloggt       Einloggen       Registrieren




[Registrieren]      --     [FAQ]      --     [ Einen Link auf Ihrer Homepage zum Forum]      --     [ Themen kostenlos per RSS in ihre Homepage einbauen]      --     [Einloggen]

Suchen


Serverzeit: 18 1 2026  20:03:10      TV   VCR Aufnahme   TFT   CRT-Monitor   Netzteile   LED-FAQ   Oszilloskop-Schirmbilder            


Elektronik- und Elektroforum Forum Index   >>   Elektroinstallation        Elektroinstallation : Alles über Installation
Achtung immer VDE beachten !!

Gehe zu Seite ( 1 | 2 Nächste Seite )      


Autor
Ist das in Ordnung?

    







BID = 603963

DMfaF

Inventar



Beiträge: 6664
Wohnort: 26817 Rhauderfehn
 

  


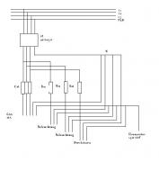
Moin Kollegen!

Habe gestern so eine Verdrahtung vorgefunden. Jetzt meine Frage:

Ist das überhaupt in Ordnung und zulässig?

Zuleitung 4x6mm² auf 60m Länge

Entschuldigt meine Zeichnung. Habe zum erstenmal mit Paint gearbeitet!<font color="#FF0000"><br><br>Das Dateiformat *.bmp ist nicht erlaubt ! Denken Sie bitte an den Traffic ! Deswegen nicht hochgeladen<br></font>




[ Diese Nachricht wurde geändert von: DMfaF am 25 Apr 2009  8:35 ]

BID = 603969

sam2

Urgestein



Beiträge: 35321
Wohnort: Franken (bairisch besetzte Zone)

 

  

Die Schematik der Zeichnung verstehe ich, das ist im Prinzip so zulässig. Es stellt ein lokales TT-System dar, das von einen TN gespeist wird.
Dafür kann es gute Gründe geben (hier z.B. den für ein TN unzureichenden Querschnitt bzw. die zu geringe Aderzahl der Zuleitung, aber auch Fragen wie die Vermeidung von Störungen auf dem PE).

Doch die Beschriftung am FI kann ich nicht entziffern (sieht bei mir nach "10A/0,01A" aus, was ja wohl nicht sein kann).
Außerdem stellt sich die Frage, wie hoch die Zuleitung am Speisepunkt abgesichert ist.
Sind auch irgendwelche Steckdosen daran angeschlossen?

_________________
"Das Gerät habe ich vor soundsoviel Jahren bei Ihnen gekauft! Immer ist es gegangen, immer. Aber seit gestern früh geht es plötzlich nicht mehr. Sagen Sie mal, DA STIMMT DOCH WAS NICHT???"

BID = 603997

Trumbaschl

Inventar



Beiträge: 7662
Wohnort: Wien

Für mich heißt die erste Zahl eindeutig 40, das könnte je nach Absicherung der Zuleitung passen. Die zweite sieht nach 0,01 aus, könnte aber auch ein extrem schmalgedrücktes 0,03 sein.

_________________
"Und dann kommen's zu ana Tür da steht oben "Eintritt verboten!" und da miaßn's eine!"

BID = 603999

DMfaF

Inventar



Beiträge: 6664
Wohnort: 26817 Rhauderfehn

Danke Kollegen!

Der FI ist ein 40/0,03A, die Vorsicherung eine 50A. Die Steckdosen sind 2x 3-fach AP, Feuchtraum.

Gruß
Bernd

BID = 604003

sam2

Urgestein



Beiträge: 35321
Wohnort: Franken (bairisch besetzte Zone)

Nach nochmaliger Ansicht der Skizze nehme ich die Steckdosenfrage zurück (steht ja schon unten dran... ).
Bei der FI-Beschriftung bleibts jedoch bei Mausedreck (hab hier aber auch nur einen alten 15-Zoll-LCD).

40/0,03 ist aber völlig in Ordnung. Und den Überlastschutz leisten die nachgeschalteten LS.

Bleibt nur noch, den Erdungswiderstand zu ermitteln (oder eben einfach die Wirksamkeit der Schutzmaßnahme zu prüfen), dann kann man das soweit absegenen.

Nachtrag:
Nicht nachgerechnet habe ich den Spannungsfall (geht im Detail ja auch nicht, da Längen/Querschnitte der Endstromkreisleitungen genausowenig bekannt wie die ggf. schon vorher verbratenen Anteile). Aber selbst bei moderater Überschreitung wäre der ja unkritisch.

Noch was:
Welche Bedenken hattest Du denn?
Vielleicht einfach kein lokales TT gewöhnt?

[ Diese Nachricht wurde geändert von: sam2 am 25 Apr 2009 12:30 ]

BID = 604011

DMfaF

Inventar



Beiträge: 6664
Wohnort: 26817 Rhauderfehn

Genau Sam! War für mich ein ungewohntes Bild. Nach Beendigung der Arbeiten werde ich natürlich alles mit Metrawatt durchchecken.

An der neu zu erstellenden UV kommen 221V an.

Gruß
Bernd

BID = 604019

der mit den kurzen Armen

Urgestein



Beiträge: 17437

Hallo DMaF das sind 3,9 % Spannungsfall noch im erträglichen Bereich
Gruß Bernd

_________________
Tippfehler sind vom Umtausch ausgeschlossen.
Arbeiten an Verteilern gehören in fachkundige Hände!
Sei Dir immer bewusst, dass von Deiner Arbeit das Leben und die Gesundheit anderer abhängen!

BID = 604032

sam2

Urgestein



Beiträge: 35321
Wohnort: Franken (bairisch besetzte Zone)

Umpf,
da hat der Kurzarmige schon das Prinzip nicht verstanden...

Der Spannungsfall (unter Nennlast, im Vergleich zum Leerlauf) hat NICHTS mit der Frage zu tun, welcher absolute Spannungswert anliegt und wie sich dieser zur Nennspannung verhält!

Ohne Last liegen nämlich am Anfang der langen Leitung exakt dieselben 221V an.

BID = 604050

der mit den kurzen Armen

Urgestein



Beiträge: 17437


Zitat :
DMfaF hat am 25 Apr 2009 12:44 geschrieben :


An der neu zu erstellenden UV kommen 221V an.

Gruß
Bernd


Hallo sam2

Hallo Sam ich glaub da liegt ein Missverständniss vor .
Du gehst bei den 221 V von der Leerlaufspannung aus. Ich bin von der Spannung unter Last ausgegangen und da sind es bei 230V Leerlauf und unter Last bei 221V nun mal 3,9 % .
Gruß Bernd

BID = 604054

sam2

Urgestein



Beiträge: 35321
Wohnort: Franken (bairisch besetzte Zone)

Na, das ist jetzt aber ne schwache Erklärung (Ausrede wollte ich nicht schreiben)...

Schon die Leerlaufspannung ist ja nicht gegeben. Die kann normgemaß zwischen 207V und 253V liegen. Man darf dafür also niemals einfach die Nennspannung ansetzen!
Und von einem Wert unter Bemessungslast war auch keine Rede.

BID = 604134

shark1

Inventar



Beiträge: 4878
Wohnort: DACH

Ich kenne eine Anlage mit 50m 5x2,5 mit 16A und da gibt es auch bei der Belastung mit einem straken Schweißgerät keine nennenswerten Problme.
Was soll denn an der Leitung betrieben werden?


Ansonsten hätte ich auch wenig bedenken, nur der Kurzschlussschutz am ende der Leitung durch die 50A Sicherung sollest du nochmals überprüfen.


[ Diese Nachricht wurde geändert von: shark1 am 25 Apr 2009 18:32 ]

BID = 604145

DMfaF

Inventar



Beiträge: 6664
Wohnort: 26817 Rhauderfehn

Die CEE Steckdose ist nur für ein tragbares Schweißgerät vorgesehen. Die alten 50A Schraubkopfsicherungen habe ich raus geschmissen und gegen Neozed getauscht. Anlage ist über 45 Jahre alt gewesen.

Gruß
Bernd

BID = 604151

sam2

Urgestein



Beiträge: 35321
Wohnort: Franken (bairisch besetzte Zone)

30mA-FI von 1964???
Den muß ich haben!!!

BID = 604153

der mit den kurzen Armen

Urgestein



Beiträge: 17437

Das war Klar @Sam2

BID = 604176

DMfaF

Inventar



Beiträge: 6664
Wohnort: 26817 Rhauderfehn

Sam, damit kann ich Dir nicht helfen. Der ist von 2009!


      Nächste Seite
Gehe zu Seite ( 1 | 2 Nächste Seite )
Zurück zur Seite 1 im Unterforum          Vorheriges Thema Nächstes Thema 


Zum Ersatzteileshop


Bezeichnungen von Produkten, Abbildungen und Logos , die in diesem Forum oder im Shop verwendet werden, sind Eigentum des entsprechenden Herstellers oder Besitzers. Diese dienen lediglich zur Identifikation!
Impressum       Datenschutz       Copyright © Baldur Brock Fernsehtechnik und Versand Ersatzteile in Heilbronn Deutschland       

gerechnet auf die letzten 30 Tage haben wir 18 Beiträge im Durchschnitt pro Tag       heute wurden bisher 7 Beiträge verfasst
© x sparkkelsputz        Besucher : 188358667   Heute : 21180    Gestern : 18101    Online : 235        18.1.2026    20:03
34 Besucher in den letzten 60 Sekunden        alle 1.76 Sekunden ein neuer Besucher ---- logout ----viewtopic ---- logout ----
xcvb ycvb
0.0968298912048