Hallo Tommi,
ok, habe ich.
Aber auch dann leutet immer noch die LED über der Starttaste.
Ich habe mich nur an die Angaben der bisherigen Besitzerin gehalten (Schwiegermutter), nach der man früher die Maschine nach Programmende über die Starttaste komplett ausschalten konnte.
Zitat: "Irgendwann funktionierte das dann nicht mehr."
Kann man denn den Trockner niemals ganz ausschalten?
Muss denn immer die LED leuchten?
Falls das so ist, wäre ja alles in Ordnung und ich müsste nur die Steckdose schaltbar machen.

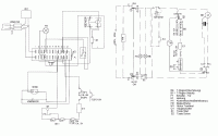
Falls man da aber etwas messtechnisch überprüfen muss, habe ich dazu einmal 2 Schaltpläne und eine Ablauf für Siemens-Prüfprogramme mit eingestellt, damit man mir erklären kann, wo ich ggf. zu messen habe.
Mit freundlichem Gruß
Georgius