Modellbahn mit PC

Im Unterforum Projekte im Selbstbau - Beschreibung: Selbstbau von Elektronik und Elektro

Elektronik Forum Nicht eingeloggt       Einloggen       Registrieren




[Registrieren]      --     [FAQ]      --     [ Einen Link auf Ihrer Homepage zum Forum]      --     [ Themen kostenlos per RSS in ihre Homepage einbauen]      --     [Einloggen]

Suchen


Serverzeit: 22 12 2025  10:01:40      TV   VCR Aufnahme   TFT   CRT-Monitor   Netzteile   LED-FAQ   Oszilloskop-Schirmbilder            


Elektronik- und Elektroforum Forum Index   >>   Projekte im Selbstbau        Projekte im Selbstbau : Selbstbau von Elektronik und Elektro


Autor
Modellbahn mit PC
Suche nach: modellbahn (143)

    







BID = 540233

a-z

Gesprächig



Beiträge: 116
Wohnort: Wien
 

  


Hallo!

Kann mir mal jemand bitte weiterhelfen:
Ich möchte (für meinen Sohn) eine Modellbahn mit dem PC steuern.
Soll ganz einfach sein - dh ich will nur Spannung erhöhen/ senken ev umpolen damit Zug rückwärt fährt. Bereich 0-18V 500mA.
Jetzt weiss ich schon nicht mehr weiter. Ich kann ja vom Pararlell Port Signale abnehmen - aber wie mach ich draus div Spannung???
PS Netzteil mit DC 19V habe ich schon.
Klar mit einer Analog - Digital Karte gehts (beim Laptop wird es schwer) -gibt es was einfacheres??
Im Netz finde ich auch nix gescheites (Ausser super Anwendungen, die teuer sind und viel Aufwand bedeuten..). Möchte eher mit dem Sohn was selber bauen.. (da ist die Bindung gleich ganz anders.. )

wer hat Ideen?? (wenn nur irgendwie geht ohne PIC /Atmel usw!!! bitte)

Danke

BID = 540246

Midnight

Stammposter



Beiträge: 256

 

  

Einen genauen Schaltplan hab ich zwar jetzt nicht im Kopf. Aber ich würde mir nicht die Mühe machen aus den 8bit des Parallel-Ports eine analoge Spannung zu machen (Stichwort D/A Wandler), sondern ich würde digital bleiben. D.h. Du generierst aus den 8bit eine abhängige PWM zur Geschwindigkeitsreglung. Damit bleiben auch die Verluste in Grenzen, die sonst in Wärme umgesetzt werden müßten. Damit wird dann halt einfach die 19V Spannung des vorhandenen Netzgerätes über einen Transistor/MosFET geschaltet.
Zusätzlich wird dann mit einem Relais ein Umpolschalter realisiert, das über einen weiteren Pin des LPT gesteuert wird (LF z.B.).
Nur fällt mir leider grad kein fertiger Baustein ein, der aus 8-bit eine entsprechende PWM macht. Wird es aber besimmt geben.

Gruß

Simon

BID = 540274

FELIXIAUDIO

Gerade angekommen


Beiträge: 1

Ich würde es mit Relais probieren.

Auf Conrad gibts so Relaisplatten die man an den PC anschliessen kann.
Die Relais werden dann über eine Sofware gesteuert. (kostet nicht so viel und man kann die Relaisplatte selber zusammen Löten)

mfg Felixiaudio

BID = 540326

hajos118

Schreibmaschine



Beiträge: 2453
Wohnort: Untermaiselstein


Zitat :
FELIXIAUDIO hat am  8 Aug 2008 11:25 geschrieben :

Ich würde es mit Relais probieren.

Auf Conrad gibts so Relaisplatten die man an den PC anschliessen kann.
Die Relais werden dann über eine Sofware gesteuert. (kostet nicht so viel und man kann die Relaisplatte selber zusammen Löten)

mfg Felixiaudio

Relais dürfte als PWM - leistungsglied ziemlich schnell die Flügel strecken ...
Zum umpolen sollte es aber gehen.

Die PWM kannst du nach folgendem Muster aufbauen:
1 * 8 Bit Zähler, der mit relativ hoher Frequenz (einige zig kHz) ständig durchzählt.
Die Ausgänge des Zählers auf die Q-Eingänge eines '688, die Ausgänge des PC-LPT auf die P-Eingänge des '688. Der Ausgang P>Q gibt immer dann ein positives TTL - Signal aus, wenn der Zählerstand noch unterhalb dem Zählerwert am LPT Ausgang liegt => 256 Stufen. Diesen Ausgang (P>Q) nur noch auf einen geeigneten Transistor (o.ä.) leiten und damit die 18V Fahrspannung auf die Gleise geben.
(Sorry, bin gerade in der Arbeit, also leider kein ausführlicher Schaltplan - alles nur schnell aus'm Kopf zusammengesponnen).

Mit diesen Anregungen solltest Du eigentlich weiterkommen.

Viel Spass dabei!
Hajo


_________________
Interpunktion und Orthographie dieses Beitrags sind frei erfunden.
Eine Übereinstimmung mit aktuellen oder ehemaligen Regeln wäre rein zufällig und ist nicht beabsichtigt.
Wer einen Fehler findet, darf ihn behalten!

BID = 540339

Kleinspannung

Urgestein



Beiträge: 13386
Wohnort: Tal der Ahnungslosen

Wenn du deine Modellbahn analog fährst,wirst nie ne gescheite PC-Steuerung hinbekommen.Schon weil die Rückmeldung fehlt,ob das was du einstellst auch da angekommen ist.Wenn man sowas vor hat,ist das einzig sinnvolle umstellen auf Digitalbetrieb.(Und dann Train-Controll o.ä.)
Wenn du schon mit Sohnemann basteln willst,warum bauste dann nicht lieber einen PWM-gesteuerten Fahrregler mit LAstregelung und Rangiergang?
Garantiert langen bastel und probier/Einstellungsspaß und ist eine sinnvolle Erweiterung zum einfachen "Regeltrafo".

_________________
Manche Männer bemühen sich lebenslang, das Wesen einer Frau zu verstehen. Andere befassen sich mit weniger schwierigen Dingen z.B. der Relativitätstheorie.
(Albert Einstein)

BID = 541096

a-z

Gesprächig



Beiträge: 116
Wohnort: Wien

Danke mal an ALLE!

Ja eigentlich wollte ich "nur" was kleines, schnell für die letzten Ferienwochen. Es sollte einfach eine "Spielerei" werden.Eine Digitalsteuerung ist /wäre besser.. (Vielleicht später ..)
Auch wollte ich mal zeigen wie man etwas über PC Steuern kann.
Hat vielleicht doch jemand eine Idee, die sich schnell verwirklichen lässt? (Es geht auch um das Bauen an sich.. - einfach aus Spass).

Danke
a-z


BID = 541097

Ltof

Inventar



Beiträge: 9386
Wohnort: Hommingberg

http://www.amazon.de/O-Projekte-f%C.....m_b_1

http://www.amazon.de/MSR-Messen-Steuern-Regeln-mit/dp/3895761346

http://www.amazon.de/PC-Schnittstel.....60862

Und so weiter...

_________________
„Schreibe nichts der Böswilligkeit zu, was durch Dummheit hinreichend erklärbar ist.“
(Hanlon’s Razor)

BID = 541100

Her Masters Voice

Inventar


Avatar auf
fremdem Server !
Hochladen oder
per Mail an Admin

Beiträge: 5312
Wohnort: irgendwo südlich von Berlin

Der Vorschlag mit ner Relaiskarte am LPT war doch garnicht so verkehrt. Ich hab sowas mal in einem Schülerprojekt gesehen, wo auch eine Modellbahn möglichst einfach per PC gesteuert werden sollte. Lösung war recht einfach und kam auch ohne PWM aus. Im Datenblatt vom LM317 gibts auch ne Schaltung um digital zwischen mehreren Spannungen umschalten zu können. Das haben die Schüler einfach benutzt und mit einigen Kanälen der Relaiskarte angesteuert. Ein Kanal diente zur Umpolung. Hat ganz gut funktioniert und war dank vorhandener Relaiskarte schnell aufgebaut.

_________________
Tschüüüüüüüs

Her Masters Voice
aka
Frank

***********************************
Der optimale Arbeitspunkt stellt sich bei minimaler Rauchentwicklung ein...
***********************************

BID = 541102

PhyMaLehrer

Schriftsteller



Beiträge: 911
Wohnort: Leipzig


Zitat :

Es geht auch um das Bauen an sich.. - einfach aus Spass

Das verstehe ich, und deshalb steht bei meinem Vorschlag auch die Einfachheit im Vordergrund. Da darf es also nicht stören, wenn beim Anfahren und Bremsen die Relais klappern...
Vielleicht ist es wirklich am einfachsten, einen Bausatz für eine Relaisplatte, die über die parallele Schnittstelle betrieben wird, zu benutzen. Falls du nicht selbst programmieren kannst, wäre es nämlich gut, wenn die nötige Software dabei wäre, mit der die Relais geschaltet werden.

Nun zu meinem Vorschlag, der erst mal nur prinzipiell ist; über die genauen Werte der Bauteile müßte man noch nachdenken.
Eigentlich ist es eine Schaltung wie in längsgeregelten Netzteilen.
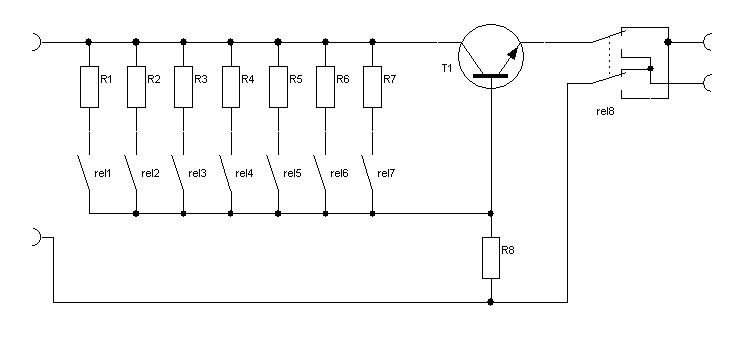
An den beiden linken Buchsen wird die (maximale) Lok-Fahrspannung angeschlossen (Pluspol oben). Die beiden Buchsen rechts gehen zum Gleis.
Das Relais 8 muß zwei Umschaltkontakte haben und dient der Umpolung der Spannung (vorwärts/rückwärts).
Sind alle Relais 1...7 abgefallen und ihre Kontakte offen, liegt auch am Ausgang keine Spannung an. Nun wird Relais 1 eingeschaltet. R1 bildet mit R8 einen Spannungsteiler und die Spannung an R8 (vermnindert um die Basis-Emitter-Spannung des Leistungstransistors) erscheint am Ausgang. Die Widerstände müssen so bemessen werden, daß man die gewünschte Spannung erhält.
Wird jetzt zusätzlich Relais 2 geschaltet, wird R2 zu R1 parallel geschaltet. Der Gesamtwiderstand der Parallelschaltung wird geringer als R1, womit die Spannung an R8 und damit am Ausgang steigt.
Nacheinander werden alle Realais 1...7 geschaltet, wodurch am Schluß R1...R7 parallel geschaltet sind und die Ausgangsspannung ihr Maximum erreicht.
Die Einschränkung dieser einfachen Schaltung ist allerdings, daß sie nur 7 Geschwindigkeitsstufen hat. Aber wenn es reicht...?
Für die Widerstände R1 bis R7 kann man gut Einstellwiderstände benutzen, so daß die Geschwindigkeitsstufen leicht den Bedürfnissen anpaßbar sind. Man muß dann nur überlegen, in welchem Bereich die Widerstände liegen müssen.

Wenn das jetzt zu einfach ist, dann vergiß es halt...

(Ich sehe gerade, Her Masters Voice hatte auch diese Idee, nur hat bei mir das Zeichnen und Schreiben ein bißchen länger gedauert.)




[ Diese Nachricht wurde geändert von: PhyMaLehrer am 12 Aug 2008  8:37 ]

BID = 541288

a-z

Gesprächig



Beiträge: 116
Wohnort: Wien

Besten Dank!
Die Richtung ist da - jetzt werde ich mal schauen was sich so machen lässt !

grüsse a-z

BID = 543017

Voodoo24

Gerade angekommen


Beiträge: 8
Wohnort: Tutllingen

hier mal ne einfache digital railrunner schaltung

BID = 543464

Voodoo24

Gerade angekommen


Beiträge: 8
Wohnort: Tutllingen

und hier noch n passender lock-decoder


PDF anzeigen



Zurück zur Seite 1 im Unterforum          Vorheriges Thema Nächstes Thema 


Zum Ersatzteileshop


Bezeichnungen von Produkten, Abbildungen und Logos , die in diesem Forum oder im Shop verwendet werden, sind Eigentum des entsprechenden Herstellers oder Besitzers. Diese dienen lediglich zur Identifikation!
Impressum       Datenschutz       Copyright © Baldur Brock Fernsehtechnik und Versand Ersatzteile in Heilbronn Deutschland       

gerechnet auf die letzten 30 Tage haben wir 18 Beiträge im Durchschnitt pro Tag       heute wurden bisher 4 Beiträge verfasst
© x sparkkelsputz        Besucher : 187877251   Heute : 9574    Gestern : 15438    Online : 256        22.12.2025    10:01
9 Besucher in den letzten 60 Sekunden        alle 6.67 Sekunden ein neuer Besucher ---- logout ----viewtopic ---- logout ----
xcvb ycvb
0.0602960586548