| Autor |
|
Wer kann PIC-Schaltung anpassen und aufbauen? |
|
|
|
|
BID = 540062
buzzo Neu hier

Beiträge: 39
|
|
Hi,
wer von euch kann eine kleine Schaltung auf PIC-Basis hardwaremaessig etwas erweitern und evtl. auch die Software anpassen?
Mir waere damit sehr geholfen und es soll natuerlich auch nicht unentgeltlich sein.
Funktionsbeschreibung:
Es gibt bereits eine passende Schaltung (PCB samt Software), die die Anforderungen bereits fast erfuellt.
Der Autor hat die Schaltung als Start- und Shutdowncontroller fuer einen PC im Auto entworfen.
Ich braeuchte im Grunde die selbe Schaltung - mit einer kleinen Modifikation. Die Aktionen sollen wie folgt laufen:
* Wenn die Zuendung eingeschaltet wird, wird die Spannungsversorgung des Verbrauchers (PC) ueber RELAY eingeschaltet.
* Nach einer einstellbaren Zeit nach Zuendungsein (ca. 10 Sek.) soll der Taster CONN3 betaetigt werden.
* Nach einer einstellbaren Zeit nach Zuendungsein (ca. 30 Sek.) soll der Taster CONN2 betaetigt werden.
* Normaler Betrieb des Verbrauchers
* Bei Ausschalten der Zuendung, soll nach einer einstellbaren Zeit (ca. 10 Sekunden) der Taster CONN2 betaetigt werden.
* Nach einer einstellbaren Zeit (ca. 45 Sekunden) nach Ausschalten der Zuendung, soll RELAY wieder abfallen und so die Stromversorung des Verbrauchers wieder abstellen.
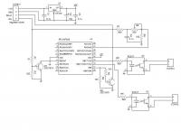
Bis auf die Funktion fuer CONN3, erfuellt das originale Programm u. Schaltschema die Anforderungen. Die benoetigte Hardwareerweiterung habe ich mal in ein geaendertes Schaltschema eingezeichnet und gehe davon aus, dass der Port 13 des PIC in der selben Weise wie der Port 12 verwendet werden kann.
Neben der Hardwareanpassung muesste die Software noch veraendert werden. Der Sourcecode liegt in Assembler ebenfalls vor.
Von der Zeit her besteht kein grosser Druck und daher hoffe ich, dass sich jemand kompetentes dafuer findet.
Anbei das Originalprojekt und das von mir abgeaenderte Schaltschema.
Viele Gruesse,
buzzo |
|
BID = 540081
Racingsascha Schreibmaschine
    
Beiträge: 2247 Wohnort: Gundelsheim
|
|
Zitat :
| Der Sourcecode liegt in Assembler ebenfalls vor.
| Ich finde zwar eine "powseq.hex", das ist aber Maschinencode. Man kann ihn zwar reassemblieren, aber der dadurch erzeugte Quelltext ist nicht grade leicht verständlich. Auch die Hardware ist etwas komisch. Was soll zb. die Mimik an RA0 (Pin 17)?
_________________
Fnord ist die Quelle aller Nullbits in deinem Computer.
Fnord ist die Angst, die Erleichterung, und ist die Angst.
Fnord schläft nie.
[ Diese Nachricht wurde geändert von: Racingsascha am 7 Aug 2008 17:09 ] |
|
BID = 540086
buzzo Neu hier

Beiträge: 39
|
Oh sorry,
ich dachte der Source waere in dem Archiv mit drin.
Ich hab ihn hier nochmal angehaengt.
Und hier noch der Link zur Homepage, auf der sich sicher einige Fragen klaeren: Homepage zum Projekt
[ Diese Nachricht wurde geändert von: buzzo am 7 Aug 2008 17:27 ]
|
BID = 541105
herrma Neu hier

Beiträge: 30 Wohnort: Fürstenau
|
Zitat :
|
Neben der Hardwareanpassung muesste die Software noch veraendert werden. Der Sourcecode liegt in Assembler ebenfalls vor.
|
Die Aufgabe ansich ist trivial. Es wäre aber einfacher ein neues Programm zu schreiben, als einen vorhandenen Source anzupassen.
Gruss
herrma
|
BID = 541120
perl Ehrenmitglied
       
Beiträge: 11110,1 Wohnort: Rheinbach
|
Wozu braucht man das ?
|
BID = 541333
buzzo Neu hier

Beiträge: 39
|
Ich hab mir schon gedacht, dass es recht trivial ist - zumal die vorhandene einfach Schaltung ja schon fast alles noetige realisiert.
Ob das Programm angepasst oder komplett neu geschrieben wird liegt in der Entscheidung desjenigen, der es hoffentlich realisiert. Soo kompliziert ist die Funktion ja nicht.
Wozu man sowas braucht? Es geht um einen einfachen, portablen Videorecorder, der lediglich zwei Button hat. Einmal muss er eingeschaltet werden und dann muss die Aufnahme gestartet werden. Dies soll jedoch automatisch geschehen, wenn Spannung ueber die Kfz-Zuendung anliegt.
Wenn die Zuendung ausgeschaltet wird, muss die Aufnahme noch korrekt beendet werden um dann das Geraet ein paar Sekunden spaeter komplett von der Betriebsspannung zu trennen.
Gruss,
buzzo
|
BID = 541339
herrma Neu hier

Beiträge: 30 Wohnort: Fürstenau
|
Zitat :
buzzo hat am 13 Aug 2008 12:56 geschrieben :
|
Ich hab mir schon gedacht, dass es recht trivial ist - zumal die vorhandene einfach Schaltung ja schon fast alles noetige realisiert.
Ob das Programm angepasst oder komplett neu geschrieben wird liegt in der Entscheidung desjenigen, der es hoffentlich realisiert. Soo kompliziert ist die Funktion ja nicht.
Wozu man sowas braucht? Es geht um einen einfachen, portablen Videorecorder, der lediglich zwei Button hat. Einmal muss er eingeschaltet werden und dann muss die Aufnahme gestartet werden. Dies soll jedoch automatisch geschehen, wenn Spannung ueber die Kfz-Zuendung anliegt.
Wenn die Zuendung ausgeschaltet wird, muss die Aufnahme noch korrekt beendet werden um dann das Geraet ein paar Sekunden spaeter komplett von der Betriebsspannung zu trennen.
Gruss,
buzzo
|
Brauchst du eine fertig aufgebaute Schaltung, oder könntest du diese anhand eines Schaltplan selber aufbauen?
|
BID = 541351
buzzo Neu hier

Beiträge: 39
|
Ich braeuchte schon eine fertig aufgebaute und geproggte Platine.
|
BID = 541353
herrma Neu hier

Beiträge: 30 Wohnort: Fürstenau
|
Zitat :
buzzo hat am 13 Aug 2008 14:25 geschrieben :
|
Ich braeuchte schon eine fertig aufgebaute und geproggte Platine.
|
Wie eilig ist es denn? Am Wochenende könnte ich dir das Teil bauen, allerdings nur dann, wenn es ein Neuaufbau sein darf. Diese Umstrickerei mag ich nämlich gar nicht.
|
BID = 541806
buzzo Neu hier

Beiträge: 39
|
Du hast Post
|