| Autor |
|
Sonstige SONS Hartenberger LG Off-Shore II |
|
|
|
|
BID = 490768
Graudon Gerade angekommen
Beiträge: 3 Wohnort: Düsseldorf
|
|
Geräteart : Sonstige
Hersteller : Hartenberger
Gerätetyp : LG Off-Shore II
Chassis : PVC
Messgeräte : Multimeter, Oszilloskop
______________________
Habe hier ein anscheinend defektes Ladegerät von Hartenberger Off-Shore II. Es wird zum Laden von Akku's für Taucherlampen verwendet. Ich habe auch schon mal im Forum gesucht, und dabei 2 Themen gefunden.Hilft mir aber nicht weiter.
Der Fehler:
Das LG hat 2 LEDs. Vmtl. kontrolliert LED1 den Primär- und LED 2 den Sekundärkreis. Die LED 1 muss bei 220V Anschluss grün leuchten, oder rot bei Fehler. Und genau das tut sie jetzt - rot leuchten, wenn der Stecker in die Dose kommt.. Zwar nur sehr schwach, aber es ist ein rotes leuchten. Kennt ich irgendjemand damit ein bischen aus? Hat vielleicht jemand einen Schaltplan oder Info's zu Messpunkten, damit man das fehlerhafte BE finden kann?
Danke und Gruß
Graudon |
Erklärung von Abkürzungen |
BID = 491406
saugnapf Gerade angekommen
Beiträge: 8 Wohnort: Mindelheim
|
|
Na, dann bin ich wenigstens nicht der einzige, hab nämlich genau das gleiche Problem. Hab inzwischen schon die drei ELKOS gegen neue ersetzt, hat aber bei mir nichts geändert...
Grüße vom saugnapf. |
Erklärung von Abkürzungen |
BID = 492317
powersupply Schreibmaschine
    
Beiträge: 2920 Wohnort: Schwobaländle
|
Hallo Ihr Zwei
Seid bitte so gut und mach einer ein Bild der Platine von oben und von unten.
Wenn hier keiner das Gerät kennt ist jede Vermutung zum Defekt Kaffeesatzleserei, auch am frühen Morgen  .
powersupply
Erklärung von Abkürzungen |
BID = 492604
saugnapf Gerade angekommen
Beiträge: 8 Wohnort: Mindelheim
|
Hallo powersupply,
danke für die Antwort, auch wenn das hier nicht mein post ist.
Meiner ist hier:
https://forum.electronicwerkstatt.d......html
Habe dort mein Problem genau geschildert, und auch zwei Bilder angehängt. Ich hoffe, Graudon hat nichts dagegen, wenn ich sie hier nochmal hochlade.
Grüße von Bernhard.
Erklärung von Abkürzungen |
BID = 492734
selfman Schreibmaschine
    
Beiträge: 1681 Wohnort: Seekirchen a. W.
|
Die Fotos sind nicht schlecht, allerdings sagt es noch immer nichts darüber aus, warum die rote LED leuchtet oder nicht.
Graudon hat es wahrscheinlich schon richtigt gedeutet, daß diese LED für den Primärkreis zuständig ist. Allerdings kann man ohne die Schaltung zu kennen nicht viel dazu sagen, ob und was diese LED zu sagen hat.
Auf dem Foto erkennt man nur, daß es von der Zuleitung über die Sicherung und die Drosselspule auf den von den vier kleinen Dioden (schwarze runde Bauteile mit der Aufschrifft "4005") gebildeten Gleichrichter geht. Dazu ist noch einer der großen Kondis auf der Vorderseite geklemmt, aber dann wird es schwierig....
Eine kleine, händisch erstellte Skizze vom kompletten Primärkreis und vor allem die Type des verkehrt herum eingelöteten Bauteils im TO220 Gehäuse (mit der kleinen Blechfahne) wären recht hilfreich. Vielleicht kommen dann wieder mehr Ideen hier aufs Tapet.
Schöne Grüße Selfman
_________________
Traue keinem Ding, das du nicht selber vermurkst hast.
Erklärung von Abkürzungen |
BID = 492798
powersupply Schreibmaschine
    
Beiträge: 2920 Wohnort: Schwobaländle
|
Hey,...
Da ist mir doch glatt einer zuvorgekommen
Verfolge auch mal, ob die rote LED direkt am Gleichstromke´reis mit dran ist, bzw messe mal gaaanz vorsichtig an den jeweils zur Mitte der Platine gerichteten Enden der Dioden die Spannung. Dort sollten 320 - 330V  Gleichspannung anliegen.
Nach dem Ausstecken unbedingt wieder ein paar Minuten warten bis die Spannung weg ist bevor Du erneut daran rumfummelst.
Auf der ganzen rechten Seite der Platine herrscht lebensgefährliche Spannung!!!
Sollte dort die Spannung nicht hoch genug sein ist vermutlich eine der Dioden defekt.
powersupply
[ Diese Nachricht wurde geändert von: powersupply am 19 Jan 2008 17:11 ]
Erklärung von Abkürzungen |
BID = 492859
saugnapf Gerade angekommen
Beiträge: 8 Wohnort: Mindelheim
|
Hallo selfman und powersupply, vielen Dank für eure Antworten.
Bin grad dabei, eine Zeichnung vom Primärkreis zu machen.
Die Bezeichnung des Bauteils im TO220 Gehäuse (mit der kleinen Blechfahne) ist H227, TOP227Y, 16871B, PHIL
Die LED, die nun rot statt grün leuchtet ist direkt mit den Dioden verbunden.
Und zwar geht das im Bild obere Ende des linken Diodenpaares direkt an den rechten Kontakt der LED.
Das obere Ende des rechten Diodenpaares geht an den mittleren Kontakt des oben genannten H227 Bauteiles und weiter über die zwei kleinen Widerstände zum linken Anschluss der LED.
Ich versuch mal, das in dem Photo einzuzeichnen.
Zwischen den beiden Diodenpaaren habe ich 312V= gemessen.
Grüße von Bernhard.
[ Diese Nachricht wurde geändert von: saugnapf am 19 Jan 2008 19:57 ]
Erklärung von Abkürzungen |
BID = 492862
Graudon Gerade angekommen
Beiträge: 3 Wohnort: Düsseldorf
|
Hallo,
komme leider nur am WE dazu, mich um mein Elektronikschrott zu kümmern...
Also, ich denke, dass der TOP227Y Ärger macht (hab mir die anderen Treads dazu mal durchgelesen. Es ist ein Topswitch. Nun, ich habe mir die Datenblätter noch nicht so genau angesehen, der TOP scheint aber, weil er über den Optokoppler anscheinend angesteuert wird, die Taktung zu generieren. Der Primärkreis wird zunächst über einen Brückengleichrichter bei 220V "behandelt" und geht dann in den TOPSwitch. dessen Spannung liegt dann am internen Trafo an.
Das mal so grob, was ich mir hierzu denke. Von Sekundär scheint nur die Taktung über den Optokoppler zu kommen - sehe ich mir aber nochmal genauer an.
Ich habe mir bei Schurich mal das gute Teil bestellt. Mal sehen, was es bringt, ihn auszuwechseln. Gleichzeitig werd ich den Elko tauschen. Wenns das nicht ist, dann muss ich mal die anderen SMDs "befagen".
Bin aber guter Hoffnung.
CU
Graudon
Erklärung von Abkürzungen |
BID = 492917
saugnapf Gerade angekommen
Beiträge: 8 Wohnort: Mindelheim
|
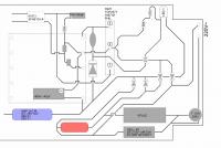
Hallo,
hier noch meine Zeichnung vom Primärkreis.
Grüße.
Erklärung von Abkürzungen |
BID = 493769
Graudon Gerade angekommen
Beiträge: 3 Wohnort: Düsseldorf
|
Erklärung von Abkürzungen |