| Autor |
|
Elektrofahrzeug bauen für Kinder |
|
|
|
|
BID = 490087
Grimm Stammposter
   
Beiträge: 499 Wohnort: Bayern
|
|
Hallo alle zusammen,
Ich möchte wieder ein Elektrofahrzeug bauen für meine Kinder.
Ich hab schon eins gebaut, seht unten die Bilder.
Aber diesmal mit Drehzahlregelung über ein Gaspedal.
Problem ist, dass ich das Gaspedal direkt an ein Potenziometer ankoppeln möchte.
Die meisten Fahrregler erstrecken sich über den gesamten Verstellbereich des Potenziometers.
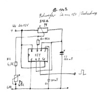
Ich hab unten eine kleine Schaltung entworfen, wo ich den Drehwinkel vom Poti P1 (Gaspedal) einstellen kann. Das der z.B. bei 1/4 Umdrehung bereits 100% Leistung abgibt.
Den Bereich, ab wann 100 % erreicht werden kann am Poti P2 eingestellt werden.
Am Oszilloskop schaut die Pulsweitenmodulation und durchschalten des 555 bei 100% eigentlich OK aus.
Das Ganze soll dann noch mit einem BUZ11 auf die nötige Stromstärke (bis 10A und 24V) verstärkt werden.
Ich bin kein Elektroniker, deshab bitte ich euch, einen Blick auf den Schaltplan zu werfen und alles, was Schwachsinn ist, zu bemängeln.
Oder gibt es einen fertigen Schaltplan?
Gruß Dieter
|
|
BID = 490417
powersupply Schreibmaschine
    
Beiträge: 2920 Wohnort: Schwobaländle
|
|
Müssen die Kinder den Strom für den anschliessenden Batteriebetrieb selber erzeugen?
War net Ernst gemeint! Hier hast Du einen Link mit einer sicher funktionierenden Schaltung:
http://www.atx-netzteil.de/pwm_mit_ne555.htm
Zudem würde ich für 10A (äht) 24V (automatisch editiert wegen spamgefahr) einen leistungsstärkeren Mosfet verwenden und vergiss nicht eine Freilaufdiode einzusetzen.
powersupply |
|
BID = 490427
Grimm Stammposter
   
Beiträge: 499 Wohnort: Bayern
|
Hallo powersupply,
danke für den Link.
An dem Fahrzeug habe ich ein kleines PV – Modul angebracht. Der Vorteil ist man braucht sich um das auflagen der Akku nicht zu kümmern, die ist immer voll.
Eine Diode am Motor ist klar.
Die 10A ist nur ein Hinweis darauf, dass ich noch eine Leistungsstufe einbauen werde. Den Motor habe ich schon zuhause der das Kettcar antreiben soll, aber die genaue Leistungsaufnahme bei 24V muss ich erst noch unter Belastung testen.
Die Schaltung 2 in deiner Information schaut gut aus.
Hauptproblem ist das Potenziometer das bei gerücktem Gaspedal nicht um 240° gedreht wird, sondern nur um ca. 60°.
Das heißt das bei einer Drehung des Potis um 60° das IC-555 auf 100% durchschalten müsste.
Nach meiner Ansicht müsste der Poti P1 bei der Schaltung 2 aber 100% (240°) gedreht werden, dass der 555 auf 100% durchschaltet.
Liege ich mit meiner Ansicht richtig?
Mit freundlichen Grüßen Dieter
|
BID = 490432
Grimm Stammposter
   
Beiträge: 499 Wohnort: Bayern
|
PS
Die Pedale vom Dreirad haben natürlich einen Freilauf, dass bei Elektroantrieb die Pedale sich nicht mitdrehen. Beim rückwärts fahren drehen sich natürlich die Pedale mit.
|
BID = 490479
PhyMaLehrer Schriftsteller
    
Beiträge: 911 Wohnort: Leipzig
|
Irgendwie sehe ich das mit dem Drehwinkel nicht als so großes Problem. (Die Widerstandswerte im folgenden sind willkürlich gewählt.)
Die Schaltung wird so dimensioniert, daß bei einem Poti-Wert von 25 kOhm die PWM 100 % bringt. Nun ist es doch der Schaltung egal, ob dieser Widerstand von einem 25- (oder 22-) kOhm-Poti stammt, das über den maximal möglichen WInkel gedreht wurde, oder von einem 100-kOhm-Poti, das nur um 1/4 des möglichen Winkels gedreht wurde. Oder nicht?
|
BID = 490501
Grimm Stammposter
   
Beiträge: 499 Wohnort: Bayern
|
Hallo,
ich habe die Schaltung 2 auf einer Steckplatine nachgebaut.
Das Oszilloskop zeigt aber bei 0% Poti Öffnung immer noch einen Ausschlag (auf +15V).
Da würde ja das Kettcar wenn das Pedal nicht gerückt wird „ruckeln“.
Bei 100% Poti Öffnung liegt der Ausgang nicht ständig auf +15V, sonder kippt kurz auf GND ab. Die 100%, Leistungsübertragung ist nicht gegeben.
Wenn du den Schaltplan (Handskizze) von mir meinst, da kann man keinen „Vorwiderstand“ vor oder hinter das Poti machen. Das Poti P1 ist doch ein Spannungsteiler.
Mit freundlichen Grüßen Dieter
|
BID = 490509
Racingsascha Schreibmaschine
    
Beiträge: 2247 Wohnort: Gundelsheim
|
Du könntest die PWM auch "zu Fuss" bauen, also mit Dreiecksgenerator und Komparator. Die Dreiecksspannung kannst du vom Kondensator des NE555 an den Invertierenden Eingang des Komparators geben, Sie bewegt sich zwischen 1/3 und 2/3 der Betriebsspannung des NE555. Das Poti für die Vergleichsspannung des Komparators legst du zwischen GND und 24V, den Schleifer an den Nichtinvertierenden Eingang. Sobald die Spannung am Schleifer höher als 2/3 der Versorgungsspannung des NE555 liegt, gibt der Komparator durchgehend High aus  Die Schleiferspannung solltest du aber mit einem Poti oder Widerstand auf die Betriebsspannung des Komparators begrenzen, sonst geht er über den Jordan. Das Poti hat den Vorteil, dass du die Maximalgeschwindigkeit begrenzen kannst.
_________________
Fnord ist die Quelle aller Nullbits in deinem Computer.
Fnord ist die Angst, die Erleichterung, und ist die Angst.
Fnord schläft nie.
|
BID = 490517
Kleinspannung Urgestein
     
Beiträge: 13386 Wohnort: Tal der Ahnungslosen
|
Zitat :
Grimm hat am 12 Jan 2008 12:24 geschrieben :
|
Da würde ja das Kettcar wenn das Pedal nicht gerückt wird „ruckeln“.
|
Baust du noch einen Microschalter ans Pedal,so das beim loslassen die ganze "Mechnik" abschaltet.Haste gleich auch einen "Hauptschalter"...
Zitat :
|
da kann man keinen „Vorwiderstand“ vor oder hinter das Poti machen. Das Poti P1 ist doch ein Spannungsteiler.
|
Warum nicht?
Deswegen bleibt das doch ein Spannungsteiler.Nur nicht mehr für den "vollen" Bereich.
Oder irre ich mich da?
_________________
Manche Männer bemühen sich lebenslang, das Wesen einer Frau zu verstehen. Andere befassen sich mit weniger schwierigen Dingen z.B. der Relativitätstheorie.
(Albert Einstein)
|
BID = 490519
Grimm Stammposter
   
Beiträge: 499 Wohnort: Bayern
|
Hallo,
meine Schaltung (Handskizze) mach ja das was ich möchte.
Getestet am Oszilloskop und mit dem Motor (ohne Belastung mit 14V).
Bei Poti P1 0% bis 3% Öffnung ist am Ausgang GND und keine Frequenz.
Bei Poti P1 4% Öffnung ist am Ausgang die Pulsweitenregelung L=90% , H=10%.
Bei Poti P1 16% Öffnung ist am Ausgang die Pulsweitenregelung L=50% , H=50%.
Bei Poti P1 30% Öffnung ist am Ausgang die Pulsweitenregelung L=1% , H=99%.
Bei Poti P1 >30% Öffnung ist der Ausgang L=0, H=100% und keine Frequenz.
.
Am Poti P2 kann ich den Öffnungswinkel von P1 einstellen, ab wann der Ausgang auf 100% H gezogen wird.
Ich bräuchte eigentlich von euch das OK das ich nicht eine Denkfehler bein Entwurf meiner Schaltung gemacht habe.
Dieter
PS
Noch einen Schalter?
Wenn das Pedal nicht bändigt, wird ist doch alles AUS, bis auf ca. 10mA für den 555er.
Am Motor wird ohnehin ein Schalter für Vorwärtsfahrt, AUS und Rückwärtsfahrt (Polwender mit Neutralstellung).
|