Thyristor mit Hilfskathode Im Unterforum Bauteile - Beschreibung: Vergleichstypen, Leistungsdaten, Anschlußbelegungen .....
| Autor |
|
Thyristor mit Hilfskathode |
|
|
|
|
BID = 434650
Offroad GTI Urgestein
     
Beiträge: 12841 Wohnort: Cottbus
|
|
Hallo Leute,
ich habe schon das gesamte Internet abgesucht, aber noch nichts zu meinem Problem gefunden.
Nachfolgend meine Fragen.
1. Hat die Hilfskathode eines Thyristors eine direkte elektrische Verbindung zur Hauptkathode
2. Im Datenblatt steht eine Max. Zündspannung von 2,2 Volt, habe Ihn aber nur mit 12 Volt zum zünden "überreden" können. Habe einen Scheibenwischermotor mit 8 Ampere als Verbraucher eingesetzt.
Noch ein Paar Daten zum besagten Thyristor:
Sperrspannung: 1400 V
Dauergrenzstrom (70°C): 400 A
Zündung bei: max. 2,2 Volt; 250 mA
Meine Vermutung ist ja, dass er mit den 8A unterfordert ist...
Vielen Dank für eure Antworten.
MfG Mathias
[ Diese Nachricht wurde geändert von: Offroad GTI am 5 Jun 2007 16:22 ] |
|
BID = 434704
perl Ehrenmitglied
       
Beiträge: 11110,1 Wohnort: Rheinbach
|
|
1) Das ist einfach nur eine Abzweigung der Kathodenleitung, möglichst nah am Chip, weil in der Hauptleitung durch deren Induktivität bei hoher Stromanstiegsgeschwindigkeit ziemlich grosse (Stör)spannungen induziert werden.
Da diese Störspannung entgegengesetzt zur Triggerspannung entsteht, wird der für schnelles Durchzünden erforderliche hohe Triggerstrom reduziert und dadurch kann der Thyristor im Einschaltmoment überlastet werden. Auch Rückwirkungen bzw. Beschädigungen der Steuerschaltung sind durch den induktiven Spannungsabfall auf der Kathodenleitung möglich.
All diesen Ärger vermeidet man, indem man dafür sorgt, daß der Laststrom nicht durch den Steuerkreis fliesst.
2) Man braucht zum Zünden zwischen Gate und Kathode nur etwa eine Diodenflussspannung, also etwa 0,8V.
Höhere Spannungen ergeben sich bei sehr niedrigen Umgebungstemperaturen und stromstarken Zündimpulsen.
Solch grosse Thyristoren haben aber einen relativ hohen Triggerstrom und wenn du einen entprechenden Strombegrenzungswiderstand in der Gateleitung hast, kann dessen Spannungsabfall eine höhere Steuerspannung erforderlich machen.
Zitat :
| | Meine Vermutung ist ja, dass er mit den 8A unterfordert ist. | Das glaube ich nicht. Den erforderlichen Mindeststrom, bei dem der Thyristor nach den Zündimpuls garantiert leitend bleibt, findest du im Datenblatt unter IH.
Falls der Zündimpuls aber zu kurz ist, kann es sein, daß wegen der Induktivität des Motors dieser Wert am Ende des Zündimpulses noch nicht erreicht ist.
_________________
Haftungsausschluß:
Bei obigem Beitrag handelt es sich um meine private Meinung.
Rechtsansprüche dürfen aus deren Anwendung nicht abgeleitet werden.
Besonders VDE0100; VDE0550/0551; VDE0700; VDE0711; VDE0860 beachten !
[ Diese Nachricht wurde geändert von: perl am 5 Jun 2007 20:10 ] |
|
BID = 434821
Offroad GTI Urgestein
     
Beiträge: 12841 Wohnort: Cottbus
|
Danke erstmal für die Antworten.
Habe jetzt aber noch eine eigenartige Entdeckung gemacht. Der Steueranschluss, der eine Verbindung zur Hauptkathode aufweist, sollte ja die Hilfskathode sein - soweit so gut - aber wenn ich größer 1,1 Volt an die Hilfskathode anlege, schaltet er durch. Eine Spannung am anderen Steueranschluss, egal welcher höhe, bleibt ohne Folgen.
....dass ist doch nicht normal, oder....
MfG Mathias
|
BID = 434898
perl Ehrenmitglied
       
Beiträge: 11110,1 Wohnort: Rheinbach
|
Typenbezeichnug des SCR ?
Dein Schaltplan ?
|
BID = 434934
Dreheisen Schriftsteller
    
Beiträge: 694 Wohnort: Rheinhessen
|
Hallo Offroad GTI,
Zur Abschätzung von IH :
Der Scheibenwischermotor zieht die 8A vermutlich bei Nennlast. Wenn man ihn im Leerlauf( ohne Wischerblätter, auf dem Tisch liegend, o. ä.) betreibt, fliesen bestimmt weniger als 8A. Oder wurden die 8A gemessen?
Gruss Dreheisen
_________________
Techniker/Management < 3/1 => Ein Land fährt an die Wand!!!
Es handelt sich bei obenstehendem um wohlgemeinte, private Tipps welche jedoch jegliche Haftung ausschliessen.
|
BID = 435065
Offroad GTI Urgestein
     
Beiträge: 12841 Wohnort: Cottbus
|
Hallo,
ich habe nochmal nachgemessen, genau gesagt hat der Motor einen Leerlaufstrom von 7,5 Ampere, sinkt dann aber innerhalb einer Minute auf 5,5 Ampere.
Die Typenbezeichnung ist folgende: T 340 F 14 ENL
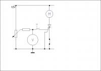
Der unten aufgeführte Schaltplan ist nur Theorie, wie ich schon geschrieben habe, hat der Thyristor nur mit der vermeintlichen Hilfskathode durchgeschaltet.
Hier noch ein paar weitere Messungen:
Hauptkathode - Steueranschluss 1(vermeintliche Hilfskathode) = 15,2 Ohm, keine Diodenstrecke
Hauptkathode - Steueranschluss 2 = >20MOhm, keine Diodenstrecke
Vermutlich ist das Ding ein Fall für die
MfG Mathias
|
|
Zum Ersatzteileshop
Bezeichnungen von Produkten, Abbildungen und Logos , die in diesem Forum oder im Shop verwendet werden, sind Eigentum des entsprechenden Herstellers oder Besitzers. Diese dienen lediglich zur Identifikation!
Impressum
Datenschutz
Copyright © Baldur Brock Fernsehtechnik und Versand Ersatzteile in Heilbronn Deutschland
gerechnet auf die letzten 30 Tage haben wir 12 Beiträge im Durchschnitt pro Tag heute wurden bisher 5 Beiträge verfasst © x sparkkelsputz Besucher : 189622420 Heute : 11400 Gestern : 16450 Online : 166 26.2.2026 19:07 17 Besucher in den letzten 60 Sekunden alle 3.53 Sekunden ein neuer Besucher ---- logout ----viewtopic ---- logout ----
|
xcvb
ycvb
0.0705740451813
|