| Autor |
|
|
|
BID = 416424
Benedikt Inventar
      Beiträge: 6241
|
|
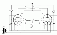
Kann mir jemand helfen, diesen Oszillator zu verstehen ?
Ich suche eigentlich alles mögliche an Infos zu dieser Schaltung.
Das interessante an diesem Oszillator ist, dass L1/2 und L3/4 keine Kopplung haben, die Schaltung aber trotzdem schwingt (zumindest soll sie das, bei mir tut sich garnichts).
Irgendwo habe ich mal gehört, dass die Rückkupplung über die Anoden-Gitter Kapazität funktioniert. Bedeuted das, dass die Schaltung nur für sehr hohe Frequenzen (>10MHz) funktioniert ?
Muss L1/2 ein Schwingkreis sein, und müssen L1 und L2 eine magnetische Kopplung haben ? |
|
BID = 416431
Otiffany Urgestein
     
Beiträge: 13779 Wohnort: 37081 Göttingen
|
|
Das ist ein Gegentaktoszillator, ähnlich dem angehängten Schaltbild.
Dir ist aber schon klar, daß Du da noch eine negative Gittervorspannung und die Anodenspannung brauchst?
Außerdem, was hast Du für Spulen gewickelt, mit welcher Kopplung?
Gruß
Peter
Du weißt auch, daß der Betrieb solcher Sender verboten ist?
[ Diese Nachricht wurde geändert von: Otiffany am 22 Mär 2007 20:39 ] |
|
BID = 416437
Benedikt Inventar
      Beiträge: 6241
|
Zitat :
Otiffany hat am 22 Mär 2007 20:34 geschrieben :
|
Das ist ein Gegentaktoszillator, ähnlich dem angehängten Schaltbild.
|
Nicht ganz: Bei meiner Schaltung gibt es nicht die Kondensatoren von der Anode zum Gitter der anderen Röhre.
Die Schaltung von dir ist ein normaler Oszillator wie man ihn auch mit Transistoren aufbaut, nur eben mit LC anstele von RC.
Zitat :
|
Dir ist aber schon klar, daß Du da noch eine negative Gittervorspannung und die Anodenspannung brauchst?
|
Habe ich doch eingezeichnet...
Zitat :
|
Außerdem, was hast Du für Spulen gewickelt, mit welcher Kopplung?
|
Die Spulen hatten je 2x5Wdg. 10mm Durchmesser, Luftspule. Die Kapazität war ein Drehko mit 50pF.
Zitat :
|
Du weißt auch, daß der Betrieb solcher Sender verboten ist?
|
Das wird kein Sender (zumindest versuche ich das zu vermeiden).
|
BID = 416441
Otiffany Urgestein
     
Beiträge: 13779 Wohnort: 37081 Göttingen
|
Der Unterschied besteht nur darin, daß mein Sender kapazitive Kopplung und deiner Induktive Kopplung besitzt.
Mein Sender mit einer Doppeltriode und deiner mit zwei Pentoden arbeitet, aber beides sind Gegentaktsender.
Gruß
Peter
P.S.
Der Sender wurde von mir vor ca. 50! Jahren aufgebaut und als Fernsteuersender benutzt; er existiert noch heute.
|
BID = 416445
Benedikt Inventar
      Beiträge: 6241
|
Zitat :
Otiffany hat am 22 Mär 2007 20:58 geschrieben :
|
Der Unterschied besteht nur darin, daß mein Sender kapazitive Kopplung und deiner Induktive Kopplung besitzt.
|
Nein, eben nicht ! Das ist ja mein Problem, weshalb ich die Schaltung nicht so ganz verstehe.
Es gibt keine magnetische Kopplung zwischen den Spulen am Gitter und den an der Anode.
Hier ist ein Beispiel für solch einen Oszillator zu sehen:
http://www.hcrs.at/HFSCHW.HTM
Auf dem Foto vom Röhrensockel sieht man, dass die Gitterspulen nicht mit der Schwingkreisspule an der Anode gekoppelt sind. Es gibt also keine zusätzlich eingebaute Rückkopplung.
[ Diese Nachricht wurde geändert von: Benedikt am 22 Mär 2007 21:13 ]
|
BID = 417952
GeorgS Inventar
     
Beiträge: 6440
|
Hallo Benedikt,
woraus schließt du, daß in der Schaltung
keine induktive Kopplung vorgesehen ist?
Aus dem Umstand, daß sie im Schaltplan
nicht ersichtlich ist? So etwas wurde nicht
immer eingezeichnet.
Der Sender von der Kunsstoffschweißmaschine
ist mit Sicherheit quarzgesteuert, insofern
muß deren Schaltplan wesentlich anders aussehen.
Gruß
Georg
|
BID = 417959
Benedikt Inventar
      Beiträge: 6241
|
Zitat :
GeorgS hat am 28 Mär 2007 19:44 geschrieben :
|
Hallo Benedikt,
woraus schließt du, daß in der Schaltung
keine induktive Kopplung vorgesehen ist?
|
Das hatte ich irgendwo mal gelesen, dass die Rückkopplung nur über die parasitären Kapazitäten läuft.
Zitat :
|
Der Sender von der Kunsstoffschweißmaschine
ist mit Sicherheit quarzgesteuert, insofern
muß deren Schaltplan wesentlich anders aussehen.
|
Schau dir doch mal die Seite an:
Da ist nirgends ein Quarz zu sehen, weder auf den Fotos noch auf dem Schaltbild. Auf dem Fotos vom Röhrensockel sieht man gut, das die Spulen am Gitter sehr weit vom Anodenschwingkreis entfernt sind und zusätzlich noch eine Menge Metall dazwischen ist.
[ Diese Nachricht wurde geändert von: Benedikt am 28 Mär 2007 20:01 ]
|
BID = 417967
perl Ehrenmitglied
       
Beiträge: 11110,1 Wohnort: Rheinbach
|
Zitat :
| | bei mir tut sich garnichts |
Kein Wunder, die Pentoden wurden ja gerade entwickelt, damit das Schirmgitter die Rückwirkung von der Anode auf das Steuergitter verhindert.
Also verbinde das Schirngitter mit der Anode, oder bau gleich eine Triode ein, dann hast du auch die benötigte Rückkopplung.
P.S.:
Es ist durchaus legal und war üblich eine Pentode als Triode zu schalten, indem man A und G2 verbindet. Das Schirmgitter wird dadurch nicht überlastet.
_________________
Haftungsausschluß:
Bei obigem Beitrag handelt es sich um meine private Meinung.
Rechtsansprüche dürfen aus deren Anwendung nicht abgeleitet werden.
Besonders VDE0100; VDE0550/0551; VDE0700; VDE0711; VDE0860 beachten !
[ Diese Nachricht wurde geändert von: perl am 28 Mär 2007 20:21 ]
|
BID = 418095
GeorgS Inventar
     
Beiträge: 6440
|
Hallo Benedikt,
zu meiner Überraschung hast du mit der
Nicht-Quarzsteuerung recht.
Was manche alles dürfen...
Ich mußte schon in den 50ern meine lächerlichen
100 mW-Fernsteuersender mit Quarz ausrüsten,
und das tat im Geldbeutel weh!
Was die Schaltung betrifft, bin ich nach wie vor der Meinung,
daß das eine Meißner-Schaltung ist.
Kuck mal die Leistung des Gitterwiderstans an!
Die deutet auf Betrieb mit Gitterstrom,
was ohnehin in der Kategorie Standard ist und
nur über innere Kapazitäten kaum geht.
Frag doch mal die Jungs von HRCS an.
Gruß
Georg
|