Miele Wäschetrockner Kondenstrockner T 354 Reparaturtipps und Ersatzteile zum Fehler: Im Unterforum Reparatur - Haushaltsgeräte - nur lesen - Beschreibung: Waschmaschine, Wäschetrockner, Trockner, Geschirrspüler, Microwelle, Bügeleisen, Herd, Elektroherd, Kühlschrank, Rasierer, Spülmaschine, Küchenmaschine und alle anderen Geräte der Haushaltstechnik. READ ONLY!
Elektronik- und Elektroforum Forum Index >>
Reparatur - Haushaltsgeräte - nur lesen
Reparatur - Haushaltsgeräte - nur lesen : Waschmaschine, Wäschetrockner, Trockner, Geschirrspüler, Microwelle, Bügeleisen, Herd, Elektroherd, Kühlschrank, Rasierer, Spülmaschine, Küchenmaschine und alle anderen Geräte der Haushaltstechnik. READ ONLY! |
Autor |
Wäschetrockner Miele T 354 |
|
|
|
|
BID = 411101
Jürgen288 Inventar
     
Beiträge: 5121
|
|
Hallo biker1000,
Zitat :
| der Datenlogger hat keine Meßwerte aufgezeichnet. Schade, so muß ich wohl doch in den sauren Apfel beißen und eine neue Platine kaufen. |
Bin da noch nicht ganz sicher, ob der Fehler nur an der EF-201 liegt.
Was mich irritiert, ist die fehlende Spannung zwischen den "Kohleschleifern".
Wenn die EF-201 über den "externen" Trafo mit 37V versorgt wird, kannst Du die Elektronik -ohne den Trockner einzuschalten- mal näher testen.
Zuerst sollte am Servicestecker zwischen 7x u. 5x 33V= anliegen. Dies auch am PGS. zwischen 7/1 u. 5/3 -Programmwahlschalter dazu auf 12Uhr stellen-
Wenn diese Spannungen vorhanden sind, mal zwischen 5/2 u. 5/3 Dein Meßgerät anschließen u. am Programmwahlschalter die einzelnen Programmtrockenstufen durchfahren.
Ist dann hier mal eine =Spannung zu messen?
Gruß Jürgen
_________________
Alle meine Tipps sind nicht rechtsverbindlich und für Schäden und Folgeschäden übernehme ich keinerlei Haftung.
Ausführung immer auf eigene Gefahr !!
Immer die Sicherheitsvorschriften VDE beachten. |
Erklärung von Abkürzungen |
BID = 411290
biker1000 Neu hier

Beiträge: 40 Wohnort: Karlsruhe
|
|
Hallo Gilb,
der Plan ist übrigens gut lesbar angekommen. Werde mal versuchen, ob ich damit einen Fehler finde. So viele Halbleiterbauteile sind da ja nicht drauf.
Wäre doch schade, wenn ich eine neue Platine kaufen würde und der Fehler läge an was Anderem.
Gruß
biker1000 |
Erklärung von Abkürzungen |
BID = 411376
biker1000 Neu hier

Beiträge: 40 Wohnort: Karlsruhe
|
Hallo Jürgen,
warum die 33V nicht da waren, hab ich gefunden. Die Zenerdiode D5, ZPY33 war defekt. Hab mal eine ZD30 aus meinem Fundus eingebaut, da kann ich 30V an 5x und 7x messen, aber an 5-2 und 5-3 habe ich beim Durchschalten des PGS in manchen Stellungen nur maximal ca. 3,7V gemessen. Werde morgen eine ZD33 kaufen und dann noch mal probieren. Vorher werde ich noch die anderen Bauteile durchmessen bzw. auf Verdacht austauschen z.B. die ICs 1 und 2, für die ich keine Prüfmöglichkeit habe.
Gruß
biker1000
Erklärung von Abkürzungen |
BID = 411395
biker1000 Neu hier

Beiträge: 40 Wohnort: Karlsruhe
|
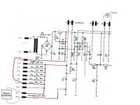
Mittlerweile habe ich noch einen Schaltplan mit Ablaufdiagramm hinter der Tür klein zusammengefaltet gefunden.
Anbei als pdf- Datei.
Es ist schon seltsam, hab den Vorschlag von Jürgen noch mal durchgefahren, und diesmal Spannung, ca. 27V am Schleifring gemessen in den meisten Schaltstellungen des PGS.
Danach habe ich einen Probelauf gestartet und es war wieder keine Spg. da. Vielleicht ist im Kabelbaum ein Wackler.
Gruß
biker1000
Erklärung von Abkürzungen |
BID = 411397
Jürgen288 Inventar
     
Beiträge: 5121
|
Hallo biker1000,
Zitat :
| hab ich gefunden. Die Zenerdiode D5, ZPY33 war defekt. Hab mal eine ZD30 aus meinem Fundus eingebaut, da kann ich 30V an 5x und 7x messen |
Mit der ZD30 können wir vorerst mal weitersuchen!
Zitat :
| aber an 5-2 und 5-3 habe ich beim Durchschalten des PGS in manchen Stellungen nur maximal ca. 3,7V gemessen |
Ich gehe davon aus, dass "ohne Wäsche" gemessen wurde,
und die =Spannung zwischen 7/1 u. 5/3 -bei PGS-Stellung 12Uhr- noch bei ca. 30V liegt?
Wenn ja, überprüf mal die Übergangswiderstände der PGS-Kontakte zwischen 7/1 zu den Kontakten 7/2, 7/3, 7/4, 7/5 u. 7/6, wenn der PGS-Schalter durchgefahren wird.
Mess auch mal (ohne Wäsche) zwischen 5/2 u. 5/3 (Stecker abgezogen)den Widerstand von U2 (Restfeuchtefühler).
Wenn dieser nicht im zweistelligen MOhm-Bereich liegt, kommen die "3,7V" zustande.
Laß mal bitte die IC`s so verbaut, erst müssen wir schauen, dass die Spannung zwischen 5/2-5/3 über 20/25V kommt.
Gruß Jürgen
_________________
Alle meine Tipps sind nicht rechtsverbindlich und für Schäden und Folgeschäden übernehme ich keinerlei Haftung.
Ausführung immer auf eigene Gefahr !!
Immer die Sicherheitsvorschriften VDE beachten.
Erklärung von Abkürzungen |
BID = 412402
biker1000 Neu hier

Beiträge: 40 Wohnort: Karlsruhe
|
Hallo Jürgen,
gestern bin ich mal wieder an den Trockner rangegangen und hab Deine Vorschläge durchgeführt.
Die Widerstandsmessung am Restfeuchtefühler u2 hat bei trockener Trommel ∞ Ω ergeben, mit feuchter Wäsche entsprechend schwankende Widerstände.
Das Messen der anderen Widerstände beim Durchfahren des PGS hat unterschiedlichste Werte ergeben, teilweise schwierig zu messen, weil durch die Kondensatoren Lade- und Entladezustände abzuwarten waren.
In Stellung 12 Uhr hab ich die 30V (ohne Wäsche mit trockener Trommel) nicht messen können, aber beim Durchschalten in manchen Positionen ja.
Im Probelauf mit nasser Wäsche konnte ich an 5/2 und 5/3 keine Spannung messen bzw. nur ca. 1V in manchen Bereichen.
Die Widerstände, Dioden, Transistoren und das Reed- Relais auf der Platine hab ich alle durchgemessen, sie sind ok.
Jetzt kann es doch eigentlich nur noch an den ICs oder am PGS liegen, oder?
Etwas frustriert und ratlos.
Winfried
Erklärung von Abkürzungen |
BID = 412511
Jürgen288 Inventar
     
Beiträge: 5121
|
Hallo Winfried,
Zitat :
| Die Widerstandsmessung am Restfeuchtefühler u2 hat bei trockener Trommel ∞ Ω ergeben |
Zitat :
| In Stellung 12 Uhr hab ich die 30V (ohne Wäsche mit trockener Trommel) nicht messen können |
Der provisorische Trafo ist doch noch i.B., also die EF-201 immer mit 230V versorgt?!
Wenn die 33V zwischen 5x u. 7x zu messen sind, keine Wäsche in der Trommel ist (5-2/5/3 hochohmig)u. Du keine ca.30V DC zwischen 7/1 u. 5/3 -bei PGS-Stellung 12Uhr- messen kannst, ist entweder zwischen 7-1 u. 7x auf der Platine eine Unterbrechung, oder bei 5-3 fehlt die Minusverbindung.
Gib uns wieder Bescheid, was Du ermittelt hast.
Gruß Jürgen
_________________
Alle meine Tipps sind nicht rechtsverbindlich und für Schäden und Folgeschäden übernehme ich keinerlei Haftung.
Ausführung immer auf eigene Gefahr !!
Immer die Sicherheitsvorschriften VDE beachten.
Erklärung von Abkürzungen |
BID = 421389
biker1000 Neu hier

Beiträge: 40 Wohnort: Karlsruhe
|
In der Zwischenzeit hab ich mal die beiden ICs und die Zenerdiode ausgetauscht.
Danach hatte ich die 33V beim Durchschalten des Programmschalters zeitweilig anliegen.
Beim Probelauf mit einem grossen nassen Handtuch hatte ich den Eindruck, dass der Fehler behoben sei, nachdem der Trockner zunächst eine Weile gut lief.
Dann hat es eine Weile gedauert, bis ich wieder eine Ladung Trocknerwäsche hatte.
Jetzt habe ich das Gegenteil des vorherigen Fehlers.
Nach dem Einschalten läuft der PGS in einem Stück durch, bleibt bei Kaltluft eine Weile stehen und schaltet dann ab.
Brauche wohl nicht zu erwähnen, dass die Wäsche noch feucht ist.
Frust
Hab gar keine Lust mehr, an das Teil dranzugehen.
Gruß
biker1000
Erklärung von Abkürzungen |
BID = 421714
Jürgen288 Inventar
     
Beiträge: 5121
|
Hallo Biker1000,
Zitat :
| Nach dem Einschalten läuft der PGS in einem Stück durch, bleibt bei Kaltluft eine Weile stehen und schaltet dann ab. |
Das macht das PGS, wenn zwischen 5/2 u.5/3 "trockene" Wäsche erkannt/gemessen wird u. damit über die beiden IC`s das Rel.1 angesteuert wird.
Mach mal folgenden Test:
Dein Meßgerät zwischen 5/2 u. 5/3 (Spannungsmessung) schalten, nasse Wäsche in die Trommel geben, Programm "Extratrocken" wählen u. starten.
Jetzt darf das PGS nicht gleich bis zum "Kaltluftprogrammteil" laufen, sondern sollte mit dem Trocknen beginnen.
Welche Spannung liegt nach Startbeginn zwischen 5/2 u. 5/3 an.
Mit fortschreitender Trocknung muss diese Spannung immer größer werden u. dann erst das Rel.1 schalten.
Gib uns mal die gemessenen Spannungen hier durch.
Gruß Jürgen
_________________
Alle meine Tipps sind nicht rechtsverbindlich und für Schäden und Folgeschäden übernehme ich keinerlei Haftung.
Ausführung immer auf eigene Gefahr !!
Immer die Sicherheitsvorschriften VDE beachten.
Erklärung von Abkürzungen |
Liste 1 MIELE |
|
Zum Ersatzteileshop
Bezeichnungen von Produkten, Abbildungen und Logos , die in diesem Forum oder im Shop verwendet werden, sind Eigentum des entsprechenden Herstellers oder Besitzers. Diese dienen lediglich zur Identifikation!
Impressum
Datenschutz
Copyright © Baldur Brock Fernsehtechnik und Versand Ersatzteile in Heilbronn Deutschland
gerechnet auf die letzten 30 Tage haben wir 13 Beiträge im Durchschnitt pro Tag heute wurden bisher 0 Beiträge verfasst © x sparkkelsputz Besucher : 185883135 Heute : 55 Gestern : 24670 Online : 250 20.10.2025 0:15 3 Besucher in den letzten 60 Sekunden alle 20,00 Sekunden ein neuer Besucher ---- logout ----viewtopic ---- logout ----
|
xcvb
ycvb
0,0906660556793
|