Medion Autoradio CAR-HiFi Auto KFZ Stereoanlage CD-Autoradio (!nicht mp3!) Reparaturtipps und Ersatzteile zum Fehler: Im Unterforum Reparatur - HIFI-Geräte - Beschreibung: Reparaturen an Stereoanlagen, CD-Player, Tuner, Verstärker, Car-HIFI
| Autor |
|
Autoradio Medion CD-Autoradio (!nicht mp3!) |
|
|
|
|
BID = 28068
Gajor Gelegenheitsposter
 
Beiträge: 50 Wohnort: Halle
|
|
Fechheit!
Bin noch am Löten... |
Erklärung von Abkürzungen |
BID = 29637
Gajor Gelegenheitsposter
 
Beiträge: 50 Wohnort: Halle
|
Also: Habs gelötet und jetzt kommt wieder die Fehlermeldung "ERROR 2". Also alles wieder im Urzustand!
Hab jetzt ne andere Version mit dem Transistor: Bild
Wenn die 8V nicht kostant bzw. stabil anliegen,kann die CD doch auch nicht richtig funktionieren, würde ich mal behaupten. Also alle Bauteile wechseln? Transistor hab ich schon.
Auf jedenfall läuft der Motor an (nich immer)und dann beginnt das fiepsen vom Laser, was immer höher wird, dann hört man kurze Anfahrgeräusche vom Laserschlitten und dann... nichts!
Gruß
Hochgeladenes Bild : 1.gif
Erklärung von Abkürzungen |
BID = 29660
BlackAdder gesperrt
|
Tja da gibt es nur eines; Messen, messen, messen,
Datenblätter studieren und Sam Goldwassers CD-FAQ lesen...
Viel Erfolg, ich mache jetzt erstmal auf unbestimmte Zeit Urlaub vom Forum...
Wird sich sicher jemand anders finden, der dir hilft.
Erklärung von Abkürzungen |
BID = 29760
Gajor Gelegenheitsposter
 
Beiträge: 50 Wohnort: Halle
|
 schönen Urlaub und danke!
Also ich hab ja geahnt dass ich messen soll... und zwar ist dieser Widerstand am Kollektor terminiert wurden. Statt 1,1 Ohm sind es einige Kilos. Hab einen anderen mit der selben "Bemalung" verglichen.
Silber,Gold,Schwarz,Braun sind ca. 1,1 Ohm.
Mache mir immer noch keinen Reim auf den Sinn und Funktion dieser Schaltung,da die 12V am Kollector immer anliegen und anscheinend durch Zauberhand plötzlich 8V anliegen.
Also weiter messen....
[ Diese Nachricht wurde geändert von: Gajor am 26 Aug 2003 9:56 ]
Erklärung von Abkürzungen |
BID = 29884
masterandre Gerade angekommen
Beiträge: 17 Wohnort: Gevelsberg
|
Tach mal erst,
bin durch zufall auf das Forum hier gestoßen, da ich Probleme mit nem Tcm-Mp3 Radio hab.(was anscheinend exakt das selbe CD-Teil hat wie das Medion Radio um welches es hier geht)
Folgender Fehler:
Anfänglich aussetzen der Wiedergabe von cds und mp3-cds, was sich durch die Fehlermeldung ERROR2 auf dem Display bemerkbar machte. Der Fehler verschwandt jedoch immer wieder. Bis er seit ein paar Tagen nicht mehr verschwindet.
Konsequenzen:
Radio ausgebaut und cd Teil unter die Lupe genommen, Festgestellt das die CD's sich garnicht erst drehen, der Laserschlitten jedoch scheint noch vollkommen in Takt zu sein. Der Motor der die CD drehen lässt ist auch noch in Takt.
Bissle nachgeforscht und dann auf den Leistungs-Treiber KA9259D gestossen.
Wenn der Motor abgelötet ist liegt eine Spannung von ca. 3.6 V an. (welche sich natürlich verändert da der Motor sich ja nicht immer dreht, "also ich hoffe das war jetzt zu verstehen"  )
Wenn der motor jedoch angelötet ist bricht die Spannung sofort auf ein paar milli-Volt zusammen.
Multimeter dazwischengepackt und den Strom gemessen, der beträgt ca 15mA (bzw. -15mA was wahrscheinlich die CD abbremsen soll).
So jetzt ne fragen an die Freaks unter euch, woran liegts ?
Ps: Die Betriebsspannung liegt am treiber korrekt an, die massen sind auch alle in Ordnung.
Komme nicht richtig mit dem Datenblatt vom KA9259 klar.
Erklärung von Abkürzungen |
BID = 29886
masterandre Gerade angekommen
Beiträge: 17 Wohnort: Gevelsberg
|
Ich wär ja der meinung einfach den vorhandenen Strom zu nutzen um noch nen leistungstreiber anzustäuern  , aber dasist wohl unpraktisch und wird wohl nicht funktionieren  .
Oder ? wär ja irgendwie die simpelste taktik.
müsste nichtmal nen Treiber sein zwei Transen sollten es ja auch tun. (fragt sich dann bloss ob die geschwindigkeit noch richtig geregelt wird.)
so und jetzt haut rein ich will wieder lala im auto haben
Erklärung von Abkürzungen |
BID = 29991
Gajor Gelegenheitsposter
 
Beiträge: 50 Wohnort: Halle
|
Morschn masterandre!
Brauche mal bitte deine Hilfe:
1. Welchen Wert hat R502? Liegt im vorderen rechten Abschnitt der Hauptplatine und hat sich gestern leuchtend verabschiedet.
Ohne ihn geht das Radio nicht mal mehr an.
2. An welcher Stelle taucht die QCK-Leitung vom (vom Radio zur CD) auf der CD-Platine mit dem selben Potential nochmal auf? Brauche ich zum Löten, da die Originalstelle auf der CD-Platine verkolt ist.
Nochwas: Wenn du ne CD einschiebst, wird die 8V-Leitung zur CD gespeißt, miss doch mal ob die da konstant anligen. Bei mir wars nich so.
[ Diese Nachricht wurde geändert von: Gajor am 28 Aug 2003 10:52 ]
Erklärung von Abkürzungen |
BID = 30002
masterandre Gerade angekommen
Beiträge: 17 Wohnort: Gevelsberg
|
Drei Sachen Gajor,
also als erstes Ich hab den R502 gefunden (ABER !!!!! ich hab nen TCM-Radio) er liegt im hinteren rechten Teil der Platine wenn ich von vorne auf das radio schaue, also in der nähe der Anschlussleitungen. Bei mir hat er nen wert von 10-Ohm das würd auch erklären warum er bei dir abgestunken ist. ICH ÜBERNEHME KEINE HAFTUNG
Zweitens:
ich konnte keine QCK finden, also ehrlich gesagt giebt es bei mir keine  . was bedeutet QCK ?
Drittens:
der motor der die cd antreibt braucht bei mir nur 4V. am treiber ic liegen die acht Volt an und sie werden auch vom radio zum cd teil geführt. hab um fehler auszuschließen auch schon die flachbandleitung durch ide-kabel ersetzt.
Habe das problem mehr oder weniger lokalisiert. schaut euch einfach die skizze an und sagt mit wie ich den teil ersetzen kann <-- oder ob es überhaupt daran liegt. alle anderen kanäle funzen einwandfrei. (kann irgendwie kein wackliger sein da ich das ich nachgelötet aber die anfänglichen symtome lasse auf einen shließen)
Hochgeladenes Bild : ka9259.JPG
Erklärung von Abkürzungen |
BID = 30013
Gajor Gelegenheitsposter
 
Beiträge: 50 Wohnort: Halle
|
OK, Mist!
Die Leitungen zur CD sind auf der Platine beschriftet (+8V, DATA, L, R,...) und "Leitung 12" heißt bei mir QCK (weiß auch nicht was das bedeuten soll). Also hast doch n andreas Radio mit dem selben CD-Teil,mmh.
Korigiere mich wenn ich falsch liege, aber Pin17,18 steuern den/das SLED. Die zur Steuerung des Laserschlitten zuständig sind. Pin 11,12 sind für den "Spindle Motor" verantwortlich, der die CD dreht.
[ Diese Nachricht wurde geändert von: Gajor am 28 Aug 2003 14:38 ]
Erklärung von Abkürzungen |
BID = 30339
masterandre Gerade angekommen
Beiträge: 17 Wohnort: Gevelsberg
|
So.......
hab mir jetzt mal was zusammengebastelt.
Also... wie schon zuvor beschrieben bricht die Spannung an dem Motor der die CD dreht bei meinem Radio unerklärlich zusammen. Ist jedoch der Motor ab habe ich auf der Platine eine hervorragende Spannung für den Motor. Die Potenzialdifferenz zwischen den Punkten beträgt +3,6V bzw. -3,6V wahrscheinlich für das beschleunigen und das abbremsen.
Lange Rede kurzer Sinn -> meiner meinung nach ist dieser Kanal des Leistungstreibers in Ar....
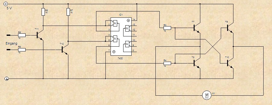
Im Datenblatt den Eingang dieses Kanals rausgesucht und folgende Schaltung improvisiert (es geht bestimmt einfacher  ). Funktioniert soweit auch, hatte aber nurnoch BC550'er hier rumfliegen, und keine BC140'er (wie ich sie eigentlich dafür bräuchte).
Hab mir dann überlegt ob ich den kleinen die 300mA für den motor  antun soll. Habs dann gelassen und bin immer noch nicht weiter  .
Was ich jetzt eigentlich wissen wollte ist ob jemand ne ahnung hat ob die geschwindigkeits regellung damit noch funktioniert. hab ja mal die ganzen zwischenschritte mit dem 7400 Plattgemacht.
Wollte es erst mit ops machen hat aber nicht gefunzt weil ich an keine negative spannung komme im auto komme. Hab dann versucht mit nem 723 zwei Impedanzwandler (mit transe dabei) zu bauen. Hat soweit funktioniert, es ist von den ausgängen ein strom gegen masse geflossen, aber nicht zwischen den beiden ausgängen.
ALSO HELFT MIR, BITTE !!!!
Hochgeladenes Bild : tja.jpg
Erklärung von Abkürzungen |
BID = 33993
guenni-k Gerade angekommen
Beiträge: 1 Wohnort: Stuttgart
|
Hallo Zusammen
Ich hatte das problem (CD wird nicht eingezogen, Error2) auch, allerdings bei einem Redstar RCD-103.
Ich hab mich dann mal auf die Suche gemacht, warum die CD nicht eingezogen wird.
Das lag daran, dass die LED der Lichtschranke nicht angesteuert wurden. Dies sollte eigentlich der RS8802 machen, über einen Transistor (C103, was auch immer das sein mag). Den hab ich dann kurzerhand überbrückt (Collector auf Emmiter) und jetzt läufts wieder. Ich denke zwar, dass es nicht optimal, bzw nicht unbedingt gewünscht ist, wenn die LEDs ständig an sind, aber ich hatte keinen Bock, der sache weiter nach zu gehen. Und solange es funktioniert...
Gruß, Gunther
Erklärung von Abkürzungen |
BID = 37741
Gajor Gelegenheitsposter
 
Beiträge: 50 Wohnort: Halle
|
Hi!
Habs schon lange aufgegeben und das CD-Teil in die Tonne gehauen. Denn es ging einfach nicht.
Außerdem hat dieses qualitativ minderwertige Produkt nicht die Aufmerksamkeit verdient, die ich ihm bis heute geschenkt habe.
Danke für Euer Verständnis...
Tschö mit Ö
[ Diese Nachricht wurde geändert von: Gajor am 6 Nov 2003 22:46 ]
Erklärung von Abkürzungen |
BID = 41411
masterandre Gerade angekommen
Beiträge: 17 Wohnort: Gevelsberg
|
Das ist einfach das minderwertigste Stück elektronik schrott was mir jemals über den weg gelaufen ist. den leuten die sich das ausgedacht haben kann ich nur sagen, das war das teuerste stück schrott was ich jemals gekauft habe. die sollten sich was schämen und nochmal die schulbank drücken, denn mit den mitteln die die zur verfügung haben könnten die nen richtiges radio bauen, was 10€ teurer ist und dafür tausenden von reklamationen entgehen. habe schon von vielen leuten gehört das sie bei diesen billig radios (tcm, medion, roadstae usw.) die fehlermeldung ERROR2 haben, die haben das teilweise schon dreimal umgetauscht. (man sollten den leuten mal sagen das so eine schaltung temperaturunabhängig, toßunabhängig und auch spannungsschwangungen gewachsen sein sollte).
also das kann echt nicht sein
ich hab mir nen markenradio für 180 schleifen gekauft, von der wiedergabequalität kann ich nur sagen das sie 5x besser ist als die von dem billig radio. von der verarbeitungsquallität ist garnicht erst zu sprechen.
für mich ist QUALLITÄT zum gesetz geworden.
so das wars
Erklärung von Abkürzungen |
|
Zum Ersatzteileshop
Bezeichnungen von Produkten, Abbildungen und Logos , die in diesem Forum oder im Shop verwendet werden, sind Eigentum des entsprechenden Herstellers oder Besitzers. Diese dienen lediglich zur Identifikation!
Impressum
Datenschutz
Copyright © Baldur Brock Fernsehtechnik und Versand Ersatzteile in Heilbronn Deutschland
gerechnet auf die letzten 30 Tage haben wir 17 Beiträge im Durchschnitt pro Tag heute wurden bisher 15 Beiträge verfasst © x sparkkelsputz Besucher : 187980341 Heute : 10656 Gestern : 28182 Online : 383 27.12.2025 23:14 11 Besucher in den letzten 60 Sekunden alle 5.45 Sekunden ein neuer Besucher ---- logout ----viewtopic ---- logout ----
|
xcvb
ycvb
0.0345301628113
|