| Autor |
|
|
|
BID = 181851
Schwammkopf85 Stammposter
   
Avatar auf fremdem Server ! Hochladen oder per Mail an Admin
Beiträge: 203
|
|
MOIN!!!
Hab hier so´n Bauteil rumzuliegen bin mir ziemlich sicher das das der UJT 2N2646 ist.
Auf dem steht erstmal was, was ich nicht richtig erkennen kann. Endweder es sind zwei einsen oder es ist ein "M" wie das von Motorola. Geh aber davon aus das es ein "M" ist. danach kommt 26 und darunter 46 und darunter steht 8039.
Mein eigentliches Problem ist das ich nach einem Datenblatt gesucht hab und auch mehrere gefunden hab, aber die Anschlußbelegung an so einem Transi mit rundem Hütchen beschrieben ist. Das Hütchen von meinem ist aber klein, schwarz, runde und auf einer seite abgeflacht . War auch schon auf der Homepage von Motorola gewesen und hab mir da ein Datenblatt runtergeladen. Aber selbst da das selbe Problem . Was soll ich bloß machen???
Wenn ihr antwortet könnt ihr, falls ihr wisst ja nebenbei gleich mal sagen, wie diese Bauarten der Hütchen heißen. Die haben doch einen bestimmten Namen, oder?
Naja bis dann. |
|
BID = 181895
perl Ehrenmitglied
       
Beiträge: 11110,1 Wohnort: Rheinbach
|
|
Das es den 2N2646, oder andere UJT im Kunststoffgehäuse gibt, ist mir auch neu, zumal diese Teile vorwiegend in kommerziellen Geräten eingesetzt wurden, bei denen es nicht auf billigste Machart ankommt.
Aber es gibt sie:
_________________
Haftungsausschluß:
Bei obigem Beitrag handelt es sich um meine private Meinung.
Rechtsansprüche dürfen aus deren Anwendung nicht abgeleitet werden.
Besonders VDE0100; VDE0550/0551; VDE0700; VDE0711; VDE0860 beachten ! |
|
BID = 181966
Schwammkopf85 Stammposter
   
Avatar auf fremdem Server ! Hochladen oder per Mail an Admin
Beiträge: 203
|
Leider konnte ich auf diesem Datenblatt nicht finden, welches Beinchen Emitter, Base1 und Base2 ist.
sowas hab ich ja noch nie gesehen, das das nicht auf dem Datenblatt steht  ... oder ist das das auf der Letzten Seite (Lead1, Lead2...)
[ Diese Nachricht wurde geändert von: Schwammkopf85 am 3 Apr 2005 12:49 ]
|
BID = 182050
Schwammkopf85 Stammposter
   
Avatar auf fremdem Server ! Hochladen oder per Mail an Admin
Beiträge: 203
|
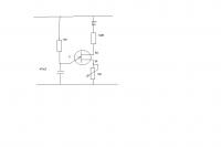
Hab das jetzt mal aufgebaut. (Angenommen links Emitter, mitte Basis1, rechts Basis2) aber wenn ich das jetzt an 5V anschließe, geht sofort die LED ganz leicht an und geht langsam aus. Der Kondensator läd sich auf 5V und nichts Passiert. hab auch am Poti gedreht. Auch keine Veränderung.
Ne Idee woran das liegen könnte?
Ich könnte mir nur vorstellen, das die Anschlußbelegung anders ist. (unten noch die Schaltung, so wie ich sie aufgebaut habe)
MfG jan
|
BID = 182129
perl Ehrenmitglied
       
Beiträge: 11110,1 Wohnort: Rheinbach
|
Du hast immer noch nicht verstanden wie ein UJT funktioniert.
Ersetz das Poti mal durch 10 Ohm oder so und lege die LED in die Leitung vom Kondensator zum Emitter.
_________________
Haftungsausschluß:
Bei obigem Beitrag handelt es sich um meine private Meinung.
Rechtsansprüche dürfen aus deren Anwendung nicht abgeleitet werden.
Besonders VDE0100; VDE0550/0551; VDE0700; VDE0711; VDE0860 beachten !
|
BID = 182168
Schwammkopf85 Stammposter
   
Avatar auf fremdem Server ! Hochladen oder per Mail an Admin
Beiträge: 203
|
(UJT) Ein besonderes Transistortyp mit nur einer Sperrschicht. Diese wird schlagartig stark leitend, wenn die Schwellenspannung (die sich proportional nach der Kollektorspannung richtet) erreicht wird. Findet gelegentlich als Schaltelement in Kippschaltungen Anwendung. (So steht das auf www.elektroniknet.de)
Was hab ich denn deiner Meinung nach falsch verstanden??? Ich werde nochmal verrückt. Was mach ich falsch???
|
BID = 182181
Schwammkopf85 Stammposter
   
Avatar auf fremdem Server ! Hochladen oder per Mail an Admin
Beiträge: 203
|
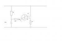
hab das jetzt so umgebaut wie du gesagt hast. Der Kondi läd sich auf und die LED leuchtet gar nicht mehr. Der blöde UJT wird nicht leitend!!! Ich denke ja das das beinchen was ich für emitter halte nicht der emitter ist sondern Basis1 oder so. zu dem Ding gibts aber auch NIRGENDWO ein Datenblatt!!! Bin echt am verzweifeln!!!
Unten nochmal das Bild wie die Schaltung jetzt aussieht.
|
BID = 182200
perl Ehrenmitglied
       
Beiträge: 11110,1 Wohnort: Rheinbach
|
So ungefähr sollte das aber gehen.
Vielleicht hast du zuwenig Betriebsspannung, oder du hast den UJT falsch angeschlossen.
Mit einem Ohmmeter solltest du zwischen B1 und B2 größenordungsmäßig 5kOhm finden.
Den 100R legst du, wenn überhaupt, in die B2 Leitung.
Zitat :
| | wenn die Schwellenspannung (die sich proportional nach der Kollektorspannung richtet) erreicht wird |
Ob denen schon aufgefallen ist, daß dieses Bauteil überhaupt keinen Kollektor hat ?
Zitat :
| | zu dem Ding gibts aber auch NIRGENDWO ein Datenblatt |
Wieso ? Du hast nun doch mindestens zwei.
_________________
Haftungsausschluß:
Bei obigem Beitrag handelt es sich um meine private Meinung.
Rechtsansprüche dürfen aus deren Anwendung nicht abgeleitet werden.
Besonders VDE0100; VDE0550/0551; VDE0700; VDE0711; VDE0860 beachten !
|
BID = 182223
Schwammkopf85 Stammposter
   
Avatar auf fremdem Server ! Hochladen oder per Mail an Admin
Beiträge: 203
|
Wo soll ich denn 2 Datenblätter herhaben? Das was du mir gegeben hast hatte irgendwie nicht die Anschlußbelegung dieses Transistors aufgeführt, sonst hatte ich auch keins gefunden.
Betriebsspannung von 5V sollte reichen, oder?
Du hast doch gesagt ich soll die Diode in die Leitung von Kondensator zu Emitter legen. Da brauch ich doch einen Vorwiderstand.
Kann ich die 5KOhm auch messen, wenn der Transistor noch nicht eingebaut ist? Dann könnte ich ja auf diese Weise herrausfinder welche anschlüße B1 und B2 sind.
|
BID = 182228
Lötfix Schreibmaschine
    
Beiträge: 2328 Wohnort: Wien
|
Hallo!
Im Datenblatt letzte Seite, ganz unten: Terminal Connections TO92
mfg lötfix
_________________
Haftungsausschluß:
Bei obigem Beitrag handelt es sich um meine private Meinung. Rechtsansprüche dürfen daraus nicht abgeleitet werden. Sicherheitsvorschriften beachten!
|
BID = 182234
Schwammkopf85 Stammposter
   
Avatar auf fremdem Server ! Hochladen oder per Mail an Admin
Beiträge: 203
|
Also links Emitter mitte Basis1 und rechts Basis2 wenn der Transistor so liegt wie auf der ersten Seite, ne?
Hab ich das richtig interpretiert, das der bei 2V durchschalten soll? Emitter Saturation Voltage?
und was heißt "Base1 peak pulse Voltage"?
Übersetzt würde das ja heißen "spitzen impulsspannung von Basis1" damit kann ich nichts anfangen.
Perl sagt immer das ich nicht verstanden hab wie ein UJT funktioniert  . Was hab ich denn falsch verstanden. Wäre echt froh, wenn mir das mal einer sagen könnte. Dann könnte ich mich mal schlau machen.
[ Diese Nachricht wurde geändert von: Schwammkopf85 am 3 Apr 2005 20:50 ]
|