Probleme mit Schaltungsverständnis

Im Unterforum Alle anderen elektronischen Probleme - Beschreibung: Was sonst nirgendwo hinpasst

Elektronik Forum Nicht eingeloggt       Einloggen       Registrieren




[Registrieren]      --     [FAQ]      --     [ Einen Link auf Ihrer Homepage zum Forum]      --     [ Themen kostenlos per RSS in ihre Homepage einbauen]      --     [Einloggen]

Suchen


Serverzeit: 25 10 2025  19:18:01      TV   VCR Aufnahme   TFT   CRT-Monitor   Netzteile   LED-FAQ   Oszilloskop-Schirmbilder            


Elektronik- und Elektroforum Forum Index   >>   Alle anderen elektronischen Probleme        Alle anderen elektronischen Probleme : Was sonst nirgendwo hinpasst


Autor
Probleme mit Schaltungsverständnis

Problem gelöst    







BID = 180527

stoenky

Neu hier



Beiträge: 23
 

  


Hallo.

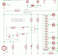
Habe Probleme mit dem Verständniss des rot makierten Schaltungsabschnittes.
Hoffe das hier ein Crack ist der mir weiterhelfen kann.

Gruß stoenky



BID = 180542

.

Stammposter



Beiträge: 214
Wohnort: Auf der Alm

 

  

Ich weiß auch nicht was das ist.

Aber ich finde es gut, daß wir mal drüber gesprochen haben.

BID = 180622

ProximaX

Schreibmaschine



Beiträge: 2604
Wohnort: Bensheim

Gibt es das Gepinsel auch in hochauflösend???
Das eine Diode ne Z-Diode ist kann ich grad noch so erkennen.
Davon abgesehen würde eine normale Diode da keinen Sinn ergeben.

BID = 180697

stoenky

Neu hier



Beiträge: 23

Hi,

hoffe man kann es jetzt besser erkennen.
Diese Schaltung zeigt den Batteriestand an.
Bei hoher Akkuspannung leuchte LED1 und bei schwachem Akku leuchtet LED 2.
Aber wie funktioniert das genau?

stoenky



BID = 180716

Lötfix

Schreibmaschine



Beiträge: 2328
Wohnort: Wien

Hallo!

Q5 wir bei Eingangsspannung über ca. 10,6V leitend.
Ist die Spannung groß genug fließt Strom aus der Basis von Q4 über R17, die LED1 (welche dann leuchtet), Q5 zur Zenerdiode wo 6,2V anliegen:
Durch den Basisstrom wird Q4 leitend und zieht die Basis von Q3 nach +12V sodaß dieser sperrt und LED2 dunkel ist.
Wenn die Eingangsspannung aber nicht ausreicht daß Q4 leitend wird, zieht R15 Strom aus der Basis von Q3 welcher leitend wird und LED2 leuchtet.

mfg lötfix


_________________
Haftungsausschluß:
Bei obigem Beitrag handelt es sich um meine private Meinung. Rechtsansprüche dürfen daraus nicht abgeleitet werden. Sicherheitsvorschriften beachten!

BID = 180723

ProximaX

Schreibmaschine



Beiträge: 2604
Wohnort: Bensheim

Wenn eine genügend hohe Spannung anliegt ist die Z-Diode leitend.
Am npn liegt eine Basisspannung an und der Emitter liegt über die Z-Diode auf Masse. Gleichzeitig liegt an den beiden pnp-Transen eine Spannung an den Emittern.
Der Widerstand über 04 mit 560Ohm ist am geringsten und der Basisstrom fliesst über die grüne LED zu Masse.
Grüne LED an.
Der Arbeitsstrom fliesst über R15 zu Masse. Die Basis von Transistor liegt am Pluspotential und 03 sperrt.
Sinkt die Spannung nun unter die Zenerspannung von der Z-Diode liegen R17 und die grüne LED nicht mehr an Masse und der Basisstrom von 04 kann nicht mehr fliessen. Fliesst der Basisstrom nicht, fliesst auch kein Arbeitsstrom und das Pluspotential an der Basis von Transistor 03 verschwindet.
Es liegt hingegen an Masse, sprich der Transistor schaltet durch und der Arbeitsstrom fliesst über R14 ab und die rote LED leuchtet!


rrrr Lötfix war schneller

[ Diese Nachricht wurde geändert von: ProximaX am 30 Mär 2005 21:43 ]


Zurück zur Seite 1 im Unterforum          Vorheriges Thema Nächstes Thema 
Das Thema ist erledigt und geschlossen. Es kann nicht mehr geantwortet werden !



Zum Ersatzteileshop


Bezeichnungen von Produkten, Abbildungen und Logos , die in diesem Forum oder im Shop verwendet werden, sind Eigentum des entsprechenden Herstellers oder Besitzers. Diese dienen lediglich zur Identifikation!
Impressum       Datenschutz       Copyright © Baldur Brock Fernsehtechnik und Versand Ersatzteile in Heilbronn Deutschland       

gerechnet auf die letzten 30 Tage haben wir 12 Beiträge im Durchschnitt pro Tag       heute wurden bisher 10 Beiträge verfasst
© x sparkkelsputz        Besucher : 186004773   Heute : 12011    Gestern : 12637    Online : 273        25.10.2025    19:18
10 Besucher in den letzten 60 Sekunden        alle 6.00 Sekunden ein neuer Besucher ---- logout ----viewtopic ---- logout ----
xcvb ycvb
0.0465688705444