| Autor |
|
Verstärker Pioneer A 333 |
Problem gelöst
|
|
|
|
BID = 157629
koli3 Gerade angekommen Beiträge: 19 Wohnort: 49479
|
|
Hallo zusammen.
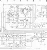
Habe ein Problem mit meinem Verstärker.Ein starkes Brummen stört den Musikgenuß.Wenn ich die Dioden mit Kältespray bearbeite,ist der Ton kurz ganz weg.Gehe ich mit dem Lötkolben ran,wird der Ton kurze Zeit sehr gut.Die Spannung von 38,9 Volt stimmt,und die Dioden habe ich auch schon Ausgetauscht.Was kann ich denn jetzt wohl machen?
Ich versuche jetzt noch das passende Bild hochzuladen.Ich hoffe es klappt.
MFG. koli
Hochgeladene Datei ist grösser als 300000 . Deswegen nicht hochgeladen
|
Erklärung von Abkürzungen |
BID = 157631
koli3 Gerade angekommen Beiträge: 19 Wohnort: 49479
|
Erklärung von Abkürzungen |
BID = 160454
koli3 Gerade angekommen Beiträge: 19 Wohnort: 49479
|
Hallo zusammen.
Ist der Ausschnitt von der Zeichnung zu klein?
Oder braucht ihr noch andere Daten?
Danke schon mal im vorraus.
MFG.koli
Erklärung von Abkürzungen |
BID = 160507
ASZ Schriftsteller
    
Beiträge: 740
|
ich an deiner stelle würde mir mal die massen vornehmen vor allem die der chinchbuchsen am eingang und die wo vom radio kommen nicht dass dir da eine masse abgeht oder mal die masse also (-) von der versorgung der endstufe , kann ja sein dass sich dort am anschluß schwitzwasser gebildet hat und dir die masse oxydiert ist.
noch eine frage, wie siehts aus wenn du die eingänge also chinch absteckst, brummts dann immer noch ??
servus
andi
Erklärung von Abkürzungen |
BID = 161080
koli3 Gerade angekommen Beiträge: 19 Wohnort: 49479
|
Hallo.
An den chichbuchsen kann ich nichts feststellen.Wenn ich dann das Kabel CN 17 abmache und dann an der Platine meinen Signalverfolger an R. halte kommt ein heller Feifton heraus.Allerdings zieht das Relai auch nicht an.Das Feifen ist nur dann,wenn ich das Relai mit der Hand betätige.Und das alles ohne eingestecktes chinchkabel.
Vielen Dank schon mal im vorraus.
Erklärung von Abkürzungen |
BID = 161466
ASZ Schriftsteller
    
Beiträge: 740
|
hi,
also wenn dir das relai schon nicht anzieht dann würde ich sagen dass du den fehler in der endstufe suchen mußt, ich würde mal zum einen die + und - spannung für die versorgung messen ob die gleich ist ( 2-5V unterschied machen in der regel nichts aus ) ansonnsten Q301 und Q302 mal die basisspannung messen die muß auf jeden fall unter 0,7V sein, an Q305 an der basis müssen auch 0V sein.
solltest du da + oder- die betriebsspannung anliegen haben dann ist einer der endstufentransistoren defekt ( kollektor emitter schluß ) oder wenn das nicht der fall ist dann hat die treiberstufe einen defekt, kannst ja vergleichsmessungen machen da ich mal ausgehe dass nicht beide endstufen defekt sind.
solltest du damit nicht klar kommen kannst mir die endstufe gerne zur reparatur einschicken, adresse ist oben unter dem WWW.
servus
andi
Erklärung von Abkürzungen |
BID = 165100
koli3 Gerade angekommen Beiträge: 19 Wohnort: 49479
|
Hi andi
Wenn du mir sagen kannst,was es ungefähr kostet?
Q 1 bis Q 4 sind neu.Q 201 und 202 sind auch neu.Die zweite Endstufe funktioniert auch nicht.Kurzschluß von mir.Q 202 wird sehr warm.
Erklärung von Abkürzungen |
BID = 165239
ASZ Schriftsteller
    
Beiträge: 740
|
hallo,
ich kann dir so keinen KVA erstellen da ich daran erst selber messen muß und mit ein bild von den fehlern machen muß, erst dann kann ich dir sagen wie hoch die kosten sind und was wirklich alles defekt ist, dazu mußt du die endstufe aber zu mir einschicken.
die adresse findest du unter der WWW adresse oben.
servus
andi
Erklärung von Abkürzungen |
BID = 166665
koli3 Gerade angekommen Beiträge: 19 Wohnort: 49479
|
Hi.
Ich fahr jetzt erst mal in Urlaub.Melde mich dann später wieder.Vielen dank erst mal.
Erklärung von Abkürzungen |