spezielle Verstärkerschaltung

Im Unterforum Alle anderen elektronischen Probleme - Beschreibung: Was sonst nirgendwo hinpasst

Elektronik Forum Nicht eingeloggt       Einloggen       Registrieren




[Registrieren]      --     [FAQ]      --     [ Einen Link auf Ihrer Homepage zum Forum]      --     [ Themen kostenlos per RSS in ihre Homepage einbauen]      --     [Einloggen]

Suchen


Serverzeit: 29 12 2025  17:57:05      TV   VCR Aufnahme   TFT   CRT-Monitor   Netzteile   LED-FAQ   Oszilloskop-Schirmbilder            


Elektronik- und Elektroforum Forum Index   >>   Alle anderen elektronischen Probleme        Alle anderen elektronischen Probleme : Was sonst nirgendwo hinpasst


Autor
spezielle Verstärkerschaltung
Suche nach: verstärkerschaltung (211)

Problem gelöst    







BID = 150567

technikfreak

Stammposter

Beiträge: 273
Wohnort: Saarland
Zur Homepage von technikfreak
 

  


Hallo Leute,
ich benötige eine Verstärkerschaltung die ein NF-Signal eines CD-Players verstärkt. Die Ausgangsspannung des Verstärkers sollte bis auf ca. 11,5 V (bei 12 V Versorgungspannung) eingestellbar sein. Die Ausgangsleistung ist von geringer Bedeutung, die Ausgangsspannung wird höchstens mit 50 mA (großzügig geschätzt) belastet.
Wenn möglich sollte die Schaltung mit folgenden Transistoren realisierbar sein:
BC 548
BC 517

BID = 150574

wulf

Schreibmaschine



Beiträge: 2246
Wohnort: Bozen

 

  

hallo,
ich hab zwar keine schaltung für dich,
aber ich glaube dass es keinen sinn macht mit standart tranistoren einen audioverstärker aufzubauen.
versuchs mit guten!! opv's ( man kann dabei die grungschaltungen hernehmen.
manche leifern auch genug strom
z.b. LM6171 oder (mein favorit)THS4011
mfg wulf

_________________
Simon
IW3BWH

BID = 150583

sepp@kaernten

Schriftsteller



Beiträge: 709
Wohnort: Austria

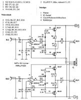
@ technikfreak:

ist zwar nicht das gewünschte....aber sollte einen denkanstoss geben.....

daten: verstärkung ca. 7,7 / 18dB
ausgangspannung ca 25Vss / Ueff 8V
klirrfaktor: 0.01%

...greetz...



BID = 159579

technikfreak

Stammposter

Beiträge: 273
Wohnort: Saarland
Zur Homepage von technikfreak

So ich hab das Projekt jetzt wieder aufgenommen.
Mit einem OP müsste es doch eigendlich lösbar sein, aber leider hab ich von OPs so gut wie fast keine Ahnung, welchen Typ ich da benötige.
Das Ausgangssignal sollte von +1 bis +12 Volt einstellbar sein. Brauche ich dann für den OP auch eine +/- Spannung?
Kann mir jemand da vielleicht einen Schaltplan zeichnen.


Zurück zur Seite 1 im Unterforum          Vorheriges Thema Nächstes Thema 
Das Thema ist erledigt und geschlossen. Es kann nicht mehr geantwortet werden !



Zum Ersatzteileshop


Bezeichnungen von Produkten, Abbildungen und Logos , die in diesem Forum oder im Shop verwendet werden, sind Eigentum des entsprechenden Herstellers oder Besitzers. Diese dienen lediglich zur Identifikation!
Impressum       Datenschutz       Copyright © Baldur Brock Fernsehtechnik und Versand Ersatzteile in Heilbronn Deutschland       

gerechnet auf die letzten 30 Tage haben wir 17 Beiträge im Durchschnitt pro Tag       heute wurden bisher 6 Beiträge verfasst
© x sparkkelsputz        Besucher : 188002058   Heute : 6076    Gestern : 15227    Online : 284        29.12.2025    17:57
9 Besucher in den letzten 60 Sekunden        alle 6.67 Sekunden ein neuer Besucher ---- logout ----viewtopic ---- logout ----
xcvb ycvb
0.0668461322784