| Autor |
|
|
|
BID = 133083
Henne02 Stammposter
    Beiträge: 493 Wohnort: Aachen
|
|
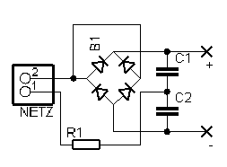
Ich brauche als Speisespannung für mein Strobo ca. 600V.
Da mir die ehemalige Schaltung nicht wirklich brauchbar scheint (Drossel bremst Entladestrom auf netzverträgliche 20A), möchte ich auf die herkömmliche Kondensatorspeisung umsteigen.
Um eine ausreichende Stromfestigkeit zu bekommen, habe ich einen Brückengleichrichter statt 2 Dioden genommen.
Der Widerstand ist 19Ohm / 25W.
Die Caps sind 60µF / 250V.
Mein Problem:
Ich bekomme zwischen + und Nullleiter +250V und zwischen - und Nulleiter -250V. Soweit alles super. Aber ratet mal, was mein Messgerät zwischen + und - anzeigt...
0V!!! (bzw. die Differenz des Betrags der Kondensatorspannungen...)
Ehrlich gesagt habe ich keine Erklärung dafür... Wär schön, wenn Ihr mir das Brett vorm Kopf nehmen könntet
Grüße, Hendrik
PS.: Ich weiß, dass hier Hochspannung unerwünscht ist, aber bitte seid in diesem Fall so nett und definiert HV als >1kV
Außerdem wäre es nett, wenn wir die Sicherheitshinweise wegen der Gefahr solcher Spannungen überspringen könnten - oder wenigstens kurz halten (ich habe hier ein paar TCs und CEE-Kram rumstehen ) |
|
BID = 133086
Henne02 Stammposter
    Beiträge: 493 Wohnort: Aachen
|
|
Ich habe jetzt mal eine AC-Klemme abgenommen und erhalte plötzlich 300V...
Kann es sein , dass die Gleichrichter von Pollin falsch beschriftet sind?!?
+ ist die Ecke. Daneben habe ich - und gegenüber die beiden AC...
ich denke, da stimmt mit AC und - was nicht...
Grüße, Hendrik |
|
BID = 133091
Henne02 Stammposter
    Beiträge: 493 Wohnort: Aachen
|
Jetzt funzt alles. Die Beschriftung stimmte nicht 
|
BID = 133093
alpha-ranger Schreibmaschine
    
Beiträge: 1517 Wohnort: Harz / Heide
|
Hallo,
irgend etwas läuft da wohl fallsch.
Im Leerlauf müssen dort an den Elkos 230 mal 1,414 Volt anstehen, also 325 Volt DC. Und nicht 250 Volt.
Da Deine Elkos nur 250 Volt Typen sind, kann es gewaltig krachen !
Hier sind Typen ab 385 Volt einzusetzen !!
Die Elkos sind höchstwahrscheinlich schon hin, sonst hättest Du nicht so eine geringe Einzelspannung und eine so niedrige Gesamtspannung.
Zur eigenen Sicherheit, das arbeiten mit Spannungen über 24 Volt ist ohnehin nur Sachkundigen erlaubt, schalte über die Elkos jeweils einen 100 kOhm Widerstand, damit sie sich entladen können. Ansonsten VDE und VBG4 beachten.
mfG.
_________________
Wie der alte Meister schon wußte: Der Fehler liegt meist zwischen Plus und Minus. :-)
Und wenn ich mir nicht mehr helfen kann, schließ ich Plus an Minus an.
|
BID = 133100
Henne02 Stammposter
    Beiträge: 493 Wohnort: Aachen
|
Für das Strobo habe ich Motor-Caps genommen. Die machen 250V-AC
Von dem Derating üblicher Caps auszugehen, schätze ich, dass die teile auch 400Vdc mitmachen. Im normalen Betrieb werden sie ja auch mit Û beaufschlagt.
Es lag wirklich an der falschen Beschriftung *g*
Grüße, Hendrik
- der jetzt auch die gewünschten 625Vdc bekommt
EDIT: Bleeder sind selbstverständlich!! (ich bin doch nicht lebensmüde. Vor dem Arbeiten überprüfe ich auch noch einmal die Spannung - ist vielleicht etwas pingelig aber ich fühle mich so besser...)
[ Diese Nachricht wurde geändert von: Henne02 am 27 Nov 2004 14:23 ]
|
BID = 133102
alpha-ranger Schreibmaschine
    
Beiträge: 1517 Wohnort: Harz / Heide
|
Da hast Du noch mal Glück gehabt, solche MP Kondensatoren machen nach eigenen Messunge erst bei über 2000 Volt schlapp. 
|
BID = 133107
Henne02 Stammposter
    Beiträge: 493 Wohnort: Aachen
|
...außerdem steht noch groß BOSCH drauf
da weiß man was man hat
Falls ich mich irre, habe ich wenigstens für 1,95€ einen Wahnsinns-Chinaböller gebastelt *g*
Grüße, hendrik
Ach ja, Danke dass du mich auf die Grenzspannung aufmerksam gemacht hast. Allerdings fielen Elkos schon allein wegen der Impulsentladung aus...
|
BID = 133123
Henne02 Stammposter
    Beiträge: 493 Wohnort: Aachen
|
Strobo läuft.
habe schon 2min Dauerbetrieb gemacht (14Hz); danach war ICH kaputt - Sterne gesehen, Augen brennen vom Ozon, riechen tu ich sowieso erst mal nix mehr...
Schon witzig, was man so aus einer XOP 1500 rausholen kann, wenn man sie mal richtig auf Nennspannung bringt.
Falls die 60µ mal doch nicht reichen sollte - 100µ/500V stehen schon bereit
Grüße, hendrik
|
BID = 133138
Benedikt Inventar
      Beiträge: 6241
|
Ich nehm für sowas immer meinen 2,5kV 570uF Impulskondensator. Nur ab etwa 1000V überleben das die meisten Röhren nicht, und derjenige der danebensteht und die Glassplitter abbekommt warscheinlich auch nicht 
|
BID = 133157
Henne02 Stammposter
    Beiträge: 493 Wohnort: Aachen
|
Darum betreibe ich dieRöhre auch mit Nennspannung (600V)
und nicht mit 1kV.
Gewisse Firmen sind aber die Caps scheinbar zu teuer und deswegen bauen sie einen miniverdoppler zum Einleiten der Entladung nach der ionisation und schieben dann einfach Netzstrom hinterher, der durch eine dicke Drossel limitiert wird. So kommen statt 600V nur max. 300 an
Grüße, Hendrik
|
BID = 133168
alpha-ranger Schreibmaschine
    
Beiträge: 1517 Wohnort: Harz / Heide
|
@Henne:
MP-Kondensatoren ergeben keine Böller.
Bei annäherung an die Grenzspannung fangen sie nur laut zu knistern an.
mfG.
|
BID = 133200
Benedikt Inventar
      Beiträge: 6241
|
Zitat :
alpha-ranger hat am 27 Nov 2004 17:44 geschrieben :
|
@Henne:
MP-Kondensatoren ergeben keine Böller.
Bei annäherung an die Grenzspannung fangen sie nur laut zu knistern an.
mfG.
|
Da muss ich wiedersprechen.
Ich kenne einige Fälle in denen es nicht geknistert sondern geknallt hat. Von dem Kondensator war nicht mehr viel übrig...
|
BID = 133228
Henne02 Stammposter
    Beiträge: 493 Wohnort: Aachen
|
Wie, nur knistern?!?
Gehen sie dabei denn in Ihrer Kapazität runter oder bleibt das bei dem bischen Koronaentladung?
Ein leises Knistern war beim ersten Test nach 10s zu hören. 2min später war ich wieder tollkühn genug, den Stecker einzustöpseln und richtig zu heizen
Jetzt geben die Dinger Ruhe bei gleicher Intensität...
Grüße, Hendrik
|
BID = 133267
alpha-ranger Schreibmaschine
    
Beiträge: 1517 Wohnort: Harz / Heide
|
Hallo,
diese MP-Kondensatoren sind selbstheilend, d.h. wenn ein Schwachpunkt vorliegt verdampft dort das Material ohne einen kompletten Ausfall zu erzeugen.
MP = Metall Papier [ http://www.elektronikinfo.de/strom/.....toren ].
Wenn das knistern von selbst abgeklungen ist, sind sie bestimmt von nun an Fit für jede Untat.
Bei Verwendung von MP-Kondensatoren an Strobo-Röhren ist das Licht sehr blau und kalt. ( hoher Strom für kurze Zeit)
Bei Elkos wirkt es weißer und angenehmer.
Deine Augen solltest Du besser schützen. Ohne UV-Filter haben Deine Augen bald ausgedient.
mfG.
_________________
Wie der alte Meister schon wußte: Der Fehler liegt meist zwischen Plus und Minus. :-)
Und wenn ich mir nicht mehr helfen kann, schließ ich Plus an Minus an.
|
BID = 133353
Henne02 Stammposter
    Beiträge: 493 Wohnort: Aachen
|
Die Farbtemperatur ist schon heftig, da hast du Recht. Allerdings mögen Elkos keine Impulsentladung und köcheln dann etwas...
Die Farbtemperatur wollte ich eigentlich mit einer kleinen Luftspule einstellen. So kann ich die Entladung abbremsen und etwas linearisieren
Ich gucke nie direkt in die Röhre!! Die Wände sind schon grell genug... Und für den Normalbetrieb kann man ja wohl kaum Schweißbrillen vorschlagen
So und jetzt wird erstmal auf DMX umgerüstet *harr, harr*
Grüße, Hendrik
|