dringend Brauche Hilfe-Inverter Problem

Reparaturtipps und Ersatzteile zum Fehler:

Im Unterforum Alle anderen Reparaturprobleme - Beschreibung: Telekom, Funkgeräte und alle anderen Geräte

Elektronik Forum Nicht eingeloggt       Einloggen       Registrieren




[Registrieren]      --     [FAQ]      --     [ Einen Link auf Ihrer Homepage zum Forum]      --     [ Themen kostenlos per RSS in ihre Homepage einbauen]      --     [Einloggen]

Suchen


Serverzeit: 29 12 2025  18:55:48      TV   VCR Aufnahme   TFT   CRT-Monitor   Netzteile   LED-FAQ   Oszilloskop-Schirmbilder            


Elektronik- und Elektroforum Forum Index   >>   Alle anderen Reparaturprobleme        Alle anderen Reparaturprobleme : Telekom, Funkgeräte und alle anderen Geräte


Autor
Brauche dringend Hilfe-Inverter Problem

Problem gelöst    







BID = 109887

valejo

Gerade angekommen


Beiträge: 8
Wohnort: Manila - Philippines
ICQ Status  
 

  


Hi jungs,
ich hab von conrad eine shs 1000. Leiderwurden An den Ausgang dummerweise 220Volt angelegt und dann hats geknallt.
nun mittlerweile laeuft er wieder, aber es kommen nur noch knapp 100 volt raus. Die ausgangsstufe sind 8 Hexfet transistoren, die von 2 treibern IR2109 gesteuert werden. Die wiederum von einem KA3525 PWM. Nun die Teile sind alle neu, aber es klappt nicht so richtig.
Bitte....hat irgendjemand eine Idee woran das liegen koennte ? Ich weiss nicht mehr wo ich suchen soll
Danke erstmal
Joachim

Erklärung von Abkürzungen

BID = 109894

sam2

Urgestein



Beiträge: 35321
Wohnort: Franken (bairisch besetzte Zone)

 

  

Wo wurden die 220V angerlegt? Am 230V-Ausgang?
Hat da wohl jemand einen Netzparallelbetrieb versuchen wollen...?

Hast Du ein Oszi?


_________________
"Das Gerät habe ich vor soundsoviel Jahren bei Ihnen gekauft! Immer ist es gegangen, immer. Aber seit gestern früh geht es plötzlich nicht mehr. Sagen Sie mal, DA STIMMT DOCH WAS NICHT???"

Erklärung von Abkürzungen

BID = 109907

valejo

Gerade angekommen


Beiträge: 8
Wohnort: Manila - Philippines
ICQ Status  

Ja genau so wars. Ich hab das ding angeschlossen, aber wirklich in der Hektik an dem Tag vergessen die Hauptsicherung vom Netz abzuschalten. Un das wars dann bumm.
Die volle Netzspannung ist auf den Netzausgang vom inverter drauf gegangen.
wie gasagt, es war so ziemlich alles im Ar... bis hin zu dem PIC . nun ich hab mir alles aus deutschland schicken lassen und er geht ja auch "wieder", aber eben nur 100 volt und selbst bei einer lampe mit 60 watt, knatterts wie ein kaputter zeilentrafo von nem fernseher.

weisst du da einen rat?

ps: einen oszi hab ich, aber der zeigt alles moegliche nur keinen sinus. wenn das knattern anfaengt, dann kommt ganz kurz eine sinuswelle zum sehen

[ Diese Nachricht wurde geändert von: valejo am  4 Okt 2004  4:25 ]

Erklärung von Abkürzungen

BID = 109983

sam2

Urgestein



Beiträge: 35321
Wohnort: Franken (bairisch besetzte Zone)

Hallo valejo,

bei dem elektronischen Problem hilft Dir am besten tixiv weiter, der ist hier der Spezialist in Sachen Wechselrichter.


Aber ich kann Dir zumindest eines mit auf den Weg geben:
Deine Anlagenverschaltung ist offenbar lebensgefährlich!

Schließlich ist der Ausgang dieses Wechselrichters in Form einer Steckdose ausgeführt. Daher könnte es sein, daß jemand diesen Stecker zieht und dann an dessen Stiften Netzspannung anliegt!!! Das darf keinesfalls sein. Eine Anlage, die wechselweise aus dem Netz und aus dieser Netzersatzanlage gespeist wird, muß so verschaltet sein, daß diese gegenseitig verriegelt sind! z.B. über einen geeigneten Umschalter.
Dann hätte auch dieser Schaden gar nicht erst entstehen können...

Frage daher auch:
Wie stellst Du bei Netzersatzbetrieb den erforderlichen Schutz gegen indirektes Berühren sicher? Sprich - gibt es einen FI, der dann auch wirken kann, eine Isolationsüberwachung oder wie?



_________________
"Das Gerät habe ich vor soundsoviel Jahren bei Ihnen gekauft! Immer ist es gegangen, immer. Aber seit gestern früh geht es plötzlich nicht mehr. Sagen Sie mal, DA STIMMT DOCH WAS NICHT???"

Erklärung von Abkürzungen

BID = 110009

tixiv

Schreibmaschine



Beiträge: 1492
Wohnort: Gelsenkirchen


Zitat :
bei dem elektronischen Problem hilft Dir am besten tixiv weiter, der ist hier der Spezialist in Sachen Wechselrichter.


So ist es. Allerdings kann ich ohne Schaltplan auf die entfernung garnichts sagen. Ich habe auch schon bei Conrad geschaut, und die haben den nicht im Downloadbereich.

Hast Du den Schaltplan und kannst Du ihn hier hochladen?

Erklärung von Abkürzungen

BID = 110270

valejo

Gerade angekommen


Beiträge: 8
Wohnort: Manila - Philippines
ICQ Status  

Ja , die verschaltung ist eine sache, die sich mit deutschem standard nicht vergleichen laesst. aber hier ist das eben alles anders. der Wechselrichter hat keine Steckdose mehr, sondern ist normalerweise direkt an die leitung angeklemmt. es sind zwei schalter: der eine schaltet das normale netz und der andere den wechselrichter. das dumme ist, das sich die beiden gegenseitig nicht beeinflussen,was mir eben passiertist. aber ich will das umgehend aendern. zum FI: sowas gibts hier nicht. wenn du an dein haus einen stromanschluss bekommst dann ist das alles nur 2 polig. phase und null, und die erde wird irgendwo mit nem stueck aludraht angebunden.

Hochgeladene Datei ist grösser als 300000 . Deswegen nicht hochgeladen

Erklärung von Abkürzungen

BID = 110273

valejo

Gerade angekommen


Beiträge: 8
Wohnort: Manila - Philippines
ICQ Status  



Erklärung von Abkürzungen

BID = 110274

valejo

Gerade angekommen


Beiträge: 8
Wohnort: Manila - Philippines
ICQ Status  



Erklärung von Abkürzungen

BID = 110275

valejo

Gerade angekommen


Beiträge: 8
Wohnort: Manila - Philippines
ICQ Status  

ich denke es liegt an dem PIC. pin 12, 13 gehen ja direkt auf die treiber. an der 13 ist ein rechteckimpuls. die obere kante sieht aus wie ein sinus, an der 12 ist auch ein signal laesst sich aber auf dem oszi nicht anzeigen. nur zwei glatte linien



Erklärung von Abkürzungen

BID = 110278

valejo

Gerade angekommen


Beiträge: 8
Wohnort: Manila - Philippines
ICQ Status  



[ Diese Nachricht wurde geändert von: valejo am  4 Okt 2004 22:57 ]

Erklärung von Abkürzungen

BID = 110312

tixiv

Schreibmaschine



Beiträge: 1492
Wohnort: Gelsenkirchen

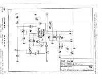
O.K. Der Schaltplan ist zwar nicht grade so richtig leserlich, aber es geht schon.
Also erstmal möchte ich sagen, dass ich nicht glaube, dass es am Pic liegt. Das eine Steuersignal für die H Brücke müsste einfach nur ein Rechtecksignal mit 50Hz sein, Das andere ein sehr viel hochfrequnteres PWM Siganl, dass einmal eine aufrechte und einmal eine Umgekehrte Sinushalbwelle mit 50Hz beschreibt. Beide Siganle müssten also verschieden sein. vielleicht drehst Du mal ein bisschen an den Einstellungen von Deinem Oszi, um das andere Signal auch begutachten zu können. Bilder von den Oszillogrammen währen auch nicht schlecht, um den PIC wirklich ausschliessen zu können.

Die Spannungsversorgung für die H Brücke hast Du bestimmt schon gemessen, oder? Müssten so 320V sein.

Erklärung von Abkürzungen

BID = 110332

valejo

Gerade angekommen


Beiträge: 8
Wohnort: Manila - Philippines
ICQ Status  

ja das eine signal ist ein rechteck mit einer sinusschwingung, das andere eben nur die linien. es ist wie ein geisterbild zwischen den linien, aber es laesst sich nicht darstellen. mein oszi geht bloss bis 30mhz und das ist sicher hoeher in der frequenz.

die betriebsspannung an den treibern is 12Volt und die Vs rund 320Volt. An der ausgangsspule, hab ich auf der einen seite 125Volt DC und auf der anderen nur 70Volt dc.
hier mal eine zeichnung ich bin nicht sehr gut im malen




nachtrag: am ausgang hab ich einmal eine positive und eine negative sinuswelle. die lassen sich aber nicht richtig ausmessen, es sind immer drei uebereinanderliegende halbwellen mit staendig wechselnder frequenz

[ Diese Nachricht wurde geändert von: valejo am  5 Okt 2004  8:32 ]

Erklärung von Abkürzungen

BID = 110350

tixiv

Schreibmaschine



Beiträge: 1492
Wohnort: Gelsenkirchen

Die Signale, die Du auf dem Oszi siehst können sehr gut in Ordnung sein! Wenn Du ein 2 Kanal Oszi hast, dann kannst Du ja mal mit einem Kanal auf das Rechtecksignal gehen, und den zum triggern verwenden, und mit dem anderen Dir das Signal anschauen, auf das Du zur Zeit nicht Triggern kannst.
Auf einen sich schnell veränderndes PWM Signal kann man nämlich nicht gut (oder garnicht) triggern.

Die abklingenden Sinuswellen nach den sprüngen des Rechtecks können gut ein Produkt Deines Tastkopfes sein. Vielleicht sind die in der Schaltung garnicht vorhanden.

Hast Du einen Tastkopf, mit dem Du Dir das Ausgangssignal anschauen kannst? Wenn ja, dann die Signale bei offenem Ausgang an den beiden Seiten von C34 jeweils gegen Masse bitte auch hierher!

Ansonsten könntest Du auch mal die Spannungen über C47 und C44 mit einem Multimeter messen. Die sollten beide ca. 12V sein.

Erklärung von Abkürzungen

BID = 110354

sam2

Urgestein



Beiträge: 35321
Wohnort: Franken (bairisch besetzte Zone)

Nö, das ist in Deutschland oder sonstwo auch nicht anders!
Bei einem Wechselstrom-Hausanschluß kriegst Du auch hier nur zwei Adern ins Haus geliefert (bei Drehstrom dementsprechend vier, u.U. auch nur drei).

Das hat aber nun so gar nichts mit der Frage zu tun, ob man einen FI einsetzt. Übrigens ist das dann in Eurem Fall keinNulleiter (PEN), sondern ein Neutralleiter (N), da es sich um ein TT-Netz handelt.

Wenn Ihr die Schutzleiter schon an einen örtlichen Erder ("Stück Aludraht") angebunden habt, wäre es ganz einfach:
Nur noch einen zweipoligen FI (40A, 30mA) in die Leitung geklemmt und fertig ist die Sicherheitslaube!

Laß Dir halt vom nächsten anreisenden Besucher so ein Ding (FI bzw. "RCD") aus einem Baumarkt in Dtl. oder so mitbringen. Ist auch nicht teurer als eine bessere Flasche Wein und Du hast länger etwas davon...

Nen geeigneten zweipoligen(!!) Umschalter brauchst Du ja sowieso. Den gibts allerdings wohl nicht im Baumarkt...

Oder Du automatisierst die Sache gleich soweit, daß entzwder bei Netzausfall die Solaranlage oder, wenn deren Akku leer, ist das öffentliche Netz zugeschaltet werden (je nachdem, wie Du es brauchst).

Erklärung von Abkürzungen


Zurück zur Seite 1 im Unterforum          Vorheriges Thema Nächstes Thema 
Das Thema ist erledigt und geschlossen. Es kann nicht mehr geantwortet werden !



Zum Ersatzteileshop


Bezeichnungen von Produkten, Abbildungen und Logos , die in diesem Forum oder im Shop verwendet werden, sind Eigentum des entsprechenden Herstellers oder Besitzers. Diese dienen lediglich zur Identifikation!
Impressum       Datenschutz       Copyright © Baldur Brock Fernsehtechnik und Versand Ersatzteile in Heilbronn Deutschland       

gerechnet auf die letzten 30 Tage haben wir 17 Beiträge im Durchschnitt pro Tag       heute wurden bisher 6 Beiträge verfasst
© x sparkkelsputz        Besucher : 188002490   Heute : 6508    Gestern : 15227    Online : 278        29.12.2025    18:55
11 Besucher in den letzten 60 Sekunden        alle 5.45 Sekunden ein neuer Besucher ---- logout ----viewtopic ---- logout ----
xcvb ycvb
0.0315399169922