| Autor |
Türklingel Aqara G4 externer Kontakt Suche nach: türklingel (208) |
|
|
|
|
BID = 1116938
xus Gerade angekommen
Beiträge: 15
|
|
Hallo,
ich habe eine Aqara G4 Türklingel die keinen externen Kontakt zur Schaltung zb. eines Türöffners hat. Ich benötige einen potentialfreien externen Kontakt. Ich habe am PCB den Taster identifiziert.
- Am Taster liegen konstant 3V an. Bei Betätigung 0V
- Beim Betätigen sollte das externe Relais schalten (am besten ein Shelly1)
- Der Shelly1 selbst wird mit 24V versorgt, als Trigger dient der potentialfreie
Kontakt.
Wie kann ich das am Besten realisieren?
Besten Dank
|
|
BID = 1116939
Offroad GTI Urgestein
     
Beiträge: 12844 Wohnort: Cottbus
|
|
Zitat :
| | Am Taster liegen konstant 3V an. | Über einen Vorwiderstand von der internen Betriebsspannung.
Zitat :
| | Bei Betätigung 0V | Klar, der Taster stellt bei Betätigung ja einen Kurzschluss dar.
Kannst du die 3V Versorgungsspannung auf der Platine identifizieren? Dann sollte sich über einen PNP-Transistor (der invertiert das Signal dann auch gleich) ein Relais ansteuern lassen.
_________________
Theoretisch gibt es zwischen Theorie und Praxis keinen Unterschied. Praktisch gibt es ihn aber. |
|
BID = 1116940
xus Gerade angekommen
Beiträge: 15
|
Hallo,
die 3V Versorgungspannung auf der Platine finde ich leicht.
Sorry, kannst du mir bitte sagen welches Teil ich nehmen muss und wie die Schaltung aussieht? (bin da nicht vom Fach..)
Danke!
|
BID = 1116948
Offroad GTI Urgestein
     
Beiträge: 12844 Wohnort: Cottbus
|
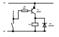
Die Schaltung müsste so aussehen, wenn der Taster gegen GND (0V) schaltet.
Es können auch andere Kleinsignal-Transistoren und Dioden verwendet werden. Das Relais muss natürlich auch eine Nennspannung von 3V haben.
_________________
Theoretisch gibt es zwischen Theorie und Praxis keinen Unterschied. Praktisch gibt es ihn aber.
|
BID = 1116949
xus Gerade angekommen
Beiträge: 15
|
Herzlichen Dank!
|