Pfaff Entstör-Kondensator Reparaturtipps und Ersatzteile zum Fehler: Im Unterforum Ersatzteile Beschaffung - Beschreibung: Fragen zu Ersatzteilen für Haushaltsgeräte und Unterhaltungselektronik und deren Beschaffung.
| Autor |
|
Entstör-Kondensator Pfaff |
|
|
|
|
BID = 1032531
greenstan99 Gerade angekommen Beiträge: 4
|
|
Ersatzteil : Entstör-Kondensator
Hersteller : Pfaff
______________________
Guten Tag zusammen
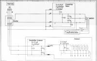
Hab ne Nähmaschine Pfaff 362 (Schaltschema siehe Anhang), bei dem einer der beiden Kondensatoren (Hersteller Fribourg) geplatzt ist. Die Maschine hat nur Neutralleiter und Phase, keine Erdung. Der geplatzte Kondensator hat 2x0,05µF und hat 3 Kabel (2x schwarz/ 1x Gelb)
Bin handwerklich begabt, kann löten und hab die ein oder andere Kenntnis ausem Elektrobereich, bin aber Anfänger. Sehe ich das richtig, dass der defekte Kondensator im Schema mit "C" gekennzeichnet ist?
Welchen Kondensator kann ich anstelle des 2x0,05µF verbauen? So wie ich gesehen habe, geht das eine schwarze Kabel auf 1 und das andere schwarze Kabel auf 2. Das gelbe ist über den 3-stelligen Wahlschalter mit dem Motor verbunden.
Bin dankbar für jeden Tipp. Maschine ist einfach zu Schade für den Müll...
Viele Grüsse
stan
|
|
BID = 1032538
perl Ehrenmitglied
       
Beiträge: 11110,1 Wohnort: Rheinbach
|
|
Zitat :
| | Der geplatzte Kondensator hat 2x0,05µF und hat 3 Kabel (2x schwarz/ 1x Gelb) | Nicht gelb, sondern grün-gelb.
Seit vielen Jahren ist das (auch in Steckdosen) die Farbe des Schutzleiters, der gewöhnlich auch mit der Gerätemasse verbunden ist. Diese Farbe "Erde" wird für nichts anderes verwendet .
Zitat :
| | Welchen Kondensator kann ich anstelle des 2x0,05µF verbauen? | Nix.
Ausserdem verwechselst du etwas.
Der kurze dicke enthält zwei unabhängige Kondensatoren "C", wird also vier Drähte haben. Ersatz ist eher schlecht zu bekommen, aber man kann auch zwei einzelne X-Kondensatoren verwenden.
Der lange Kondensator ist ein so genannter XY-Kondensator, bei dem drei Kondensatoren im gemeinsamen Gehäuse sind: Ein X-Kondensator (Cx) mit 0,07µF und zwei Y-Kondensatoren (Cy1) mit jeweils 5000pF (= 0,005µF, beachte die Zahl der Nullen hinter dem Komma!)
Am Verbindungspunkt der beiden Y-Kondensatoren ist der grün-gelbe angeschlossen.
Das sind alles so genannte X oder Y oder XY-Kondensatoren, die spezielle Forderungen z.B. hinsichtlich der Entflammbarkeit erfüllen, weil sie direkt an der Netzspannung liegen.
Diese Buchstaben X oder Y sind heute auch aufgedruckt.
Es gibt sie -nicht ganz billig- fertig zu kaufen.
Achte aber ausdrücklich auf die Spezifikation X2 oder Y2 (X1 und Y1 sind etwas besser, größer, und deutlich teurer).
Du solltest beide Kondensatoren ersetzen, denn der andere wird dem ersten bald in die ewigen Jagdgründe folgen. Evtl kommt es dann zu einem Folgeschaden. *)
0,07µF wirst du nicht mehr bekommen, der heutige Normwert wäre 0,068µF.
Der Wert ist aber unkritisch. 0,05µF oder 0,1µF sind dort auch akzeptabel.
P:S.:
Ich sehe gerade, dass der tatsächlich eingebaute XY Kondensator nicht 0,07 + 2x0,05 hat, wie im Schaltbild, sondern 0,1 + 2x0,0025.
Wie gesagt ist der genaue Wert unkritisch.
*) Auch den XY-Kondensator im Fußanlasser erneuern!
_________________
Haftungsausschluß:
Bei obigem Beitrag handelt es sich um meine private Meinung.
Rechtsansprüche dürfen aus deren Anwendung nicht abgeleitet werden.
Besonders VDE0100; VDE0550/0551; VDE0700; VDE0711; VDE0860 beachten !
[ Diese Nachricht wurde geändert von: perl am 8 Jan 2018 17:50 ] |
|
BID = 1032558
greenstan99 Gerade angekommen Beiträge: 4
|
Besten Dank für die hilfreiche Antwort.
Kenn mich mit Bauteilen nicht wirklich aus...sind folgende Bauteile ok?
Einkaufsliste:
- für die beiden "C 0,05µF": 2 Stk. Wima MPX21W3470FK00MSSD X2 radial bedrahtet 0.47 µF 275 V/AC Link_Ersatz_C
- für die beiden "Cy1 0,0025µF" 2 Stk. KEMET Y-Kondensator 2.5 nF 440 VAC, PME295RB4250MR30 Link_Ersatz_Cy1
- für den "Cx 0,07µF": 1 Stk. Wima X2-Kondensator, 100 nF, 275 VAC, MPX21W3100FG00MSSD Link_Ersatz_Cx
Für den Anlasser würd ich von den beiden Wima's je 1 Stück zusätzlich und vom KEMET noch 2 Stück zusätzlich mitbestellen damit dann alles getauscht werden kann.
Bin ich auf dem richtigen Weg?
Grüsse und freundlichsten Dank für das kurze Feedback
stan
|
BID = 1032569
Mr.Ed Moderator
      
Beiträge: 36335 Wohnort: Recklinghausen
|
Zitat :
| | für die beiden "C 0,05µF": 2 Stk. Wima MPX21W3470FK00MSSD X2 radial bedrahtet 0.47 µF 275 V/AC |
Nein, du brauchst 47nF, nicht 470nF.
Zitat :
| | für die beiden "Cy1 0,0025µF" 2 Stk. KEMET Y-Kondensator 2.5 nF 440 VAC |
Passt.
Zitat :
|
für den "Cx 0,07µF": 1 Stk. Wima X2-Kondensator, 100 nF, 275 VAC |
100nF statt 70 sind etwas viel, 68nF wäre da passender.
_________________
-=MR.ED=-
Anfragen bitte ins Forum, nicht per PM, Mail ICQ o.ä. So haben alle was davon und alle können helfen. Entsprechende Anfragen werden ignoriert.
Für Schäden und Folgeschäden an Geräten und/oder Personen übernehme ich keine Haftung.
Die Sicherheits- sowie die VDE Vorschriften sind zu beachten, im Zweifelsfalle grundsätzlich einen Fachmann fragen bzw. die Arbeiten von einer Fachfirma ausführen lassen.
|
BID = 1032584
perl Ehrenmitglied
       
Beiträge: 11110,1 Wohnort: Rheinbach
|
Zitat :
| Zitat :
für den "Cx 0,07µF": 1 Stk. Wima X2-Kondensator, 100 nF, 275 VAC
100nF statt 70 sind etwas viel, 68nF wäre da passender. |
Tatsächlich sind, abweichend vom Schaltplan, aber 100nF eingebaut.
P.S.:
Normalerweise würde man nicht drei einzelne Kondensatoren kaufen, sondern einen solchen XY-Kondensator: https://www.conrad.ch/de/entstoer-k......html
Prüfe aber vorab, ob der mechanisch passt.
[ Diese Nachricht wurde geändert von: perl am 9 Jan 2018 15:50 ]
|
BID = 1032603
greenstan99 Gerade angekommen Beiträge: 4
|
Vielen Dank für die Hinweise.
Den XY-Kondensator werd ich mal mitbestellen und schauen. Der alte hat nur 10x56mm.
Auch beim Anlasser sind nicht die Bauteile gemäss Schema verbaut. Anstelle des "Breitbandentstörers 0,1µF+2x2500pF" werd ich einen baugleichen XY-Kondensator bestellen falls dies möglich ist. Seh ich das richtig, dass bei diesem Bauteil beide Eingänge nur durchgeschleust werden? Der runde/braune müsste ein Störschutzfilter 2x4mH sein...Ist dieser ebenfalls zu tauschen? Laut Schema müsste noch ein C mit 0,05µF paralell zum Widerstand verbaut sein...den kann ich allerdings nirgends finden. Zudem hat der verbaute Widerstand nur 1 M Ohm und nicht wie angegeben 1,8 M Ohm sofern ich die alten Ringfarben noch richtig interpretiert habe...
Bin etwas naiv in der ganzen Angelenheit, würde aber gerne wissen, was ich Morgen noch mitbestellen muss...
herzlichsten Dank und Grüsse
Stan
|
BID = 1032610
perl Ehrenmitglied
       
Beiträge: 11110,1 Wohnort: Rheinbach
|
Zitat :
| | Seh ich das richtig, dass bei diesem Bauteil beide Eingänge nur durchgeschleust werden? |
Ja, das hat eine etwas bessere entstörende Wirkung, als wenn der störende und der entstörte Strom über die gleichen Leitungen fliessen.
Zitat :
| | Der runde/braune müsste ein Störschutzfilter 2x4mH sein...Ist dieser ebenfalls zu tauschen? |
Den lass in Ruhe.
Problematisch sind nur die Kondensatoren, weil das darin als Dielektrikum verwendete Papier im Laufe der Jahre feucht wird. Irgendwann verabschiedet sich der Kondenstor dann mit einem Knall und Kurzschluß.
Zitat :
| | Zudem hat der verbaute Widerstand nur 1 M Ohm und nicht wie angegeben 1,8 M Ohm |
Der Wert dieses Widerstandes ist ebenfalls unkritisch. Er dient nur dazu die Kondensatoren bei abgeschalteter Maschine in absehbarer Zeit zu entladen, damit man nicht gelegentlich am Netzstecker der Maschine eine gewischt bekommt.
Solche kleinen Stromschläge, die auch nur hin und wieder auftreten, sind ungefährlich,aber sie können manch einen irritieren.
Ob die Entladung der Kondensatoren mit 1MΩ in einer halben oder mit 1,8MΩ in einer Sekunde stattfindet, ist egal.
|
|
Zum Ersatzteileshop
Bezeichnungen von Produkten, Abbildungen und Logos , die in diesem Forum oder im Shop verwendet werden, sind Eigentum des entsprechenden Herstellers oder Besitzers. Diese dienen lediglich zur Identifikation!
Impressum
Datenschutz
Copyright © Baldur Brock Fernsehtechnik und Versand Ersatzteile in Heilbronn Deutschland
gerechnet auf die letzten 30 Tage haben wir 11 Beiträge im Durchschnitt pro Tag heute wurden bisher 10 Beiträge verfasst © x sparkkelsputz Besucher : 191286271 Heute : 11832 Gestern : 20383 Online : 241 18.4.2026 13:51 21 Besucher in den letzten 60 Sekunden alle 2.86 Sekunden ein neuer Besucher ---- logout ----viewtopic ---- logout ----
|
xcvb
ycvb
0.0759530067444
|