Ne555 in Serie

Im Unterforum Alle anderen elektronischen Probleme - Beschreibung: Was sonst nirgendwo hinpasst

Elektronik Forum Nicht eingeloggt       Einloggen       Registrieren




[Registrieren]      --     [FAQ]      --     [ Einen Link auf Ihrer Homepage zum Forum]      --     [ Themen kostenlos per RSS in ihre Homepage einbauen]      --     [Einloggen]

Suchen


Serverzeit: 25 10 2025  23:53:26      TV   VCR Aufnahme   TFT   CRT-Monitor   Netzteile   LED-FAQ   Oszilloskop-Schirmbilder            


Elektronik- und Elektroforum Forum Index   >>   Alle anderen elektronischen Probleme        Alle anderen elektronischen Probleme : Was sonst nirgendwo hinpasst


Autor
Ne555 in Serie

    







BID = 1027363

elko64

Schriftsteller



Beiträge: 627
 

  


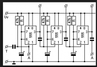
ich möchte 2 Ne555 (als Monoflopschaltung) so in Serie schalten, dass der erste den 2. an steuert, wenn der Pin3 des ersten Ne555 nach high wieder auf low geht.
Dazu habe ich folgendes Schaltbild gefunden. Kann mir jemand erläutern was da genau passiert mit dem Kondensator an Pin3. ich checks irgendwie mal wieder nicht. Eigentlich passiert ja das gleiche wie beimTriggern des 1. Ne555 da, versteh ichs aber auch nicht





[ Diese Nachricht wurde geändert von: elko64 am 27 Sep 2017 22:14 ]

BID = 1027365

Otiffany

Urgestein



Beiträge: 13779
Wohnort: 37081 Göttingen

 

  

Der Kondensator zwischen den beiden NE555 Pin 3 und Pin 2 dient der dynamischen Triggerung.

Gruß
Peter

[ Diese Nachricht wurde geändert von: Otiffany am 27 Sep 2017 22:30 ]

BID = 1027366

elko64

Schriftsteller



Beiträge: 627


Zitat :
Otiffany hat am 27 Sep 2017 22:28 geschrieben :

Der Kondensator zwischen den beiden NE555 Pin 3 und Pin 2 dient der dynamischen Triggerung.

Gruß
Peter

[ Diese Nachricht wurde geändert von: Otiffany am 27 Sep 2017 22:30 ]


Danke für die Antwort Peter, aber was passiert da genau, wenn man mit einem negativen Impuls an den Kondensator gelangt?

BID = 1027368

elko64

Schriftsteller



Beiträge: 627

ah ok, jetzt habe ich glaube ich die Erklärung zu meiner Frage gefunden. nach dem negativ Trigger am Kondensator wird auch die rechte Seite des kondensators kurzzeitig Low und triggert so Pin 2.



BID = 1027386

Otiffany

Urgestein



Beiträge: 13779
Wohnort: 37081 Göttingen

Genau so ist es.

Gruß
Peter

BID = 1027389

der mit den kurzen Armen

Urgestein



Beiträge: 17437

Eine gute Beschreibung zum 555 findest du da https://www.elektronik-kompendium.de/sites/bau/0206115.htm
Die Beschaltung des Pin 2 legt diesen auf +Us über den R und der Kondensator stellt bei einer Verbindung des anderen Endes einen Kurzschluss dar, so das die Spannung am Pin 2 kurzzeitig auf unter 2/3 der Versorgungsspannung sinkt . Ist der Kondensator dann aufgeladen steigt die Spannung am Pin 2 wieder auf +US, das bleibt aber ohne Folgen. Denn der zugehörige Komparator hat das RS-Flipflop schon gesetzt. Über den anderen R am Kondensator kann sich dieser dann Entladen.
Noch etwas im Unterschied zu den Pegeln an Pin 2 und Pin 6 muss Pin 4 unter 0,7 liegen , damit dieser Eingang richtig funktioniert ! Aber bei einer Spannung unter 0,7V erzwingt dieser Eingang das Rücksetzen des RS-Flipflops.

_________________
Tippfehler sind vom Umtausch ausgeschlossen.
Arbeiten an Verteilern gehören in fachkundige Hände!
Sei Dir immer bewusst, dass von Deiner Arbeit das Leben und die Gesundheit anderer abhängen!


Zurück zur Seite 1 im Unterforum          Vorheriges Thema Nächstes Thema 


Zum Ersatzteileshop


Bezeichnungen von Produkten, Abbildungen und Logos , die in diesem Forum oder im Shop verwendet werden, sind Eigentum des entsprechenden Herstellers oder Besitzers. Diese dienen lediglich zur Identifikation!
Impressum       Datenschutz       Copyright © Baldur Brock Fernsehtechnik und Versand Ersatzteile in Heilbronn Deutschland       

gerechnet auf die letzten 30 Tage haben wir 12 Beiträge im Durchschnitt pro Tag       heute wurden bisher 15 Beiträge verfasst
© x sparkkelsputz        Besucher : 186009301   Heute : 16546    Gestern : 12637    Online : 374        25.10.2025    23:53
11 Besucher in den letzten 60 Sekunden        alle 5.45 Sekunden ein neuer Besucher ---- logout ----viewtopic ---- logout ----
xcvb ycvb
0.0270941257477