Waschmaschinenmotor anschließen/regeln Im Unterforum Projekte im Selbstbau - Beschreibung: Selbstbau von Elektronik und Elektro
| Autor |
|
Waschmaschinenmotor anschließen/regeln |
|
|
|
|
BID = 943780
Lupin III. Schriftsteller
     Beiträge: 616 Wohnort: Salzburg
|
|
Ich habe aus einer alten Waschmaschine (Siwamat plus 3701) einen Motor ausgebaut, den ich anschließen und regeln (inkl. Rechts-/Linkslauf) möchte. Das original Treiberboard hätte ich auch noch, aber dessen zig Anschlüsse machen es nur noch komplizierter. Zum Glück ist der Motor mit nur 6 Kontakten recht einfach. 2 davon (ich nenne sie mal [1,2]) sind Tacho (am Treiberboard auch an den sehr dünnen Leiterbahnen zu erkennen), 2 der Anker und 2 die Statorwicklungen [3,4,5,6]. Übrigens, wie finde ich heraus welcher Anschluss Anker und welcher Stator ist? Der gemessene Widerstand ist beinahe gleich (2,7 bzw. 2,2 Ohm).
Vorweg, um die Tachoauswertung und Regelung geht's jetzt noch nicht, die möchte ich später mit einem AVR machen, wenn das "elektrische" geregelt ist. Als erstes möchte ich die Richtungsumkehr und Steuerung der Geschwindigkeit machen.
Meine Überlegung wäre: die Statorwicklung bekommt 230V, wobei ich über zwei Relais für die Richtungsumkehr die Polarität gegenüber dem Anker umschalten kann. Gibt's eigentlich ein 3-Positions-Relais? Das wäre hier praktisch. Kein Strom -> offen (B), je nach Polarität der Steuerspannung, schalten auf A oder C.
Der Anker würde für die Geschwindigkeitsregelung über einen Phasenanschnittdimmer angesteuert.
Ist das der richtige Weg? Die original Steuerung scheint jedenfalls etwas ähnliches gemacht zu haben. Nur ein Kontakt des Motors [3] geht durch einen Triac. [5,6] kommen direkt von einem anderen Stecker (was da reingefüttert wurde kann ich leider nicht sagen, müsste aber direkt vom Programmrad gekommen sein). Die Richtungsumkehr selbst scheint also nicht auf dem Treiberboard gemacht zu werden. |
|
BID = 943790
Offroad GTI Urgestein
     
Beiträge: 12838 Wohnort: Cottbus
|
|
Zitat :
| | Meine Überlegung wäre: die Statorwicklung bekommt 230V, wobei ich über zwei Relais für die Richtungsumkehr die Polarität gegenüber dem Anker umschalten kann. | Ähm, nein. Das sind Reihenschlussmotoren, mit all ihren Vor- und Nachteilen.
Der größte Nachteil, um nicht zu sagen Gefahr, besteht darin, dass sie bei Versorgung mit Nennspannung aber OHNE Last durchgehen (also so schnell drehen, dass sie sich u.U. selbst zerstören)
Ansonsten ist eine Phasenanschnittsteuerung (bzw. PWM Steuerung, wenn du den Motor mit Gleichspannung* betreibst) geeignet.
*) ist für erste Versuche sehr zu empfehlen. Mit einem 30V Doppelnetzteil, wie es in vielen Werkstätten zu finden ist, kannst du den Motor schon mit bis zu 60V betreiben.
Nicht verkerht wäre auch ein Stelltransformator.
_________________
Theoretisch gibt es zwischen Theorie und Praxis keinen Unterschied. Praktisch gibt es ihn aber. |
|
BID = 943804
Verlöter Schreibmaschine
    
Beiträge: 1658 Wohnort: Frankfurt am Main
|
Zu bedenken ist noch dass solche Motoren eine Vorzugs-Drehrichtung haben. Das ist in welcher geschleudert wird. Wolltest Du z. B. eine Bohrmaschine damit antreiben dann sollte das normale Bohren in dieser Drehrichtung stattfinden, einen Gewindebohrer wieder rausdrehen dann gegen die Vorzugs-Drehrichtung. Hier ist mit erhöhter Stromaufnahme und vermehrtem Bürstenfeuer zu rechnen. Oft sind die Kohlen nicht radial gesetzt sondern leicht schräg. In der "falschen" Drehrichtung werden sie dann stärker seitlich belastet.
Ohne Belastung läuft ein solcher Motor schon an einer Autobatterie.
|
BID = 943809
Lupin III. Schriftsteller
     Beiträge: 616 Wohnort: Salzburg
|
Die Vor- und Nachteile sind mir größtenteils klar. Insbesondere das mögliche Durchgehen ohne Last bzw. starke Abhängigkeit der Umdrehungszahl von der Last. Auch auf die Vorzugsdrehrichtung hätte ich geachtet. Ich weiß zwar nicht mehr welche Richtung das war, aber man hört beim Drehen mit der Hand, dass eine Richtung "kratziger" ist. Ich habe vor langer Zeit bei diesem Motor die Kohlen getauscht und ich glaube mich erinnern zu können, dass die Bürsten nicht 100% senkrecht auf den Kommutator waren. Ich kann mich auch erinnern, dass es ein ziemliches Gefrickel war den wieder zusammen zu bekommen, aber nachdem ich immer noch nicht weiß, was Anker und was Erreger ist, werde ich ihn vielleicht nochmal aufmachen (und gleich kontrollieren wie die Kohlen aussehen).
Also "gedimmt" werden immer Anker UND Erreger? Ist was anderes "schädlich" oder einfach ineffizient? Am Originalboard sieht's wie gesagt nicht so aus, da Anker und Erreger dort nicht in Serie geschalten sind, sondern eigene Kontakte haben (es wäre aber möglich, dass die von einem anderen Relais/Schalter - z. B. im Programmrad - in Serie geschalten werden). Das mit Stelltrafo bzw. Netzteil (2x32V,5A sollte reichen) werde ich später ausprobieren.
Gibt es generell Vorteile, den Motor mit Gleichstrom zu betreiben? Also 230V~ gleichrichten und den Rest per PWM machen? Ich weiß, dass die Spannung dann um einiges höher ist, aber dank induktiver Last sollte das ja nicht viel ausmachen, wenn die Frequenz der PWM hoch genug ist (wäre ja auch kein Problem den maximalen dutycycle auf ca. 70% zu begrenzen, um nicht mehr als 230V effektiv zu erreichen). Das würde mir die Regelung vereinfachen, da man keinen Phasenanschnitt mehr machen muss. Und für DC habe ich so eine Regelung schon einmal geschrieben (mit Encoder-Rad aus einem Drucker als Tacho).
Und ja, das ganze wird wahrscheinlich ein Eigenbau-Elektrowerkzeug. Wenn's gut geht eine kleine Drehbank. Schlimmer als das, was ich bisher immer mit der Bohrmaschine aufgebaut habe, kann's nicht werden  .
[ Diese Nachricht wurde geändert von: Lupin III. am 15 Nov 2014 13:12 ]
|
BID = 943811
Offroad GTI Urgestein
     
Beiträge: 12838 Wohnort: Cottbus
|
Zitat :
| | Am Originalboard sieht's wie gesagt nicht so aus, da Anker und Erreger dort nicht in Serie geschalten sind, |
Nicht unmittelbar, da dann keine Drehrichtungsänderung möglich wäre.
Zitat :
| | ch glaube mich erinnern zu können, dass die Bürsten nicht 100% senkrecht auf den Kommutator waren |
Das ist sehr gut möglich, Stichwort http://de.wikipedia.org/wiki/Gleich.....rkung
Große Gleichstrommaschinen verfügen sogar über einen verstellbaren Kommutaotor. Je nach Belastung wird der Winkel so eingestellt, dass die Kommutierung bei möglichst geringer Ankerspannung erfolgt.
Im E-Maschinen Labor haben wir seinerzeit bei einem "Opfermotor" das Gegenteil gemacht. Also bei großer Belastung den Kommutator in die falsche Richtung verstellt. Das ergibt ein Bürstenfeuer vor dem Herren. Es waren auch keine einzelnen Funken mehr, sondern ein Feuerring einmal ringsum
Das war natürlich nicht aus Spaß, sondern zu steng akademischen Zwecken
_________________
Theoretisch gibt es zwischen Theorie und Praxis keinen Unterschied. Praktisch gibt es ihn aber.
|
BID = 943835
powersupply Schreibmaschine
    
Beiträge: 2920 Wohnort: Schwobaländle
|
Zitat :
Offroad GTI hat am 15 Nov 2014 14:03 geschrieben :
| Das ergibt ein Bürstenfeuer vor dem Herren. Es waren auch keine einzelnen Funken mehr, sondern ein Feuerring einmal ringsum |
Aaach, das passiert bei einem Saugstaubermotor an 400V genauso
@ Verlöter: So schlimm kann die Drehrichtungsumkehr zum Gewindebohrer ausdrehen aber auch wieder nicht sein. In der WAMA wird die Drehrichtung beim Waschen mit voller Trommel doch ständig gedreht.
_________________
powersupply
Es gibt 10 Arten von Menschen. Solche die Binärtechnik verstehen und die anderen.
|
BID = 943966
Verlöter Schreibmaschine
    
Beiträge: 1658 Wohnort: Frankfurt am Main
|
@powersupply: natürlich ist es nicht sooo schlimm, selbstverständlich läuft der Motor auch gegen die Vorzugsdrehrichtung, wie Du schon sagtest wäscht er schließlich in beiden Richtungen. Wollte es nur erwähnt haben.
|
BID = 943982
Lupin III. Schriftsteller
     Beiträge: 616 Wohnort: Salzburg
|
Hey, hey, ich möchte (noch) nichts zerstören.
Ich hab's jetzt mit Stelltrafo und Netzteil ausprobiert und ein paar (zumindest für mich) interessante Dinge gesehen.
Mit Wechselspannung läuft der Motor viel leichter "davon" bzw. ist es sehr schwer ihn überhaupt auf einer bestimmten Geschwindigkeit zu halten.
Mit Gleichstrom läuft der Motor bereits bei 3V an! Nachdem ich bei meinem Netzteil zwei Ausgänge habe, habe ich Anker und Erreger separat angeschlossen (ich bin mir jetzt zu 90% sicher was Anker- und was Erreger-Anschluss ist  ). Das für mich interessante: der Motor wird schneller wenn ich die Erregerspannung zurückdrehe! Es ist sogar so, dass ich den Motor "abwürgen" kann, wenn ich sie höher drehe. Für eine fixe Ankerspannung läuft er bei 0,2V@100mA am schnellsten. Natürlich sind die Ströme durch beide Wicklungen in diesem Fall völlig unterschiedlich. Ich nehme an, das ist auch der Grund, warum beide normalerweise in Reihe geschalten sind?
Außerdem ist der Motor and Gleichstrom viel gutmütiger und geht nicht durch (jetzt im "Normalbetrieb" - mit beiden Wicklungen in Serie). Drehe ich am Netzteil stellt sich innerhalb einer Sekunde eine neue und dann konstante Geschwindigkeit ein. Was ich auch gesehen habe, der Strom bleibt so gut wie konstant, egal welche Spannung ich einstelle. Er pendelt sich für diesen Motor immer zwischen 680 und 710mA ein (unbelastet).
Welche Leistung hat denn so ei typischer Waschmaschinenmotor? Auf meinem steht leider nur 230/240V 50Hz und eine Nummer unter der nichts zu finden ist. Wenn ich die 700mA auch für 230V annehme (und unter Last vielleicht das doppelte), schätze ich 200 - 400 Watt?
|
BID = 943995
powersupply Schreibmaschine
    
Beiträge: 2920 Wohnort: Schwobaländle
|
Prima. Jetzt hast Du für dich das Nebenschlußprinzip am lebenden Objekt eruiert.
Beim Nebenschlußmotor hast Du bei abnehmendem Erregerfeld weniger Gegen-EMK was dazu führt, dass der Anker bei gleicher angelegter Spannung schneller drehen muss um die selbe Gegenspannung induziert zu bekommen.
_________________
powersupply
Es gibt 10 Arten von Menschen. Solche die Binärtechnik verstehen und die anderen.
|
BID = 944035
winnman Schreibmaschine
    
Beiträge: 1683 Wohnort: Salzburg
|
Na ja das beschreibt das Nebenschlussverhalten, die Betriebsart nennt sich aber Fremderregt!
Normalerweise wird da nach voll erregtem Feld die Ankerspannung zugeschaltet -> niedrigste Drehzahl, größtes Drehmoment.
Durch verringern der Feldspannung kann dann die Drehzahl geregelt werden.
In den alten Zeiten wurden dazu große Wiederstandspotentiometer oder Stufenschalter mit entsprechenden Wiederständen verwendet.
Was bei den niedrigen Drehzahlen problematisch wird, ist die Wärmeabfuhr. Große Gleichstrommaschinen werden da gerne mit Fremdlüftern gekühlt.
Denk mal über Drehzahlstellern aus Handbohrmaschinen und Reihenschlussbetrieb nach. Drehrichtungsumkehr wird durch Verpolen des Feldes zum Anker realisiert. Drehzahlkonstant wird das aber nicht so einfach.
Wie genau möchtest du die Drehzahl halten?
In Betriebsart Fremderregt, würde das ganze ohne große reglerei relativ gut funktionieren, bei niedrigen Drehzahlen und großem Drehmoment musst du aber über einen Fremdlüfter nachdenken. Für das anlaufen muss sichergestellt werden, dass das Feld erregt ist.
|
BID = 944066
Lupin III. Schriftsteller
     Beiträge: 616 Wohnort: Salzburg
|
Zitat :
winnman hat am 17 Nov 2014 18:46 geschrieben :
|
Wie genau möchtest du die Drehzahl halten?
|
Je besser, desto gut  . Für einen einfachen Gleichstrommotor (war was in der Mabuchi 550 Klasse) hatte ich einmal Code geschrieben, der mit ca. 200Hz auf Laständerungen reagiert hat (die U/Min. habe ich über einen optischen Encoder aus einem Drucker bekommen). Dort war so gut wie keine Geschwindigkeitsänderung bei Laständerung merkbar. Hat einem nur die Finger verbrannt, wenn man versucht hat den vermeintlich langsam drehenden Motor zu stoppen  . Ich denke das sollte ich auch in der "großen" Version hinbekommen.
Die Frage ist nur, welche Anschlussart sich besser dazu eignet. Fremderregt ist es im Prinzip dann ja identisch mit meinen früheren Versuchen, also so als hätte man einen "normalen" DC-Motor.
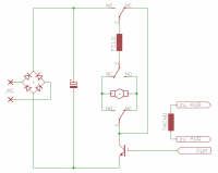
Für den Reihenschluss hätte ich mir jedenfalls die unten angehängte Schaltung überlegt. Zwei Relais zum Umpolen des Ankers und eines zum Kurzschließen des Motors zur Bremsung. (geht das Bremsen so? Ich weiß, dass es bei niedrigen Drehzahlen auf grund des fehlenden Erregerfelds so gut wie keine Bremswirkung gibt; ich möchte aber hauptsächlich schnell aus den hohen Drehzahlen rauskommen)
|
BID = 944098
prinz. Moderator
       Beiträge: 8935 Wohnort: Gifhorn und Wolfenbüttel
|
Es gab mal von Philips ne Waschmaschine die hatte einen
Gleichstrommotor drinn das wäre hinsichtlich der Regelung der Ideale Motor für dich.
Allerdings Typ weiß Ich nicht mehr und die letzte von der Sorte
hatte Ich Anfang der 90'er Jahre in den Fingern.
War schon erstaunlich der Motor war nicht wesentlich Größer wie vom
Scheibenwischer beim Auto.
Eventuell gibs ja in der Bucht noch einen
_________________
Nur für nicht Mutige
1.Freischalten
2.Gegen Wiedereinschalten sichern
3.Spannungsfreiheit allpolig feststellen
4.Erden und kurzschließen
5.Benachbarte, unter Spannung stehende Teile abdecken oder abschranken
|
BID = 944112
Offroad GTI Urgestein
     
Beiträge: 12838 Wohnort: Cottbus
|
Zitat :
| | Je besser, desto gut |
Mal nebenbei: Wofür soll der Motor denn überhaupt herhalten?
_________________
Theoretisch gibt es zwischen Theorie und Praxis keinen Unterschied. Praktisch gibt es ihn aber.
|
BID = 944126
Lupin III. Schriftsteller
     Beiträge: 616 Wohnort: Salzburg
|
Zitat :
Offroad GTI hat am 18 Nov 2014 17:23 geschrieben :
|
Mal nebenbei: Wofür soll der Motor denn überhaupt herhalten?
|
Oben habe ich aus Versehen Drehbank geschrieben, aber gemeint habe ich eine Drechselbank. Ich plane jetzt nicht groß Schüsseln oder Vasen zu machen. Aber ich hatte schon so Fälle, dass ich z. B. einen Runden Zapfen am Ende eines Vierkants brauchte, ein großes Bohrloch mit einem "Dübel" des selben Holzes verschließen, schon existierende runde Tischbeine "entschnörkeln" oder zerkratzte Edelstahlstangen polieren wollte. Da ist's langsam fad geworden, wenn man zuerst immer in's eine Ende irgend was einbauen muss, dass man's mit der Bohrmaschine drehen kann, und irgendwie das andere Ende gegen irgendwas drehend gelagertes, auf der Werkbank festgezwungenes, drücken muss.
Da ich nicht übermäßig viel Platz in der Werkstatt habe, habe ich mir auch überlegt: wenn ich dann schon was drehendes, in der Geschwindigkeit einstellbares habe, könnte ich ein paar Mini-Anbauten machen, die ich an diese Drechselbank dran spannen kann, z. B. eine Halterung für einen Schleifstein oder einen einfachen stationären Bandschleifer. Alles Geräte, die ich nicht oft brauche, weswegen ich auch gar nicht erst etwas kaufen möchte, das dann nur zweimal im Jahr benutzt wird.
|
BID = 944177
winnman Schreibmaschine
    
Beiträge: 1683 Wohnort: Salzburg
|
Na ja dann wird die tatsächliche Drehzahl nicht so genau sein.
Am einfachsten wäre aber wohl einen Asynchronmotor und einen kleinen FU zu verbauen.
|
|
Zum Ersatzteileshop
Bezeichnungen von Produkten, Abbildungen und Logos , die in diesem Forum oder im Shop verwendet werden, sind Eigentum des entsprechenden Herstellers oder Besitzers. Diese dienen lediglich zur Identifikation!
Impressum
Datenschutz
Copyright © Baldur Brock Fernsehtechnik und Versand Ersatzteile in Heilbronn Deutschland
gerechnet auf die letzten 30 Tage haben wir 17 Beiträge im Durchschnitt pro Tag heute wurden bisher 3 Beiträge verfasst © x sparkkelsputz Besucher : 188743406 Heute : 23594 Gestern : 41720 Online : 229 30.1.2026 18:37 14 Besucher in den letzten 60 Sekunden alle 4.29 Sekunden ein neuer Besucher ---- logout ----viewtopic ---- logout ----
|
xcvb
ycvb
0.0607390403748
|