| Autor |
Von Mp3 Player per Infrarot zu boxen Suche nach: infrarot (656) boxen (1757) |
|
|
|
|
BID = 583465
ZwiebelDieb Gerade angekommen
Beiträge: 10 Wohnort: Oberderdingen
|
|
Hallo,
Ich bin neu hier und auch nicht so sehr erfahren was Elektronik angeht.
Ich will zusammen mit einem Kumpel einen Mp3 Player per Infrarot mit Boxen verbinden.
Wir haben uns das so vorgestellt:
Wir verbinden den Mp3 Player Ausgang wo die Kopfhöhrer rein kommen mit einer Sende Diode auf einer anderen Platine wollen wir dann eine Empfänger Diode mit Transistor einlöten, dann noch einen Verstärker der Infrarotsignale mit 2 Transistoren verstärkt und am Ende eine Box die sowohl mit Batterien als auch mit 6v Anschluss funktionieren.
Jetzt sind meine Fragen folgende:
Kann man per Infrarot überhaupt die Musiksignale die aus dem Mp3 Player Ausgang kommen senden oder muss ich den Mp3 Player auf der anderen Seite (dem Empfänger) mit der Box verbinden das ich praktisch einfach nur beim Sender einen Schalter umlegen muss, der Infrarot Empfänger durchschaltet und dann den Strom den die Box braucht liefert?
[ Diese Nachricht wurde geändert von: ZwiebelDieb am 26 Jan 2009 15:23 ] |
|
BID = 583466
Her Masters Voice Inventar
     
Avatar auf fremdem Server ! Hochladen oder per Mail an Admin
Beiträge: 5312 Wohnort: irgendwo südlich von Berlin
|
|
also um Strom kommst du wohl kaum herum. Ansonsten kann man Audio ganz gut per Infrarot übertragen. Nur so direkt wirds nicht besonders toll werden. Ein bisschen Modulation sollte man schon benutzen, schon um auch beide Kanäle rüberzubekommen. Infrarotkopfhörer machens ja auch nicht anders.
_________________
Tschüüüüüüüs
Her Masters Voice
aka
Frank
***********************************
Der optimale Arbeitspunkt stellt sich bei minimaler Rauchentwicklung ein...
*********************************** |
|
BID = 583469
tsaphiel Inventar
     
Beiträge: 3493 Wohnort: Unterfranken (frei statt Bayern!)
|
Ich hab sogar noch nen IR Kopfhöher hier, den ich seit Jahren nicht mehr benutze. Den könnt ich zu Schlachtzwecken verkaufen.
Der nutzt schon nen 3,5mm Klinken-Stereostecker am Eingang, also genau das was ihr braucht!
wird mit 9V Versorgt, eigentlich über Netzteil, sollte aber auch über nen 9V Block gehen.
Statt die Ohrmuschlen kommen dann halt die Boxen dran.
So isses nur bißchen Rumlöterei, aber nicht all zu knifflig.
Kompletter Selbstbau kommt sicherlich teurer, aufwendiger und garantiert nicht besser!
_________________
Druff un D'widd!!!
|
BID = 583493
ZwiebelDieb Gerade angekommen
Beiträge: 10 Wohnort: Oberderdingen
|
jo ich wird den gern nehmen was willse denn für den haben?
|
BID = 583494
Mr.Ed Moderator
      
Beiträge: 36328 Wohnort: Recklinghausen
|
Mit nur 2 Transistoren wird das auch nichts werden.
Die Musik muß auf einen Träger moduliert werden, dann per Infrarot gesendet werden, wieder empfangen, demoduliert und dann verstärkt werden.
Zitat :
|
Kann man per Infrarot überhaupt die Musiksignale die aus dem Mp3 Player Ausgang kommen senden oder muss ich den Mp3 Player auf der anderen Seite (dem Empfänger) mit der Box verbinden das ich praktisch einfach nur beim Sender einen Schalter umlegen muss, der Infrarot Empfänger durchschaltet und dann den Strom den die Box braucht liefert? |
Wie meinst du das?
_________________
-=MR.ED=-
Anfragen bitte ins Forum, nicht per PM, Mail ICQ o.ä. So haben alle was davon und alle können helfen. Entsprechende Anfragen werden ignoriert.
Für Schäden und Folgeschäden an Geräten und/oder Personen übernehme ich keine Haftung.
Die Sicherheits- sowie die VDE Vorschriften sind zu beachten, im Zweifelsfalle grundsätzlich einen Fachmann fragen bzw. die Arbeiten von einer Fachfirma ausführen lassen.
|
BID = 583527
ZwiebelDieb Gerade angekommen
Beiträge: 10 Wohnort: Oberderdingen
|
Zitat :
| | Wie meinst du das? |
Also ich meine dass so das ich den Mp3 Player beim Empfänger an die Box anschliese (mit der normalen Klinke) und dann den sender hinten an eine normale Stromquelle hänge sodass ich den Sender nur noch als Fernbedienung hab. Sodass ich einen Schalter am Sender umlege dass die Sende Led Strom bekommt der Empfänger Transistor schaltet sodass Strom fliest und dann die Box Strom bekommt  angeht und dann einfach die musik vom Mp3 Player wiedergibt.
Gegenfrage:
Zitat :
| Mit nur 2 Transistoren wird das auch nichts werden.
Die Musik muß auf einen Träger moduliert werden, dann per Infrarot gesendet werden, wieder empfangen, demoduliert und dann verstärkt werden. |
Wie meinst du das? hab leider noch nich so viel Ahnung
[ Diese Nachricht wurde geändert von: ZwiebelDieb am 26 Jan 2009 20:03 ]
|
BID = 583530
Her Masters Voice Inventar
     
Avatar auf fremdem Server ! Hochladen oder per Mail an Admin
Beiträge: 5312 Wohnort: irgendwo südlich von Berlin
|
...und das sollte jetzt verständlicher sein? Sprichst du armer einsamer Mensch im realen Leben auch so und wunderst dich dass Niemand was mit dir zu tun haben will?
|
BID = 583537
ZwiebelDieb Gerade angekommen
Beiträge: 10 Wohnort: Oberderdingen
|
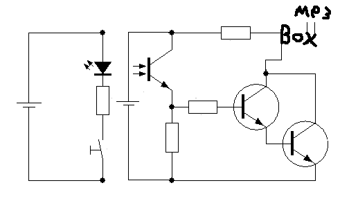
erstmal was sollte den jetzt das? Ich glaube du hast ein paar Probleme und wie du vielleicht lesen konntest (vorausgeszt du kannst das) mach ich das mit nem Kumpel
Zitat :
| | ..und das sollte jetzt verständlicher sein? Sprichst du armer einsamer Mensch im realen Leben auch so und wunderst dich dass Niemand was mit dir zu tun haben will? |
Ich hab ne Schaltung gemacht mit der es vielleicht verständlicher wird
|
BID = 583540
clembra Inventar
     
Beiträge: 5402 Wohnort: Weeze / Niederrhein
|
Nich die Neulinge beleidigen. "Alte Hasen", die das verstehen ok, aber nicht die neuen Mitglieder
Schließlich wollen wir doch dass die Leute bleiben. In diesem Sinne:
Willkommen im Forum
Zu deiner Schaltung, so wird das nichts. Infrarot geht nur ordentlich mit pulsierendem Licht, das eigentlich nur An und Aus kennt. Analoge Audiosignale wirst du nicht übertragen können. Dazu braucht es einer größeren Schaltung (zumindest auf dem Schaltplan) auf beiden Seiten mit denen das Signal vom MP3-Player in ein digitales und auf der anderen Seite zurück in eine analoges umgewandelt wird.
_________________
Reboot oder be root, das ist hier die Frage.
|
BID = 583541
Her Masters Voice Inventar
     
Avatar auf fremdem Server ! Hochladen oder per Mail an Admin
Beiträge: 5312 Wohnort: irgendwo südlich von Berlin
|
dann solltet Ihr eindeutig weniger kiffen!
Was bitteschön soll dein "Schaltplan" darstellen? Ich dachte schon die wörtliche Beschreibung wäre absolut unverständlich aber das Bild reisst Alles um.
|
BID = 583544
tsaphiel Inventar
     
Beiträge: 3493 Wohnort: Unterfranken (frei statt Bayern!)
|
wegen KH meld ich mich nochmal.
Ich glaub der Jung versucht uns klar zu machen, dass die Boxen quasi "von alleine an gehen" sobald der MP3 Player an ist.
Also nicht separat an/aus geschaltet werden müssen, korrekt?
Das kannst aber gleich wieder vergessen.
Fernseher geht auch nicht nur mit der Fernbedienung von aus auf an!
Von Standby auf an ja, aber nich von ganz aus.
Und so lange die Schaltung nix Empfängt, also auch nix wiedergibt is quasi Standby.
_________________
Druff un D'widd!!!
|
BID = 583545
Mr.Ed Moderator
      
Beiträge: 36328 Wohnort: Recklinghausen
|
Zitat :
| | Sodass ich einen Schalter am Sender umlege dass die Sende Led Strom bekommt der Empfänger Transistor schaltet sodass Strom fliest und dann die Box Strom bekommt angeht und dann einfach die musik vom Mp3 Player wiedergibt. |
Dieser Satz keinen Sinn ergibt weil kommas fehlen darin?
Welchen Sinn hat denn eine Infrarotübertragung wenn du den MP3-Player sowieso direkt an die Aktivlautsprecher anschließen willst?
Ich denke du willst die Musik per Infrarot übertragen? Oder soll das jetzt auf einmal eine Fernbedienung werden? Da solltest du dich schon entscheiden.
Auch die würde nicht so funktionieren wie du dir das vorstellst. Damit das so klappt müßte es stockdunkel sein.
Egal was das ganze jetzt werden soll, ohne die Informationen auf einen Träger aufzumodulieren klappt das alles nicht.
_________________
-=MR.ED=-
Anfragen bitte ins Forum, nicht per PM, Mail ICQ o.ä. So haben alle was davon und alle können helfen. Entsprechende Anfragen werden ignoriert.
Für Schäden und Folgeschäden an Geräten und/oder Personen übernehme ich keine Haftung.
Die Sicherheits- sowie die VDE Vorschriften sind zu beachten, im Zweifelsfalle grundsätzlich einen Fachmann fragen bzw. die Arbeiten von einer Fachfirma ausführen lassen.
|
BID = 583550
ZwiebelDieb Gerade angekommen
Beiträge: 10 Wohnort: Oberderdingen
|
Zitat :
| Welchen Sinn hat denn eine Infrarotübertragung wenn du den MP3-Player sowieso direkt an die Aktivlautsprecher anschließen willst?
Ich denke du willst die Musik per Infrarot übertragen? Oder soll das jetzt auf einmal eine Fernbedienung werden? Da solltest du dich schon entscheiden.
Auch die würde nicht so funktionieren wie du dir das vorstellst. Damit das so klappt müßte es stockdunkel sein. |
Ist mir recht egal ob der Mp3 Player jetzt hinten an der Box ist oder nicht. Ich will nicht umbedingt musik versenden, mir würde eine Ferbedienung vollkommen reichen. Es ist mir auch egal ob es Stockdunkel sein muss oder nicht.
Zitat :
| Ich glaub der Jung versucht uns klar zu machen, dass die Boxen quasi "von alleine an gehen" sobald der MP3 Player an ist.
Also nicht separat an/aus geschaltet werden müssen, korrekt? |
Ich will euch nicht klar machen das die Boxen von alleine angehen sondern dass sie einen Schalter zum an und aus machen haben. Ich tue die Batterien aus der Box und schliese sie mit einem Netzteil an die Schaltung an. Die Boxen gehen natürlich nur an wenn Strom fliest.
Zitat :
| | dann solltet Ihr eindeutig weniger kiffen! |
lass uns kiffen wie wir wollen!
|
BID = 583552
clembra Inventar
     
Beiträge: 5402 Wohnort: Weeze / Niederrhein
|
ALSO du willst einfach eine LED, wenn die Leuchtet: Boxen an, wenn nicht: Boxen aus. Habe ich das jetzt richtig verstanden?
Dann haben wir nämlich mächtig aneinander vorbei geredet.
Auch wenn für den Fall deine Schaltung schon ehr geeignet ist, so hat sie dennoch zwei Nachteile: Zum einen ist eine ständige Sichtverbindung zwischen Fernbedienung und Empfänger nötig. Sobald jemand aufsteht sind die Boxen aus und Musik ist futsch. Zum anderen gehen die Boxen evtl. auch an, wenn das Umgebungslicht hell genug ist. Da empfiehlt es sich eine Schaltung zu benutzen, die kodiert einen Ein- bzw. Ausschaltbefehl sendet. Von mir aus auch einen Befehl und der Empfänger modelt das entsprechend um.
Zitat :
ZwiebelDieb hat am 26 Jan 2009 21:06 geschrieben :
|
(...) und schliese sie mit einem Netzteil an die Schaltung an.
|
Besser erst das Netzteil, dann deine Schaltung und dann die Boxen. Ist sicherer
Offtopic :
|
Zitat :
Mr.Ed hat am 26 Jan 2009 20:50 geschrieben :
|
Dieser Satz keinen Sinn ergibt weil kommas fehlen darin?
|
Sind wir jetzt bei "Star Wars für Anfänger"?
|
_________________
Reboot oder be root, das ist hier die Frage.
|
BID = 583553
GeorgS Inventar
     
Beiträge: 6440
|
Wenn ich den Thread richtig lese,
dann hat sich doch clembra praktisch
erboten, diesem Zwiebeldieb zu helfen.
Also, legt euch zurück und beobachtet mal,
wie man mit Inhalte ausgeblendet durch Jornbyte  
Forenregeln
erfolgreich verhandelt.
Wohlan, clembra!
_________________
Dimmen ist für die Dummen
[ Diese Nachricht wurde geändert von: GeorgS am 26 Jan 2009 21:25 ]
[ Diese Nachricht wurde geändert von: Jornbyte am 26 Jan 2009 22:22 ]
|