| Autor |
Timer 555 Suche nach: timer (2139) |
|
|
|
|
BID = 483476
Hechtling Gelegenheitsposter
 
Beiträge: 84 Wohnort: Arzberg
|
Moin!
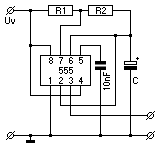
Kann der Timer 555 mit folgender Beschaltung funktionieren ?
R1= 2M, R2= 4,7k C=4700µ
ergibt rechnerisch etwa 6500s Ein und 15s Aus.
Danke
|
BID = 483489
Esko Stammposter
   
Beiträge: 465 Wohnort: Cadolzburg
|
|
Hi Hechtling,
das könnte eng werden.
R1 = 2Mohm und C = 5000µF
So ein großer Kondensator hat einen Leckstrom der u. U. größer ist als der Strom im µAmpere Bereich.
Das die Zeiten mit einem Elektrolyt Kondensator mindestens um +-10% schwanken weißt du?
mfg Esko |
|
BID = 483490
perl Ehrenmitglied
       
Beiträge: 11110,1 Wohnort: Rheinbach
|
Besser nicht.
Der Widerstand kommt schon sehr in die Größenordnung des Isolationswiderstands des Elkos und dieser ist schlecht definiert und ausserdem sehr temperaturabhängig.
Ausserdem ist die Kapazitätstoleranz von Elkos von vornherein recht gross.
Besser als der 555 eignet sich der 7555, der ein CMOS-Chip ist und den Einsatz viel größerer Widerstandswerte und damit von Folienkondensatoren erlaubt.
Aber auch das ist keine schöne Lösung, weil man es dann rasch mit Feuchtigkeitseinflüssen auf der Platine zu tun bekommt und ausserdem sind Widerstände im GOhm-Bereich nicht billig.
Derart lange Zeiten macht man besser mit Zählern, die einen höherfrequenten Oszillator herunterteilen.
Kleine Mikrocontroller eignen sich dafür hervorragend, aber es gibt auch einen Timerchip, der auf dieser Basis arbeitet. Leider ist mir dessen Bezeichnung momentan entfallen.
_________________
Haftungsausschluß:
Bei obigem Beitrag handelt es sich um meine private Meinung.
Rechtsansprüche dürfen aus deren Anwendung nicht abgeleitet werden.
Besonders VDE0100; VDE0550/0551; VDE0700; VDE0711; VDE0860 beachten !
|
BID = 483495
Otiffany Urgestein
     
Beiträge: 13792 Wohnort: 37081 Göttingen
|
Das Thema wurde hier schon behandelt:
https://forum.electronicwerkstatt.d.....5.JPG
Gruß
Peter
P.S.
Man kann die Zeiten auch verlängern, in dem man zwei Timer nacheinander triggern läßt und so die doppelte Zeit erreicht.
[ Diese Nachricht wurde geändert von: Otiffany am 21 Dez 2007 11:18 ]
|
BID = 483496
Hechtling Gelegenheitsposter
 
Beiträge: 84 Wohnort: Arzberg
|
Danke Esko und perl, habe sowas befürchtet.
Es kommt nicht auf extreme Genauigkeit an, eher unkompliziert und preiswert.
Anwendung sollte die Schaltung mit nachgeschaltetem Inverter und Relais an einer Zirkulationspumpe für Trinkwasser finden. Die über die Heizungssteuerung mögliche Programierung ist wegen ständig unterschiedlicher Nutzungszeiten ungeeignet. Daher wird die Pumpe per Taster mit Nachlaufschaltung genutzt. Zusätzlich soll die Pumpe automatisch aller 2-3h für etwa 10s laufen um einem Festfressen zu begegnen.
Es gibt wohl Zeitschaltuhren die solche einstellbaren Impulse liefern können, sind aber zu teuer, deshalb wollte selber Hand und Lötkolben anlegen.
Trotzdem Danke
|
BID = 483497
Hechtling Gelegenheitsposter
 
Beiträge: 84 Wohnort: Arzberg
|
@ Otiffany
Haben uns überschnitten, diesen Beitrag kannte ich, aber die damit erreichbare Zeit war mir zu kurz.
Danke
[ Diese Nachricht wurde geändert von: Hechtling am 21 Dez 2007 11:22 ]
|
BID = 483498
Otiffany Urgestein
     
Beiträge: 13792 Wohnort: 37081 Göttingen
|
NE 555 ist schon gut, in Verbindung mit einer billigen Schaltuhr (3,99€) müßte es doch funktionieren. Die lange zeit macht die Schaltuhr, die kurze Zeit übernimmt der NE555.
Gruß
Peter
|
BID = 483507
perl Ehrenmitglied
       
Beiträge: 11110,1 Wohnort: Rheinbach
|
Zur von Otiffany geposteten Schaltung:
Ich fürchte, dass auch diese Lösung nicht anständig funktioniert.
Zwar kann man das R*C Produkt reduzieren, und mit etwas Glück liegt die eigene Zeitkonstante des Elkos bei Tagen (ist aber von der Vorgeschichte und der Temperatur abhängig), aber den Eingangsstrom des 555, der immerhin zwischen 20 und 100nA liegt, wird man so nicht los.
Mit einem 7555 und Folienkondensatoren hingegen, könnte diese Schaltung akzeptable Eigenschaften aufweisen.
Übrigens böte es sich an, anstatt die Impulse aus dem Netz zu nehmen, einen zweiten 555 mit deren Herstellung zu beschäftigen.
P.S.:
Wenn schon Netzspannung geschaltet werrden soll, dann bietet sich tatsächlich eine digitale Schaltuhr aus dem Baumarkt an.
Soweit ir bekannt, kann man mit den meisten 10 oder 20 Wochenprogramme speichern, die einfach daran bestehen können zu unterschiedlichen Uhrzeiten einen Verbraucher für einige Sekunden einzuschalten.
Den 555 braucht man dann garnicht.
_________________
Haftungsausschluß:
Bei obigem Beitrag handelt es sich um meine private Meinung.
Rechtsansprüche dürfen aus deren Anwendung nicht abgeleitet werden.
Besonders VDE0100; VDE0550/0551; VDE0700; VDE0711; VDE0860 beachten !
|
BID = 483521
Otiffany Urgestein
     
Beiträge: 13792 Wohnort: 37081 Göttingen
|
Ich habe mir mal meine digitalen Schaltuhren angesehen. Die kürzeste Schaltzeit beträgt eine Minute.
Wie ich schon schrieb, die einfachste Schaltung mit dem NE555, ein kleines Netzteil mit Trafo und ein entsprechendes Relais am Ausgang und schon läufts.
Der Timer wird vom Einschalten der Schaltuhr getriggert und hält das Relais für 10 Sec. Dann ist es egal, wie lang die kürzeste Einschaltzeit der Schaltuhr ist.
Gruß
Peter
|
BID = 483536
Hechtling Gelegenheitsposter
 
Beiträge: 84 Wohnort: Arzberg
|
Danke erstmal für die vielen guten Ideen, werde einiges probieren und das Resultat, ob positiv  oder nicht  hier kundtun.
Grüße an alle die sich den Kopf zerbrechen und frohe Weihnachten !
|
BID = 483569
Her Masters Voice Inventar
     
Avatar auf fremdem Server ! Hochladen oder per Mail an Admin
Beiträge: 5312 Wohnort: irgendwo südlich von Berlin
|
Ich tät auch mal im Baumarkt nach ner Schaltuhr mit möglichst vielen Programmspeichern suchen aber wenns Selbstbau sein soll, dann den 555 etwas schneller takten lassen und z.B. mit 4017 dahinter den Takt runterteilen. Mit einem 4017 kann man schonmal bis zu 10 teilen und man kann auch mehrere davon hintereinanderschalten.
_________________
Tschüüüüüüüs
Her Masters Voice
aka
Frank
***********************************
Der optimale Arbeitspunkt stellt sich bei minimaler Rauchentwicklung ein...
***********************************
|
BID = 483660
Otiffany Urgestein
     
Beiträge: 13792 Wohnort: 37081 Göttingen
|
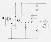
Ich habe mir mal die Mühe gemacht, die Schaltung mit dem NE 555 für dich aufzubereiten.
Den Trafo schaltest Du mit der billigen Schaltuhr ein. Der Einschaltstromstoß triggert den NE555, das Relais zieht für eine einstellbare Zeit an und schaltet deine Pumpe für diese Zeit an.
Alle drei Stunden wiederholt sich der Vorgang bis ins unendliche, wenn es sich bei der Schaltuhr um eine 24 Std. Uhr handelt.
Gruß
Peter
|
BID = 483726
Otiffany Urgestein
     
Beiträge: 13792 Wohnort: 37081 Göttingen
|
Noch nicht nachbauen, steckt noch ein Fehler drin: Beim Abschalten könnte erneut die Triggerung erfolgen. Da muß noch ein kurzer Reset gesetzt werden. Das muß ich noch ergänzen; komme aber nicht gleich dazu.
Gruß
Peter
|
BID = 483732
Hechtling Gelegenheitsposter
 
Beiträge: 84 Wohnort: Arzberg
|
@ Ottifany
Sieht ja schon Klasse aus, sollte ich mit meinen relativ bescheidenen Elektronikkentnissen  (leider) nachgebaut bekommen.
Frohe Weihnachten !
|
BID = 483737
Otiffany Urgestein
     
Beiträge: 13792 Wohnort: 37081 Göttingen
|
Ich habe die Schaltung noch einmal überarbeitet, aber so richtig glücklich bin ich nicht damit. Sie wird zwar funktionieren, aber die Tatsache, daß ich Kleinspannung und Netzspannung auf ein Relais gelegt habe gefällt mir nicht wirklich; aber irgendwie hindert mich der Weihnachtsstreß am Denken. Vielleicht hat Jemand eine bessere Idee?
Gruß
Peter
|