| Autor |
|
Taktgenerator mit einstellbarer ti/tp ? |
|
|
|
|
BID = 427595
tapelu Neu hier

Beiträge: 21
|
|
Ich möchte 2 Piezo´s mit einer Frequenz von 100 Hz ansteuern ansteuern.Die Ti und Tp soll für jeden Ausgang separat einstellbar sein. Der 1. Piezo mit soll mit Ti1 angesteuert werden, während der 2. Piezo gerade Pause hat...das wäre einfach mit einem Monoflop realisierbar. Es soll aber die TI und die Tp nicht nur in der Breite verändert werden, sondern die TI und die Tp soll auch verschoben werden, sodaß man entweder beide Piezos gleichzeitig ansteuert ,überlappend bis zu abwechselnd...
Ich hoffe, meine Erklärung ist einigermaßen verständlich..
Wie kann man sowas realisieren ? |
|
BID = 427598
perl Ehrenmitglied
       
Beiträge: 11110,1 Wohnort: Rheinbach
|
|
Am einfachsten und genauesten sicherlich mit einem Mikrocontroller.
_________________
Haftungsausschluß:
Bei obigem Beitrag handelt es sich um meine private Meinung.
Rechtsansprüche dürfen aus deren Anwendung nicht abgeleitet werden.
Besonders VDE0100; VDE0550/0551; VDE0700; VDE0711; VDE0860 beachten ! |
|
BID = 427762
sme-bbg Schriftsteller
    
Beiträge: 959 Wohnort: Bad Eilsen
|
Was für eine Auflösung wird denn benötigt ?
Reichen dir 8bit pro Periode?
Wenn ja sollte das nicht so schwierig werden:
Ein Zähler zählt mit dem von dir gewünschten 100Hz * 256 zählt.
Die Ausgänge des Zählers gibt du auf 4 vergleicher.
Der Erste vergleicht den zählerstand mit deinem Einschaltwert, ist dieser erreicht setzt dieser ein Flip Flop.
Der zweite vergleicht den zählerstand mit deinem Ausschaltwert, ist dieser erreicht wird der Flip Flop wieder zurückgesetzt.
Am Ausgang des Flip Flops hast du dann dein signal für den ersten Piezo.
Mit den Vergleichern 3 und 4 machchst du das selbe nur für den 2ten Piezo.
Eingentlich ein schönes Projekt für einen CLPD
Gruß Sven
|
BID = 427763
perl Ehrenmitglied
       
Beiträge: 11110,1 Wohnort: Rheinbach
|
Zitat :
| | Eingentlich ein schönes Projekt für einen CLPD |
Du vergisst dabei, daß das Teil irgendwie bedienbar sein muss.
Mit einem µC, der einige ADC Kanäle an Bord hat und 1..2€ kostet, ist es kein Problem dafür ein oder mehrere Potis dranzuhängen.
Kennst du ein CPLD das damit konkurrenzfähig wäre ?
_________________
Haftungsausschluß:
Bei obigem Beitrag handelt es sich um meine private Meinung.
Rechtsansprüche dürfen aus deren Anwendung nicht abgeleitet werden.
Besonders VDE0100; VDE0550/0551; VDE0700; VDE0711; VDE0860 beachten !
|
BID = 427768
sme-bbg Schriftsteller
    
Beiträge: 959 Wohnort: Bad Eilsen
|
Hmm da hast du irgendwie recht...
ich bin zur zeit irgendwie in richtung CLPDs eingeschossen
Aber die idee mit den Vergleichsregistern sollte man ja auch in einem AVR zum laufen bekommen.
Gruß Sven
|
BID = 427781
tapelu Neu hier

Beiträge: 21
|
...gibt es vielleicht auch eine Lösung ohne µC ?
|
BID = 427841
perl Ehrenmitglied
       
Beiträge: 11110,1 Wohnort: Rheinbach
|
Schon möglich, aber dazu müsstest du etwas weniger wortkarg sein.
|
BID = 427900
sme-bbg Schriftsteller
    
Beiträge: 959 Wohnort: Bad Eilsen
|
Naja das geht schon ohne einen Prozessor ist dann aber ein Bauteilgrab.
|
BID = 428047
tapelu Neu hier

Beiträge: 21
|
@ sme-bbg
Vielen Dank für die Schaltung !!!
Ich habe mittlerweile die Schaltung mit 3 Monoflops ausprobiert. Das funktioniert auch sehr gut.
aber nochmals herzlichen Dank für die Mühe !
Gruß Peter
|
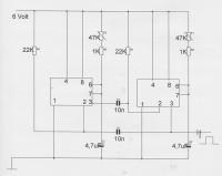
BID = 428066
Otiffany Urgestein
     
Beiträge: 13779 Wohnort: 37081 Göttingen
|
Auch diese Schaltung könnte eine Lösung sein.
Gruß
Peter
|
BID = 428078
sme-bbg Schriftsteller
    
Beiträge: 959 Wohnort: Bad Eilsen
|
Ich hätte da auch noch ein idee mit zwei Fenster Koparatoren und nem Sägezahn generator.
Aber du hast ja bereits eine Lösung gefunden.
Gruß Sven
|
BID = 428089
sme-bbg Schriftsteller
    
Beiträge: 959 Wohnort: Bad Eilsen
|
|
BID = 428212
tapelu Neu hier

Beiträge: 21
|
vielen Dank für die tollen Vorschläge !
ich hab aber noch eine Frage...
an einem Ausgang soll eine Spule angeschlossen werden mit 13 Ohm. Es soll 1 A fließen. Steuere ich die Spule am TTL Ausgang des Monoflops mit einem FET oder Transistor an ?
Bei Da gibt es doch Probleme mit Induktionsspitzen bei der Rechteckspannung. Nimmt man besser einen Transistor ?
|
BID = 428262
Otiffany Urgestein
     
Beiträge: 13779 Wohnort: 37081 Göttingen
|
Ein entsprechender Transistor dürfte hier noch ausreichen, aber Du mußt eine Freilaufdiode (1N4007) antiparallel zur Spule legen.
Gruß
Peter
|