| Autor |
|
|
|
BID = 180521
stoenky Neu hier

Beiträge: 23
|
|
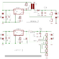
Hallo.
Ich hab mit dem LT 1070 eine Sperrwandlerschaltung aufgebaut.
Siehe Schaltplan. Obere Schaltung.
Ich will damit einen 12V Blei Akku laden.
Jedoch geht beim Testen sofort die Strombegrenzung meines Netzteils an. Eingestellt auf 2,5 A.
Wenn die Schaltung jedoch mit einem Wiedersdtand belast wird und ich so den Ausgangstrom langsam erhöhe, funktioniert die Schaltung.
Wieso funktioniert die Schaltung nicht wenn ich die Last direkt zuschalte.
Gruß stoenky. |
|
BID = 180819
stoenky Neu hier

Beiträge: 23
|
|
hallo
hier nochmals die schaltung.
hoffe man kann sie besser erkennen.
gruß stoenky |
|
BID = 180849
cha0s Gelegenheitsposter
 
Avatar auf fremdem Server ! Hochladen oder per Mail an Admin
Beiträge: 69 Wohnort: bei köln
|
akku leer? liegt auch die zu erwartende spannung am akku an?
|
BID = 180879
stoenky Neu hier

Beiträge: 23
|
der Akku hat ca 9V und ich will ihn auf 13,8V Laden.
Am Ausgang des Sperrwandlers hab ich im Leerlauf eine Spannung von 14V eingestellt.
|
BID = 180903
Electronicfox Schreibmaschine
    
Beiträge: 1634 Wohnort: hamburg
|
Zitat :
stoenky hat am 30 Mär 2005 15:32 geschrieben :
|
Hallo.
Ich hab mit dem LT 1070 eine Sperrwandlerschaltung aufgebaut.
Siehe Schaltplan. Obere Schaltung.
Ich will damit einen 12V Blei Akku laden.
Jedoch geht beim Testen sofort die Strombegrenzung meines Netzteils an. Eingestellt auf 2,5 A.
Wenn die Schaltung jedoch mit einem Wiedersdtand belast wird und ich so den Ausgangstrom langsam erhöhe, funktioniert die Schaltung.
Wieso funktioniert die Schaltung nicht wenn ich die Last direkt zuschalte.
|
Hänge mal zwischen Spannungsquelle und Netzteil einen PTC mit 5 Ohm rein. Die sollten bei einem Sperrschwinger niemals fehlen. Ist in dem IC einen Freilaufdiode integriert? Wenn nicht extern nachholen.
_________________
Es ist nicht mein Ziel mit dem Kopf durch die Wand zu gehen, sondern mit den Augen eine Tür zu finden. Also warum kompliziert, wenn’s einfach geht.
|
BID = 181073
stoenky Neu hier

Beiträge: 23
|
hi
hier das Blockschaltbild des LT 1070
|
BID = 181140
sepp@kaernten Schriftsteller
    
Beiträge: 709 Wohnort: Austria
|
Hmm, immer schön der Reihe nach:
Wandlernetzteile konzipiert man nicht für den Leerlauf, sondern für eine bestimmte geforderte Leistung; in deinem fall ca. 70W.
1. leg dir doch erst einmal das ORIGINAL-Datenblatt vom Hersteller zu......zumindest die PDF-Form.
z.b. hier: http://www.alldatasheet.com/
2. zu deinem Problem:
- warum dein Netzteil sofort in die I-Begrenzung fährt....max Ausgangsstrom LT1070: 5A....d.h. Stromaufnahme am Akku messen....liegt dieser z.b. unter 1A, dann hast du z.b. die Wickelgüter falsch bemessen...Trafo
Über 2,5A.....Dein sogenanntes Netzteil kann nicht mehr leisten......
über 5A......dein Akku zieht relativ viel Strom....für den Anfang...da du ihn ja mit Konstantspannung lädst, stellt sich der Ladestrom von alleine ein: laut Datenblatt max. 5A
die Quintessenz:
Wandler mit 7A5 Autosicherung an einen Autoakku anschliessen.
Eine H4- Autolampe anschliessen....Strom/Spannung am Ein/Ausgang des Wandlers messen.
Zwar wird die Lampe nicht allzu hell leuchten, aber du kannst damit schon mal wertvolle erfahrungen im umgang mit wandlern sammeln.....
letzte Frage: wozu/warum ein Eintakt-Sperrwandler?
greetz.... 
|
BID = 181788
stoenky Neu hier

Beiträge: 23
|
@ Electronicfox
hab es mit einem PTC versucht, hat leider nicht funktioniert.
@ sepp äht kaernten (automatisch editiert wegen spamgefahr)
Datenblätter des IC´s besitz ich, leider sind meine Englisch Kenntnisse nicht wirklich gut.
Also am Ausgang des Wandlers brauche ich ca 700mA, denn man sollte Blei Akkus mit einem zehntel des max Stroms Laden.?
Einen Sperrwandler brauche ich, da ich den Akku mit 14 Volt laden will und ich verschieden Eingangsspannungen am Wandler habe. 20V und 12 V.
|
BID = 181813
sepp@kaernten Schriftsteller
    
Beiträge: 709 Wohnort: Austria
|
Zitat :
|
Also am Ausgang des Wandlers brauche ich ca 700mA, denn man sollte Blei Akkus mit einem zehntel des max Stroms Laden...
|
Nein. Das trifft am ehesten für NiCd-Akkus zu...
Für Blei-Akkus stellt sich der Ladestrom von alleine ein, wenn du ihn mit konstanter Spannung versorgst....13V8, abhängig von der Stromquelle.
Wenn, sagen wir einmal, dein Netzgerät ca.5A liefern kann, und du eine Spannung von 13V8 einstellt, wirst du folgendes feststellen:
1. Am Anfang wird dein Netzgerät folgendes anzeigen:
je nach Ladezustand!!!! Strom bis ca. 5A, die Spannung sinkt unter den eingestellten Wert.
der Ladestrom sinkt dann automatisch, je mehr Kapazität eingeladen wurde.
Abschalten bei ca. 1/10 des Ladestromes...Akku voll! d.h. bei einem 30Ah Akku = 3A Ladestrom.
Zitat :
|
Einen Sperrwandler brauche ich, da ich den Akku mit 14 Volt laden will und ich verschieden Eingangsspannungen am Wandler habe. 20V und 12 V.
|
woher kommen die Spannungen?
greetz...
ps.: http://www.sprut.de/electronic/switch/index.htm
[ Diese Nachricht wurde geändert von: sepp@kaernten am 2 Apr 2005 21:31 ]
|
BID = 181837
stoenky Neu hier

Beiträge: 23
|
hallo
ich will den akku, über den Zigarettenanzünder im Auto laden können, bei stillstehendem Motor.
Und über ein Steckernetzteil, das eine Ausgangspannung von 20V hat und einen Strom von ca 500mA liefern kann.
Gruß
|
BID = 181988
hannoban Schreibmaschine
    
Beiträge: 1722 Wohnort: Hinter Düsseldorf die 4. Mülltonne links
|
Ich glaube sowiso, daß dein 12V-Bleiakku total im Sack ist. Wenn der nurnoch 9V hat, dann hat ganz bestimmt schon eine Zelle einen Kurzschluss. Höchstwahrscheinlich steigt deshalb der Strom so enorm hoch, daß dein Netzteil in die Strombegrenzung geht.
Außerdem hab ich schon Netzteile gesehen, die sich nach dem Ansprechen der Strombegrenzung nicht selbstständig zurückstellen konnten. Ein Grund für das Ansprechen könnten z.B. Kondensatoren sein, die sich ja beim Anschließen erstmal mit einem hohen Impulsstrom aufladen möchten.
MfG hanno...
|
BID = 182000
sam2 Urgestein
     
Beiträge: 35321 Wohnort: Franken (bairisch besetzte Zone)
|
Wie?
Sehe ich das richtig?
Du willst den fahrzeugeigenen Akku des Autos über den Zigarettenanzünder sozusagen "rückwärts eingespeist" laden?
Und das, obwohl er zumindest tiefentladen ist...
Was glaubst Du, sagt die Bordelektronik dazu???
|
BID = 182041
hannoban Schreibmaschine
    
Beiträge: 1722 Wohnort: Hinter Düsseldorf die 4. Mülltonne links
|
Daß es der fahrzeugeigene Akku ist, hat er nicht gesagt, und das will ich ja auch erstmal nicht gauben.
Wahrscheinlich meint er einfach nur den Spontan-Party-Akku, den ich ebenfalls hab, und nicht missen möchte. 
|
BID = 182164
stoenky Neu hier

Beiträge: 23
|
Ich meine den Spontan Party Akku, nur leider funktioniert das nicht so wie ich es mir vorstelle.
stoenky
|
BID = 182167
sam2 Urgestein
     
Beiträge: 35321 Wohnort: Franken (bairisch besetzte Zone)
|
So?
Dann erkläre mir doch bitte diesen Satz:
Zitat :
| | ich will den akku, über den Zigarettenanzünder im Auto laden können, bei stillstehendem Motor. |
Danke!
|