selbstbau 60A-Lobornetzteil schwingt Im Unterforum Projekte im Selbstbau - Beschreibung: Selbstbau von Elektronik und Elektro
Autor |
selbstbau 60A-Lobornetzteil schwingt |
|
|
|
|
BID = 623700
Beckenrandschwimmer Schreibmaschine
    
Beiträge: 1923 Wohnort: Altrip
|
|
Hallo,
wie schon in einem anderen Thema erwähnt, baue ich mir gerade ein Labornetzteil auf, welches 0...16V und 0...60A liefern kann.
Durch eine gute Kühlung und 9 einzeln angesteuerte, parallele IRF1404 (Strom wird exact auf die 9 FETs aufgeteilt) kann es auch 60A bei 0,0V Ausgangsspannung liefern ohne zu überhitzen.
Derzeit habe ich noch Probleme bei einem harten Kurzschluss (R Last < 0,05 Ohm), dort fängt die Stromregelung das Schwingen an.
Das Problem ist, dass zwischen 5A und 50A Ausgangsstrom die G-S -Spannung nur um 0,1V zunimmt. Das Heißt, dass der Regel-OP eine Verstärung von ca. 0,02 haben muss. Das mag er anscheinend nicht... Die Ausgangskondensatoren sind bei einem harten Kurzschluss wirkungslos.
Hat jemand eine Idee, wie ich dem Netzteil das Schwingen bei einem harten Kurzschluss abgewöhnen kann? Schwingen tut der LM2902.
Die Antwort von high_speed:
Zitat :
|
Hallo Beckenrandschwimmer,
ich habe eben nur über die Treiberstufe geschaut.
Da liegt bestimmt das Zeitglied verborgen.
Einen MOSFET braucht zur schnelle Ansteuerung eine Gegentaktstufe.
Die Gates hättest Du alle parallel hängen können, denn das Thermische
verhalten entspricht einer Gegenkopplung. Der wärmste trägt den
geringsten Strom.
Einen OP würde ich nicht als Treiber benutzen. Ich weis jetzt nicht was
der LM324 für einen Ausgangsstrom hat, aber viel mehr als 40mA werden
es nicht sein.
Ich hatte mal die Stromquelle für Steppenwolf kompensiert.
Im Regelweg waren zwei OP-Amps, eine Transistortreiberstufe
und ein IGBT. Leider ist der Beitrag verloren gegangen.
Irgendwo muss die Simulation noch herumfliegen.
MfG
|
Meine Antwort darauf:
Zitat :
|
Hallo high_speed,
die FETs werden ja mit max. 53mA angesteuert. Bei 9 parallelen FETs macht das (9x5,6nF = 51nF) 1,04V/µs.
Die OP's haben nur 0,5V/µs. Sollte also schon passen. Des Weiteren habe ich durch den Gegentaktkondensator die Slewrate drastisch reduziert, auf ca. 0,005V/µs (5V/ms).
Wenn ich (am Wochenende) wieder etwas Zeit habe, dann vergrößere ich den "Entkopplungswiderstand" von 1k auf 15k und verringere den Gegentaktkondensator von 10nF auf 1nF oder gleich 470pF. Denn was ich festgestellt habe: Sobald der OP schwingt, zieht der die Spannungsversorgung mit, obwohl diese mit 330µF nach dem µA78l05 gepuffert ist.
Das, was du über die FETs schreibst gilt nur bei einer Drain-Surce-Spannung <1V. Darüber verhält es sich vollkommen anders (Datenblatt vom IRF1404 Seite 3 "Typical Output Characteristics")
Habe das schmerzhaft beim Vorgängernetzteil lernen müssen.
Damit dieser Input nicht verloren geht, eröffne ich einen neuen Beitrag
Grüße
Beckenrandschwimmer
|
Ich habe mir noch einmal das Datenblatt angesehen. Die "automatische" Stromaufteilung klappt nur bei Gate-Surce-Spannungen über 5,5V und Drain-Surce-Spannung <1V bzw. 6V bei Vds >1V.
EDIT:
Ich komme wohl erst am Wochenende dazu, Oszibilder der Schwingung und Bilder des Netzteiles einzustellen.
Grüße
Beckenrandschwimmer
[ Diese Nachricht wurde geändert von: Beckenrandschwimmer am 29 Jul 2009 8:51 ] |
|
BID = 626348
Beckenrandschwimmer Schreibmaschine
    
Beiträge: 1923 Wohnort: Altrip
|
|
So so, nun bin ich wieder da
Ich habe die Schwingung auf ein minimum reduziert.
Im Einstellbereich 0...90A habe ich auch bei einem harten Kurzschluss (Rl rund 10mOhm) keinerlei Schwingungen. (90A nur sehr kurz getestet)
Nur im Bereich 0...9A habe ich ab 6A Ausgangsstrom Schwingungen mit einer Frequenz von ca. 50kHz. Allerdings macht das nichts, da im Schnitt immernoch genau der Stromm fließt, der fließen soll. Somit wäre das Netzteil Kurzschlusssicher.
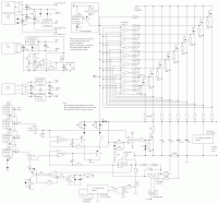
Anbei noch die korrigierte Schaltung. Ich habe den LM2902 durch einen LM324 getauscht, die -5V auf -8,6V erhöht, sowie den Kondensator am OP177 als auch den Widerstand und die Kondensatorbeschaltung am LM324 geändert.
Bilder des Netzteiles kann ich leider erst später einstellen, da ich meine Kamera in der Wohnung meiner Verlobten vergessen habe.
Grüße
Becky
[ Diese Nachricht wurde geändert von: Beckenrandschwimmer am 12 Aug 2009 9:45 ] |
|
|
Zum Ersatzteileshop
Bezeichnungen von Produkten, Abbildungen und Logos , die in diesem Forum oder im Shop verwendet werden, sind Eigentum des entsprechenden Herstellers oder Besitzers. Diese dienen lediglich zur Identifikation!
Impressum
Datenschutz
Copyright © Baldur Brock Fernsehtechnik und Versand Ersatzteile in Heilbronn Deutschland
gerechnet auf die letzten 30 Tage haben wir 13 Beiträge im Durchschnitt pro Tag heute wurden bisher 0 Beiträge verfasst © x sparkkelsputz Besucher : 185890121 Heute : 7075 Gestern : 24670 Online : 311 20.10.2025 8:06 30 Besucher in den letzten 60 Sekunden alle 2.00 Sekunden ein neuer Besucher ---- logout ----viewtopic ---- logout ----
|
xcvb
ycvb
0.0515079498291
|