| Autor |
|
Pieper DC entkoppeln: Kondensatorgröße? |
|
|
|
|
BID = 660826
Lupin III. Schriftsteller
     Beiträge: 616 Wohnort: Salzburg
|
|
Ich habe einen kleinen 16-Ohm Pieper an die Ausgänge eines Hex-Inverters (74HCT04) angeschlossen. Geht einfach darum mehr "Saft" als an einem einzelnen Pin ein µCs zu haben und in der SMD-Version ist das ganze auch noch kleiner als Transitoren mit Vorwiderständen. Natürlich muss ich dabei dann den Lautsprecher gleichspannungs-entkoppeln. Aber wie groß wähle ich da den Kondensator? Einerseits möchte ich möglichst wenig durch einen zu kleinen Kondensator verlieren, aber auch nicht einen unnötig großen Klotz in die Schaltung löten. Ich hätte außerdem nichts dagegen, wenn das Rechteck ein bisschen "abgerundet" wird. Die Frequenz ist entweder 1 oder 2 kHz. Wie komme ich da auf einen richtigen Wert? |
|
BID = 660850
perl Ehrenmitglied
       
Beiträge: 11110,1 Wohnort: Rheinbach
|
|
Zitat :
| | Natürlich muss ich dabei dann den Lautsprecher gleichspannungs-entkoppeln. | Musst du nicht.
Dannn nämlich, wenn zwischen den beiden Lautsprecheranschlüssen der Inverter liegt.
Du bekommst dann so nebenher auch die vierfache Leistung.
Beachte, dass der Treiber für den Inverter dann auch einigen Strom liefern muss. |
|
BID = 660868
Lupin III. Schriftsteller
     Beiträge: 616 Wohnort: Salzburg
|
Ich verstehe jetzt nicht ganz, in welchem Fall man die Gleichstromentkopplung mit Inverter dazwischen nicht brauchen sollte. Außer vielleicht du meinst einen Anschluss direkt an den µC und den anderen an den Ausgang des Inverters, und dann den µC auf Hi-Z schalten, wenn man nicht piepen will.
Aber so wollte ich das sowieso nicht aufbauen. Denn dann bin ich ja wieder im Strom durch den µC beschränkt (aber hätte zumindest die doppelte Spannung).
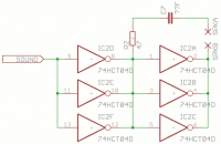
"die Ausgänge eines Hex-Inverters" war wohl nich so gut ausgedrückt. Es sind die Ausgänge mehrerer paralleler Inverter. Der Aufbau ist folgender: µC an drei Inverter-Eingänge, deren Ausgänge parallel an ein Bein des LS und drei weitere Eingänge, und deren Ausgänge an den zweiten Pin des LS. Siehe Bild unten.
Bei dem Aufbau liegt am LS immer Spannung an.
|
BID = 660885
perl Ehrenmitglied
       
Beiträge: 11110,1 Wohnort: Rheinbach
|
Was hast du denn für einen Schallwandler?
Ist das ein piezoelektrisches System oder ein magnetisches?
Piezos halten dauerhaft Gleichspannung aus und dann fliesst kein Strom, bei magnetischen Systemen würde Gleichstrom fliessen und deshalb sollte man allein schon wegen der Stromersparnis abschalten, wenn kein Ton erzeugt wird.
|
BID = 660890
Lupin III. Schriftsteller
     Beiträge: 616 Wohnort: Salzburg
|
Einen magnetischen (DC Widerstand 16Ohm). Genau deswegen möchte ich ja den Kondensator drin haben, sozusagen als automatische Abschaltung bei Nicht-Benützung. Im Prinzip funktioniert es eh schon. Ich hätte einfach nur eine Methode gewusst, auf die Mindest-Kapazität zu kommen, sodass das Rechteck-Signal grade Mal leicht gerundet durchgeht.
|
BID = 660896
perl Ehrenmitglied
       
Beiträge: 11110,1 Wohnort: Rheinbach
|
10µF.
|
BID = 660897
Otiffany Urgestein
     
Beiträge: 13779 Wohnort: 37081 Göttingen
|
Ich würde mal so Daumen mal PI 10µF vorschlagen. Das ist so eine übliche Größe bei Lautsprecherankopplungen.
Gruß
Peter
|