Nixies Dimmen

Im Unterforum Projekte im Selbstbau - Beschreibung: Selbstbau von Elektronik und Elektro

Elektronik Forum Nicht eingeloggt       Einloggen       Registrieren




[Registrieren]      --     [FAQ]      --     [ Einen Link auf Ihrer Homepage zum Forum]      --     [ Themen kostenlos per RSS in ihre Homepage einbauen]      --     [Einloggen]

Suchen


Serverzeit: 28 12 2025  20:33:06      TV   VCR Aufnahme   TFT   CRT-Monitor   Netzteile   LED-FAQ   Oszilloskop-Schirmbilder            


Elektronik- und Elektroforum Forum Index   >>   Projekte im Selbstbau        Projekte im Selbstbau : Selbstbau von Elektronik und Elektro


Autor
Nixies Dimmen

    







BID = 420991

sme-bbg

Schriftsteller



Beiträge: 959
Wohnort: Bad Eilsen
Zur Homepage von sme-bbg ICQ Status  
 

  


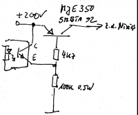
MOin ... habe mich dazu entschlossen für meinen AVR wecker eine anzeige mit NIxies zu bauen, anzeige funktioniert bereits (Kein Multiplex Betrieb) ist also kein problem.

So nun wollte ich die dinger dimmen und dachte mir einfach die 200V spannung per PWM zu regeln ... naja das ergebnis war das der leistungsteil nen kleiner verschmorter kumpen ist.

Habe den schaltplan mal angehängt , ich vermute mal das es die Z diode gehimmelt hat und der rest dann nen folgefehler war.

Also wie bekomme ich das am besten hin ich kann ja nicht einfach auf das Gate 200V jagen.


Gruß Sven


PDF anzeigen



[ Diese Nachricht wurde geändert von: sme-bbg am  9 Apr 2007 21:54 ]

[ Diese Nachricht wurde geändert von: sme-bbg am  9 Apr 2007 22:08 ]

BID = 421038

jokrautwurst

Stammposter



Beiträge: 422
Wohnort: Kitzingen

 

  

Guten Abend!
Wie Ich des sehe hast du einen einfachst-Spannungsregler mit dem BD135 und der Zdiode gebaut.
Diese Spannungsregler- Konstruktion soll dann den Teil mit der Ansteuerung versorgen.
Da sollen dann 9V am Ende rauskommen das heißt du musst im BD135um die 191V Spannungsabfall erzeugen. Das wird dir der BD135 _sehr_ übel genommen haben, und spielt kurzschluss. Deswegen is dir dann auch der rest der schaltung abgeraucht die dann ja an 200V hing.

Ich würde die Ansteuerung mal von nem 9V-Block versorgen und schaun ob sie so geht.
Dann muss halt noch ein kleiner DC-DC-Konverter rein; die sind bis zu ein paar 100 Völtern durchschlagfest.

PS: find ich schön Nixies aufleben zu lassen...sieht geil aus!!!

BID = 421042

Otiffany

Urgestein



Beiträge: 13779
Wohnort: 37081 Göttingen

Vielleicht kannst Du dir hier Hilfe holen.
Gruß
Peter

http://www.nixieuhren.de/uhrenbausa.....x.php

BID = 421191

Martin Wagner

Schriftsteller

Beiträge: 768
Wohnort: Unterfranken
Zur Homepage von Martin Wagner

Also irgendwie mag mein Rechner die PDF nicht öffnen...kommt immer eine HTML
Aber vielleicht hilft dir meine Schaltung im Anhang weiter, ist so in meiner Nixieradiowecker. Da ich keinen µC zur Verfügung habe, wird die PWM einfach mit einem NE555 erzeugt. Ist von http://www.mcamafia.de/nixie/ncp_dt/nix_dim.htm

Gruß Martin



BID = 421210

sme-bbg

Schriftsteller



Beiträge: 959
Wohnort: Bad Eilsen
Zur Homepage von sme-bbg ICQ Status  

ah danke , genau sowas hab ich gesucht

BID = 422009

sme-bbg

Schriftsteller



Beiträge: 959
Wohnort: Bad Eilsen
Zur Homepage von sme-bbg ICQ Status  

Eine Frage noch:

Weiß Jemand einen Optokoppler den ich anstatt des MPS A24 einsetzen kann?

ein standard Optokoppler geht hier ja nicht , da dieser ja auf der Transtistorseite die nötige spannungfestigkeit hat.



Gruß Sven

BID = 422010

perl

Ehrenmitglied



Beiträge: 11110,1
Wohnort: Rheinbach

Wozu überhaupt einen Optokoppler ?

_________________
Haftungsausschluß:



Bei obigem Beitrag handelt es sich um meine private Meinung.



Rechtsansprüche dürfen aus deren Anwendung nicht abgeleitet werden.



Besonders VDE0100; VDE0550/0551; VDE0700; VDE0711; VDE0860 beachten !

BID = 422026

sme-bbg

Schriftsteller



Beiträge: 959
Wohnort: Bad Eilsen
Zur Homepage von sme-bbg ICQ Status  

da ich gerne die hochspannung der NIxies und die Steuerschaltung optisch trennen wollte.

Gruß Sven

BID = 422030

perl

Ehrenmitglied



Beiträge: 11110,1
Wohnort: Rheinbach

Na, dann leg doch den Optokoppler in die Emitterleitung des unteren Hochspannungstransistors und binde die Basis mit einer Zenerdiode (+ 220k Widerstand von +200V) auf +6V oder so fest.
Das ergibt ein besseres Hochfrequenzverhalten als wenn du den MPS an der Basis ansteuern wolltest.

Wenn du keine ZD zur Hand hast, kannst du auch die in Sperrrichtung betriebene B-E-Strecke eines kleinen npn-Transistors verwenden.

Die LED des Optokopplers darfst du nur ganz zart, vielleicht mit 0,5..5mA ansteuern, sonst sperrt er zu langsam. Den passenden Vorwiderstand solltest du also ausprobieren.


P.S.:
Wenn du einen pnp-Hochspannungstransistor zur Hand hast, kannst du die Geschichte auch vereinfachen:





_________________
Haftungsausschluß:



Bei obigem Beitrag handelt es sich um meine private Meinung.



Rechtsansprüche dürfen aus deren Anwendung nicht abgeleitet werden.



Besonders VDE0100; VDE0550/0551; VDE0700; VDE0711; VDE0860 beachten !

[ Diese Nachricht wurde geändert von: perl am 14 Apr 2007 12:23 ]


Zurück zur Seite 0 im Unterforum          Vorheriges Thema Nächstes Thema 


Zum Ersatzteileshop


Bezeichnungen von Produkten, Abbildungen und Logos , die in diesem Forum oder im Shop verwendet werden, sind Eigentum des entsprechenden Herstellers oder Besitzers. Diese dienen lediglich zur Identifikation!
Impressum       Datenschutz       Copyright © Baldur Brock Fernsehtechnik und Versand Ersatzteile in Heilbronn Deutschland       

gerechnet auf die letzten 30 Tage haben wir 17 Beiträge im Durchschnitt pro Tag       heute wurden bisher 7 Beiträge verfasst
© x sparkkelsputz        Besucher : 187994101   Heute : 13331    Gestern : 11123    Online : 393        28.12.2025    20:33
12 Besucher in den letzten 60 Sekunden        alle 5.00 Sekunden ein neuer Besucher ---- logout ----viewtopic ---- logout ----
xcvb ycvb
0.0462729930878