| Autor |
|
Lichtschranke für Torantrieb |
|
|
|
|
BID = 949545
frosch006 Stammposter
   
Beiträge: 327 Wohnort: Oberfranken
|
|
Hallo,
ich möchte an meinem Einfahrtstor eine Lichtschranke montieren. Von Hörmann gibts laut der Anleitung nur Einweglichtschranken, da es etwas problematisch mit der Montage ist würde ich gerne eine Reflektionslichtschranke montieren. Geht das so ohne weiteres mit einem andren Hersteller?
In der Steuerung hab ich die Klemmen:
5/ DC+24V
20/DC-24V und an dem Lichtschranken TX und RX den 0V Anschluss
72/RX und TX
18/ wird nur bei dem TX Sender der Lichtschranke EL 31 von Hörmann benötigt.
ma |
|
BID = 949560
Primus von Quack Unser Primus :) nehmt ihn nicht so ernst
  
Beiträge: 7504
|
|
...ich weiss zwar nicht was Du für ein Torantrieb hast, aber Hörmann hat da meist Bus-gesteuerte Lichtschranken,
dann dürfte es mit anderen Herstellern schwierig werden.
...was sagt den die Anleitung dazu
...ansonsten musst Du uns verraten was es für ein Torantrieb ist und was für LS da dran sollen
_________________
...geguckt wird mit den Augen, nicht mit den Fingern! |
|
BID = 949566
der mit den kurzen Armen Urgestein
     
Beiträge: 17437
|
Ob du eine Einweglichtschranke oder eine Reflexlichtschranke verwendest ist völlig wurscht ! beide benötigen einen Sender TX und einen Empfänger RX. Bei der Reflexlichtschranke sind Sender und Empfänger nur im gleichem Gehäuse!
_________________
Tippfehler sind vom Umtausch ausgeschlossen.
Arbeiten an Verteilern gehören in fachkundige Hände!
Sei Dir immer bewusst, dass von Deiner Arbeit das Leben und die Gesundheit anderer abhängen!
|
BID = 949574
frosch006 Stammposter
   
Beiträge: 327 Wohnort: Oberfranken
|
Hallo Primus, hallo kurzer,
Zitat :
| | ...ansonsten musst Du uns verraten was es für ein Torantrieb ist und was für LS da dran sollen |
Es ist ein Rotamatic 2 Flügliger Drehtorantrieb.
Lichtschranken steht noch nicht fest, da schau ich mich dann um. Ich muss erst wissen ob es möglich ist.
Zitat :
| | beide benötigen einen Sender TX und einen Empfänger RX. Bei der Reflexlichtschranke sind Sender und Empfänger nur im gleichem Gehäuse! |
Das ist mir bekannt, dass beide im selben Gehäuse sind.
Wie ist bei Reflexlichtschranken der Anschluss?
Plus und Minuns 24 Volt für die Versorgung, aber wie siehts mit der Auswerteleitung aus? Ist die ebenfalls 2 polig?
Ich hab noch vergessen, von den Lichtschranken benötige ich 2 Stück.
Einmal innen und einmal aussen. Müssen parallel geschalten sein, bei der Funktion Tor schliesst.
Für die Einweglichtschranken gibt es von Hörmann einen überteuerten Lichtschrankenexpander (LSE2). Kann ich den für die Reflex LS auch nehmen bzw. gibt es günstigere möglichkeiten bzw. Eigenbau?
ma
ma
|
BID = 949576
der mit den kurzen Armen Urgestein
     
Beiträge: 17437
|
Wenn du mal die Unterlagen zu deiner Torsteuerung verlinkst könnte dir geholfen werden !
_________________
Tippfehler sind vom Umtausch ausgeschlossen.
Arbeiten an Verteilern gehören in fachkundige Hände!
Sei Dir immer bewusst, dass von Deiner Arbeit das Leben und die Gesundheit anderer abhängen!
|
BID = 949595
frosch006 Stammposter
   
Beiträge: 327 Wohnort: Oberfranken
|
|
BID = 949598
der mit den kurzen Armen Urgestein
     
Beiträge: 17437
|
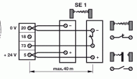
Das Bild sagt alles Klemme 20 ist Minuspol,
Klemme 5 bringt die Versorgungsspannung von 24 V
Klemme 72 ist über Öffner mit Klemme 0 verbunden somit ist die Lichtschranke frei
Bei einem Hindernis öffnet der Kontakt die Verbindung Klemme 20 nach Klemme 72
Die 2 te Lichtschranke wird genauso nur an Klemme 73 angeschlossen.
Dargestellt sind einmal TX (Sender ohne Schaltkontakt) und Empfänger (mit Schaltkontakt)
Wenn du 2 Lichtschranken verwendest als eine an SK1(72) und die andere an SK2(73)
_________________
Tippfehler sind vom Umtausch ausgeschlossen.
Arbeiten an Verteilern gehören in fachkundige Hände!
Sei Dir immer bewusst, dass von Deiner Arbeit das Leben und die Gesundheit anderer abhängen!
|
BID = 949601
der mit den kurzen Armen Urgestein
     
Beiträge: 17437
|
Über die Lichtschranken kann ich dir nichts sagen die gibt es mit Transistorausgang (NPN oder PNP) mit Öffner oder auch mit Schließer.
_________________
Tippfehler sind vom Umtausch ausgeschlossen.
Arbeiten an Verteilern gehören in fachkundige Hände!
Sei Dir immer bewusst, dass von Deiner Arbeit das Leben und die Gesundheit anderer abhängen!
|
BID = 949663
Primus von Quack Unser Primus :) nehmt ihn nicht so ernst
  
Beiträge: 7504
|
...tja, bei zwei LS müssen entweder zwei Anschlüsse für die Innere und Äussere LS vorhanden sein
oder man muss zwei Öffner in reihe schalten, eventuell mit Hilfsrelais
_________________
...geguckt wird mit den Augen, nicht mit den Fingern!
|