| Autor |
|
Gemultiplexter Druckerport, oder wie? |
|
|
|
|
BID = 135835
LeoLöwe Schriftsteller
    
Beiträge: 915
|
|
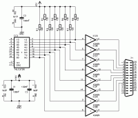
Hier der Schaltplan
Das ganze 8 mal mit 10 V Betriebsspannung
Die Relais haben eine Spulenspg. von 5V, Betriebsspannung an den Transistoren 10V
Was hast du für ein Schaltplanprogramm?
_________________
|
|
BID = 135845
2SJ200 Schreibmaschine
     Beiträge: 1942 Wohnort: Österreich
|
|
nunja mit dieser relaiskarte könnts in der tat etwas schwierig werden ... wieso ein BD135 ? der bringt ja viel zu viel leistung mit und hat eine schlechte stromverstärkung, würd da nicht ein normaler BC typ reichen oder sind das relais mit >75mA spulenstrom ?
wenn du de 10kOhm widerstand am eingang auf zB 2k2 reduzierst sollt die karte wesentlich früher einschalten
vorallem, was is mit S1? irgednwie wär ich mit der relaiskarte nicht 100% glücklich...
du hast deine schwellspannung bei geöffnetem S1 gemessen ? |
|
BID = 135864
LeoLöwe Schriftsteller
    
Beiträge: 915
|
S1 war offen.
Ich find die Karte wunderbar, auch wenn sie nicht IC-kompatibel ist.
Ich werde mal die Widerstände ändern und nochmal messen, wenn ich das nicht brauch, dann sag bescheid.
S1 ist zum zuschalten von dem Pulldown. Damit kann die Relaiskarte nämlich auch die Signale von diesen Graphitkontakten verarbeiten. Bei den Kontakten, die ich habe, liegt die Spanung immer bei ca. 5V (an 10V Betriebsspg.), erst nach dem drücken steigt die Spg. auf 7V an. Somit kann ich die Schaltschwelle erhöhen, damit die Karte nicht irgendwann schaltet, sondern erst beigedrückter Taste.
Ich hab nur Angst, das die Karte zu viel Strom zieht, wenn ich einen 2,2 K nehme.
Zu den Relais: Die ziehen in der tat sehr iel Strom, beim einschalten kurzzeitig ca. 1,2 Ampere. Das sind Industrirealis und die können ich glaube 25 Ampere schalten. (Ich weiss auch nicht wofür, aber wenn die schalten kann man einfach nicht weghören. Und das mit einem PC gesteuert!)
_________________
|
BID = 135865
2SJ200 Schreibmaschine
     Beiträge: 1942 Wohnort: Österreich
|
ok, najo der lS373 kann etwa 2,6mA liefern, also wenn die Ube=0,7V und Ua des LS373 3,6V dann sind des durch den 2,2k eh nur 1,32mA...
|
BID = 135934
DonComi Inventar
     
Beiträge: 8604 Wohnort: Amerika
|
Ich habe doch alles beschrieben, was du brauchst. Überließt du das alles, oder was?
Nimm zwei von den Decodern CD4514, die sind high-aktiv, kosten pro Stück exakt 2,02EUR. Das sind genau die Teile, die du brauchst. Ich habe doch alles beschrieben, da sollten keine Fragen offen bleiben.
Du musst auch keinen Bus-Treiber nehmen, das ist dann Luxus, allerdings werden deine Relais so oder so beim Hochfahren des PC wild hin-undherschalten.
Du kannst auch deine bereits bestehenden Relais-Karten behalten, die werden einfach mit Toggle-FFs, wenn mehrere Relais gleichzeitig an sein sollen, angesteuert, sonst brauchst du nicht mal das. Die werden einfach von Decoderplatine angesteuert. Da kommen zwei ICs mit jeweils 24pins und ein paar Widerstände drauf.
So, wenn du aber 256 Kanäle schalten willst, dann musst du ebenfalls mit Impuls-Betrieb arbeiten, wenn du nicht immer nur ein Relais an haben willst. Und auch bei 256 Relais wird die Sache nicht einfacher. Meiner Kenntnis nach gibt es keinen Volldecoder für acht Bits. (Wie sehe der Chip denn aus?)
Du kannst natürlich auch so arbeiten, wie es 2SJ200 beschieben hat, aber einfacher ist da auch nicht.
Und der CD4514 schafft bei Vdd = 5V 0.3 mA Ausgangsstrom, das reicht sehr wohl, um einen Transistor BC547 o.ä. durchzuschalten.
Wie gesagt, du kannst auch mit einem riesen Haufen von Gatterkäfern dir so einen Decoder selberbauen, aber komfortabel ist das nicht.
Schlauer Spruch am Ende: Viele Wege führen nach Rom!
_________________
|
BID = 136137
LeoLöwe Schriftsteller
    
Beiträge: 915
|
@DonComi: Nimm´st neue AMD 64 CPU und baust den Schip um!
Danke für den super Vorschlag, aber irgendwie ist für mich der Vorschlag von 2SJ200 besser zu verstehen.
@2SJ200:
Deine Lösung finde ich eigentlich gut. Wenn ich hinter deine ICs einen BC547 o.ä. hänge, mit 2,2 K Vorwiderstand, dann hätte der Decoder doch auch genug Leistung für meine Relaiskarten?
Ich habe nichts überlesen! Ich versteh das nur nicht...
Wie war das noch gleich mit dem Ochse und dem Berg
Danke für all die Bemühungen!
_________________
|
BID = 136215
DonComi Inventar
     
Beiträge: 8604 Wohnort: Amerika
|
Naja, dann gehe halt am Stadttor vorbei und kletter über die Mauer
(Nichts für Ungut)
_________________
|
BID = 136222
2SJ200 Schreibmaschine
     Beiträge: 1942 Wohnort: Österreich
|
des problem is ja dass du mehr spannung zambringen willst...
du müsstest also PNP transitoren reischalten und mit dioden dafür sorgen dass wenn der Tl ausgang auf HIGH is kein strom fließt und erst wenn der TTL auf masse runter geht steuert er deine relaisstufem mit jetzt auch gerne 10V an... nachteil is halt dasd pro relais einige dioden (Z-dioden) benötigst...
mir fällt da aber grad was anderes ei, und zwar gibts da uU eine lösung mit einem CMOS IC der 4000 serie - des seh ich mir nochmal an...
|
BID = 136231
2SJ200 Schreibmaschine
     Beiträge: 1942 Wohnort: Österreich
|
ok, denke so sollts funktionieren, vor den LS373 bleibt alles gleich...
die 5V versorgung des 373ers bleibt auch wie sie war.
die 373er Ausgänge werden aber dann mit pull up widerstände nach +5V gezogen, des ermöglicht eine ausgangspannung bis 5V hinauf (bei kleiner last halt), der 4049er hat zum glück eingangsträme im µA bereich, also liegen da sicher 5V an, der 4049er versorgst dann mit deiner 10V spannung, durch den 4049er wird dann der pegel angehoben auf etwa 9,5V@2,5mA , des sollte reichen für deine karte, richtig?
übrigens, pro 4094er sind 6 treiber drinnen, also du benötigs nicht für jedes 373er latch zwei 4094er, du kommst mit insgesamt 6 durch - beim letzen bleiben dann 4 ungenutzt, bei diesen lässt du den ausgang einfach frei (in der luft hängen) und die 4 eingänge schaltest alle auf GND damit der IC nicht zu schwingen beginnen kann...
so müsstst jetz funktionieren ;)
|
BID = 136232
2SJ200 Schreibmaschine
     Beiträge: 1942 Wohnort: Österreich
|
schaltungvergessen
|
BID = 136247
LeoLöwe Schriftsteller
    
Beiträge: 915
|
Vielen Dank!
Schick mir mal bitte einen Schaltplan per Mail an
E-Mail : um die Mail-Adresse zu sehen, bitte einloggen !
Wenn du noch ein paar Minuten entbeeren kannst, vielleicht noch mit einer Erklärung, wo wie welcher Strom wann fliest (wenn du das nicht schon gepostet hast).
Was sind noch gleich die Dreiecke in der Grafik gewesen?
_________________
|
BID = 136263
Dracos-Carazza Gesprächig
  
Beiträge: 185
|
sind alle im 4049 drin, deshalb auch die pinnummern. sind 6 invertierende treiber.
greetz Carazza
_________________
Es ist nicht deine Schuld, dass die Welt ist wie sie ist, es ist nur deine Schuld wenn sie so bleibt !
Wer seinen Trieb verleugnet, verleugnet das was ihm zum Menschen macht !
|
BID = 136415
LeoLöwe Schriftsteller
    
Beiträge: 915
|
Meinst du die Transistoren?
_________________
|
BID = 136450
2SJ200 Schreibmaschine
     Beiträge: 1942 Wohnort: Österreich
|
den Schaltplan hab i leider ned gespeichert (dumm von mir)
die dreiecke sind diese BUFFER, 6 Stück von diesen Buffern sind in einem 4049er drinnen
|
BID = 136452
DonComi Inventar
     
Beiträge: 8604 Wohnort: Amerika
|
Invertierende Treiber!
Können auch Transistoren sein. Aber in diesem Fall gehe ich von FET aus, da es ja CMOS ist.
So ein Treiber wird meistens bei Bus-Systemen verwendet.
_________________
|