Gemeinsame Gabionenbeleuchtung

Im Unterforum Projekte im Selbstbau - Beschreibung: Selbstbau von Elektronik und Elektro

Elektronik Forum Nicht eingeloggt       Einloggen       Registrieren




[Registrieren]      --     [FAQ]      --     [ Einen Link auf Ihrer Homepage zum Forum]      --     [ Themen kostenlos per RSS in ihre Homepage einbauen]      --     [Einloggen]

Suchen


Serverzeit: 30 12 2025  14:03:33      TV   VCR Aufnahme   TFT   CRT-Monitor   Netzteile   LED-FAQ   Oszilloskop-Schirmbilder            


Elektronik- und Elektroforum Forum Index   >>   Projekte im Selbstbau        Projekte im Selbstbau : Selbstbau von Elektronik und Elektro

Gehe zu Seite ( Vorherige Seite 1 | 2 )      

Autor
Gemeinsame Gabionenbeleuchtung

    







BID = 1018846

der mit den kurzen Armen

Urgestein



Beiträge: 17437
 

  


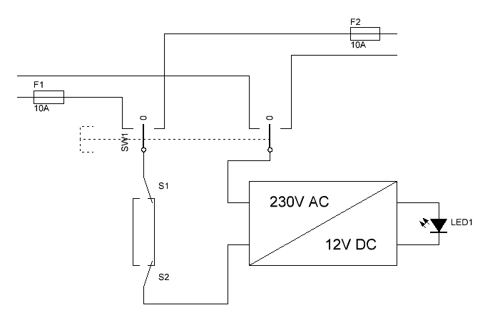
So geht es mit einem Umschalter Ein Aus Ein und einer einfachen Wechselschaltung! Achtung die PE dürfen nicht miteinander verbunden werden. Es wird nur ein PE Verwendet! BZW die Wechselschaltung wird auf der Schutzkleinspannungsseite aufgebaut!




_________________
Tippfehler sind vom Umtausch ausgeschlossen.
Arbeiten an Verteilern gehören in fachkundige Hände!
Sei Dir immer bewusst, dass von Deiner Arbeit das Leben und die Gesundheit anderer abhängen!

BID = 1018850

Rafikus

Inventar

Beiträge: 4221

 

  

In die Skizze aus dem dritten Post jeweils noch zwei Öffner pro Relais, sodass das anziehende Relais auch die Leitungen des anderen zur Lampe Öffnet.
Zu welchem Zeitpunkt werden da die Kreise Verbunden? Ich meine, dass es so passen würde.

Rafikus


Vorherige Seite      
Gehe zu Seite ( Vorherige Seite 1 | 2 )
Zurück zur Seite 0 im Unterforum          Vorheriges Thema Nächstes Thema 


Zum Ersatzteileshop


Bezeichnungen von Produkten, Abbildungen und Logos , die in diesem Forum oder im Shop verwendet werden, sind Eigentum des entsprechenden Herstellers oder Besitzers. Diese dienen lediglich zur Identifikation!
Impressum       Datenschutz       Copyright © Baldur Brock Fernsehtechnik und Versand Ersatzteile in Heilbronn Deutschland       

gerechnet auf die letzten 30 Tage haben wir 17 Beiträge im Durchschnitt pro Tag       heute wurden bisher 7 Beiträge verfasst
© x sparkkelsputz        Besucher : 188007815   Heute : 3503    Gestern : 8349    Online : 226        30.12.2025    14:03
9 Besucher in den letzten 60 Sekunden        alle 6.67 Sekunden ein neuer Besucher ---- logout ----viewtopic ---- logout ----
xcvb ycvb
0.045478105545