| Autor |
|
Energiespar - Abschaltung |
|
|
|
|
BID = 127640
TheME Gelegenheitsposter
 
Beiträge: 94
|
|
Ich habe eine Vorstellung und möchte folgendes entwickeln:
Eine Schaltung, die zwischen Steckdose und Verbraucher gesteckt wird. Durch einen Taster soll dann das angeschlossene Gerät eingeschaltet werden (Relais zieht dann an und hällt sich selbst). Nimmt das angeschlossene Gerät für eine bestimmte Zeit (über Poti einstellbar) eine geringe Leistung auf (ebenfalls einstellbar), dann trennt das Relais den Verbraucher wieder vom Netz.
Es wird also verhindert, dass das Gerät im ausgeschalteten Zustand (Standby) Strom verbraucht.
Wie bereits erwähnt, kann man zum Zuschalten der Last ein Relais verwenden.
Aber wie messe ich die Leistungsaufnahme des Verbrauchers? |
|
BID = 127647
olfi13 Schreibmaschine
     Beiträge: 1077 Wohnort: Wittingen
|
|
Hi!
Schau mal bei ELV.
Dort gibt es genau so ein Teil (Art. Nr 68-303-01).
Zumindest kannst Du Dir anschauen wie die so etwas machen.
olfi |
|
BID = 129141
Clemens Gerade angekommen
Beiträge: 18
|
Hallo
Sowas würd ich auch gerne bauen,..
Monitor und PC brauchen ja doch zusammen an die 25Watt im ausgeschaltenen Zustand. Beim meinem Monitor is des sowieso ne Frechheit weil, ich hab nachgemessen und der benötigt im Suspend Mode genausoviel wie wenn ich den Knipser vorne ausmach.
Im Moment hängt des ganze auf ner Steckdosenleiste mit Schalter. Is aber auch nbicht die Überdrüberlösung weil ich auch öfters den PC laufen lasse obwohl ich nicht davorsitze.
Und jedesmal den Monitor ausstecken ist ätzend,.. ;(
Ciao Clemens
|
BID = 130173
TheME Gelegenheitsposter
 
Beiträge: 94
|
Zum Schalten der Last würde ich wie schon erwähnt ein Relais verwenden. Beim Betätigen eines Tasters zieht dann das Relais an und hällt sich selbst, bis der Energieverbrauch unter eine bestimmte Schwelle fällt.
Aber wie kann man das mit der Überwachung der Stromaufnahme machen?
Die ganze Schaltung sollte direkt mit 230V arbeiten, damit ich nicht noch einen Trafo o.ä. verbauen muss.
|
BID = 130186
Dracos-Carazza Gesprächig
  
Beiträge: 185
|
alternativ wäre doch auch eine master-slave steckdose eine möglichkeit. In irgendeiner elektor zeitung hatten sie mal ein schaltung dafür drin, wenn man aber glück findet man die auch recht günstig zu kaufen.
greetz Carazza
_________________
Es ist nicht deine Schuld, dass die Welt ist wie sie ist, es ist nur deine Schuld wenn sie so bleibt !
Wer seinen Trieb verleugnet, verleugnet das was ihm zum Menschen macht !
|
BID = 130206
TheME Gelegenheitsposter
 
Beiträge: 94
|
Meine Schaltung hätte gegenüber einer einfachen Master-Slafe-Steckdosenleiste einen großen Vorteil:
Das Master-Gerät verbraucht keinen StandBy-Strom.
Ich werde aber mal nach Schaltplänen von Master-Slave-Steckdosen suchen und schauen, ob man da einige Teile übernehmen kann.
|
BID = 130455
Paddy Gelegenheitsposter
 
Beiträge: 85
|
Zitat : TheME hat am 14 Nov 2004 13:55 geschrieben :
|
Aber wie messe ich die Leistungsaufnahme des Verbrauchers?
|
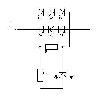
Vielleicht hilft Dir diese Schaltung weiter:
Angenommen die LED leuchtet ab 1,5V, dann lässt sich der Wert von R1 leicht ausrechnen, so daß bei einem bestimmten Strom 1,5V abfallen. R2 ist nur ein Schutzwiderstand. Und die jeweils drei in reihe geschaltenen Dioden verhindern dass der Spannungsabfall an R1 nicht größer als etwa 2V wird.
Anstelle der LED könnte man dann einen Optokoppler dranhängen...
Klar dass diese Schaltung nicht sehr präzise ist, aber sie funktioniert als "Stromsensor".
Paddy
[ Diese Nachricht wurde geändert von: Paddy am 21 Nov 2004 11:11 ]
|
BID = 130535
2SJ200 Schreibmaschine
     Beiträge: 1942 Wohnort: Österreich
|
beim PC würd ich folgendes vorschlagen:
bau dir ein relais ins netzteil ein des sich bei abgeschaltetem PC deaktiviert und die eine kaltgerätebuchse a PC hinten stromlos macht, dort steckst dir eine verteilerdose an und alles was zum pc gehört bzw. ohne pc nicht verwendet wird...
PC in stanby -> alles andere ganz aus, der PC bleibt in standby - mag vom stromverbrauch ein nachteil sein, allerdings muss man dann nicht ständig die leise einschalten, einen zusätzlichen taster betätigen und auch die automtischen hochfahrfunktionen ode einschalten über maus/tastatur funktionieen weiterhin..
|
BID = 130608
Clemens Gerade angekommen
Beiträge: 18
|
Hallo TheMe!
Ich denke der Ansatz ist nicht schlecht.
Vielleicht kann man das Relais in verbindung mit einen Elektromagneten verwenden. Wenn ausreichend Strom durch den Elektromagneten fliesst, hällt dieser das Relais im eingeschaltenen Zustand, sobald der PC heruntergefahren wird und somit weniger Strom braucht, geht auch weniger Strom durch den E-Magnet und er lässt das Relais wieder los.
Der Taster würde dann einfach für eine kurze Zeit das Relais überbrücken.
Allerdings weiss ich nicht wie man das ganze so bauen könnte dass man die Empfindlichkeit einstellen kann.
Zusätzlich müsste man beim Taster eine Zeitverzögerung einbauen, weil sonst muss man während man den Taster gedrückt hält den PC einschalten, weil ja sonst der Magnet das Relais nicht anzieht.
Da währe es noch einfacher einfach ein Paar Steckdosen mit Ein-Aus-Schalter zu bauen.
Wegen der Master-Slave Steckdose: Nachteil daran ist halt dass alle Geräte Ein oder Aus sind. Getrennt zB Monitor, PC, Lautsprecher, Drucker, ect. währe insofern besser weil man dann je nachdem was man braucht, nur eben diese Geräte mit Strom versorgt.
Kaltgeräte Anschluss am PC:
Das hat ja heutzutage kaum noch ein PC. Also meiner nicht.
Greez Clemens
|
BID = 130612
2SJ200 Schreibmaschine
     Beiträge: 1942 Wohnort: Österreich
|
meiner hatte auch keine dose mehr einbaut -> sagl und geht scho  selbst reinmachen...
|