| Autor |
|
cd rom laufwerk @stromversorgung |
|
|
|
|
BID = 68802
MatthiasAsselborn Stammposter
   
Avatar auf fremdem Server ! Hochladen oder per Mail an Admin
Beiträge: 411 Wohnort: Altenstadt
|
|
Hallo Leute
ich baute mir vor ca 4 Jahren nen Mp3 Player
naja habe nicht gerade wert auf die Stromversorgung gelegt...
welche ich nun am flackern des Lcd s im parralelen Betrieb
mit nem CD LW merke
weis nicht warum ?!
bis heute lief er.....
nun flackert nur noch alles bzw der Player resettet
möchte mir n schönes Netzteil für bauen
reicht mir bei einem CD LW ein +12v +5v und gemeinsame gnd ?
oder benötige ich +/- 5 und 12 volt ???
bzw wie schalte ich den ringkern ( 12 volt 35mm hoch 6,5 ampere)
so dass ich eine vernünftige masse bekomme
normal wird sie ja durch die 2x12 volt usw
erzeugt aber geht das auch mit einem 1x12 v trafo ?
gruß matthias |
|
BID = 68815
perl Ehrenmitglied
       
Beiträge: 11110,1 Wohnort: Rheinbach
|
|
CD-Laufwerke brauchen, genau wie Harddisks, +5V für die Elektronik und +12V für den Motor.
Am vierpoligen Stecker liegt nahe der der Laufwerksaußenkante +12V, dann kommt 2x Masse, und neben der IDE-Steckerleiste wird +5V angeschlossen.
_________________
Haftungsausschluß:
Bei obigem Beitrag handelt es sich um meine private Meinung.
Rechtsansprüche dürfen aus deren Anwendung nicht abgeleitet werden.
Besonders VDE0100; VDE0550/0551; VDE0700; VDE0711; VDE0860 beachten !
[ Diese Nachricht wurde geändert von: perl am 11 Mai 2004 5:24 ] |
|
BID = 68836
MatthiasAsselborn Stammposter
   
Avatar auf fremdem Server ! Hochladen oder per Mail an Admin
Beiträge: 411 Wohnort: Altenstadt
|
ok also schon masse keine symmetrischen spannungen ....
dankeschön !
|
BID = 69668
OttoK1 Neu hier

Avatar auf fremdem Server ! Hochladen oder per Mail an Admin
Beiträge: 38
|
Also, 1x12v Geht gar nicht, weil bei so nem computerschrott musst du was stabilisiertes haben, und das schluckt mindestens 1V.
Kauf dir halt einfach ein 15 V Netzteil 16VA und ein 8V 8VA Netzteil vom Reichelt für ca 12€ Dann noch 8 Dioden, zwei Elkos mit je 1000µF dann zwei Spannungsregler 5V, 12V, und noch jeweils nen 100nF Kondensator an den Ausgang parallel geschaltet. Wenn du nen Schaltplan/Layout brauchst: OTTOK1 äht GMX.NET (automatisch editiert wegen spamgefahr)
|
BID = 69672
2SJ200 Schreibmaschine
     Beiträge: 1942 Wohnort: Österreich
|
|
BID = 69680
karahara Gesprächig
   Beiträge: 122
|
Schau bei http://www.pollin.de/
Best. Nr. 350 333
Schaltnetzteil ASTEC AA20720
Ausgang +3,3 V/2 A, +5 V/3 A, +12 V/1 A.
karahara
|
BID = 70125
Pit999 Neu hier

Beiträge: 34
|
So läuft das Ding bei mir seit 97 mit wechselnden Laufwerken.
falls das PDF zu schlecht ist´kurze Meldung Orginal ist Target.
|
BID = 70152
Midnight Stammposter
   
Beiträge: 256
|
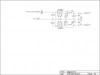
Ich hätte da sonst noch ein brauchbares Netzteil als Schaltplan, basiert auf zwei Schaltreglern, macht je 1 Ampere (1,5 Ampere kurzzeitig), und fast keine Wärme (kleines gemeinsames Kühlblech reicht). Was ich jetzt nicht eingezeichnet habe ist die Gleichrichterbrücke, und den Siebelko. Als Verpolungsschutzdiode sollte mal besser ne 1N4007 nehmen (hab ich eben vergessen zu ändern  ).
Gruß
Midnight
Das Dateiformat *.bmp ist nicht erlaubt ! Denken Sie bitte an den Traffic ! Deswegen nicht hochgeladen
|
BID = 70153
Midnight Stammposter
   
Beiträge: 256
|
... und nochmal als jpg...
|
BID = 70154
Midnight Stammposter
   
Beiträge: 256
|
... und nochmal als jpg...
|